A Link between Neutron and Ion Irradiation Hardening for Stainless Austenitic and Ferritic-Martensitic Steels
Abstract
1. Introduction
- -
- The development of a methodology for determining the ion irradiation parameters, which ensure the radiation hardening of ferritic-martensitic and austenitic steels, as close as possible to the radiation hardening of the same steels under neutron irradiation;
- -
- The determination of microhardness and radiation hardening for ferritic-martensitic and austenitic steels after ion and neutron irradiation in various states;
- -
- The development of some transferability function which connects the temperatures under neutron and ion irradiation for ferritic-martensitic and austenitic steels and that provides the same hardening at a given damage dose.
2. Methodology for Determining the Ion Irradiation Parameters and Development of the Transferability Function from Neutron to Ion Irradiation
- The dependence () is constructed for the material irradiated by neutrons for the dose Dn or for doses Dn > Dsat, as Figure 3 illustrates.
- The investigated material is irradiated in an ion accelerator at various temperatures until the target damage dose is reached in the third test zone or .
- The microhardness of the irradiated layer is measured for the material after ion irradiation at various and the dependence () is determined.
- If the dependence () corresponds to variant A in Figure 3, then the transferability function = φ() is determined.
- If the dependence () corresponds to variant B in Figure 3, ion irradiation should be repeated, choosing another test zone in which the target dose is set closer to the surface (second or first). This stage provides an increase in the maximum dose of ion irradiation and an increase in the value.
- 6.
- The test zone in which the target dose is set varies until the dependence () begins to correspond to variant A.
3. Investigated Materials and Specimens
3.1. Investigated Materials
3.2. Specimens for Ion Irradiation
3.3. Specimens for Neutron Irradiation
4. Neutron and Ion Irradiation Conditions
4.1. Neutron Irradiation
4.1.1. Ferritic-Martensitic Steels
4.1.2. Austenitic Steels
4.2. Ion Irradiation
4.2.1. Ferritic-Martensitic Steels
4.2.2. Austenitic Steels
- -
- Continuous irradiation with Ni3+ or Ni4+ ions without injection of He;
- -
- Cyclic irradiation, in which the time of heavy ion irradiation required to set the target dose was divided into five identical cycles, between which the samples were irradiated with He+ ions.
5. Microhardness Measurement Procedure
6. Experimental Results
6.1. Microhardness of Ferritic-Martensitic Steels
6.1.1. After Neutron Irradiation
6.1.2. After Ion Irradiation
6.2. Microhardness for Austenitic Steels
6.2.1. After Neutron Irradiation
6.2.2. After Ion Irradiation
7. Construction of the Transferability Functions
7.1. Ferritic-Martensitic Steels
- -
- After neutron irradiation:
- -
- After ion irradiation:
- -
- After neutron irradiation:
- -
- After ion irradiation:
7.2. Austenitic Steels
8. Conclusions
Author Contributions
Funding
Data Availability Statement
Conflicts of Interest
References
- Zelensky, V.F.; Neklydov, I.M. Radiation Defects and Swelling of Metals; Naukova Dumka: Kiev, Ukraine, 1988. (In Russian) [Google Scholar]
- Was, G.S. Fundamentals of Radiation Materials Science; Springer: Berlin/Heidelberg, Germany, 2007. [Google Scholar]
- INTERNATIONAL ATOMIC ENERGY AGENCY, Accelerator Simulation and Theoretical Modelling of Radiation Effects in Structural Materials; IAEA Nuclear Energy Series; No. NF-T-2.2; IAEA: Vienna, Austria, 2018; ISSN 1995–7807.
- Available online: https://neup.inl.gov/SiteAssets/FY%202013%20Abstracts/IRP/IRP-University%20of%20Michigan.pdf (accessed on 1 November 2023).
- Was, G.S.; Jiao, Z.; Getto, E.; Sun, K.; Monterrosa, A.M.; Maloy, S.A.; Anderoglu, O.; Sencer, B.H.; Hackett, M. Emulation of reactor irradiation damage using ion beams. Scr. Mater. 2014, 88, 33. [Google Scholar] [CrossRef]
- Zinkle, S.J.; Snead, L.L. Opportunities and limitations for ion beams in radiation effects studies: Bridging critical gaps between charged particle and neutron irradiations. Scr. Mater. 2018, 143, 154–160. [Google Scholar] [CrossRef]
- Taller, S.; Coevering, G.V.; Wirth, B.D.; Was, G.S. Predicting structural material degradation in advanced nuclear reactors with ion irradiation. Sci. Rep. 2021, 11, 2949. [Google Scholar] [CrossRef] [PubMed]
- Rogozhkin, S.V.; Nikitin, A.A.; Khomich, A.A.; Iskandarov, N.A.; Khoroshilov, V.V.; Bogachev, A.A.; Lukyanchuk, A.A.; Raznitsyn, O.A.; Shutov, A.S.; Fedin, P.A.; et al. Emulation of Radiation Damage of Structural Materials for Fission and Fusion Power Plants Using Heavy Ion Beams. Phys. Atom. Nuclei 2019, 82, 1239–1251. [Google Scholar] [CrossRef]
- Grudzevich, O.T.; Pechenkin, V.A.; Kobetz, U.A.; Gurbich, A.F.; Bokhovko, M.V.; Shaginyan, R.A.; Margolin, B.Z.; Petrov, S.N.; Mikhailov, M.S.; Vasileva, E.A. Investigation of structural materials radiation resistance with ion accelerators. Probl. At. Sci. Technol. Ser. Nucl. React. Constants 2022, 3, 127–145. (In Russian) [Google Scholar]
- ASTM E521-96; Standard Practice for Neutron Radiation Damage Simulation by Charged-Particle Irradiation. ASTM International: West Conshohocken, PA, USA, 2017.
- Taller, S.; Jiao, Z.; Field, K.; Was, G.S. Emulation of Fast Reactor Irradiated T91 Using Duallon Beam Irradiation. J. Nucl. Mater. 2019, 527, 151831. [Google Scholar] [CrossRef]
- Phythian, W.J.; English, C.A. Microstructural evolution in reactor pressure vessel steels. J. Nucl. Mater. 1993, 205, 162–177. [Google Scholar] [CrossRef]
- Al Mazouzi, A.; Alamo, A.; Lidbury, D.; Moinereau, D.; Van Dyck, S. PERFORM 60: Prediction of the effects of radiation for reactor pressure vessel and in-core materials using multi-scale modelling—60 years foreseen plant lifetime. Nucl. Eng. Des. 2011, 241, 3403–3415. [Google Scholar] [CrossRef]
- Margolin, B.Z.; Shvetsova, V.A.; Gulenko, A.G. Radiation embrittlement modeling in multiscale approach to brittle fracture of RPV steel. Int. J. Fract. 2013, 179, 87–108. [Google Scholar] [CrossRef]
- Margolin, B.Z.; Yurchenko, E.V.; Morozov, A.M.; Pirogova, N.E.; Brumovsky, M. Analysis of a link of embrittlement mechanisms and neutron flux effect as applied to reactor pressure vessel materials of WWER. J. Nucl. Mater. 2013, 434, 347–356. [Google Scholar] [CrossRef]
- Alekseenko, N.N.; Amaev, A.D.; Gorynin, I.V.; Nikolaev, V.A. Radiation Damage of Nuclear Power Plant Pressure Vessel Steels; American Nuclear Society: La Grangeark, IL, USA, 1997. [Google Scholar]
- Ortner, S.; English, C. Contribution of Laboratory Experiments to Unravelling the Mechanisms of RPV Embrittlement. In Proceedings of the Materials: PAMELA Workshop, Mol, Belgium, 19–21 September 2011. [Google Scholar]
- Lidbury, D.; Bugat, S.; Diard, O.; Keim, E.; Marini, B.; Viehrig, H.-W.; Planman, T.; Wallin, K. PERFECT (prediction of irradiation damage effects on reactor components): Progress with multi-scale modelling in RPV mechanics sub-project. In Local Approach to Fracture; Besson, J., Moinerau, D., Steglich, D., Eds.; Ecole des Mines de Paris: Paris, France, 2006; pp. 459–464. [Google Scholar]
- Eason, E.D.; Odette, G.R.; Nanstad, R.K.; Yamamoto, T. A Physically Based Correlation of Irradiation-Induced Transition Temperature Shifts for RPV Steels. J. Nucl. Mater. 2013, 433, 240–254. [Google Scholar] [CrossRef]
- Kirk, M. Assessment of flux effect exhibited by IVAR database. In Proceedings of the IAEA Technical Meeting on Radiation Embrittlement and Life Management of Reactor Pressure Vessels, Znojmo, Czech Republic, 18–22 October 2010. [Google Scholar]
- Amaev, A.D.; Kryukov, A.M.; Neklyudov, I.M. Radiation Damage and Operability of Structural Materials; Parshin, A.M., Platonov, P.A., Eds.; Politekhnika: St. Petersburg, Russia, 1997. (In Russian) [Google Scholar]
- Lu, Z.; Faulkner, R.G.; Jones, R.B.; Flewitt, P.E.J. Radiation-and thermally-induced phosphorus inter-granular segregation in pressure vessel steels. J. ASTM Int. 2005, 2, 180–194. [Google Scholar] [CrossRef]
- GOST R 70431-2022; The State System of Ensuring Unity of Measurement (GSI). Materials for Equipment and Pipes of Nuclear Power Plants. Methods for Determination of Impact Strength and Critical Temperature of Brittleness by Impact Bending Test. Russian Standardization Institute: Moscow, Russian, 2023.
- ASTM E 1921-22a; Standard Test Method for Determination of Reference Temperature, T0, for Ferritic Steels in the Transition Range. Annual Book of ASTM Standards: West Conshohocken, PA, USA, 2022; Volume 03.01.
- Wallin, K. Fracture Toughness of Engineering Materials—Estimation and Application; EMAS Publishing: Warrington, OR, USA, 2011. [Google Scholar]
- Margolin, B.Z.; Gulenko, A.G.; Fomenko, V.N.; Kostylev, V.I. Further Improvement of the Prometey Model and Unified Curve Method. Part 2. Improvement of the Unified Curve Method. Eng. Fract. Mech. 2018, 191, 383–402. [Google Scholar] [CrossRef]
- Margolin, B.; Yurchenko, E. Trend Curves for WWER RPV Materials and Their Supported Structures. In Radiation Embrittlement Trend Curves and Equations and Their Use for RPV Integrity Evaluations; ASTM STP 1647-EB; ASTM: West Conshohocken, PA, USA, 2023; pp. 174–203. [Google Scholar]
- Busby, J.T.; Hash, M.C.; Was, G.S. The relationship between hardness and yield stress in irradiated austenitic and ferritic steels. J. Nucl. Mater. 2005, 336, 267–278. [Google Scholar] [CrossRef]
- Gorynin, I.V.; Nesterova, E.V.; Nikolaev, V.A.; Rybin, V.V. Microstructure and Mechanical Properties of WWER-440 Reactor Vessel Metal after Service Life Expiration and Recovery Anneal. In Effects of Radiation on Materials: 17th International Symposium, Sun Valley, Idaho, 20–23 June 1994; ASTM STP 1270; American Society for Testing and Materials: West Conshohocken, PA, USA, 1996; p. 248. [Google Scholar]
- Lucas, G.E.; Odette, G.R.; Maiti, R.; Sheckherd, J.W. Tensile Properties of Irradiated Pressure Vessel Steels. In Influence of Radiation on Material Properties: 13th International Symposium, Seattle, WA, 23–25 June 1986; Part II, ASTM STP 956; American Society for Testing and Materials: West Conshohocken, PA, USA, 1987; p. 379. [Google Scholar]
- Higgy, H.R.; Hammand, F.H. Effect of fast-neutron irradiation on mechanical properties of stainless steels: AISI types 304,316 and 347. J. Nucl. Mater. 1975, 55, 177. [Google Scholar] [CrossRef]
- Kalin, B.A. Physical Materials Science; MIFI: Moscow, Russia, 2008; ISBN 978-5-7262-0821-3. (In Russian) [Google Scholar]
- Garner, F.A. Radiation Damage in Austenitic Steels. Compr. Nucl. Mater. 2012, 4, 33–95. [Google Scholar]
- Fukuya, K. Current understanding of radiation-induced degradation in light water reactor structural materials. J. Nucl. Sci. Technol. 2013, 50, 213–254. [Google Scholar] [CrossRef]
- Kursevich, I.P.; Margolin, B.Z.; Prokoshev, O.Y.; Kokhonov, V.I. Mechanical properties of austenitic steels under neutron irradiation: Influence of various factors. Vopr. Materialoved. (Probl. Mater. Sci.) 2006, 48, 55–68. (In Russian) [Google Scholar]
- Sorokin, A.A.; Margolin, B.Z.; Kursevich, I.P.; Minkin, A.J.; Neustroev, V.S. Effect of neutron irradiation on tensile properties of materials for pressure vessel internals of WWE type reactors. J. Nucl. Mater. 2014, 444, 373–384. [Google Scholar] [CrossRef]
- Margolin, B.; Sorokin, A.; Smirnov, V.; Potapova, V. Physical and mechanical modelling of neutron irradiation effect on ductile fracture. Part 1. Prediction of fracture strain and fracture toughness of austenitic steels. J. Nucl. Mater. 2014, 452, 595–606. [Google Scholar] [CrossRef]
- Chopra, O.K.; Rao, A.S. A review of irradiation effects on LWR core internal materials—IASCC susceptibility and crack growth rates of austenitic stainless steels. J. Nucl. Mater. 2011, 409, 235–256. [Google Scholar] [CrossRef]
- Kenik, E.A.; Busby, J.T. Radiation-induced degradation of stainless steel light water reactor internals. Mater. Sci. Eng. R 2012, 73, 67–83. [Google Scholar] [CrossRef]
- Margolin, B.Z.; Pirogova, N.E.; Sorokin, A.A.; Kokhonov, V.I. Mechanisms of Stress Corrosion Cracking of Irradiated Austenitic Chromium–Nickel Steels Used for WWER and PWR Vessel Internals. Inorg. Mater. Appl. Res. 2021, 12, 1701–1720. [Google Scholar] [CrossRef]
- Logan, H.L. Stress Corrosion of Metals; John Wiley & Sons Inc.: Hoboken, NJ, USA, 1967. [Google Scholar]
- Margolin, B.; Sorokin, A.; Shvetsova, V.; Buchatsky, A.; Pirogova, N. Fracture mechanisms and properties for irradiated austenitic chromium-nickel steel over elevated temperature range and formulation of intergranular fracture criterion. Eng. Fract. Mech. 2019, 281, 109087. [Google Scholar] [CrossRef]
- Claudson, T.T.; Barker, R.W. The effects of fast flux irradiation on the mechanical properties and dimensional stability of stainless steel. Nucl. Appl. Technol. 1970, 9, 10–23. [Google Scholar] [CrossRef]
- Hawthorne, J. Irradiation embrittlement. In Treatise on Materials Science and Technology; Elsevier: Amsterdam, The Netherlands, 1983; Volume 25, pp. 461–524. [Google Scholar]
- Jones, R.; Williams, T. The Dependence of Radiation Hardening and Embrittlement on Irradiation Temperature. In Effects of Radiation on Materials: 17th International Symposium, Sun Valley, Idaho, 20–23 June 1994; ASTM STP 1270; American Society for Testing and Materials: West Conshohocken, PA, USA, 1996; p. 569. [Google Scholar]
- Odette, G.R.; Yamamoto, T.; Klingensmith, D. On the effect of dose rate on irradiation hardening of RPV steels. Philosophical Magazine 2005, 85, 779–797. [Google Scholar] [CrossRef]
- Gaganidze, E.; Petersen, C.; Aktaa, J. Study of helium embrittlement in boron doped EUROFER97 steels. J. Nucl. Mater. 2009, 386, 349–352. [Google Scholar] [CrossRef]
- Lysova, G.V.; Birzhevoy, G.A. Kinetics of the radiation-induced hardening of EP-823 steel after Ni++ ion irradiation, annealing and re-irradiation. J. Surf. Investig. X-Ray Synchrotron Neutron Tech. 2012, 6, 326–329. [Google Scholar] [CrossRef]
- Maloy Henry, S.A. Irradiation-resistant ferritic and martensitic steels as core materials for Generation IV nuclear reactors. In Structural Materials for Generation IV Nuclear Reactors; Woodhead Publishing: Sawston, UK, 2017; Chapter 9; pp. 329–355. [Google Scholar]
- Ivanov, A.A.; Shulepin, S.V.; Dvoryashin, A.M.; Konobeev, Y.V.; Ivanov, S.N.; Alekseev, Y.V.; Porollo, S.I. Structure and mechanical properties of EP-823 steel, 20Kh12MN steel and experimental versions of 12% chromium steels after irradiation in the BN-350 reactor. In Proceedings of the IX Russian Conference on Reactor Material Science, Dimitrvgrad, Russia, 14–18 September 2009; pp. 560–573. (In Russian). [Google Scholar]
- Grigorovich, V.K. Hardness and Microhardness of Metals; Nauka: Moscow, Russia, 1976. (In Russian) [Google Scholar]
- Golovin, Y.I. Nanoindentation and Its Capabilities; Mashinostroenie: Moscow, Russia, 2009; ISBN 978-5-94275-476-1. (In Russian) [Google Scholar]
- Dolph, C.K.; da Silva, D.J.; Swenson, M.J.; Wharry, J.P. Plastic zone size for nanoindentation of irradiated Fe-9%Cr ODS. J. Nucl. Mat. 2016, 481, 33–45. [Google Scholar] [CrossRef]
- Xiao, X.; Yu, L. Nano-indentation of ion-irradiated nuclear structural materials: A review. Nucl. Mater. Energy 2020, 22, 100721. [Google Scholar] [CrossRef]
- ISO 14577-4:2016 (E); Metallic Materials—Instrumented Indentation Test for Hardness and Materials Parameters—Part 4: Test Method for Metallic and Nonmetallic Coatings. ISO: Geneva, Switzerland, 2016.
- Angus, J.; Wilkinson, T. Ben. Britton. Strains, planes, and EBSD in materials science. Materialstoday 2012, 15, 366–376. [Google Scholar]
- Gusev, M.N.; de Bellefon, G.M.; Rosseel, T.M. Analysis of Localized Deformation Processes in Highly Irradiated Austenitic Stainless Steel through In Situ Techniques; ORNL/TM-2019/1274; Report of Oak Ridge National Laboratory; Oak Ridge National Laboratory: Oak Ridge, TN, USA, 2019; p. 36. [Google Scholar]
- Margolin, B.; Shvetsova, V.; Sorokin, A.; Minkin, A.; Pirogova, N. Mechanisms of plastic deformation and fracture of austenitic chromium-nickel steel irradiated during 45 years in WWER-440. J. Nucl. Mater. 2021, 549, 152911. [Google Scholar] [CrossRef]
- Kryukov, A.; Debarberis, L.; Hähner, P.; Gillemot, F.; Oszvald, F. Thermal annealing as a method to predict results of high temperature irradiation embrittlement. J. Nucl. Mater. 2013, 432, 501–504. [Google Scholar] [CrossRef]
- Belozerov, S.V.; Neustroyev, V.S.; Shamardin, V.K. Studying helium accumulation in austenitic steels for evaluating radiation damage in internals of water-moderated water-cooled power reactors. Phys. Met. Metallogr. 2008, 106, 503–509. [Google Scholar] [CrossRef]
- GOST R 8.748-2011 (ISO 14577-1:2002); The State System of Ensuring Unity of Measurement (GSI). Metals and Alloys. Hardness and Other Characteristics of Materials at Instrumental Indentation Test. FSUE “STANDARTINFORM”: Moscow, Russia, 2013. (In Russian)
- Gurovich, B.A.; Kuleshova, E.A.; Frolov, A.S.; Maltsev, D.A.; Prikhodko, K.E.; Prikhodko, K.E.; Margolin, B.Z.; Prikhodko, K.E. Investigation of high temperature annealing effectiveness for recovery of radiation-induced structural changes and properties of 18Cr10NiTi austenitic stainless steels. J. Nucl. Mater. 2015, 465, 565–581. [Google Scholar] [CrossRef]
- Zincle, S.J.; Maziasz, P.J.; Stoller, R.E. Dose Dependence of the Microstructual Evolution in Neutron Irradiated Steel. J. Nucl. Mater. 1993, 206, 266–286. [Google Scholar] [CrossRef]







—ion irradiated region of sample, ○—unirradiated region of sample: (a) specimen X55, (b) specimen X56, (c) specimen P62, (d) specimen P49, (e) specimen X58, (f) specimen (P29).
—ion irradiated region of sample, ○—unirradiated region of sample: (a) specimen X55, (b) specimen X56, (c) specimen P62, (d) specimen P49, (e) specimen X58, (f) specimen (P29).

—A1 material after neutron irradiation; ○—A1 material and HC-18Cr-10Ni-Ti steel after post-irradiation annealing; ◆—A2 material after neutron irradiation; ◇—A1 material after post-irradiation annealing.
—A1 material after neutron irradiation; ○—A1 material and HC-18Cr-10Ni-Ti steel after post-irradiation annealing; ◆—A2 material after neutron irradiation; ◇—A1 material after post-irradiation annealing.
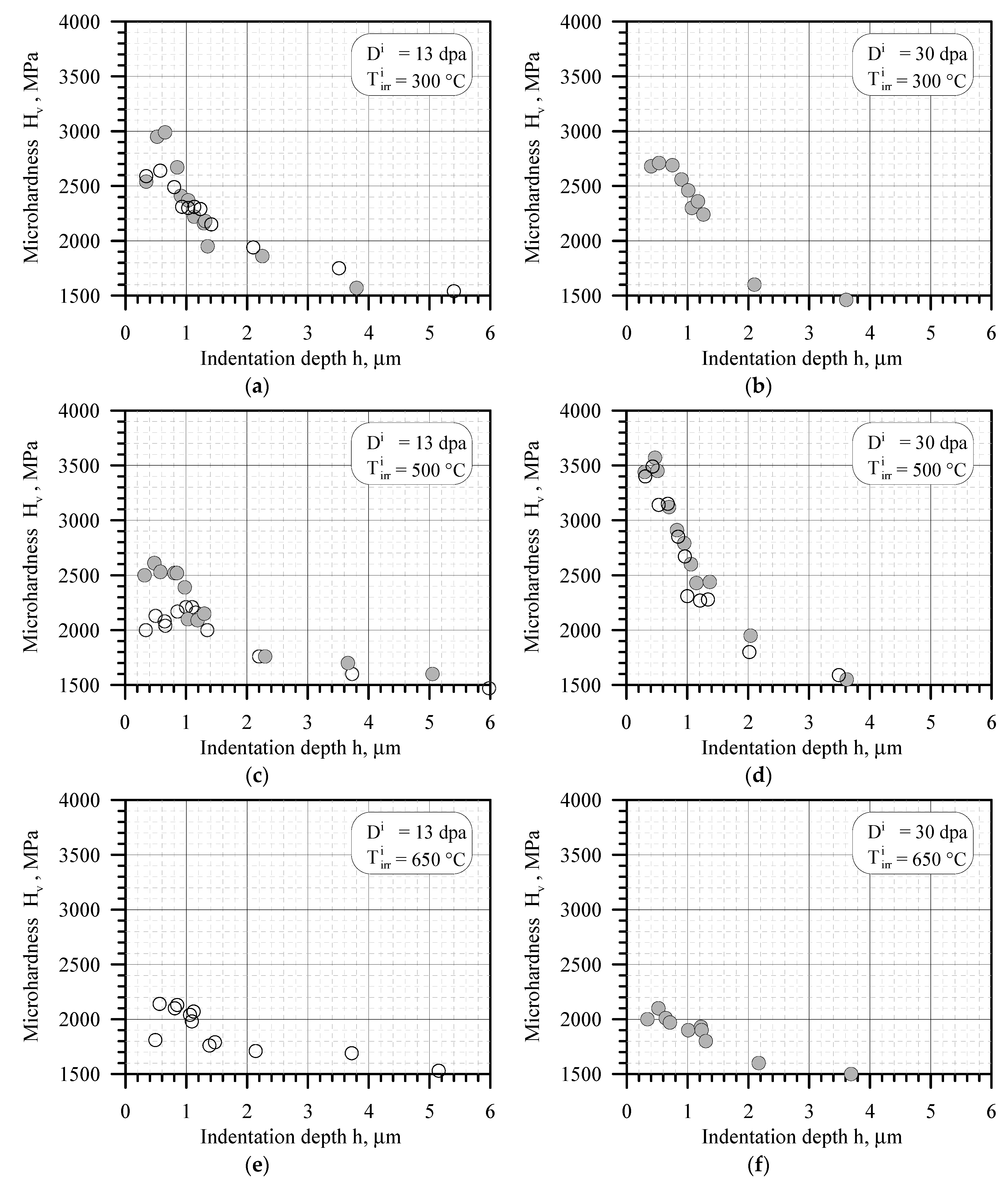
—irradiation with implantation of He to η = 7 appm/dpa. (a) Di = 13 dpa, = 300 °C; (b) Di = 30 dpa, = 300 °C; (c) Di = 13 dpa, = 500 °C; (d) Di = 30 dpa, = 500 °C; (e) Di = 13 dpa, = 650 °C; (f) Di = 30 dpa, = 650 °C.
—irradiation with implantation of He to η = 7 appm/dpa. (a) Di = 13 dpa, = 300 °C; (b) Di = 30 dpa, = 300 °C; (c) Di = 13 dpa, = 500 °C; (d) Di = 30 dpa, = 500 °C; (e) Di = 13 dpa, = 650 °C; (f) Di = 30 dpa, = 650 °C.

—Di = 13 dpa with He implantation to η = 7 appm/dpa; ◇—Di = 30 dpa, without He implantation;
—Di = 30 dpa with He implantation to η = 7 appm/dpa.
—Di = 13 dpa with He implantation to η = 7 appm/dpa; ◇—Di = 30 dpa, without He implantation;
—Di = 30 dpa with He implantation to η = 7 appm/dpa.




) on the irradiation temperature for A1 material and HC-18Cr-10Ni-Ti steel (a) and for A2 material (b) for the irradiation conditions when saturation of radiation hardening is achieved; point with arrow demonstrates similar trends between materials A1 and A2, corresponding to 13 dpa of ion irradiation. Realistic hardening for point with arrow is higher than measured value.
) on the irradiation temperature for A1 material and HC-18Cr-10Ni-Ti steel (a) and for A2 material (b) for the irradiation conditions when saturation of radiation hardening is achieved; point with arrow demonstrates similar trends between materials A1 and A2, corresponding to 13 dpa of ion irradiation. Realistic hardening for point with arrow is higher than measured value.

| Material | Mass Fraction of Chemical Elements, % | |||||||
|---|---|---|---|---|---|---|---|---|
| C | Si | Mn | Cr | Ni | Mo | S | P | |
| F1 | 0.08 | 0.29 | 0.70 | 12.1 | 1.06 | 0.94 | 0.003 | 0.013 |
| F2 | 0.16 | 1.18 | 0.65 | 10.7 | 0.62 | 0.76 | 0.002 | 0.015 |
| Nb | V | W | Ti | Al | B | N | ||
| F1 | 0.11 | 0.20 | - | - | 0.029 | 0.03 | 0.059 | |
| F2 | 0.33 | 0.33 | 0.54 | 0.01 | 0.02 | 0.003 | 0.04 | |
| Material | Mass Fraction of Chemical Elements, % | ||||||||
|---|---|---|---|---|---|---|---|---|---|
| C | Si | Mn | S | P | Cr | Ni | Co | Mo | |
| A1 | 0.071 | 0.52 | 1.71 | 0.002 | 0.028 | 17.5 | 10.2 | 0.021 | 0.01 |
| A2 | 0.065 | 0.48 | 1.65 | 0.004 | 0.026 | 15.3 | 20.2 | 0.027 | 2.59 |
| Ti | Al | W | V | Nb | Cu | N | O | H | |
| A1 | 0.53 | 0.110 | - | 0.025 | - | 0.018 | 0.0059 | 0.0012 | 0.00050 |
| A2 | 0.63 | 0.146 | - | - | - | 0.040 | 0.0081 | 0.0042 | 0.00041 |
| Material | , °C | Damage Dose, Dn, dpa |
|---|---|---|
| F1 | 390 | 10.3 |
| 390 | 11.6 | |
| 450 * | 11.6 | |
| 500 * | 11.6 | |
| 550 | 14.6 | |
| F2 | 380 | 14 |
| 390 | 22 | |
| 410 | 33 | |
| 425 | 33 | |
| 580 | 22 |
| Material | Reactor | , °C | Damage Dose, Dn, dpa |
|---|---|---|---|
| A1 | SM-3 | 60 | 10.2 |
| WWER-440 | 280 | 15.7 | |
| WWER-440 | 280 | 33.7 | |
| WWER-440 | 400 (280) ** | 33.7 | |
| WWER-440 | 450 (280) ** | 33.7 | |
| WWER-440 | 500 (280) ** | 33.7 | |
| WWER-440 | 550 (280) ** | 33.7 | |
| WWER-440 | 600 (280) ** | 33.7 | |
| BOR-60 | 330 | 10.8 | |
| BOR-60 | 500 (330) ** | 10.8 | |
| BOR-60 | 500 | 29.0 | |
| BOR-60 | 550 (500) ** | 29.0 | |
| BOR-60 | 600 (500) ** | 29.0 | |
| SM-3 + BOR-60 * | 500 | 11.3 | |
| SM-3 + BOR-60 * | 550 (500) ** | 11.3 | |
| A2 | SM-3 | 60 | 12.1 |
| BOR-60 | 330 | 10.8 | |
| BOR-60 | 500 | 29.0 | |
| BOR-60 | 550 (500) ** | 29.0 | |
| SM-3 + BOR-60 * | 500 | 11.3 | |
| SM-3 + BOR-60 * | 550 (500) ** | 11.3 |
| Material | Identification Sample Marking | Damage Dose, Di, dpa | Specific He Concentration, η, appm/dpa | |
|---|---|---|---|---|
| F1 | X55 | 350 | 13 | 0.2 |
| X56 | 400 | 13 | 0.2 | |
| X57 | 450 | 13 | 0.2 | |
| X58 | 500 | 13 | 0.2 | |
| X59 | 550 | 13 | 0.2 | |
| X60 | 600 | 13 | 0.2 | |
| F2 | P30 | 350 | 15 | 0 |
| P31 | 380 | 14 | 0.2 | |
| P62 | 400 | 15 | 0 | |
| P59 | 450 | 14 | 0.2 | |
| P29 | 400 | 30 | 0 | |
| P49 | 400 | 30 | 0.2 | |
| P21 | 400 | 30 | 4.0 | |
| P28 | 450 | 30 | 0 | |
| P27 | 450 | 30 | 4.0 | |
| P60 | 450 | 30 | 0.2 | |
| P61 | 500 | 30 | 0 | |
| P22 | 500 | 30 | 0.2 | |
| P26 | 500 | 30 | 4.0 | |
| P18 | 600 | 30 | 0.2 |
| Material | Irradiation Condition | ||
|---|---|---|---|
| The Specific He Concentration, η, appm/dpa | The Target Damage Dose Di *, dpa | , °C | |
| A1 | 0 | 13 | 300, 400, 500, 550, 650 |
| 0 | 30 | 400, 500 | |
| 7 | 13 | 300, 400, 500 | |
| 7 | 30 | 300, 400, 500, 550, 650 | |
| A2 | 0 | 13 | 300, 400, 500 |
| 0 | 30 | 400, 500 | |
| Damage Dose Dn, dpa | ||||
|---|---|---|---|---|
| 390 | 10.3 | 3650 | 2370 | 1280 |
| 390 | 11.6 | 3780 | 2370 | 1410 |
| 450 * | 11.6 | 3430 | 2370 | 1060 |
| 500 * | 11.6 | 2530 | 2370 | 160 |
| 550 | 14.6 | 2380 | 2370 | 10 |
| , °C | Damage Dose Dn, dpa | , MPa | , MPa | , MPa |
|---|---|---|---|---|
| 380 | 14 | 4220 | 2400 | 1820 |
| 390 | 22 | 4120 | 2400 | 1720 |
| 410 | 33 | 4050 | 2400 | 1650 |
| 425 | 33 | 3930 | 2400 | 1530 |
| 495 * | 11 * | - | - | 490 * |
| 580 | 22 | 2696 | 2400 | 296 |
| Sample | Irradiation Parameters | , µm | Microhardness | MPa | |||
|---|---|---|---|---|---|---|---|
| , °C | Di, dpa | η, appm/dpa | , MPa | MPa | |||
| X55 | 350 | 13 | 0.2 | 0.57 | 3740 | 2350 | 1390 |
| X56 | 400 | 13 | 0.2 | 0.51 | 3700 | 2350 | 1350 |
| X57 | 450 | 13 | 0.2 | 0.78 | 3550 | 2350 | 1200 |
| X58 | 500 | 13 | 0.2 | 0.56 | 2700 | 2350 | 350 |
| X59 | 550 | 13 | 0.2 | 0.80 | 2507 | 2270 | 237 |
| X60 | 600 | 13 | 0.2 | 0.80 | 2240 | 2200 | 40 |
| Sample | Irradiation Parameters | µm | Microhardness | MPa | |||
|---|---|---|---|---|---|---|---|
| °C | Di, dpa | η, appm/dpa | MPa | MPa | |||
| P30 | 350 | 15 | 0 | 0.34 | 3350 | 2360 | 990 |
| P31 | 380 | 14 | 0.2 | 0.37 | 4000 | 2360 | 1640 |
| P62 | 400 | 15 | 0 | 0.70 | 3276 | 2100 | 1176 |
| P59 | 450 | 14 | 0.2 | 0.47 | 3843 | 2360 | 1483 |
| P29 | 400 | 30 | 0 | 0.43 | 4214 | 2360 | 1854 |
| P49 | 400 | 30 | 0.2 | 0.65 | 4019 | 2100 | 1919 |
| P21 | 400 | 30 | 4.0 | 0.33 | 4278 | 2360 | 1918 |
| P28 | 450 | 30 | 0 | 0.47 | 3670 | 2360 | 1310 |
| P27 | 450 | 30 | 4.0 | 0.54 | 4050 | 2360 | 1690 |
| P60 | 450 | 30 | 0.2 | 0.60 | 3552 | 2100 | 1452 |
| P61 | 500 | 30 | 0 | 0.60 | 2460 | 2100 | 360 |
| P22 | 500 | 30 | 0.2 | 0.64 | 2966 | 2166 | 866 |
| P26 | 500 | 30 | 4.0 | 0.47 | 2953 | 2360 | 607 |
| P18 | 600 | 30 | 0.2 | 0.60 | 2253 | 2100 | 153 |
| Materials | Reactor | , °C | D, dpa | , MPa | , MPa | , MPa |
|---|---|---|---|---|---|---|
| A1 | SM-3 | 60 | 10.2 | 2700 | 1420 | 1280 |
| WWER-440 | 280 | 15.7 | 3700 | 1420 | 2280 | |
| WWER-440 | 280 | 33.7 | 3550 | 1420 | 2130 | |
| WWER-440 | 400 (280) | 33.7 | 3540 | 1420 | 2120 | |
| WWER-440 | 450 (280) | 33.7 | 3650 | 1420 | 2230 | |
| WWER-440 | 500 (280) | 33.7 | 3410 | 1420 | 1990 | |
| WWER-440 | 550 (280) | 33.7 | 3060 | 1420 | 1640 | |
| WWER-440 | 600 (280) | 33.7 | 2740 | 1420 | 1320 | |
| BOR-60 | 330 | 10.8 | 3640 | 1420 | 2220 | |
| BOR-60 | 500 (330) | 10.8 | 3390 | 1420 | 1970 | |
| BOR-60 | 500 | 29.0 | 3290 | 1420 | 1870 | |
| BOR-60 | 550 (500) | 29.0 | 2940 | 1420 | 1520 | |
| BOR-60 | 600 (500) | 29.0 | 2760 | 1420 | 1340 | |
| SM-3 + BOR-60 | 500 | 11.3 | 3310 | 1420 | 1890 | |
| SM-3 + BOR-60 | 550 (500) | 11.3 | 3010 | 1420 | 1590 | |
| A2 | SM-3 | 60 | 12.1 | 2780 | 1450 | 1330 |
| BOR-60 | 330 | 10.8 | 3520 | 1450 | 2070 | |
| BOR-60 | 500 | 29.0 | 3330 | 1450 | 1880 | |
| BOR-60 | 550 (500) | 29.0 | 2950 | 1450 | 1500 | |
| SM-3 + BOR-60 | 500 | 11.3 | 3180 | 1450 | 1730 | |
| SM-3 + BOR-60 | 550 (500) | 11.3 | 2980 | 1450 | 1530 |
| Temperature of Post-Irradiation Annealing, °C | ΔσY, MPa | , MPa |
|---|---|---|
| 600 | 439 | 1330 |
| 700 | 104 | 315 |
| 800 | 4 | 12 |
| Sample | Irradiation Parameters | |||||
|---|---|---|---|---|---|---|
| Di, dpa | η, appm/dpa | |||||
| S38 | 300 | 13 | 0 | 0.52 | 2648 | 1228 |
| S39 | 400 | 13 | 0 | 0.44 | 2395 | 975 |
| S18 | 400 | 30 | 0 | 0.45 | 3685 | 2265 |
| S40 | 500 | 13 | 0 | 0.98 | 2208 | 788 |
| S19 | 500 | 30 | 0 | 0.44 | 3490 | 2070 |
| S41 | 550 | 13 | 0 | 0.84 | 2121 | 701 |
| S42 | 650 | 13 | 0 | 0.57 | 2140 | 720 |
| S35 | 300 | 13 | 7 | 0.65 | 2984 | 1564 |
| S23 | 300 | 30 | 7 | 0.51 | 2711 | 1291 |
| S36 | 400 | 13 | 7 | 0.70 | 2471 | 1051 |
| S43 | 400 | 13 | 7 | 0.57 | 2580 | 1160 |
| S20 | 400 | 30 | 7 | 0.40 | 3700 | 2280 |
| S37 | 500 | 13 | 7 | 0.47 | 2616 | 1196 |
| S21 | 500 | 30 | 7 | 0.47 | 3568 | 2148 |
| S44 | 550 | 30 | 7 | 0.43 | 2740 | 1320 |
| S22 | 650 | 30 | 7 | 0.51 | 2100 | 680 |
| Sample | Irradiation Parameters | |||||
|---|---|---|---|---|---|---|
| Di, dpa | η, appm/dpa | |||||
| 2.95 | 300 | 13 | 0 | 0.58 | 2629 | 1179 |
| 2.96 | 400 | 13 | 0 | 0.58 | 2457 | 1007 |
| 2.98 | 500 | 13 | 0 | 0.58 | 2562 | 1112 |
| 2.93 | 400 | 30 | 0 | 0.46 | 3563 | 2113 |
| 2.94 | 500 | 30 | 0 | 0.65 | 3239 | 1789 |
Disclaimer/Publisher’s Note: The statements, opinions and data contained in all publications are solely those of the individual author(s) and contributor(s) and not of MDPI and/or the editor(s). MDPI and/or the editor(s) disclaim responsibility for any injury to people or property resulting from any ideas, methods, instructions or products referred to in the content. |
© 2024 by the authors. Licensee MDPI, Basel, Switzerland. This article is an open access article distributed under the terms and conditions of the Creative Commons Attribution (CC BY) license (https://creativecommons.org/licenses/by/4.0/).
Share and Cite
Margolin, B.; Sorokin, A.; Belyaeva, L. A Link between Neutron and Ion Irradiation Hardening for Stainless Austenitic and Ferritic-Martensitic Steels. Metals 2024, 14, 99. https://doi.org/10.3390/met14010099
Margolin B, Sorokin A, Belyaeva L. A Link between Neutron and Ion Irradiation Hardening for Stainless Austenitic and Ferritic-Martensitic Steels. Metals. 2024; 14(1):99. https://doi.org/10.3390/met14010099
Chicago/Turabian StyleMargolin, Boris, Alexander Sorokin, and Lyubov Belyaeva. 2024. "A Link between Neutron and Ion Irradiation Hardening for Stainless Austenitic and Ferritic-Martensitic Steels" Metals 14, no. 1: 99. https://doi.org/10.3390/met14010099
APA StyleMargolin, B., Sorokin, A., & Belyaeva, L. (2024). A Link between Neutron and Ion Irradiation Hardening for Stainless Austenitic and Ferritic-Martensitic Steels. Metals, 14(1), 99. https://doi.org/10.3390/met14010099

