Study on Joining for Thin-Walled Aluminum Alloy/Steel Tubes by Electromagnetic Flanging Process
Abstract
1. Introduction
2. Materials and Methods
2.1. Materials Preparation
2.2. Experiments of Joining by Electromagnetic Flanging
2.3. Test Methods
3. Numerical Simulation
3.1. Numerical Model
3.2. Verification of Model
4. Results and Discussion
4.1. Formation Process of the Joint
4.2. Mechanical Properties of the Joint
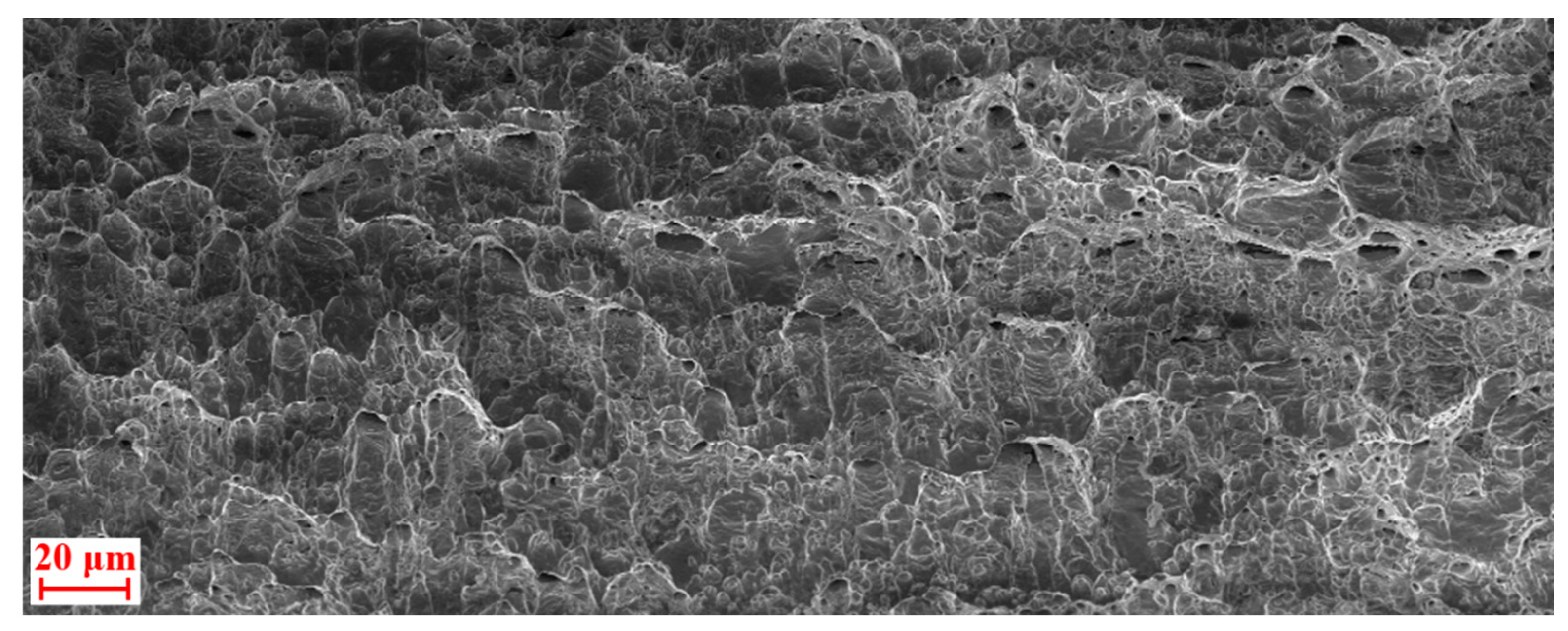
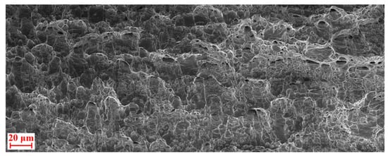
4.3. Morphology of the Joint
5. Conclusions
- The electromagnetic flanging process could obtain effective joints between the aluminum alloy tube and the steel tube, which was a manufacturing process with application prospects for thin-walled structural tube components of vehicles.
- The formation process of the joint was analyzed through numerical simulation. Because of the uneven distribution of the induced current density and Lorentz force, the deformation of flanges of the prefabricated holes on the outer tubes at the axial ends was greater than that at other positions. Therefore, their projection shape on the longitudinal section was oval.
- It was found by tensile tests and morphology observation that the maximum tensile load of the joint increased with the discharge energy. There were two failure modes of the joint. When the discharge energy was below 19 kJ, the failure mode of the joints was pull-out. When the discharge energy reached 19 kJ, the failure mode of the joints was a fracture.
- When the failure mode of the joint transited from pull-out (18 kJ) to fracture (19 kJ), the maximum tensile load just increased from 8771.70 N to 8894.77 N, while the inner tube fractured brittlely, which was not suitable for service. Hence, the comprehensive performance of the joints was better when the discharge energy was 18 kJ.
Author Contributions
Funding
Institutional Review Board Statement
Informed Consent Statement
Data Availability Statement
Conflicts of Interest
References
- Cui, J.J.; Sun, T.; Geng, H.H.; Yuan, W.; Li, G.Y.; Zhang, X. Effect of surface treatment on the mechanical properties and microstructures of Al-Fe single-lap joint by magnetic pulse welding. Int. J. Adv. Manuf. Technol. 2018, 98, 1081–1092. [Google Scholar] [CrossRef]
- Marmiroli, B.; Venditti, M.; Dotelli, G.; Spessa, E. The transport of goods in the urban environment: A comparative life cycle assessment of electric, compressed natural gas and diesel light-duty vehicles. Appl. Energy 2020, 260, 114236. [Google Scholar] [CrossRef]
- Jiang, H.; Liao, Y.X.; Jing, L.J.; Gao, S.; Li, G.Y.; Cui, J.J. Mechanical properties and corrosion behavior of galvanized steel/Al dissimilar joints. Arch. Civ. Mech. Eng. 2021, 21, 168. [Google Scholar] [CrossRef]
- Liao, Y.X.; Sun, H.; Wu, G.; Jin, C.; Cui, J.; Li, G.; Jiang, H. Effect of rivet arrangement on fatigue performance of electromagnetic riveted joint with Φ10 mm diameter rivet. Int. J. Fatigue 2023, 176, 107892. [Google Scholar] [CrossRef]
- Kayode, O.; Akinlabi, E.T. An overview on joining of aluminium and magnesium alloys using friction stir welding (FSW) for automotive lightweight applications. Mater. Res. Express 2020, 6, 112005. [Google Scholar] [CrossRef]
- Taub, A.; De Moor, E.; Luo, A.; Matlock, D.K.; Speer, J.G.; Vaidya, U. Materials for automotive lightweighting. Annu. Rev. Mater. Res. 2019, 49, 327–359. [Google Scholar] [CrossRef]
- Geng, H.H.; Xia, Z.H.; Zhang, X.; Li, G.Y.; Cui, J.J. Microstructures and mechanical properties of the welded AA5182/HC340LA joint by magnetic pulse welding. Mater. Charact. 2018, 138, 229–237. [Google Scholar] [CrossRef]
- Zhu, C.C.; Sun, L.Q.; Gao, W.L.; Li, G.Y.; Cui, J.J. The effect of temperature on microstructure and mechanical properties of Al/Mg lap joints manufactured by magnetic pulse welding. J. Mater. Res. Technol. 2019, 8, 3270–3280. [Google Scholar] [CrossRef]
- Weber, F.; Gebhard, J.; Gitschel, R.; Goyal, S.; Kamaliev, M.; Wernicke, S.; Tekkaya, A.E. Joining by forming—A selective review. J. Adv. Join. Process. 2021, 3, 100054. [Google Scholar] [CrossRef]
- Mori, K.; Bay, N.; Fratini, L.; Micari, F.; Tekkaya, A.E. Joining by plastic deformation. CIRP Ann.-Manuf. Technol. 2013, 62, 673–694. [Google Scholar] [CrossRef]
- Groche, P.; Wohletz, S.; Brenneis, M.; Pabst, C.; Resch, F. Joining by forming-A review on joint mechanisms, applications and future trends. J. Mater. Process. Technol. 2014, 214, 1972–1994. [Google Scholar] [CrossRef]
- Abe, Y.; Saito, T.; Mori, K.; Kato, T. Mechanical clinching with dies for control of metal flow of ultra-high-strength steel and high-strength steel sheets. Proc. Inst. Mech. Eng. Part B J. Eng. Manuf. 2018, 232, 644–649. [Google Scholar] [CrossRef]
- Pragana, J.P.M.; Silva, C.M.A.; Braganca, I.M.F.; Alves, L.M.; Martins, P.A.F. A new joining by forming process to produce lap joints in metal sheets. CIRP Ann.-Manuf. Technol. 2018, 67, 301–304. [Google Scholar] [CrossRef]
- Zhang, Q.; Zhang, Y.S.; Cao, M.; Ben, N.Y.; Ma, X.W.; Ma, H.X. Joining process for copper and aluminum tubes by rotary swaging method. Int. J. Adv. Manuf. Technol. 2017, 89, 163–173. [Google Scholar] [CrossRef]
- Marre, M.; Rautenberg, J.; Tekkaya, A.E.; Zabel, A.; Biermann, D.; Wojciechowski, J.; Przybylski, W. An experimental study on the groove design for joints produced by hydraulic expansion considering axial or torque load. Mater. Manuf. Process. 2012, 27, 545–555. [Google Scholar] [CrossRef]
- Ossenkemper, S.; Dahnke, C.; Tekkaya, A.E. Analytical and experimental bond strength investigation of cold forged composite shafts. J. Mater. Process. Technol. 2019, 264, 190–199. [Google Scholar] [CrossRef]
- Cai, D.; An, H.; Li, G.Y.; Ou, H.; Cui, J.J.; Jiang, H. Local flanging process on a curved wind deflector using electromagnetic forming. J. Manuf. Process. 2022, 84, 1030–1041. [Google Scholar] [CrossRef]
- Satonkar, N.; Gopalan, V. Simulation of electromagnetic forming process and optimization of geometric parameters of perforated Al sheet using RSM. Mathematics 2023, 11, 1983. [Google Scholar] [CrossRef]
- Psyk, V.; Risch, D.; Kinsey, B.L.; Tekkaya, A.E.; Kleiner, M. Electromagnetic forming-A review. J. Mater. Process. Technol. 2011, 211, 787–829. [Google Scholar] [CrossRef]
- Park, Y.B.; Kim, H.Y.; Oh, S.I. Design of axial/torque joint made by electromagnetic forming. Thin Wall Struct. 2005, 43, 826–844. [Google Scholar] [CrossRef]
- Areda, G.T.; Kore, S.D. Numerical study and experimental investigation on electromagnetic crimping for tube-to-rod configuration. Int. J. Precis. Eng. Manuf. 2019, 20, 181–191. [Google Scholar] [CrossRef]
- Kumar, R.; Kore, S.D. Electromagnetic crimping in tube-to-cylinder configuration: Influence of the base profiles on the joint quality. J. Test. Eval. 2018, 46, 1064–1075. [Google Scholar] [CrossRef]
- Rajak, A.K.; Kore, S.D. Experimental investigation of aluminium-copper wire crimping with electromagnetic process: Its advantages over conventional process. J. Manuf. Process. 2017, 26, 57–66. [Google Scholar] [CrossRef]
- Weddeling, C.; Woodward, S.T.; Marre, M.; Nellesen, J.; Psyk, V.; Tekkaya, A.E.; Tillmann, W. Influence of groove characteristics on strength of form-fit joints. J. Mater. Process. Technol. 2011, 211, 925–935. [Google Scholar] [CrossRef]
- Chen, C.; Han, Z.C.; Cui, J.J.; Li, G.Y.; Jiang, H. Study on magnetic pulse crimping process for joining large-diameter aluminum alloy tube/magnesium alloy shaft. Int. J. Adv. Manuf. Technol. 2023, 127, 527–546. [Google Scholar] [CrossRef]
- Jimbert, P.; Eguia, I.; Gutierrez, M.A.; Gonzalez, B.; Daehn, G.S.; Zhang, Y.; Anderson, R.; Sundberg, H.; Olsson, S.O.; Brännström., P. Flanging and hemming of auto body panels using the electro magnetic forming technology. In Proceedings of the 3rd International Conference on High Speed Forming (ICHSF), Dortmund, Germany, 11–12 March 2008. [Google Scholar] [CrossRef]
- Chu, Y.Y.; Lee, R.S. Effects of blank design on the electromagnetic flanging process. Proc. Inst. Mech. Eng. Part B J. Eng. Manuf. 2010, 224, 75–86. [Google Scholar] [CrossRef]
- Deng, H.K.; Mao, Y.F.; Li, G.Y.; Zhang, X.; Cui, J.J. AA5052 failure prediction of electromagnetic flanging process using a combined fracture model. Arch. Civ. Mech. Eng. 2022, 22, 84. [Google Scholar] [CrossRef]
- GB/T 228.1-2021; Metallic Materials-Tensile Testing-Part 1: Method of Test at Room Temperature. National Standards of the People’s Republic of China: Beijing, China, 2021.
- Liu, Q.X.X.; Wang, S.L.; Li, G.Y.; Cui, J.J.; Yu, Y.; Jiang, H. A sandwich structure realizing the connection of CFRP and Al sheets using magnetic pulse welding. Compos. Struct. 2022, 295, 115865. [Google Scholar] [CrossRef]
- Jiang, H.; Hong, Z.B.; Li, G.Y.; Cui, J.J. Numerical and experiment investigation on joining process and failure behaviors of CFRP/Al electromagnetic riveted joint. Mech. Adv. Mater. Struct. 2022, 29, 1996–2007. [Google Scholar] [CrossRef]
- Johnson, G.R.; Cook, W.H. Fracture characteristics of three metals subjected to various strains, strain rates, temperatures and pressures. Eng. Fract. Mech. 1985, 21, 31–48. [Google Scholar] [CrossRef]
- Nam, H.S.; Je, J.H.; Han, J.J.; Kim, Y.J. Investigation of crack tip stress and strain fields at crack initiation of A106 Gr. B carbon steels under high strain rates. In Proceedings of the 20th European Conference on Fracture (ECF), Trondheim, Norway, 30 June–4 July 2014. [Google Scholar] [CrossRef][Green Version]
- Liu, Q.X.X.; Yao, Y.H.; Xia, Z.H.; Li, G.Y.; Cui, J.J.; Jiang, H. A novel method for joining steel/al tube parts based on electromagnetic force by flat coil. Coatings 2021, 11, 1356. [Google Scholar] [CrossRef]
- Wu, Y.Z.; Ma, Y.Q.; Gao, H.T.; Zhang, Y.; Liu, S.Y. Electrical conductibility of copper clad steel wire by drawing at room temperature. Key Eng. Mater. 2007, 334–335, 321–324. [Google Scholar] [CrossRef]
- Yao, Y.H.; Jing, L.J.; Wang, S.L.; Li, G.Y.; Cui, J.J.; Tang, X.H.; Jiang, H. Mechanical properties and joining mechanisms of Al-Fe magnetic pulse welding by spot form for automotive application. J. Manuf. Process. 2022, 76, 504–517. [Google Scholar] [CrossRef]
- Liu, Z.D.; Wang, G.; Feng, Y.C.; Li, L.X. High-strain-rate constitutive parameters of 6061 aluminum alloys. Min. Metall. Eng. 2011, 31, 120–123. [Google Scholar] [CrossRef]
- Nassiraei, H.; Mojtahedi, A.; Lotfollahi-Yaghin, M.A. Static strength of X-joints reinforced with collar plates subjected to brace tensile loading. Ocean Eng. 2018, 161, 227–241. [Google Scholar] [CrossRef]

















| Material | Si | Cr | Cu | Mn | C | Zn | V | P | Ti | Mo | Mg | Co | Al | Fe |
|---|---|---|---|---|---|---|---|---|---|---|---|---|---|---|
| T6061-T6 | 0.4~0.8 | 0.04~0.35 | 0.15~0.4 | <0.15 | - | <0.25 | - | 0.04~0.35 | <0.15 | - | 0.5~1.2 | - | Bal. | <0.7 |
| Q195 | <0.05 | <0.3 | - | 0.3~0.5 | 0.12~0.2 | - | <0.03 | <0.05 | <0.03 | <0.03 | - | <0.03 | Bal. |
| Material | Young’s Modulus (GPa) | Yield Strength (MPa) | Tensile Strength (MPa) | Density (kg/m3) | Poisson Ratio |
|---|---|---|---|---|---|
| T6061-T6 | 69 | 240 | 290 | 2700 | 0.330 |
| Q195 | 212 | 195 | 390 | 7690 | 0.286 |
| Part | Number of Elements | Number of Nodes |
|---|---|---|
| Coil | 21,224 | 28,050 |
| Field shaper | 3672 | 4654 |
| Outer tube | 40,196 | 60,534 |
| Inner tube | 3559 | 7296 |
| Material | A (MPa) | B (MPa) | n | C |
|---|---|---|---|---|
| T6061-T6 | 205.78 | 130.59 | 0.357 | 0.015 |
| Q195 | 294 | 818.72 | 0.3792 | −0.06441 |
| Part | Material | Density (kg/m3) | Young’s Modulus (GPa) | Poisson Ratio | Material Model | Electrical Conductivity (S/m) |
|---|---|---|---|---|---|---|
| Coil | 6061T6 | 2700 | 69 | 0.330 | Rigid | 2.46 × 107 |
| Field shaper | Copper | 8900 | 97 | 0.330 | Rigid | 5.71 × 107 |
| Outer tube | 6061T6 | 2700 | 69 | 0.330 | Plastic | 2.46 × 107 |
| Inner tube | Q195 | 7690 | 212 | 0.286 | Plastic | 0.65 × 107 |
| Discharge Energy (kJ) | Average Maximum Tensile Load (N) | Failure Mode |
|---|---|---|
| 14 | 5726.90 | Pull-out |
| 15 | 5861.79 | Pull-out |
| 16 | 6475.27 | Pull-out |
| 17 | 7422.24 | Pull-out |
| 18 | 8771.70 | Pull-out |
| 19 | 8894.77 | Fracture |
Disclaimer/Publisher’s Note: The statements, opinions and data contained in all publications are solely those of the individual author(s) and contributor(s) and not of MDPI and/or the editor(s). MDPI and/or the editor(s) disclaim responsibility for any injury to people or property resulting from any ideas, methods, instructions or products referred to in the content. |
© 2023 by the authors. Licensee MDPI, Basel, Switzerland. This article is an open access article distributed under the terms and conditions of the Creative Commons Attribution (CC BY) license (https://creativecommons.org/licenses/by/4.0/).
Share and Cite
Chen, C.; Zhao, Y.; Wang, D.; Cui, J.; Li, G.; Jiang, H. Study on Joining for Thin-Walled Aluminum Alloy/Steel Tubes by Electromagnetic Flanging Process. Metals 2023, 13, 1529. https://doi.org/10.3390/met13091529
Chen C, Zhao Y, Wang D, Cui J, Li G, Jiang H. Study on Joining for Thin-Walled Aluminum Alloy/Steel Tubes by Electromagnetic Flanging Process. Metals. 2023; 13(9):1529. https://doi.org/10.3390/met13091529
Chicago/Turabian StyleChen, Chang, Yujia Zhao, Dayong Wang, Junjia Cui, Guangyao Li, and Hao Jiang. 2023. "Study on Joining for Thin-Walled Aluminum Alloy/Steel Tubes by Electromagnetic Flanging Process" Metals 13, no. 9: 1529. https://doi.org/10.3390/met13091529
APA StyleChen, C., Zhao, Y., Wang, D., Cui, J., Li, G., & Jiang, H. (2023). Study on Joining for Thin-Walled Aluminum Alloy/Steel Tubes by Electromagnetic Flanging Process. Metals, 13(9), 1529. https://doi.org/10.3390/met13091529

