Flow Behavior and Mechanical Properties of Multi-Pass Thermomechanically Processed 7075 Al-Alloy
Abstract
:1. Introduction
2. Experimental Procedure
3. Results and Discussion
3.1. Flow Behavior and Mechanisms
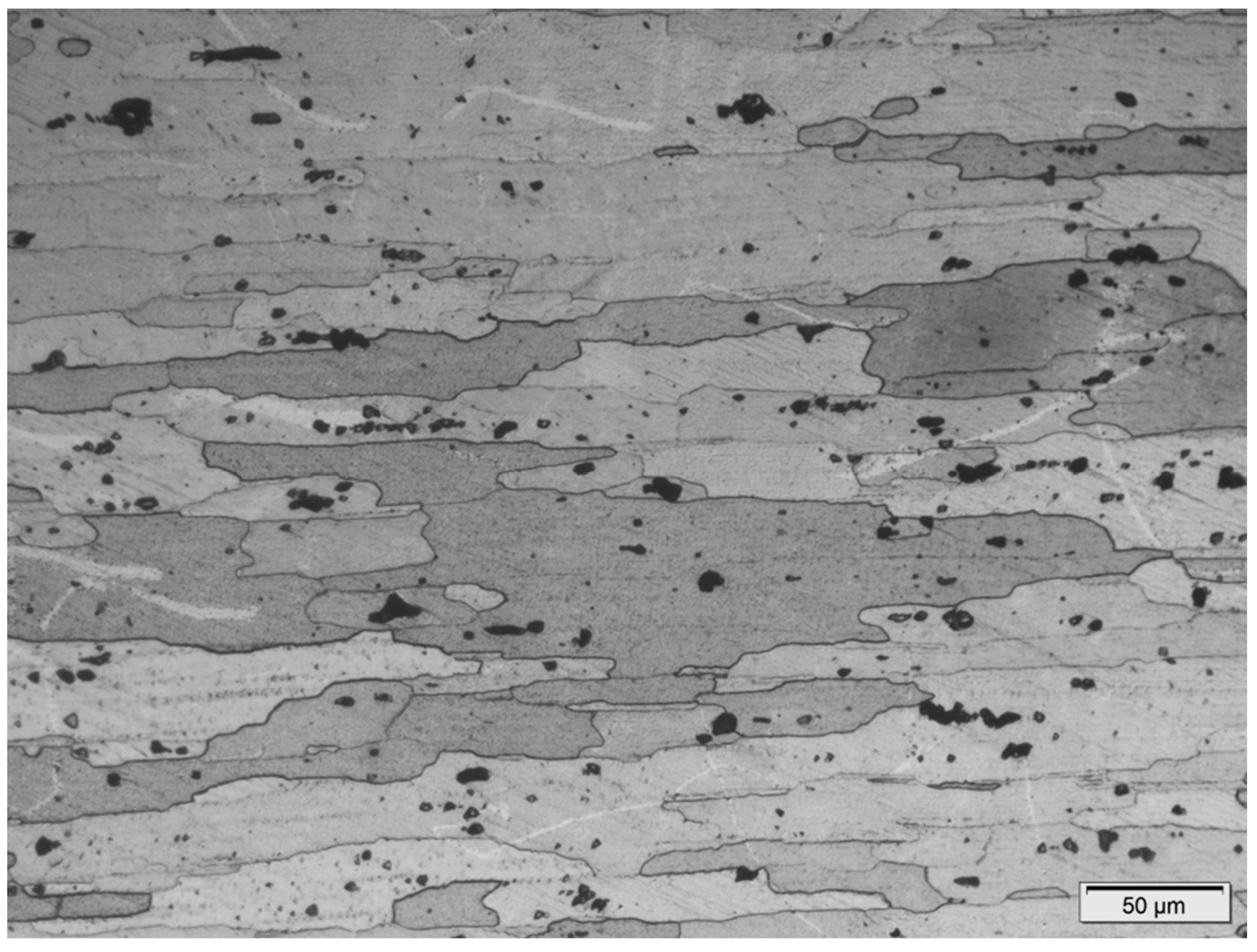
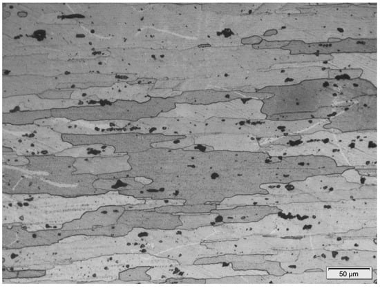
3.2. Microstructural Investigation
3.3. The Industrial Feasibility
3.4. Mechanical Properties of the Thermomechanically Processed Sheets
3.5. Properties-Processing Characteristics Relationship of the Designed TMPS
4. Conclusions
- (1)
- A stable material flow that is beneficial for heavy deformation is achieved in all the designed passes in all strategies, either when balance occurs between the flow softening and strain hardening phenomena or when strain hardening is dominant.
- (2)
- The work hardening and grain refinement strengthening mechanisms that occur during hot rolling of 7075 Al-alloy play a significant role in enhancing the mechanical properties of the alloy.
- (3)
- The best TMPS for meeting properties and productivity criteria is the QP strategy. It has the most uniform and fine microstructure and the best mechanical properties (424 MPa UTS and 6.3% elongation). Moreover, it requires the shortest period of time to process (244.71 s) compared to other TMPS.
- (4)
- Designing the TMPS to promote uniform microstructure, mechanical properties, and industrialization is attained by picking out the deformation parameters, including heating rate, soaking temperature and time, deformation temperature, strain, number of passes, inter-pass time, and cooling conditions.
Author Contributions
Funding
Institutional Review Board Statement
Informed Consent Statement
Data Availability Statement
Acknowledgments
Conflicts of Interest
References
- Quan, G.Z.; Liu, K.W.; Jie, Z.; Bin, C. Dynamic softening behaviors of 7075 aluminium alloy. Trans. Nonferr. Met. Soc. China 2009, 19, 537–541. [Google Scholar] [CrossRef]
- Abolhasani, A.; Zarei-Hanzaki, A.; Abedi, H.R.; Rokni, M.R. The room temperature mechanical properties of hot rolled 7075 aluminium alloy. Mater. Des. 2012, 34, 631–636. [Google Scholar] [CrossRef]
- Lu, J.; Song, Y.; Hua, L.; Zheng, K.; Dai, D. Thermal deformation behavior and processing maps of 7075 aluminium alloy sheet based on isothermal uniaxial tensile tests. J. Alloys Compd. 2018, 767, 856–869. [Google Scholar] [CrossRef]
- Hongfu, Y.; Rensong, H.; Yelin, Z.; Shanju, Z.; Mengnie, L.; Koppala, S.; Kemacheevakul, P.; Sannapaneni, J. Effect of rolling deformation and passes on microstructure and mechanical properties of 7075 aluminium alloy. Ceram. Int. 2023, 49, 1165–1177. [Google Scholar] [CrossRef]
- Zheng, K.; Li, Y.; Yang, S.; Fu, K.; Zheng, J.; He, Z.; Yuan, S. Investigation and modeling of the preheating effects on precipitation and hot flow behavior for forming high strength AA7075 at elevated temperatures. J. Manuf. Mater. Process. 2020, 4, 76. [Google Scholar] [CrossRef]
- Scharifi, E.; Shoshmina, D.; Biegler, S.; Weidig, U.; Steinhoff, K. Influence of hot deformation on the precipitation hardening of high-strength aluminium AA7075 during thermo-mechanical processing. Metals 2021, 11, 681. [Google Scholar] [CrossRef]
- Sajadifar, S.V.; Scharifi, E.; Weidig, U.; Steinhoff, K.; Niendorf, T. Performance of thermo-mechanically processed AA7075 alloy at elevated temperatures-from microstructure to mechanical properties. Metals 2020, 10, 884. [Google Scholar] [CrossRef]
- Scharifi, E.; Knoth, R.; Weidig, U. Thermo-mechanical forming procedure of high strength Aluminum sheet with improved mechanical properties and process efficiency. Procedia Manuf. 2019, 29, 481–489. [Google Scholar] [CrossRef]
- Park, S.Y.; Kim, W.J. Difference in the hot compressive behavior and processing maps between the as-cast and homogenized Al-Zn-Mg-Cu (7075) Alloys. J. Mater. Sci. Technol. 2016, 32, 660–670. [Google Scholar] [CrossRef]
- Lin, Y.C.; Li, L.-T.; Xia, Y.-C.; Jiang, Y.-Q. Hot deformation and processing map of a typical Al–Zn–Mg–Cu alloy. J. Alloys Compd. 2013, 550, 438–445. [Google Scholar] [CrossRef]
- Jiang, J.; Liu, Y.; Xiao, G.; Wang, Y.; Ju, Y. Effect of pass reduction on microstructure, mechanical properties and texture of hot-rolled 7075 alloy. Mater. Charact. 2019, 147, 324–339. [Google Scholar] [CrossRef]
- Gupta, R.K.; Kumar, V.A.; Krishnan, A.S.; Niteshraj, J. Hot Deformation Behavior of Aluminium Alloys AA7010 and AA7075. J. Mater. Eng. Perform. 2019, 28, 5021–5036. [Google Scholar] [CrossRef]
- Lin, Y.C.; Li, L.-T.; Fu, Y.-X.; Jiang, Y.-Q. Hot compressive deformation behavior of 7075 Al alloy under elevated temperature. J. Mater Sci. 2012, 47, 1306–1318. [Google Scholar] [CrossRef]
- El-Shenawy, E.; Mohamed, H.; Reda, R. Effect of Hot Rolling Strategy on the Mechanical Behavior and Productivity of Ti-6Al-4V Alloy. Materials 2022, 15, 8344. [Google Scholar] [CrossRef] [PubMed]
- El-Shenawy, E.; Reda, R. Optimization of TMCP strategy for microstructure refinement and flow-productivity characteristics enhancement of low carbon steel. J. Mater. Res. Technol. 2019, 8, 2819–2831. [Google Scholar] [CrossRef]












| Element | Zn | Mg | Cu | Fe | Cr | Si | Mn | Al |
| Weight% | 5.07 | 2.37 | 1.32 | 0.29 | 0.21 | 0.13 | 0.04 | Balance |
| TMPS | Temperature (°C) | Deformation/Pass (%) | Time (sec.) |
|---|---|---|---|
| SP | Heating 0–500 | ---- | 94 |
| Soaking at 500 | ---- | 15 | |
| Cooling 500–450 | ---- | 5 | |
| 1st stroke at 450 | 65.36 | 6.7 | |
| Cooling 450–400 | ---- | 10 | |
| Cooling to RT | ---- | 186.5 | |
| Total | 65.36 | 317.2 | |
| DP | Heating 0–500 | ---- | 94 |
| Soaking at 500 | ---- | 15 | |
| Cooling 500–450 | ---- | 5 | |
| 1st stroke at 450 | 39.22 | 3.92 | |
| Cooling 450–350 | ---- | 20 | |
| 2nd stroke at 350 | 26.14 | 4.3 | |
| Cooling 350–300 | ---- | 10 | |
| Cooling to RT | ---- | 136.5 | |
| Total | 65.36 | 288.72 | |
| TP | Heating 0–500 | ---- | 94 |
| Soaking at 500 | ---- | 15 | |
| Cooling 500–450 | ---- | 5 | |
| 1st stroke at 450 | 39.22 | 3.92 | |
| Cooling 450–350 | ---- | 20 | |
| 2nd stroke at 350 | 16.34 | 2.15 | |
| Cooling 350–250 | ---- | 20 | |
| 3rd stroke at 250 | 9.8 | 2.74 | |
| Cooling 250–200 | ---- | 10 | |
| Cooling to RT | ---- | 86.5 | |
| Total | 65.36 | 259.31 | |
| QP | Heating 0–500 | ---- | 94 |
| Soaking at 500 | ---- | 15 | |
| Cooling 500–450 | ---- | 5 | |
| 1st stroke at 450 | 32.68 | 3.27 | |
| Cooling 450–400 | ---- | 10 | |
| 2nd stroke at 400 | 16.34 | 2.43 | |
| Cooling 400–300 | ---- | 20 | |
| 3rd stroke at 300 | 9.8 | 1.92 | |
| Cooling 300–200 | ---- | 20 | |
| 4th stroke at 200 | 6.54 | 1.59 | |
| Cooling 200–150 | ---- | 10 | |
| Cooling to RT | ---- | 61.5 | |
| Total | 65.36 | 244.71 |
| TMPS | Phase | 2θ (°) | Intensity (%) | FWHM (°) |
|---|---|---|---|---|
| SP | MgZn2 | 40.7 | 1.1 | 0.116 |
| 42.4 | 0.7 | 0.180 | ||
| AlCuMg | 41.5 | 1.2 | 0.143 | |
| Al2CuMg | 78.1 | 27.4 | 0.100 | |
| Al7Cu2Fe | 69 | 0.8 | 0.195 | |
| 72.4 | 0.7 | 0.100 | ||
| 93.6 | 0.7 | 0.100 | ||
| DP | MgZn2 | 28.8 | 8.9 | 0.100 |
| 40.7 | 0.9 | 0.195 | ||
| AlCuMg | 41.5 | 0.9 | 0.206 | |
| Al2CuMg | 19.2 | 1.8 | 0.100 | |
| 25 | 0.8 | 0.190 | ||
| 78.1 | 27.5 | 0.100 | ||
| Al7Cu2Fe | 12.1 | 0.9 | 0.216 | |
| TP | MgZn2 | 40.6 | 0.9 | 0.242 |
| 42.4 | 0.9 | 0.160 | ||
| AlCuMg | 41.5 | 1.2 | 0.157 | |
| Al2CuMg | 78.05 | 18.2 | 0.132 | |
| Al7Cu2Fe | 63.5 | 0.9 | 0.100 | |
| 76.2 | 1 | 0.100 | ||
| 94.1 | 1 | 0.100 | ||
| QP | MgZn2 | 40.7 | 1.4 | 0.151 |
| 42.4 | 0.7 | 0.226 | ||
| AlCuMg | 41.3 | 1.7 | 0.157 | |
| 76.4 | 2 | 0.228 | ||
| Al2CuMg | 78.05 | 36.6 | 0.110 | |
| 80.6 | 1.4 | 0.100 | ||
| Al7Cu2Fe | 28.2 | 1.5 | 0.192 | |
| 63.5 | 1.3 | 0.100 | ||
| 94.2 | 1.4 | 0.100 |
| TMPS | YS (MPa) | UTS (MPa) | El. (%) | YS/UTS Ratio | Strain Hardening Exponent (n) | Tensile Toughness (J) |
|---|---|---|---|---|---|---|
| SP | 315 | 406 | 5.8 | 0.776 | 0.114 | 2090 |
| DP | 355 | 413 | 4 | 0.859 | 0.101 | 1536 |
| TP | 340 | 416 | 5.2 | 0.8175 | 0.118 | 1966 |
| QP | 350 | 424 | 6.3 | 0.825 | 0.122 | 2439 |
Disclaimer/Publisher’s Note: The statements, opinions and data contained in all publications are solely those of the individual author(s) and contributor(s) and not of MDPI and/or the editor(s). MDPI and/or the editor(s) disclaim responsibility for any injury to people or property resulting from any ideas, methods, instructions or products referred to in the content. |
© 2023 by the authors. Licensee MDPI, Basel, Switzerland. This article is an open access article distributed under the terms and conditions of the Creative Commons Attribution (CC BY) license (https://creativecommons.org/licenses/by/4.0/).
Share and Cite
El-Shenawy, E.; Farahat, A.I.Z.; Ragab, A.E.; Elsayed, A.; Reda, R. Flow Behavior and Mechanical Properties of Multi-Pass Thermomechanically Processed 7075 Al-Alloy. Metals 2023, 13, 1158. https://doi.org/10.3390/met13071158
El-Shenawy E, Farahat AIZ, Ragab AE, Elsayed A, Reda R. Flow Behavior and Mechanical Properties of Multi-Pass Thermomechanically Processed 7075 Al-Alloy. Metals. 2023; 13(7):1158. https://doi.org/10.3390/met13071158
Chicago/Turabian StyleEl-Shenawy, Eman, Ahmed I. Z. Farahat, Adham E. Ragab, Ahmed Elsayed, and Reham Reda. 2023. "Flow Behavior and Mechanical Properties of Multi-Pass Thermomechanically Processed 7075 Al-Alloy" Metals 13, no. 7: 1158. https://doi.org/10.3390/met13071158
APA StyleEl-Shenawy, E., Farahat, A. I. Z., Ragab, A. E., Elsayed, A., & Reda, R. (2023). Flow Behavior and Mechanical Properties of Multi-Pass Thermomechanically Processed 7075 Al-Alloy. Metals, 13(7), 1158. https://doi.org/10.3390/met13071158

