Fatigue Crack Growth Behavior of Different Zones in an Overmatched Welded Joint Made with D32 Marine Structural Steel
Abstract
1. Introduction
2. Materials, Tests, and Methodologies
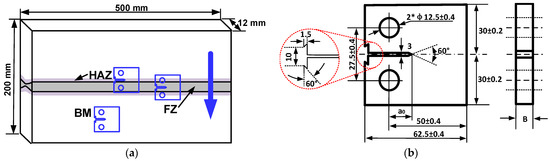
2.1. Materials and Samples
2.2. Experimental Procedures
2.3. Fatigue Crack Growth Model
3. Results
3.1. The Effect of Residual Stress on FZ and HAZ
3.2. The Effect of Stress Ratio on FCGR for Different Materials
3.3. The Modified FCG Model for the Tested Data
4. Discussion
5. Conclusions
- (1)
- Differences in FCG behavior were found for the HAZ and FZ in the as-welded and stress-relieved states. The stress-relieved CT specimens for the FZ and HAZ had a larger FCGR than the as-welded CT specimens, indicating that the residual stress in the D32 overmatched welded joint positively affects the FCGR;
- (2)
- The stress ratio seemed to exhibit no noticeable difference in the BM material, while it had sensitivity to some degree for the HAZ and FZ materials in the stress-relieved state. The FCG of these materials was expedited with an increase in the stress. Differences in the fatigue crack growth rates due to microstructures in the crack path should be further examined;
- (3)
- Satisfactory FCGR fitting curves for the BM and the regions from overmatched welded joints can be obtained based on the NASGRO equation. This could offer some adequate information for the fatigue life prediction in engineering welded components. Further investigations of stress–strain field of the crack tip that consider the microstructure and residual stress state using digital image correlations and a multi-physical model should be conducted to validate the FCGR in the future.
Author Contributions
Funding
Institutional Review Board Statement
Informed Consent Statement
Data Availability Statement
Conflicts of Interest
References
- Song, W.; Wang, P.; Wan, D.; Qian, G.; Correia, J.; Berto, F. Fatigue crack growth behavior of Ni-Cr-Mo-V steel welded joints considering strength mismatch effect. Int. J. Fatigue 2021, 151, 106389. [Google Scholar] [CrossRef]
- Venezuela, J.; Zhou, Q.; Liu, Q.; Li, H.; Zhang, M.; Dargusch, M.S.; Atrens, A. The influence of microstructure on the hydrogen embrittlement susceptibility of martensitic advanced high strength steels. Mater. Today Commun. 2018, 17, 1–14. [Google Scholar] [CrossRef]
- Dwivedi, S.K.; Vishwakarma, M. Effect of hydrogen in advanced high strength steel materials. Int. J. Hydrogen Energy 2019, 44, 28007–28030. [Google Scholar] [CrossRef]
- Štefane, P.; Naib, S.; Hertelé, S.; De Waele, W.; Gubeljak, N. Crack tip constraint analysis in welded joints with pronounced strength and toughness heterogeneity. Theor. Appl. Fract. Mech. 2019, 103, 102293. [Google Scholar] [CrossRef]
- Alexandrov, S.; Kontchakova, N. Influence of anisotropy on limit load of weld-strength overmatched cracked plates in pure bending. Mater. Sci. Eng. A 2004, 387–389, 395–398. [Google Scholar] [CrossRef]
- Wang, Q.; Yan, Z.; Liu, X.; Dong, Z.; Fang, H. Understanding of fatigue crack growth behavior in welded joint of a new generation N-Cr-Mo-V high strength steel. Eng. Fract. Mech. 2018, 194, 224–239. [Google Scholar] [CrossRef]
- Zhu, M.L.; Xuan, F.Z.; Wang, G.Z. Effect of microstructure on fatigue crack propagation behavior in a steam turbine rotor steel. Mater. Sci. Eng. A 2009, 515, 85–92. [Google Scholar] [CrossRef]
- Liu, S.D.; Zhu, M.L.; Zhou, H.B.; Wan, D.; Xuan, F.Z. Strain visualization of growing short fatigue cracks in the heat-affected zone of a Ni–Cr–Mo–V steel welded joint: Intergranular cracking and crack closure. Int. J. Press. Vessel. Pip. 2019, 178, 103992. [Google Scholar] [CrossRef]
- Ronevich, J.A.; Song, E.J.; Feng, Z.; Wang, Y.; D’Elia, C.; Hill, M.R. Fatigue crack growth rates in high pressure hydrogen gas for multiple X100 pipeline welds accounting for crack location and residual stress. Eng. Fract. Mech. 2020, 228, 106846. [Google Scholar] [CrossRef]
- Li, S.; Kang, Y.; Zhu, G.; Kuang, S. Microstructure and fatigue crack growth behavior in tungsten inert gas welded DP780 dual-phase steel. Mater. Des. 2015, 85, 180–189. [Google Scholar] [CrossRef]
- Zong, L.; Shi, G.; Wang, Y. Experimental investigation and numerical simulation on fatigue crack behavior of bridge steel WNQ570 base metal and butt weld. Constr. Build. Mater. 2015, 77, 419–429. [Google Scholar] [CrossRef]
- De Jesus, A.M.P.; Matos, R.; Fontoura, B.F.C.; Rebelo, C.; Simões Da Silva, L.; Veljkovic, M. A comparison of the fatigue behavior between S355 and S690 steel grades. J. Constr. Steel Res. 2012, 79, 140–150. [Google Scholar] [CrossRef]
- Liu, X.; Chung, K.F.; Ho, H.C.; Xiao, M.; Hou, Z.X.; Nethercot, D.A. Mechanical behavior of high strength S690-QT steel welded sections with various heat input energy. Eng. Struct. 2018, 175, 245–256. [Google Scholar] [CrossRef]
- Lukács, J.; Dobosy, Á. Matching effect on fatigue crack growth behaviour of high-strength steels GMA welded joints. Weld. World 2019, 63, 1315–1327. [Google Scholar] [CrossRef]
- Todoshchenko, O.; Yagodzinskyy, Y.; Yagodzinska, V.; Saukkonen, T.; Hänninen, H. Hydrogen effects on fracture of high-strength steels with different micro-alloying. Corros. Rev. 2015, 33, 515–527. [Google Scholar] [CrossRef]
- Mehmanparast, A.; Brennan, F.; Tavares, I. Fatigue crack growth rates for offshore wind monopile weldments in air and seawater: SLIC inter-laboratory test results. Mater. Des. 2017, 114, 494–504. [Google Scholar] [CrossRef]
- Lam, Y.C.; Lian, K.S. The effect of residual stress and its redistribution of fatigue crack growth. Theor. Appl. Fract. Mech. 1989, 12, 59–66. [Google Scholar] [CrossRef]
- Shahani, A.R.; Shakeri, I.; Rans, C.D. Effect of residual stress redistribution and weld reinforcement geometry on fatigue crack growth of butt welded joints. Int. J. Fatigue 2020, 139, 105780. [Google Scholar] [CrossRef]
- Xiong, Y.; Hu, X.X. The effect of microstructures on fatigue crack growth in Q345 steel welded joint. Fatigue Fract. Eng. Mater. Struct. 2012, 35, 500–512. [Google Scholar] [CrossRef]
- Shakeri, I.; Shahani, A.R.; Rans, C.D. Fatigue crack growth of butt welded joints subjected to mixed mode loading and overloading. Eng. Fract. Mech. 2021, 241, 107376. [Google Scholar] [CrossRef]
- Barsoum, Z.; Barsoum, I. Residual stress effects on fatigue life of welded structures using LEFM. Eng. Fail. Anal. 2009, 16, 449–467. [Google Scholar] [CrossRef]
- Xu, T.; Feng, Y.; Song, S.; Wang, D. Fatigue crack propagation behaviour of steels with different microstructures. Mater. Sci. Eng. A 2012, 551, 110–115. [Google Scholar] [CrossRef]
- Ritchie, R.O. near-threshold fatigue-crack propagation in steels. Int. Met. Rev. 1979, 24, 205–228. [Google Scholar] [CrossRef]
- Ritchie, R.O.; Suresh, S. Some considerations on fatigue crack closure at near-threshold stress intensities due to fracture surface morphology. Metall. Trans. A 1982, 13, 937–940. [Google Scholar] [CrossRef]
- Newman, J.C. A crack opening stress equation for fatigue crack growth. Int. J. Fracture 2000, 24, 131–135. [Google Scholar] [CrossRef]
- Gray, G.T.; Williams, J.C.; Thompson, A.W. Roughness-Induced Crack Closure: An Explanation for Microstructurally Sensitive Fatigue Crack Growth. Metall. Trans. A 1983, 14, 421–433. [Google Scholar] [CrossRef]
- Kowathanakul, N.; Yu, Q.; Zhu, C.; Li, X.; Minor, A.M.; Ritchie, R.O. Fatigue-crack propagation behavior in a high-carbon chromium SUJ2 bearing steel: Role of microstructure. Int. J. Fatigue 2022, 156, 106693. [Google Scholar] [CrossRef]
- Liang, M.; Zhao, Y.; Zheng, M.; Mao, X. Effect of tempering time on fatigue crack growth behavior of CLAM steel. J. Nucl. Mater. 2018, 510, 437–445. [Google Scholar] [CrossRef]
- Ke, L.; Li, Y.; Chen, Z.; Feng, Z.; Yan, B.; Zhu, F.; Yuan, P. Effect of microstructure on fatigue crack growth behavior of surface- and middle-layer materials of thick high-strength bridge steel plates. Fatigue Fract. Eng. Mater. Struct. 2023, 46, 485–500. [Google Scholar] [CrossRef]
- Zhang, Y.; Wang, S.; Xu, G.; Wang, G.; Zhao, M. Effect of Microstructure on Fatigue-crack Propagation of 18CrNiMo7-6 high-strength Steel. Int. J. Fatigue 2022, 163, 107027. [Google Scholar] [CrossRef]
- Wang, Q.; Chen, S.; Lv, X.; Jiang, H.; Rong, L. Role of δ-ferrite in fatigue crack growth of AISI 316 austenitic stainless steel. J. Mater. Sci. Technol. 2022, 114, 7–15. [Google Scholar] [CrossRef]
- Zhang, L.; Zhong, H.; Li, S.; Zhao, H.; Chen, J.; Qi, L. Microstructure, mechanical properties and fatigue crack growth behavior of friction stir welded joint of 6061-T6 aluminum alloy. Int. J. Fatigue 2020, 135, 105556. [Google Scholar] [CrossRef]
- Servetti, G.; Zhang, X. Predicting fatigue crack growth rate in a welded butt joint: The role of effective R ratio in accounting for residual stress effect. Eng. Fract. Mech. 2009, 76, 1589–1602. [Google Scholar] [CrossRef]
- Barsoum, Z. Residual stress analysis and fatigue of multi-pass welded tubular structures. Eng. Fail. Anal. 2008, 15, 863–874. [Google Scholar] [CrossRef]
- ASTM E647; Standard Test Method for Measurement of Crack Growth Rates. ASTM International: West Conshohocken, PA, USA, 2015.
- Steimbreger, C.; Gubeljak, N.; Vuherer, T.; Enzinger, N.; Ernst, W.; Chapetti, M. Effect of welding processes on the fatigue behaviour of ultra-high strength steel butt-welded joints. Eng. Fract. Mech. 2022, 275, 108845. [Google Scholar] [CrossRef]
- BS7910; Guide to Methods for Assessing the Acceptability of Flaws in Metallic Structures. British Standards Institution: London, UK, 2015.
- Zhang, Y.-H.; Doré, M. Fatigue crack growth assessment using BS 7910:2013—Background and recommended developments. Int. J. Press. Vessel. Pip. 2018, 168, 79–86. [Google Scholar] [CrossRef]
- NASGRO. Fracture Mechanics and Fatigue Crack Growth Analysis Software (Version 6.0); reference manual; NASA Johnson Space Center and Southwest Research Institute: San Antonio, TX, USA, 2010. [Google Scholar]
- Wei, L.; Pan, Q.; Huang, H.; Feng, L.; Wang, Y. Influence of grain structure and crystallographic orientation on fatigue crack propagation behavior of 7050 alloy thick plate. Int. J. Fatigue 2014, 66, 55–64. [Google Scholar] [CrossRef]
- Donald, J.K.; Lados, D.A. An integrated methodology for separating closure and residual stress effects from fatigue crack growth rate data. Fatigue Fract. Eng. Mater. Struct. 2007, 30, 223–230. [Google Scholar] [CrossRef]
- James, M.; Maciejewski, K.; Wang, G.; Ball, D.; Bucci, R. A methodology for partitioning residual stress effects from fatigue crack growth rate test data. Mater. Perform. Charact. 2016, 5, 194–214. [Google Scholar] [CrossRef]
- Li, H.F.; Zhang, P.; Wang, B.; Zhang, Z.F. Predictive fatigue crack growth law of high-strength steels. J. Mater. Sci. Technol. 2022, 100, 46–50. [Google Scholar] [CrossRef]
- Acevedo, C.; Nussbaumer, A. Effect of tensile residual stresses on fatigue crack growth and S–N curves in tubular joints loaded in compression. Int. J. Fatigue 2012, 36, 171–180. [Google Scholar] [CrossRef]










| Steel | C | Si | Mn | Cr | Ni | S | P | Nb |
|---|---|---|---|---|---|---|---|---|
| D32 | 0.08–0.14 | 0.15–0.35 | 1–1.4 | - | - | <0.025 | <0.025 | 0.02–0.05 |
| JQ501-1 (Filler metal) | 0.04 | 0.38 | 1.28 | 0.94 | 0.9 | 0.006 | 0.011 | - |
| Steel | Yield Strength σ0.2 (MPa) | Tensile Strength σB (MPa) | Young’s Modulus E (GPa) | Poisson’s Ratio | Elongation Ratio | Kv (J) −20 °C |
|---|---|---|---|---|---|---|
| D32 | 390 | 507 | 205 | 0.3 | 25% | 245 |
| JQ501-1 (Filler metal) | 479 | 568 | 205 | 0.3 | 14.2% | 120 |
| Standards | Material | Units | C | m |
|---|---|---|---|---|
| BS7910 (Simplified) | BM | N and mm | 5.21 × 10−13 | 3 |
| BM | N and m | 1.65 × 10−11 | 3 | |
| WM | N and mm | 1.10 × 10−13 | 3.1 | |
| WM | N and m | 4.91 × 10−12 | 3.1 |
| No. | Stress Ratio R | Pmax (KN) | Pmin (KN) | State | C | m | R2 |
|---|---|---|---|---|---|---|---|
| BM-1 | 0.1 | 22.2 | 2.22 | PWHT | 3.79 × 10−12 | 3.15 | 0.979 |
| BM-2 | 0.4 | 28.3 | 11.3 | PWHT | 4.3 × 10−12 | 3.17 | 0.979 |
| HAZ-1 | 0.1 | 22.2 | 2.22 | As-welded | 5.06 × 10−13 | 3.51 | 0.988 |
| HAZ-2 | 0.1 | 22.2 | 2.22 | PWHT | 2.42 × 10−12 | 3.21 | 0.943 |
| HAZ-3 | 0.4 | 28.3 | 11.3 | PWHT | 1.11 × 10−10 | 2.24 | 0.931 |
| FZ-1 | 0.1 | 22.2 | 2.22 | As-welded | 4.8 × 10−13 | 3.52 | 0.988 |
| FZ-1 | 0.1 | 22.2 | 2.22 | PWHT | 1.84 × 10−12 | 3.27 | 0.993 |
| FZ-1 | 0.4 | 28.3 | 11.3 | PWHT | 1.07 × 10−10 | 2.25 | 0.993 |
| No. | Stress Ratio R | State | C | m | p | q | R2 |
|---|---|---|---|---|---|---|---|
| BM | 0.1, 0.4 | PWHT | 5.738 × 10−11 | 2.658 | 0.387 | 0 | 0.8925 |
| HAZ | 0.1, 0.4 | PWHT | 5.935 × 10−11 | 2.636 | 0.674 | 0 | 0.8841 |
| FZ | 0.1, 0.4 | PWHT | 6.143 × 10−11 | 2.649 | 0.445 | 0 | 0.9341 |
Disclaimer/Publisher’s Note: The statements, opinions and data contained in all publications are solely those of the individual author(s) and contributor(s) and not of MDPI and/or the editor(s). MDPI and/or the editor(s) disclaim responsibility for any injury to people or property resulting from any ideas, methods, instructions or products referred to in the content. |
© 2023 by the authors. Licensee MDPI, Basel, Switzerland. This article is an open access article distributed under the terms and conditions of the Creative Commons Attribution (CC BY) license (https://creativecommons.org/licenses/by/4.0/).
Share and Cite
Song, W.; Man, Z.; Xu, J.; Wang, X.; Liu, C.; Zhou, G.; Berto, F. Fatigue Crack Growth Behavior of Different Zones in an Overmatched Welded Joint Made with D32 Marine Structural Steel. Metals 2023, 13, 535. https://doi.org/10.3390/met13030535
Song W, Man Z, Xu J, Wang X, Liu C, Zhou G, Berto F. Fatigue Crack Growth Behavior of Different Zones in an Overmatched Welded Joint Made with D32 Marine Structural Steel. Metals. 2023; 13(3):535. https://doi.org/10.3390/met13030535
Chicago/Turabian StyleSong, Wei, Zheng Man, Jie Xu, Xiaoxi Wang, Chengqiang Liu, Guangtao Zhou, and Filippo Berto. 2023. "Fatigue Crack Growth Behavior of Different Zones in an Overmatched Welded Joint Made with D32 Marine Structural Steel" Metals 13, no. 3: 535. https://doi.org/10.3390/met13030535
APA StyleSong, W., Man, Z., Xu, J., Wang, X., Liu, C., Zhou, G., & Berto, F. (2023). Fatigue Crack Growth Behavior of Different Zones in an Overmatched Welded Joint Made with D32 Marine Structural Steel. Metals, 13(3), 535. https://doi.org/10.3390/met13030535

