Removal of Low-Content Impurities from Pure Al by Supergravity Combined with Semi-Solid Method
Abstract
:1. Introduction
2. Materials and Methods
3. Results and Discussion
3.1. Separation of Fe Impurity from Pure Al
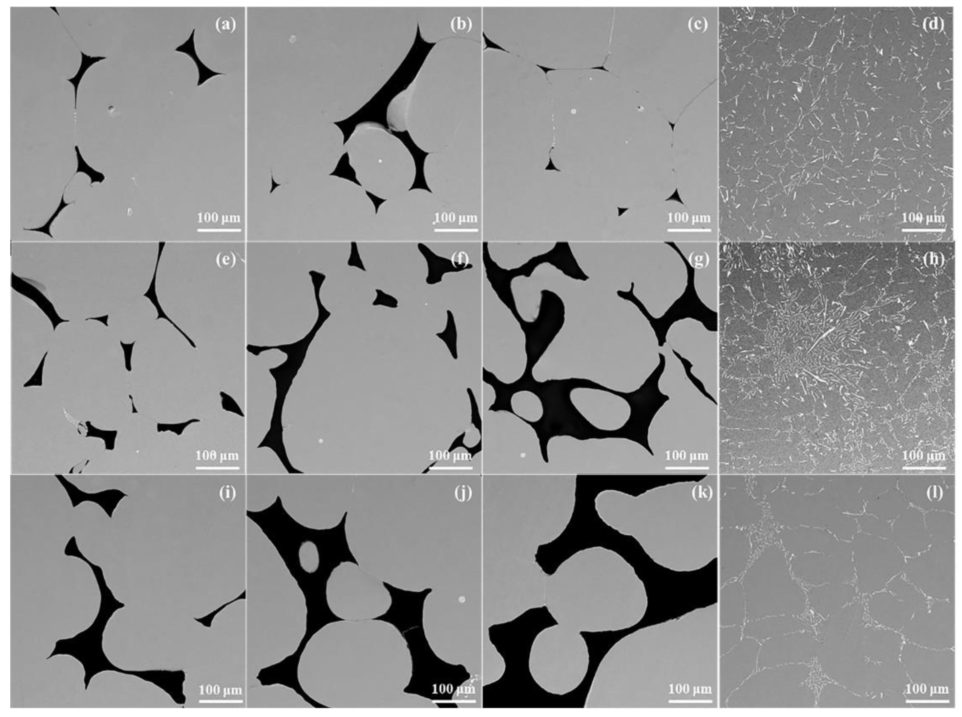
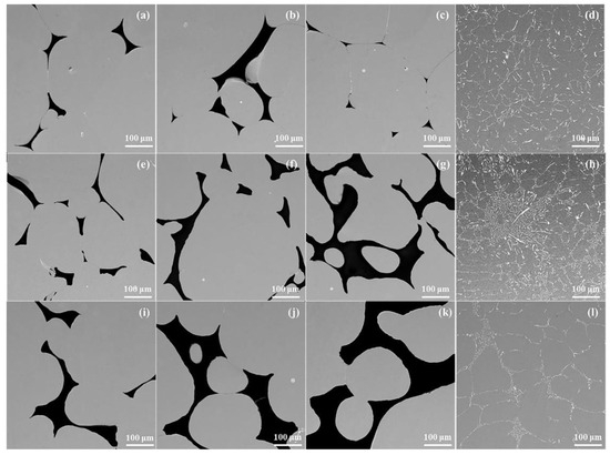
3.1.1. Effect of Separation Temperature
3.1.2. Effect of Holding Time
3.1.3. Effect of Separation Time
3.2. Removal Mechanism
4. Conclusions
Author Contributions
Funding
Data Availability Statement
Conflicts of Interest
References
- Matos, I.M.; Araújo, J.A.; Castro, F.C. Fretting fatigue performance and life prediction of 1120 aluminum alloy wires of overhead conductors. Theor. Appl. Fract. Mech. 2022, 121, 103521–103534. [Google Scholar] [CrossRef]
- Rocha, P.H.C.; Langlois, S.; Lalonde, S.; Araújo, J.A.; Castro, F.C. Influence of 1350 and 6201 aluminum alloys on the fatigue life of overhead conductors-A finite element analysis. Tribol. Int. 2023, 186, 108661–108674. [Google Scholar] [CrossRef]
- Li, Q.; Dai, T.; Gao, T.; Zhong, W.; Wen, B.; Li, T.; Zhou, Y. Aluminum material flow analysis for production, consumption, and trade in China from 2008 to 2017. J. Clean. Prod. 2021, 296, 126444. [Google Scholar] [CrossRef]
- Czerwinski, F. Cerium in aluminum alloys. J. Mater. Sci. 2019, 55, 24–72. [Google Scholar] [CrossRef]
- Tie, D.; Guan, R.; Wang, Z.; Fu, Y.; Zhang, J.; Chen, X.; Wang, Y.; Ling, C.; Cai, M. High electrical conductivity Al-Ag-Sc-Zr alloy with ultrafine grains processed by accumulative continuous extrusion. Mater. Lett. 2021, 286, 129227.1–129227.5. [Google Scholar] [CrossRef]
- Wu, J.; Djavanroodi, F.; Gode, C.; Attarilar, S.; Ebrahimi, M. Melt refining and purification processes in Al alloys: A comprehensive study. Mater. Res. Express. 2022, 9, 032001–032018. [Google Scholar] [CrossRef]
- Zhao, Q.; Qian, Z.; Cui, X.; Wu, Y.; Liu, X. Influences of Fe, Si and homogenization on electrical conductivity and mechanical properties of dilute Al–Mg–Si alloy. J. Alloys Compd. 2016, 666, 50–57. [Google Scholar] [CrossRef]
- Kennedy, M.W.; Akhtar, S.; Bakken, J.A.; Aune, R.E. Electromagnetically Modified Filtration of Aluminum Melts-Part I: Electromagnetic Theory and 30 PPI Ceramic Foam Filter Experimental Results. Metall. Mater. Trans. B 2013, 44, 691–705. [Google Scholar] [CrossRef]
- Wan, H.L.; Kong, L.X.; Yang, B.; Xu, B.Q.; Duan, M.P.; Dai, Y.N. Zone melting under vacuum purification method for high-purity aluminum. J. Mater. Res. Technol. 2022, 17, 802–808. [Google Scholar] [CrossRef]
- Duan, M.; Zhao, J.; Xu, B.; Kong, L.; Yang, B.; Wan, H.; Fu, C. Study on the behavior of impurities in zone melting of aluminum. J. Mater. Res. Technol. 2022, 21, 3885–3895. [Google Scholar] [CrossRef]
- Dewan, M.A.; Rhamdhani, M.A.; Mitchell, J.B.; Davidson, C.J.; Brooks, G.A.; Easton, M.; Grandfield, J.F. Control and Removal of Impurities from Al Melts: A Review. Mater. Sci. Forum 2011, 693, 149–160. [Google Scholar] [CrossRef]
- Luo, Q.; Cong, M.; Li, H.; Zhu, L.; Chen, H.; Li, Q. Mechanism of Fe removal by Sn addition in Al-7Si-1Fe alloy. J. Alloys Compd. 2023, 948, 169724–169735. [Google Scholar] [CrossRef]
- Wan, H.L.; Zhao, J.Y.; Yang, B.; Xu, B.Q.; Duan, M.P.; Kong, L.X.; Dai, Y.N. Study on the effective distribution coefficient of impurity separation in the preparation of high purity aluminum. J. Mater. Res. Technol. 2020, 9, 10366–10376. [Google Scholar] [CrossRef]
- Wang, X.; Guan, R.G.; Misra, R.D.K.; Wang, Y.; Li, H.C.; Shang, Y.Q. The mechanistic contribution of nanosized Al3Fe phase on the mechanical properties of Al-Fe alloy. Mater. Sci. Eng. A 2018, 724, 452–460. [Google Scholar] [CrossRef]
- Mehrabian, R.; Geiger, D.R.; Flemings, M.C. Refining by Partial Solidification. Metall. Trans. 1973, 5, 785–786. [Google Scholar] [CrossRef]
- Cho, T.T.; Sugiyama, S.; Yanagimoto, J. Effect of Process Parameters of Backward Extrusion by Servo Press on Purification of A7075 Alloy under the Semisolid Condition. Mater. Trans. 2016, 57, 1351–1356. [Google Scholar] [CrossRef]
- de Moraes, H.L.; de Oliveira, J.R.; Espinosa, D.C.R.; Tenório, J.A.S. Removal of Iron from Molten Recycled Aluminum through Intermediate Phase Filtration. Mater Trans 2006, 47, 1731–1736. [Google Scholar] [CrossRef]
- Ren, Y.; Chen, H.; Ma, W.; Lei, Y.; Zeng, Y. Purification of aluminium-silicon alloy by electromagnetic directional solidification: Degassing and grain refinement. Sep. Purifi. Technol. 2021, 277, 119459–119467. [Google Scholar] [CrossRef]
- Choi, J.S.; La, M.; Kim, D.; Choe, K.-H.; Hyun, S.-K.; Kim, M.-J. Effect of electric current on the microstructural refinement of pure aluminum. J. Mater. Res. Technol. 2021, 12, 818–830. [Google Scholar] [CrossRef]
- Lee, G.C.; Kim, M.G.; Park, J.P.; Kim, J.H.; Jung, J.H.; Baek, E.R. Iron Removal in Aluminum Melts Containing Scrap by Electromagnetic Stirring. Int. Conf. Proc. Manu. Adv. Mater. 2010, 638–642, 267–272. [Google Scholar] [CrossRef]
- Liu, X.; Shuai, S.S.; Huang, C.L.; Wu, S.J.; Hu, T.; Chen, C.Y.; Wang, J.; Ren, Z.M. Microstructure and mechanical properties of directionally solidified Al-rich Ni3Al-based alloy under static magnetic field. J. Mater. Sci. Technol. 2022, 110, 117–127. [Google Scholar] [CrossRef]
- Sun, N.; Wang, Z.; Sun, B.; Li, Y.; Guo, Z. Purification of primary aluminum liquid through supergravity-induced filtration. Chem. Eng. Technol. 2022, 182, 109199–109212. [Google Scholar] [CrossRef]
- Zhao, L.X.; Guo, Z.C.; Wang, Z.; Wang, M.Y. Removal of Low-Content Impurities from Al By Super-Gravity. Metall. Mater. Trans. B 2010, 41, 505–508. [Google Scholar] [CrossRef]
- Seo, K.H.; Jeon, J.B.; Youn, J.W.; Kim, S.J.; Kim, K.Y. Recycling of Al-Si die casting scraps for solar Si feedstock. J. Cryst. Growth 2016, 442, 1–7. [Google Scholar] [CrossRef]
- Wang, Y.F.; Zhao, S.D.; Zhao, X.Z.; Zhao, Y.Q. Effects of isothermal treatment parameters on the microstructure of semisolid alloys. Mater. Sci. Technol. 2018, 34, 104–110. [Google Scholar] [CrossRef]
- Cho, T.T.; Meng, Y.; Sugiyama, S.; Yanagimoto, J. Separation technology of tramp elements in aluminium alloy scrap by semisolid processing. Int. J. Precis. Eng. Manuf. 2015, 16, 177–183. [Google Scholar] [CrossRef]
- Bhagavath, S.; Cai, B.; Atwood, R.; Li, M.; Ghaffari, B.; Lee, P.D.; Karagadde, S. Combined Deformation and Solidification-Driven Porosity Formation in Aluminum Alloys. Metall. Mater. Trans. A 2019, 50, 4891–4899. [Google Scholar] [CrossRef]
- Dám, K.; Vojtěch, D. Thermally stable Al-Fe-Mn-based alloy prepared by centrifugal spraying and hot die forging. Mater. Sci. Eng. A 2014, 590, 232–238. [Google Scholar] [CrossRef]
- Avazkonandeh-Gharavol, M.H.; Haddad-Sabzevar, M.; Fredriksson, H. Effect of partition coefficient on microsegregation during solidification of aluminium alloys. Int. J. Miner. Metall. Mater. 2014, 21, 980–989. [Google Scholar] [CrossRef]
- Pourgharibshahi, M.; Saghafian, H.; Divandari, M.; Timelli, G. Controlled Diffusion Solidification Pathway of an AA 7xxx Series Aluminum Alloy. Metall. Mater. Trans. A 2018, 50, 326–335. [Google Scholar] [CrossRef]
- Cheung, N.; Bertazzoli, R.; Garcia, A. Experimental impurity segregation and numerical analysis based on variable solute distribution coefficients during multi-pass zone refining of aluminum. J. Cryst. Growth 2008, 310, 1274–1280. [Google Scholar] [CrossRef]
- Li, R.X.; Wang, Z.; Guo, Z.C.; Liaw, P.K.; Zhang, T.; Li, L.; Zhang, Y. Graded microstructures of Al-Li-Mg-Zn-Cu entropic alloys under supergravity. Sci. China Mater. 2018, 62, 736–744. [Google Scholar] [CrossRef]













| Element | Fe | Si | Cu | Al |
|---|---|---|---|---|
| Content/wt % | 0.32 | 0.02 | <0.05 | Bal. |
| No. | Al (at.%) | Fe (at.%) | Phase |
|---|---|---|---|
| Pt. 1 | 85.75 | 14.93 | Fe-rich |
| Pt. 2 | 88.61 | 11.39 | Fe-rich |
| Pt. 3 | 76.80 | 23.20 | Al13Fe4 |
| Experimental Parameters | Separation Results | |||||
|---|---|---|---|---|---|---|
| T/°C | th/min | ts/min | ωFe_r/wt.% | FL/wt.% | RAl/% | ηFe/% |
| 648 | 40 | 3 | 0.32 | 0 | 0 | 0 |
| 653 | 40 | 3 | 0.06 | 4.3 | 4.1 | 81.9 |
| 658 | 40 | 3 | 0.05 | 50.2 | 49.9 | 92.0 |
| Experimental Parameters | Separation Results | |||||
|---|---|---|---|---|---|---|
| th/min | ts/min | T/℃ | ωFe_r/wt.% | FL/wt.% | RAl/% | ηFe/% |
| 20 | 3 | 653 | 0.32 | 0 | 0 | 0 |
| 30 | 3 | 653 | 0.15 | 3.4 | 3.2 | 55.4 |
| 40 | 3 | 653 | 0.06 | 4.3 | 4.1 | 81.9 |
| 60 | 3 | 653 | 0.06 | 4.5 | 4.2 | 81.6 |
| Experimental Parameters | Separation Results | |||||
|---|---|---|---|---|---|---|
| ts/min | th/min | T/℃ | ωFe_r/wt.% | FL/wt.% | RAl/% | ηFe/% |
| 1 | 40 | 653 | 0.15 | 3.9 | 3.7 | 55.0 |
| 3 | 40 | 653 | 0.06 | 4.3 | 4.1 | 81.9 |
| 5 | 40 | 653 | 0.06 | 8.4 | 8.1 | 83.0 |
Disclaimer/Publisher’s Note: The statements, opinions and data contained in all publications are solely those of the individual author(s) and contributor(s) and not of MDPI and/or the editor(s). MDPI and/or the editor(s) disclaim responsibility for any injury to people or property resulting from any ideas, methods, instructions or products referred to in the content. |
© 2023 by the authors. Licensee MDPI, Basel, Switzerland. This article is an open access article distributed under the terms and conditions of the Creative Commons Attribution (CC BY) license (https://creativecommons.org/licenses/by/4.0/).
Share and Cite
Wang, L.; Lan, X.; Wang, Z.; Guo, Z. Removal of Low-Content Impurities from Pure Al by Supergravity Combined with Semi-Solid Method. Metals 2023, 13, 1945. https://doi.org/10.3390/met13121945
Wang L, Lan X, Wang Z, Guo Z. Removal of Low-Content Impurities from Pure Al by Supergravity Combined with Semi-Solid Method. Metals. 2023; 13(12):1945. https://doi.org/10.3390/met13121945
Chicago/Turabian StyleWang, Lu, Xi Lan, Zhe Wang, and Zhancheng Guo. 2023. "Removal of Low-Content Impurities from Pure Al by Supergravity Combined with Semi-Solid Method" Metals 13, no. 12: 1945. https://doi.org/10.3390/met13121945
APA StyleWang, L., Lan, X., Wang, Z., & Guo, Z. (2023). Removal of Low-Content Impurities from Pure Al by Supergravity Combined with Semi-Solid Method. Metals, 13(12), 1945. https://doi.org/10.3390/met13121945
