Effect of Postweld Heat Treatment on Microstructure and Properties of Thick S11306 Ferritic Stainless Welded Joints
Abstract
1. Introduction
2. Experimental Procedures
2.1. Materials
2.2. Microstructural Characterization
2.3. Hardness Tests
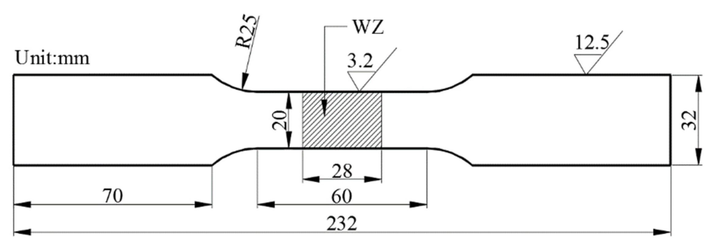
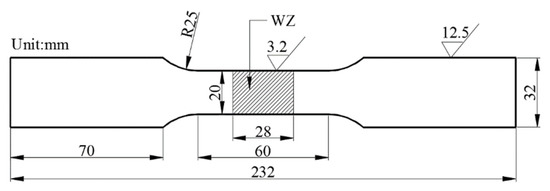
2.4. Tensile and Bending Experiments
2.5. Determination of Heat Treatment Temperature
3. Results and Discussion
3.1. Effect of Heat Treatment Temperature on Microstructure
3.2. Effect of Heat Treatment Time on Microstructure
3.3. Hardness Distribution
3.4. Establishment of Recrystallization Kinetic Model
3.5. Tensile and Bending Properties
4. Conclusions
- (1)
- Before the heat treatment temperature does not exceed the transformation temperature of the base metal, with the increasing heat treatment temperature, the content of the LB/M increases from 25.6% to 47.6%, and the number of martensite grains decreases in GCHAZ and the base metal zone. When the heat treatment temperature exceeds the transformation point, the lower bainite in the weld zone decreases, martensite is regenerated in GCHAZ, and the amount of martensite increases.
- (2)
- The longer the heat treatment time, the more the LB/M in the weld zone, the more martensite in GCHAZ. When the holding time reaches 15 min, the grain size in the base metal zone tends to be uniform. The recrystallization process has been basically completed.
- (3)
- With the increase of heat treatment temperature and holding time, the hardness value of the base metal zone decreases. When the heat treatment temperature is 870 °C and after complete recrystallization, the hardness of the welded joint is the minimum.
- (4)
- At as-welded, the toughness of welded joints is extremely poor, and the tensile and bending test results are seriously unqualified. After heat treatment, some residual stress is eliminated. When heat treatment carries out at 770~820 °C, the tensile strength and yield strength of the welded joints both exceed 476 MPa and 309 MPa, respectively. Moreover, the elongation reaches more than 38%, which greatly improves the plasticity, thus solving the embrittlement problem of welded joints of thick plates made of this material.
- (5)
- The SEM fracture morphology observation shows a brittle fracture at as-welded and 870 °C. At 770 and 820 °C, the fracture is a toughness fracture, and the fracture morphology is highly consistent with the tensile test results.
Author Contributions
Funding
Data Availability Statement
Conflicts of Interest
References
- Zheng, H.; Ye, X.; Zhang, X.; Jiang, L.; Liu, Z.; Wang, G. Analysis of microstructure transformation, grain growth and precipitated phase in coarse grain zone of 12%Cr ferritic stainless steel. J. Weld. 2011, 32, 37–40+114–115. [Google Scholar]
- Zhao, Y.; Li, S.; Qu, H.; Liang, J. Effect of welding methods on microstructure and properties of welded joints of 430 stainless steel. Hot Process. Technol. 2020, 49, 137–140. [Google Scholar]
- Bolton, C.J.; Bischler, P.J.; Wootton, M.R.; Moskovic, R.; Morri, J.R.; Pegg, H.C.; Haines, A.B.; Smith, R.F.; Woodman, R. Fracture toughness of weld metal samples removed from a decommissioned Magnox reactor pressure vessel. Int. J. Press. Vessel. Pip. 2002, 79, 685–692. [Google Scholar] [CrossRef]
- Li, H.; Xing, W.; Yu, X.; Zuo, W.; Ma, L.; Dong, P.; Wang, W.; Fan, G.; Lian, J.; Ding, M. Dramatically enhanced impact toughness in welded ultra-ferritic stainless steel by additional nitrogen gas in Ar-based shielding gas. J. Mater. Res. 2016, 31, 3610–3618. [Google Scholar] [CrossRef]
- Cheng, M.; He, P.; Lei, L.; Tan, X.; Wang, X.; Sun, Y.; Li, J.; Jiang, Y. Comparative studies on microstructure evolution and corrosion resistance of 304 and a newly developed high Mn and N austenitic stainless steel welded joints. Corros. Sci. 2021, 183, 109338. [Google Scholar] [CrossRef]
- Hu, S.; Pang, J.; Shen, J.; Wu, W.; Liu, L. Microstructure, Mechanical Property and Corrosion Resistance Property of Cr26Mo3.5 Super Ferritic Stainless Joints by P-TIG and Laser Welding. Trans. Tianjin Univ. 2016, 22, 451–457. [Google Scholar] [CrossRef]
- Urade, V.P.; Ambade, S.P. An Overview of Welded Low Nickel Chrome-Manganese Austenitic and Ferritic Stainless Steel. J. Mater. Sci. Eng. 2016, 5, 1000231. [Google Scholar]
- Xie, Y.; Cai, Y.; Zhang, X.; Luo, Z. Characterization of keyhole gas tungsten arc welded AISI 430 steel and joint performance optimization. Int. J. Adv. Manuf. Technol. 2018, 99, 347–361. [Google Scholar] [CrossRef]
- Skowrońska, B.; Szulc, J.; Bober, M.; Baranowski, M.; Chmielewski, T. Selected properties of RAMOR 500 steel welded joints by hybrid PTA-MAG. J. Adv. Join. Process. 2022, 5, 100111. [Google Scholar] [CrossRef]
- Wan, Y.; Jiang, W.; Wei, W.; Xie, X.; Song, M.; Xu, G.; Xie, X.; Zhai, X. Characterization of inhomogeneous microstructure and mechanical property in an ultra-thick duplex stainless steel welding joint. Mater. Sci. Eng. A 2021, 822, 141640. [Google Scholar] [CrossRef]
- Amra, M.; Dehmolaei, R.; Alavi Zaree, S.R. On the Dissimilar Metal Welding of 1.4742 Ferritic to 310S Austenitic Stainless Steels Utilizing Different Filler Metals. Metallogr. Microstruct. Anal. 2019, 8, 623–641. [Google Scholar] [CrossRef]
- Feng, S.; Zhang, Y.; Cai, G.; Li, W. Study on the organization and performance of manual arc welding head of ZG28NiCrMo and 16Mn heterogeneous steel. Therm. Process. Process 2018, 47, 34–37+41. [Google Scholar]
- Alizadeh-Sh, M.; Marashi, S.P.H.; Pouranvari, M. Resistance spot welding of AISI 430 ferritic stainless steel: Phase transformations and mechanical properties. Mater. Des. 2014, 56, 258–263. [Google Scholar] [CrossRef]
- Ma, Y.; Bao, H.; Gong, Z.; Zhao, J.; Yang, G. Effects of heat treatment on the mechanical properties and magnetic properties of 0Cr13 steel. Met. Heat Treat. 2021, 46, 87–93. [Google Scholar]
- Zhang, X.; Wen, Z.; Dou, R.; Zhang, R.; Li, Z. 430 recrystallization tissue evolution and kinetic model of stainless steel cold rolled plate. J. Mater. Heat Treat. 2014, 35, 212–216. [Google Scholar]
- Xin, Y.; Feng, X.; Lippold, J.C. Strength increase in the coarse-grained heat-affected zone of a high-strength, blast-resistant steel after post-weld heat treatment. Mater. Sci. Eng. A 2013, 585, 149–154. [Google Scholar]
- Peasura, P.; Duangsrikaew, N.; Nansaarng, S. Application of Full Factorial Design for Post Weld Heat Treatment Parameters on Duplex Stainless Steel UNS31803. Adv. Mater. Res. 2013, 711, 178–182. [Google Scholar] [CrossRef]
- Sim, B.M.; Tang, S.H.; Alrifaey, M.; Tchan Jong, E.N. Analyzing the Effects of Heat Treatment on SMAW Duplex Stainless Steel Weld Overlays. Materials 2022, 15, 1833. [Google Scholar] [CrossRef]
- Mallaiah, G.; Reddy, P.R.; Kumar, A. Influence of Titanium Addition on Mechanical Properties, Residual Stresses and Corrosion Behaviour of AISI 430 Grade Ferritic Stainless Steel GTA Welds. Procedia Mater. Sci. 2014, 6, 1740–1751. [Google Scholar] [CrossRef]
- Zhang, M.; Tong, X.; Li, J.; Xu, S.; Sheena. Microstructure and properties of welded joints of 25Cr2Ni4MoV steel before and after quenching and tempering. Mech. Eng. Mater. 2021, 45, 34–40. [Google Scholar]
- Humpgrey, F. Recrystallization and Related Annealing Phenomena, 2nd ed.; Oxford Press: London, UK, 2004. [Google Scholar]
- Yang, J.; Zhou, W.; Lu, J.; Yu, F.; Xu, D.; Cao, W. Effect of α-Cr on microstructure and properties of new austenitic alloy after heat treatment. Steel 2015, 50, 84–91. [Google Scholar]
- Zhou, J.; Shen, J.; Hu, S.; Zhao, G.; Wang, Q. Microstructure and mechanical properties of AISI 430 ferritic stainless steel joints fabricated by cold metal transfer welding. Mater. Res. Express 2019, 6, 116536. [Google Scholar] [CrossRef]
- Yang, R.; Li, J.; Shu, J.; Sett, J. Static recrystallization behavior of 410S ferroite stainless steel. J. Lanzhou Univ. Technol. 2010, 36, 16–19. [Google Scholar]
- Yang, R.; Li, J.; Shu, J. Recrystallization kinetics of 410S hot rolled ferritic stainless steel. Trans. Mater. Heat Treat. 2010, 13, 94–98. [Google Scholar]
- Silva, R.; Kugelmeier, C.L.; Vacchi, G.S.; Junior, C.M.; Dainezi, I.; Afonso, C.R.; Mendes Filho, A.A.; Rovere, C.A. A comprehensive study of the pitting corrosion mechanism of lean duplex stainless steel grade 2404 aged at 475 °C. Corros. Sci. 2021, 191, 109738. [Google Scholar] [CrossRef]
- Kalyankar, V.D.; Chudasama, G. Effect of post weld heat treatment on mechanical properties of pressure vessel steels. Mater. Today Proc. 2018, 5, 24675–24684. [Google Scholar] [CrossRef]
- ASME. ASME, Boiler and Pressure Vessel Code Section IX; Qualifification Standard for Welding and Brazing Procedures, Welders, Brazers, and Welding and Brazing Operator; American Society of Mechanical Engineers: New York, NY, USA, 2010. [Google Scholar]
- Park, Y.S.; Sohn, I.S.; Bae, D.H. Fatigue strength assessment including welding residual stress of spot welded joints subjected to cross-tension loads. Int. J. Automot. Technol. 2014, 15, 765–771. [Google Scholar] [CrossRef]
- Matsuda, M.; Iwamoto, Y.; Morizono, Y.; Tsurekawa, S.; Takashima, K.; Nishida, M. Enhancement of ductility in B2-type Zr-Co-Ni alloys with deformation-induce martensite and microcrack formation. Intermetallics 2013, 36, 45–50. [Google Scholar] [CrossRef]

























| Material | C | Si | Mn | P | S | Cr | Ni | Fe |
|---|---|---|---|---|---|---|---|---|
| S11306 | 0.02 | 0.41 | 0.11 | 0.024 | 0.004 | 12.45 | 0.09 | Bal |
| G207 | 0.048 | 0.625 | 0.61 | 0.019 | 0.004 | 12.54 | 0.196 | Bal |
| Material | Tensile Strength (MPa) | Yield Strength (MPa) | Elongation (%) |
|---|---|---|---|
| S11306 | 410 | 205 | 20 |
| G207 | 450 | - | 20 |
| Weld Bead | U/(V) | I/(A) | Welding Speed (mm/s) | Heat Input (kJ/mm) |
|---|---|---|---|---|
| 1 | 23~25 | 149 | 4 | 0.857~0.931 |
| 2~18 | 155 | 0.891~0.969 | ||
| 19~20 | 149 | 0.857~0.931 |
| Sample Thickness (mm) | Bending Center Diameter (mm) | Distance between Supports(mm) | Angle of Bend (°) |
|---|---|---|---|
| 10.0 | 4S | 6S + 3 | 180 |
| Bending Properties | |||
|---|---|---|---|
| Heat-Treatment Temperature | Face Bend d = 4a − 1 180° | Root Bend d = 4a − 1 180° | Bending Shaft Diameter D/mm |
| as-welded | ineligibility | ineligibility | 40 |
| 720 °C | eligible | eligible | 40 |
| 770 °C | eligible | eligible | 40 |
| 820 °C | eligible | eligible | 40 |
| 870 °C | eligible | eligible | 40 |
Disclaimer/Publisher’s Note: The statements, opinions and data contained in all publications are solely those of the individual author(s) and contributor(s) and not of MDPI and/or the editor(s). MDPI and/or the editor(s) disclaim responsibility for any injury to people or property resulting from any ideas, methods, instructions or products referred to in the content. |
© 2022 by the authors. Licensee MDPI, Basel, Switzerland. This article is an open access article distributed under the terms and conditions of the Creative Commons Attribution (CC BY) license (https://creativecommons.org/licenses/by/4.0/).
Share and Cite
Hu, X.; Ma, Q.; Yang, Y.; Xu, Z.; Li, Y. Effect of Postweld Heat Treatment on Microstructure and Properties of Thick S11306 Ferritic Stainless Welded Joints. Metals 2023, 13, 81. https://doi.org/10.3390/met13010081
Hu X, Ma Q, Yang Y, Xu Z, Li Y. Effect of Postweld Heat Treatment on Microstructure and Properties of Thick S11306 Ferritic Stainless Welded Joints. Metals. 2023; 13(1):81. https://doi.org/10.3390/met13010081
Chicago/Turabian StyleHu, Xiaodong, Qingshan Ma, Yang Yang, Zhisheng Xu, and Yule Li. 2023. "Effect of Postweld Heat Treatment on Microstructure and Properties of Thick S11306 Ferritic Stainless Welded Joints" Metals 13, no. 1: 81. https://doi.org/10.3390/met13010081
APA StyleHu, X., Ma, Q., Yang, Y., Xu, Z., & Li, Y. (2023). Effect of Postweld Heat Treatment on Microstructure and Properties of Thick S11306 Ferritic Stainless Welded Joints. Metals, 13(1), 81. https://doi.org/10.3390/met13010081
