Applied Research of Applicability of High-Strength Steel for a Track of a Demining Machine in Term of Its Tribological Properties
Abstract
1. Introduction
2. Materials and Methods
- The specimens were created from a weldment. The weldment included two steel plates of the same dimensions of 200 mm × 100 mm × 10 mm. In total, three weldments were produced (i.e., with a laser welding joint, with an electron welding joint, and with a MAG welding joint). This means that the resulting weldment dimensions were 200 mm × 200 mm × 10 mm (Figure 4, step 1).
- In the next step, the weldment (the tested material S960 QL, the plate size—200 mm × 200 mm × 10 mm) was cut by a BOMAR 1300 band (BOMAR Ltd., Brno, Czech Republic) saw in the longitudinal welding joint axis, and subsequently, it was cut to the width of 12.5 mm (Figure 4, step 2). Hence, the dimensions of two semi-products were 200 mm × 10 mm × 12.5 mm. Through the subsequent chip machining on the mill FU-4, both sides of the welding joint were machined, which led to the dimensions of 200 mm × 6 mm × 12.5 mm and roughness of Ra = 3.2.
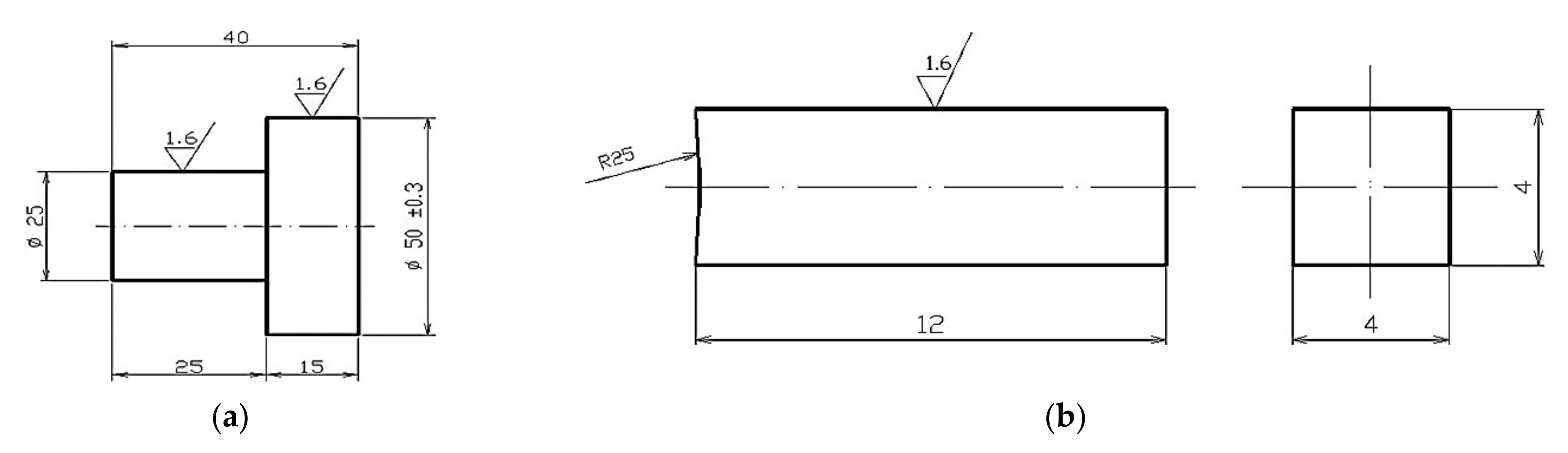
- Another step included cutting of these two semi-products by the BOMAR 1300 band saw to individual specimens for tribological tests with dimensions of 5 mm × 6 mm × 12.5 mm (Figure 4, step 3). Afterward, the specimens were ground on a surface grinding machine BRH 21 (ZVL, Považská Bystrica, Slovakia) to the dimensions of 4 mm × 4 mm × 12 mm with a tolerance of ± 0.04 mm and surface roughness of Ra = 1.6. Before the tribological tests themselves, the contact surfaces of specimens with a radius of R = 25 mm (Figure 5a) were created directly on the TriboTester (University of Žilina, Žilina, Slovakia) by means of sandpaper to the roughness of Ra = 1.6. Before each measurement, the friction surface was cleaned with industrial alcohol. The specimen was dried and then clamped into the testing device (Figure 6).
- WM—weld metal;
- CGHAZ—coarse grain heat affected zone, which is the HAZ with a coarse grain structure, heated to a temperature 1100 °C ≤ Tmax ≤ Tm, where Tm is the steel melting point; and
- FGHAZ—fine grain heat affected zone, which is the HAZ with a fine grain structure, heated to temperature above A3 (i.e., 900 °C ≤ Tmax ≤ 1100 °C).
3. Results
4. Discussion
5. Conclusions
- Presented within possibilities (confidential military material) technical and material solutions of the machine for special purposes;
- Briefly described the design and built the test device, which was equipped with the needed measuring technics; and
- Presented a microstructure of the various welding technologies of the welding joints of high-strength steel S960 QL.
- The base material had better adhesive and abrasive lifespan compared to the welding joints created by the MAG conventional welding technology as well as by the unconventional laser beam welding technology and the electron beam welding technology;
- Presented within possibilities (confidential military material) technical and material solution of the machine for special purposes;
- Wear of the base material during 45-h tests was on average by 30% lower (in comparison with the current MAG solution).
Author Contributions
Funding
Institutional Review Board Statement
Informed Consent Statement
Data Availability Statement
Conflicts of Interest
References
- Tobola, D. Impact of Mechanical Processes as a Pre-Sulphonitriding Treatment on Tribology Properties of Selected P/MTool Steels. Materials 2019, 12, 3431. [Google Scholar] [CrossRef]
- Sadhasivam, M.; Mohan, N.; Sankaranarazanan, S.R.; Kumaresh Babu, S.P. Investigation on mechanical and tribological behaviour of titanium diboride reinforced martensitic stainless steel. Mater. Res. Express 2020, 7, 1–13. [Google Scholar] [CrossRef]
- Lisiecki, A. Tribilogy and Surface Engineering. Coatings 2019, 9, 663. [Google Scholar] [CrossRef]
- Akinci, A. Influence of load and speed on sliding tribology of silica-polyamide composites against AlSi 4140 steel. Acta Phys. Pol. A 2014, 125, 478–480. [Google Scholar] [CrossRef]
- Dekys, V.; Stalmach, O.; Soukup, J.; Sapietova, A.; Rychlikova, L. Detection of composite damage by IR NDT using ultrasonic and optic excitation. Matec Web Conf. 2019, 254, 1–7. [Google Scholar] [CrossRef][Green Version]
- Žmindák, M.; Kaco, M.; Novák, P.; Radziszewski, L.; Soukup, J. Determination of the laminate strains using discrete damage mechanics. Matec Web Conf. 2019, 254, 1–12. [Google Scholar] [CrossRef][Green Version]
- Kopecky, M.; Cuth, V.; Letko, I.; Vavro, J. Testing equipment for fatigue and damage tests of steel cords. In Proceedings of the 2nd International Conference on Structural and Construction Engineering, Rome, Italy, 23–26 September 2003. [Google Scholar]
- Sławiński, G.; Malesa, P.; Świerczewski, M. Analysis Regarding the Risk of Injuries of Soldiers Inside a Vehicle during Accidents Caused by Improvised Explosive Devices. Appl. Sci. 2019, 9, 4077. [Google Scholar] [CrossRef]
- Bernetič, J.; Vuherer, T.; Marčetič, M.; Vuruna, M. Experimental research on new grade of steel protective material for light armored vehicles. Stroj. Vestn. J. Mech. Eng. 2012, 6, 416–421. [Google Scholar] [CrossRef]
- Rahoui, S.; Turq, V.; Bonino, J.P. Effect of thermal treatment on mechanical and tribological properties of hybrid coatings deposited by sol-gel route on stainless steel. Surf. Coat. Technol. 2013, 235, 15–23. [Google Scholar] [CrossRef]
- Degan, G.A.; Coltrinari, G.; Lipiello, D.; Pinyari, M. Effects of ground conditions on whole-body vibration exposure on cars: A case study of drivers of armored vehicles. Wit Trans. Built Environ. 2017, 176, 431–438. [Google Scholar] [CrossRef]
- Leitner, B.; Decký, M.; Kováč, M. Road pavement longitudinal evenness quantification as stationary stochastic process. Transport 2019, 34, 195–203. [Google Scholar] [CrossRef]
- Chudzikiewitz, A.; Stelmach, A.; Wawryznski, W.; Firlik, B.; Czechyra, B. Vibro-acoustic evaluation of a light rail vehicle. In Proceedings of the International Congress on Sound and Vibration, Athens, Greece, 10–14 July 2016; pp. 1–8, ISBN 978-1-5108-2716-5. [Google Scholar]
- Leitner, B.; Figulli, L. Fatigue life prediction of mechanical structures under stochastic loading. Matec Web Conf. 2018, 157, 1–11. [Google Scholar] [CrossRef]
- Wezssenhoff, A.; Opala, M.; Koziak, S.; Melnik, R. Characteristics and investigation of selected manufacturing defects of passenger car tires. Transp. Res. Procedia 2019, 40, 119–126. [Google Scholar] [CrossRef]
- Chao, Z.; Mao, F.; Liu, X.; Li, H.; Han, S. Research on influence factor about the dynamic characteristic of armored vehicle hydraulic-driven fan system. AIP Conf. Proc. 2017, 1794, 1–8. [Google Scholar] [CrossRef]
- Gerlici, J.; Sakhno, V.; Yefymenko, A.; Verbitskii, V.; Kravchenko, A.; Kravchenko, K. The stability analysis of two-wheeled vehicle model. In Proceedings of the 22nd Slovak-Polish Scientific Conference on Machine Modelling and Simulations, Sklene Teplice, Slovakia, 5–8 September 2017. [Google Scholar]
- Novak, L.; Cornak, S.; Droppa, P. Selected Issue of an Evaluation of Passive Armor. In Proceedings of the 20th International Scientific Conference Transport Means, Palanga, Lithuania, 5–7 October 2016; pp. 127–132, ISBN 2351-7034. [Google Scholar]
- Droppa, P.; Kopecky, I. Possibility of Using Thermo Vision Diagnostics for Special Mobile Technics. In Proceedings of the Transport Means—Proceedings of the International Conference, Kaunas, Lithuania, 23–24 October 2014; pp. 393–396, ISBN 2351-4604. [Google Scholar]
- Erdik, A.; Kilic, S.A.; Kilic, N.; Bedir, S. Numerical simulation of armored vehicles subjected to undercarriage landmine blasts. Shock Waves 2016, 26, 449–464. [Google Scholar] [CrossRef]
- Rohlfs, C.; Sulliva, R. The cost/effectiveness of armored tactical wheeled vehicles for overseas US army operations. Def. Peace Econ. 2013, 24, 293–316. [Google Scholar] [CrossRef][Green Version]
- Kapralov, E.V.; Rykov, S.V.; Budovskikh, E.A.; Gromov, V.E.; Vashchuk, E.S.; Ivanov, Y.F. Structural-phase states and properties of coatings welded onto steel surfaces using powder wires. Bull. Russ. Acad. Sci. Phys. 2014, 78, 1015–1021. [Google Scholar] [CrossRef]
- Raikov, S.V.; Kapralov, E.V.; Ivanov, Y.F.; Budovskikh, E.A.; Gromov, V.E. Structure gradient in wear-resistant coatings on steel. Steel Transl. 2015, 45, 120–124. [Google Scholar] [CrossRef]
- Gardynski, L.; Caban, J.; Barta, D. Research of composite materials used in the construction of vehicle bodywork. Adv. Sci. Technol. Res. J. 2018, 12, 181–187. [Google Scholar] [CrossRef]
- Mičian, M.; Harmaniak, D.; Nový, F.; Winczek, J.; Moravec, J.; Trško, L. Effect of the t8/5 Cooling Time on the Properties of S960MC Steel in the HAZ of Welded Joints Evaluated by Thermal Physical Simulation. Metals 2020, 10, 229. [Google Scholar] [CrossRef]
- Gáspár, M. Effect of Welding Heat Input on Simulated HAZ Areas in S960QL High Strength Steel. Metals 2019, 9, 1226. [Google Scholar] [CrossRef]
- Kawulok, P.; Schindler, I.; Smetana, B.; Moravec, J.; Mertova, A.; Droydova, L.; Kawulok, R.; Opela, P.; Rusy, S. The Relationship between Nil-Strength Temperature, Zero Strength Temperature and Solidus Temperature of Carbon Steels. Metals 2020, 10, 399. [Google Scholar] [CrossRef]
- Frankovský, P.; Delyová, I.; Sivák, P.; Kurylo, P.; Pivarčiová, E.; Neumann, V. Experimental assessment of time-limited operation and rectification of a bridge crane. Materials 2020, 13, 8. [Google Scholar] [CrossRef]
- Frankovský, P.; Brodnianská, Z.; Bocko, J.; Trebuňová, M.; Kostka, J.; Kicko, M.; Čarák, P. Application of holographic interferometry in the analysis of stress states in a crack root area. Appl. Opt. 2020, 59, D170–D178. [Google Scholar] [CrossRef] [PubMed]
- Blatnický, M.; Dižo, J.; Harušinec, J. Modification of a design of a wheel-tracked chassis of a mine clearing machine. AIP Conf. Proc. 2019, 1–4. [Google Scholar] [CrossRef]
- Uddin, G.M.; Khan, A.A.; Ghufran, M.; Tahir, Z.-U.-R.; Asim, M.; Sagheer, M.; Jawad, M.; Ahmad, J.; Irfan, M.; Waseem, B. Experimental study of tribological and mechanical properties of TiN coating on AISI 52100 bearing steel. Adv. Mech. Eng. 2018, 10, 1–10. [Google Scholar] [CrossRef]
- Acar, N.; Franco, J.M.; Kuhn, E.; Gonçalves, D.E.P.; Seabra, J.H.O. Tribological Investigation on the Friction and Wear Behaviors of Biogenic Lubricating Greases in Steel–Steel Contact. Appl. Sci. 2020, 10, 1477. [Google Scholar] [CrossRef]
- Opaliński, M.; Mazuro, P.; Klasik, A.; Rostek, E. Tribological examination of different steel materials after special heat treatment and salt bath nitriding. Arch. Metall. Mater. 2016, 61, 1881–1888. [Google Scholar] [CrossRef]
- Hernández-Sierra, M.T.; Bravo-Sánchez, M.G.; Báez, J.E.; Aguilera-Camacho, L.D.; García-Miranda, J.S.; Moreno, K.J. Improvement Effect of Green Lubricants on the Tribological and Mechanical Performance of 4140 Steel. Appl. Sci. 2019, 9, 4896. [Google Scholar] [CrossRef]
- Gerlici, J.; Gorbunov, M.; Kravchenko, K.; Prosvirova, O.; Lack, T. Noise and temperature reduction on the contact of tribological elements during braking. In Proceedings of the 22nd Slovak-Polish Scientific Conference on Machine Modelling and Simulations, Sklene Teplice, Slovakia, 5–8 September 2017. [Google Scholar]
- Holmberg, K.; Erdemir, A. Influence of tribology on global energy consumption, costs and emissions. Friction 2017, 5, 263–284. [Google Scholar] [CrossRef]
- Benedetti, M.; Fontanari, V.; Santus, C. Crack growth resistance of MAG butt-welded joints of S355JR construction steel. Eng. Fract. Mech. 2013, 108, 305–315. [Google Scholar] [CrossRef]
- Chiarelli, M.; Lanciotti, A.; Sacchi, M. Fatigue resistance of MAG welded steel elements. Int. J. Fatigue 1999, 21, 1099–1110. [Google Scholar] [CrossRef]
- Vavro, J.; Vavro, J.; Kovacikova, P. Distribution of stress around the graphitic particles in cast iron microstructure. Appl. Mech. Mater. 2014, 486, 20–25. [Google Scholar] [CrossRef]
- Sowards, J.W.; Pfeif, E.A.; Connolly, M.; McColskey, J.D.; Miller, S.L.; Simonds, B.; Fekete, J.R. Low-Cycle fatigue behavior of fiber-laser welded, corrocion-resistant, high-strength low alloy sheet steel. Mater. Des. 2017, 121, 1–13. [Google Scholar] [CrossRef]
- Li, L.; Mi, G.; Wang, C. A comparison between induction pre-heating and induction post-heating of laser-induction hybrid welding on S690QL steel. J. Manuf. Process. 2019, 43, 276–291. [Google Scholar] [CrossRef]
- Sága, M.; Blatnická, M.; Blatnický, M.; Dižo, J.; Gerlici, J. Research of the fatigue life of welded joints of high strength steel S960 QL created using laser and electron beams. Materials 2020, 11, 2539. [Google Scholar] [CrossRef] [PubMed]
- Qin, W.; Kang, J.; Li, J.; Yue, W.; Liu, Y.; She, D.; Mao, Q.; Li, Y. Tribological behavior of the 316L stainless steel with heterogenous lamella structure. Materials 2018, 11, 1839. [Google Scholar] [CrossRef] [PubMed]












| Test Serie No. | Mass m (kg) | Load F (N) | Peripheral Speed v (m·s−1) | Testing Time t (s) | Specific Pressure (MPa) | Initial Roughness of Surfaces Being in Contact Ra |
|---|---|---|---|---|---|---|
| I | 2 | 19.62 | 0.4713 | 54,000 | 1.225 | 1.6 |
| II | 2 | 19.62 | 0.4713 | 172,000 | 1.225 | 1.6 |
| C | Si | Mn | P | S | Cr | Mo | Ni | Cu | Al | As | Co | N |
|---|---|---|---|---|---|---|---|---|---|---|---|---|
| 1.007 | 0.551 | 1.142 | 0.013 | 0.003 | 1.542 | 0.002 | 0.029 | 0.022 | 0.004 | 0.005 | 0.006 | 0.011 |
| C | Si | Mn | B | Nb | Cr | Cu | Ti | Al | Mo | Ni | N | P | S |
|---|---|---|---|---|---|---|---|---|---|---|---|---|---|
| 0.16 | 0.21 | 1.24 | 0.001 | 0.015 | 0.2 | 0.01 | 0.004 | 0.060 | 0.602 | 0.06 | 0.003 | 0.010 | 0.001 |
| Laser Power P (W) | Welding Speed v (mm·s−1) | Focusing (mm) | Cable Diameter (mm) |
|---|---|---|---|
| 5000 | 7.5 | −4 | 0.1 |
| Current I (mA) | Voltage U (kV) | Welding Speed v (mm·s−1) | Focusing (mm) | Cable Diameter (mm) |
|---|---|---|---|---|
| 115 | 55 | 11 | 0 | 0.09 |
| Zones of Welding Joints | Current I (A) | Voltage U (V) | Welding Speed v (mm·s−1) |
|---|---|---|---|
| Weld face | 164 | 23.3 | 4.8 |
| Root face | 230 | 28.2 | 5.0 |
| Electrode | OK Aristorod 69; Ø1.2 | ||
| Protective gas | M21 (82% Ar; 18% CO2) | ||
| Welded Materials | Rp0.2 (MPa) | Rm (MPa) | A (%) |
|---|---|---|---|
| Base material | 1044.5 | 1087.9 | 12.1 |
| Laser | 1058.3 | 1091.7 | 11.14 |
| Electron | 1063.3 | 1099.9 | 11.45 |
| Arc | 811.2 | 930.2 | 3.89 |
Publisher’s Note: MDPI stays neutral with regard to jurisdictional claims in published maps and institutional affiliations. |
© 2021 by the authors. Licensee MDPI, Basel, Switzerland. This article is an open access article distributed under the terms and conditions of the Creative Commons Attribution (CC BY) license (http://creativecommons.org/licenses/by/4.0/).
Share and Cite
Blatnický, M.; Dižo, J.; Sága, M.; Kopas, P. Applied Research of Applicability of High-Strength Steel for a Track of a Demining Machine in Term of Its Tribological Properties. Metals 2021, 11, 505. https://doi.org/10.3390/met11030505
Blatnický M, Dižo J, Sága M, Kopas P. Applied Research of Applicability of High-Strength Steel for a Track of a Demining Machine in Term of Its Tribological Properties. Metals. 2021; 11(3):505. https://doi.org/10.3390/met11030505
Chicago/Turabian StyleBlatnický, Miroslav, Ján Dižo, Milan Sága, and Peter Kopas. 2021. "Applied Research of Applicability of High-Strength Steel for a Track of a Demining Machine in Term of Its Tribological Properties" Metals 11, no. 3: 505. https://doi.org/10.3390/met11030505
APA StyleBlatnický, M., Dižo, J., Sága, M., & Kopas, P. (2021). Applied Research of Applicability of High-Strength Steel for a Track of a Demining Machine in Term of Its Tribological Properties. Metals, 11(3), 505. https://doi.org/10.3390/met11030505

