The Laser Alloying Process of Ductile Cast Iron Surface with Titanium
Abstract
1. Introduction
2. Materials and Methods
3. Results and Discussion
4. Conclusions
- As a result of the laser alloying process of the ductile cast iron EN GJS 350-22 surface with titanium, the single-bead surface layers characterized with hemi-spherical fusion shapes were produced. The shape of the laser alloyed surface layers proves that the surface tension gradient was the main mechanism of fluid flow and the surface tension was the highest in a central area of the molten pool.
- With the constant laser beam power and alloying speed, the increase of powder feed rate caused a slight increase of bead width, depth, and area.
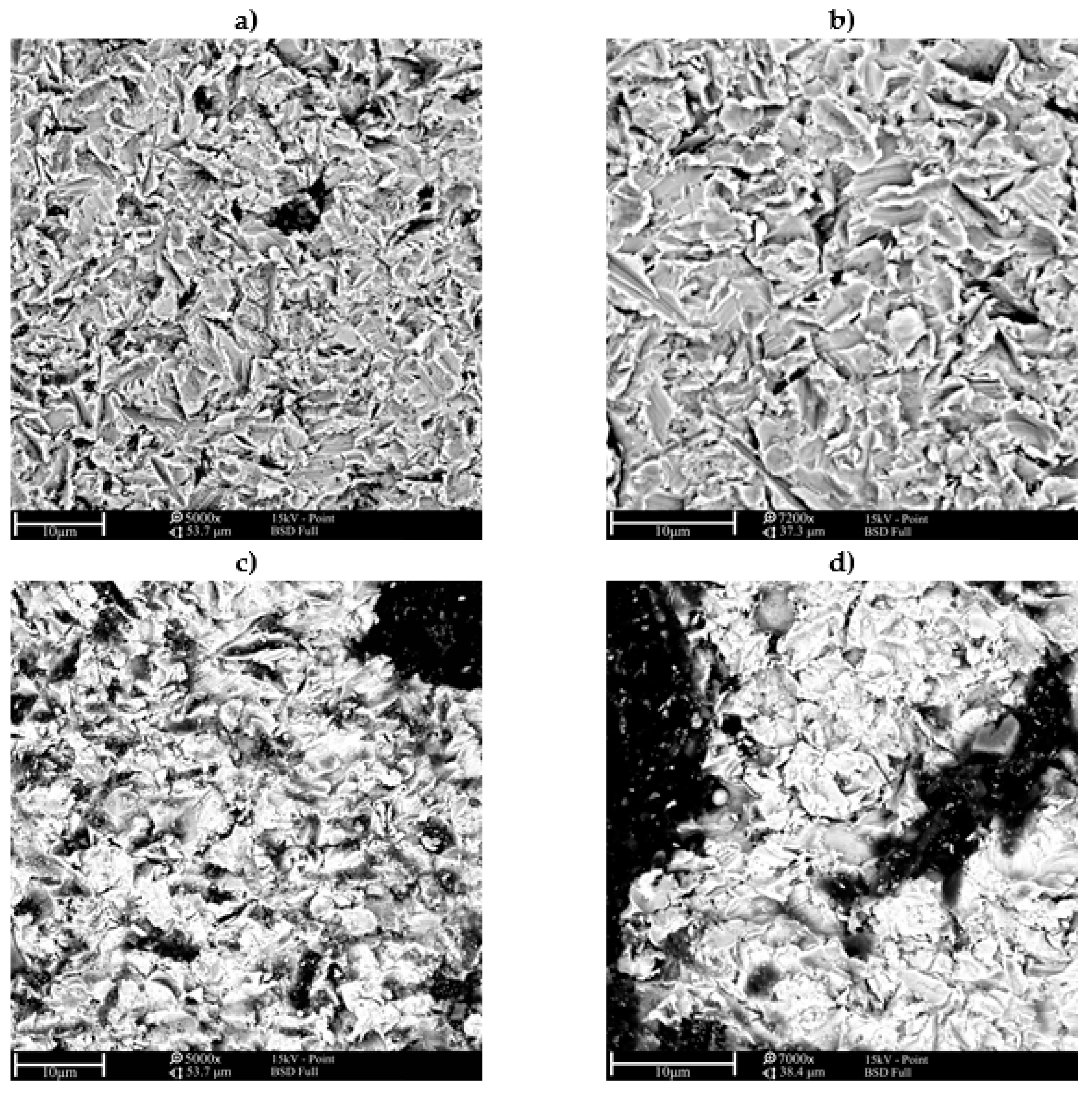
- During the laser alloying process, the surface layer of the ductile cast iron was melted and the graphite dissolved in liquid metal, which caused carbon enrichment of the molten pool. The titanium addition resulted in fine TiC precipitates formation by metallurgical reactions during cooling and crystallization.
- The titanium powder feed rate change with constant laser beam power and processing speed had an influence on the quantity, fraction, size, and morphology of formed TiC particles. With the powder feed rate and titanium content increase, the TiC morphology change from cubic to dendritic, the particles size increased together with fraction in the surface matrix.
- The laser surface alloying process of the ductile cast iron with titanium resulted in about a 300% hardness increase in comparison to the base material. The powder feed rate has no significant influence on the average hardness of surface layers.
- The solid particle erosion tests show that laser surface alloying process had a positive influence on erosion resistance in comparison to the base material. The tests carried out with the 30° and 90° impingement angle show a minimum of 35% and 11% lower erosion rate of surface layers in comparison to the base material, respectively. The test results show that laser alloyed surface layers and base material are characterized by better erosion resistance with the 90° impingement angle than 30°, what is characteristic for plastic materials. The powder feed rate has no significant influence on surface layers erosion resistance.
- The craters SEM observations allowed assessing the ductile erosion mechanism of tested surface layers and base material. All observed worn surfaces indicate the plastic deformation of the surface structure during the interaction of accelerated erodent particles, while in the case of base material, the higher wear was observed.
Funding
Institutional Review Board Statement
Informed Consent Statement
Data Availability Statement
Conflicts of Interest
References
- Petrus, Ł.; Bulanowki, A.; Kołakowski, J.; Brzeżański, M.; Urbanowicz, M.; Sobieraj, J.; Matuszkiewicz, G.; Szwalbe, L.; Janerka, K. The influence of selected melting parameters on the physical and chemical properties of cast iron. Arch. Foundry Eng. 2020, 17, 105–110. [Google Scholar]
- Żuk, M.; Górka, J.; Dojka, R.; Czupryński, A. Repair welding of cast iron coated electrodes. IOP Conf. Ser. Mater. Sci. Eng. 2017, 277, 012139. [Google Scholar] [CrossRef]
- Abboud, J.H. Microstructure and erosion characteristic of nodular cast iron surface modified by tungsten inert gas. Mater. Des. 2012, 35, 677–684. [Google Scholar] [CrossRef]
- Ayday, A.; Durman, M. Surface hardening of ductile cast iron by electrolytic plasma technology. Acta Phys. Pol. A 2013, 123, 291–293. [Google Scholar] [CrossRef]
- Joshi, S.S.; Choudhuri, D.; Mantri, S.A.; Banerjee, R.; Dahotre, N.B.; Banerjee, S. Rationalizing surface hardening of laser glazed grey cast iron via and integrated experimental and computational approach. Mater. Des. 2018, 156, 570–585. [Google Scholar] [CrossRef]
- Uyulgan, B.; Cetinel, H.; Ozdemir, I.; Tekmen, C.; Okumus, S.C.; Celik, E. Friction and wear properties of Mo coatings on cast-iron substrates. Surf. Coat. Technol. 2003, 174–175, 1082–1088. [Google Scholar] [CrossRef]
- Ksiazek, M.; Boron, L.; Tchorz, A. Microstructure, mechanical properties and wera behavior of High-Velocity Oxygen-Fuel (HVOF) sprayed (Cr3C2-NiCr + Al) composite coating on ductile cast iron. Coatings 2019, 9, 840. [Google Scholar] [CrossRef]
- Lisiecki, A.; Ślizak, D.; Kukofka, A. Laser cladding of Co-based metallic powder at cryogenic conditions. J. Achiev. Mater. Manuf. Eng. 2019, 95, 20–31. [Google Scholar] [CrossRef]
- Poloczek, T.; Kotarska, A. Effect of laser cladding parameters on structure properties of cobalt-based coatings. IOP Conf. Ser. Mater. Sci. Eng. 2020, 916, 012085. [Google Scholar] [CrossRef]
- Czupryński, A.; Adamiak, M.; Bayraktar, E.; Wyględacz, B. Comparison of tribological properties and structure of coatings produced in powder flame spraying process on grey cast iron. Weld. Technol. Rev. 2020, 92, 7–21. [Google Scholar] [CrossRef]
- Janicki, D. Laser cladding of Inconel 625-based composite coatings reinforced by porous chromium carbide particles. Opt. Laser Technol. 2017, 94, 6–14. [Google Scholar] [CrossRef]
- Lisiecki, A.; Ślizak, D.; Kukofka, A. Robotized fiber laser cladding of steel substrate by metal matrix composite powder at cryogenic conditions. Mater. Perform. Charact. 2019, 8, 1214–1225. [Google Scholar] [CrossRef]
- Czupryński, A. Comparison of properties of hardfaced layers made by a metal-core-covered tubular electrode with a special chemical composition. Materials 2020, 13, 5445. [Google Scholar] [CrossRef]
- Jeyaprakash, N.; Yang, C.-H.; Duraiselvam, M.; Prabu, G. Microstructure and tribological evolution during laser alloying WC—12% Co and Cr3C2—25% NiCr powders on nodular iron surface. Results Phys. 2019, 12, 1610–1620. [Google Scholar] [CrossRef]
- Janicki, D. Fabrication of high chromium white iron surface layers on ductile cast iron substrate by laser surface alloying. Stroj. Vestn. J. Mech. E 2017, 63, 705–714. [Google Scholar]
- Janicki, D. Shaping the Structure and Properties of Surface Layers of Ductile Cast Iron by Laser Alloying; Wydawnictwo Politechniki Śląskiej: Gliwice, Poland, 2018; pp. 39–106. [Google Scholar]
- Kotarska, A.; Janicki, D.; Górka, J.; Poloczek, T. Solid particle erosion of laser surface melted ductile cast iron. Arch. Foundry Eng. 2020, 20, 105–111. [Google Scholar]
- Alabeedi, K.F.; Abboud, J.H.; Benyounis, K.Y. Microstructure and erosion resistance enhancement of nodular cast iron by laser melting. Wear 2009, 266, 925–933. [Google Scholar] [CrossRef]
- Sun, G.; Zhou, R.; Li, P.; Feng, A.; Zhang, Y. Laser surface alloying of C-B-W-Cr powders on nodular cast iron rolls. Surf. Coat. Technol. 2011, 205, 2747–2754. [Google Scholar] [CrossRef]
- Yan, H.; Wang, A.; Xiong, Z.; Xu, K.; Huang, Z. Microstructure and wear resistance of composite layers on a ductile iron with multicarbide by laser surface alloying. Appl. Surf. Sci. 2010, 256, 7001–7009. [Google Scholar] [CrossRef]
- Liu, Y.; Qu, Q.; Su, Y. TiC reinforcement composite coating produced using graphite of the cast iron by laser cladding. Materials 2016, 9, 815. [Google Scholar] [CrossRef]
- Park, H.; Nakata, K.; Tomida, S. In situ formation of TiC particulate composite layer on cast iron by laser alloying of thermal sprayed titanium coating. J. Mater. Sci. 2000, 35, 747–755. [Google Scholar] [CrossRef]
- Janicki, D. Microstructural evolution during laser surface alloying of ductile cast iron with titanium. Arch. Metall. Mater. 2017, 62, 2425–2431. [Google Scholar] [CrossRef]
- Janicki, D. In-situ synthesis of titanium carbide particles in an iron matrix during diode-laser surface alloying of ductile cast iron. Mater. Technol. 2017, 51, 317–321. [Google Scholar] [CrossRef]
- Janicki, D. Microstructure and sliding wear behaviour of in-situ TiC-reinforced composite surface layers fabricated on ductile cast iron by laser alloying. Materials 2018, 11, 75. [Google Scholar] [CrossRef] [PubMed]
- ASTM International. ASTM G76-04, Standard Test Method for Conducting Erosion Tests by Solid Particle Impingement Using Gas Jets; ASTM International: West Conshohocken, PA, USA, 2004. [Google Scholar]
- Biswas, S.; Satapathy, A. A comparative study on erosion characteristics of red mud filled bamboo-epoxy and glass-epoxy composites. Mater. Des. 2010, 4, 1752–1767. [Google Scholar] [CrossRef]
- Stachowiak, G.W.; Batchelor, A.W. Engineering Tribology, 4th ed.; Butterworth-Heinemann: Oxford, UK, 2014; pp. 551–556. [Google Scholar]












| Chemical Composition, wt.% | ||||||||
|---|---|---|---|---|---|---|---|---|
| C | Si | Mn | P | S | Cu | Ti | Mg | Cr |
| 3.66 | 2.71 | 0.527 | 0.042 | 0.001 | 0.068 | 0.032 | 0.012 | 0.124 |
| Manufacturer | Rofin-Sinar Laser GmbH |
|---|---|
| The wavelength of the laser radiation, nm | 808 ÷ 940 ± 5 |
| Maximum output power, W | 2000 |
| Range of laser power, W | 100 ÷ 2000 |
| Focal length, mm | 82 |
| Laser beam spot size, mm | 1.8 × 6.8 |
| Range of laser power intensity, W/mm2 | 10.1 ÷ 202.0 |
| Designation | Laser beam Power, W | Laser Alloying Speed, m/min | Powder Feed Rate, mg/mm | Homogeneity |
|---|---|---|---|---|
| T1 | 2000 | 0.075 | 4 | Yes |
| T2 | 2000 | 0.075 | 8 | Yes |
| T3 | 2000 | 0.075 | 12 | Yes |
| T4 | 2000 | 0.075 | 16 | Yes |
| T5 | 2000 | 0.075 | 20 | No |
| Designation (Table 3) | Bead Width, mm | Bead Depth, mm | Bead Area, mm2 |
|---|---|---|---|
| T1 | 6.1 | 1.2 | 5.5 |
| T2 | 6.1 | 1.4 | 5.9 |
| T3 | 6.3 | 1.4 | 7.1 |
| T4 | 6.4 | 1.6 | 7.9 |
| T5 | 6.6 | 1.6 | 9.2 |
| Designation (Table 3) | Average Titanium Content, wt.% | Average Precipitates Fraction, vol.% |
|---|---|---|
| T1 | 3.2 ± 0.3 | 5.5 ± 1.1 |
| T2 | 5.5 ± 1.7 | 9.6 ± 2.3 |
| T3 | 9.1 ± 2.8 | 14.1 ± 3.9 |
| T4 | 12.9 ± 1.7 | 20.1 ± 2.3 |
Publisher’s Note: MDPI stays neutral with regard to jurisdictional claims in published maps and institutional affiliations. |
© 2021 by the author. Licensee MDPI, Basel, Switzerland. This article is an open access article distributed under the terms and conditions of the Creative Commons Attribution (CC BY) license (http://creativecommons.org/licenses/by/4.0/).
Share and Cite
Kotarska, A. The Laser Alloying Process of Ductile Cast Iron Surface with Titanium. Metals 2021, 11, 282. https://doi.org/10.3390/met11020282
Kotarska A. The Laser Alloying Process of Ductile Cast Iron Surface with Titanium. Metals. 2021; 11(2):282. https://doi.org/10.3390/met11020282
Chicago/Turabian StyleKotarska, Aleksandra. 2021. "The Laser Alloying Process of Ductile Cast Iron Surface with Titanium" Metals 11, no. 2: 282. https://doi.org/10.3390/met11020282
APA StyleKotarska, A. (2021). The Laser Alloying Process of Ductile Cast Iron Surface with Titanium. Metals, 11(2), 282. https://doi.org/10.3390/met11020282

