Continuous Cooling Transformation Behaviour and Bainite Transformation Kinetics of 23CrNi3Mo Carburised Steel
Abstract
1. Introduction
2. Materials and Methods
3. Experimental Results and Analysis
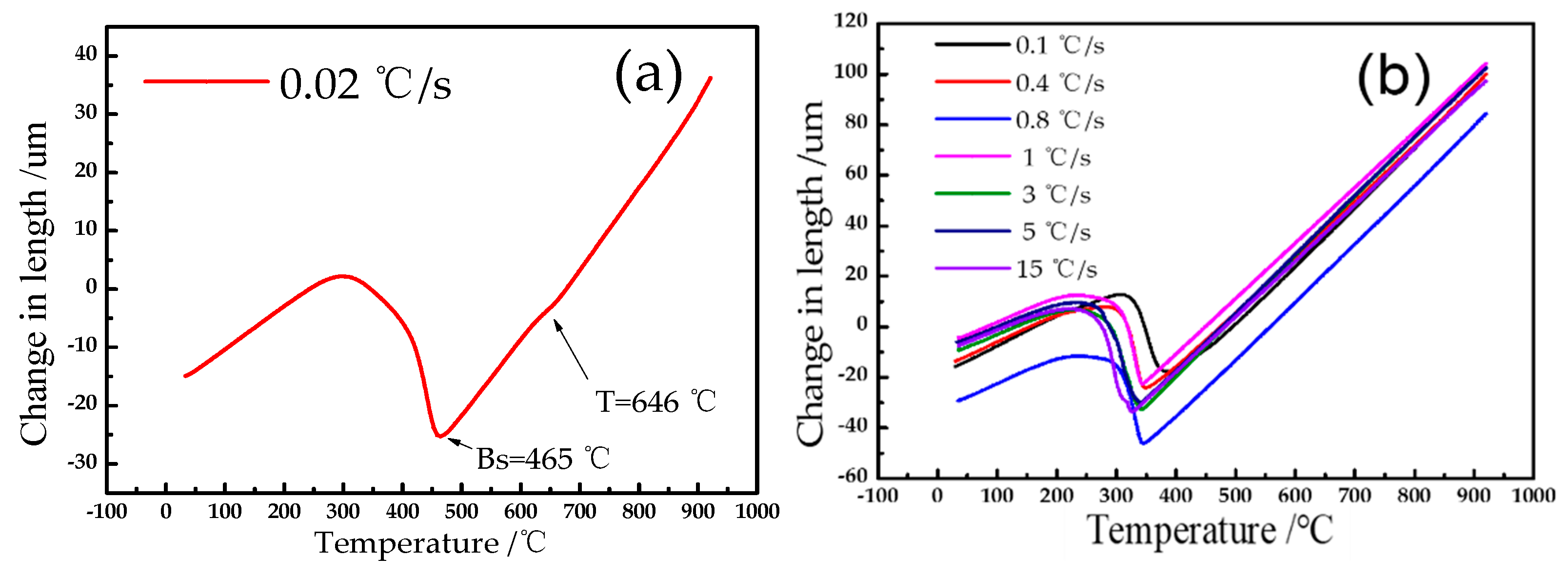
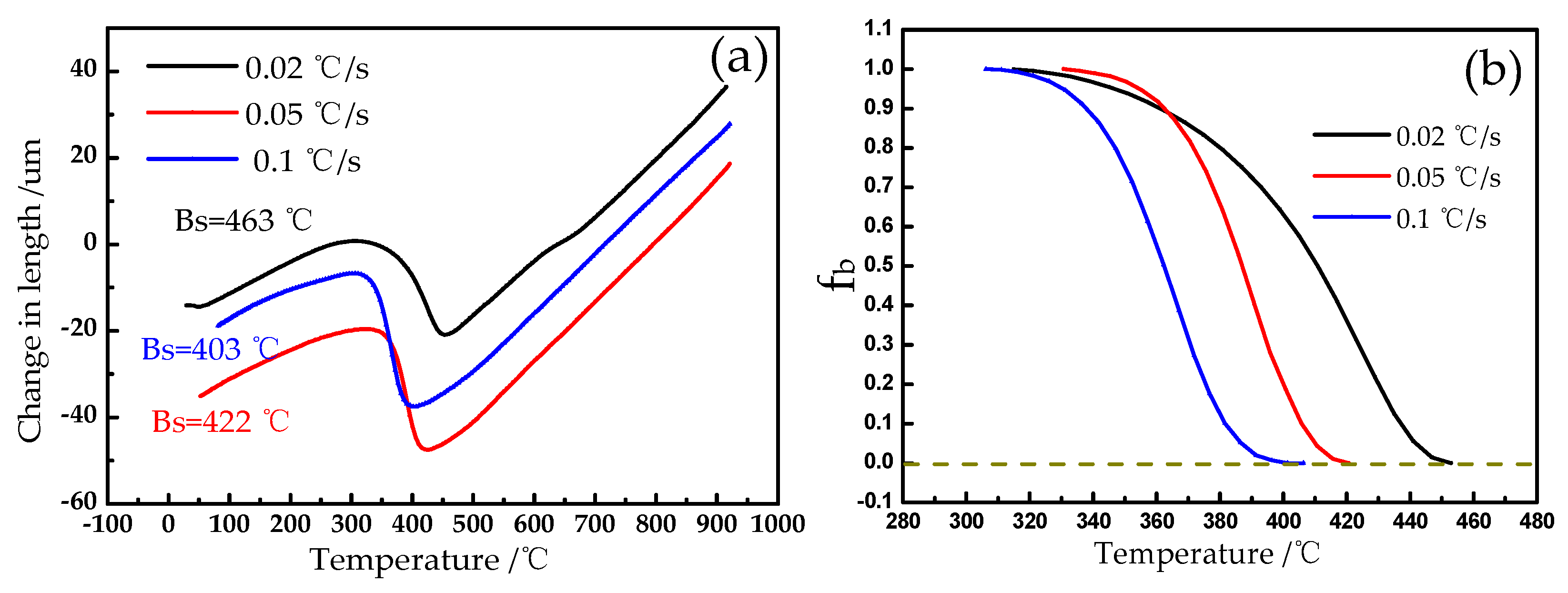
3.1. Differences in Dilatometric Curves between the Carburised Layer and the Matrix
3.2. Microstructural Analysis
3.2.1. Microstructures of the Carburised Layer
3.2.2. Microstructures of the Matrix
3.3. CCT Diagram Analysis
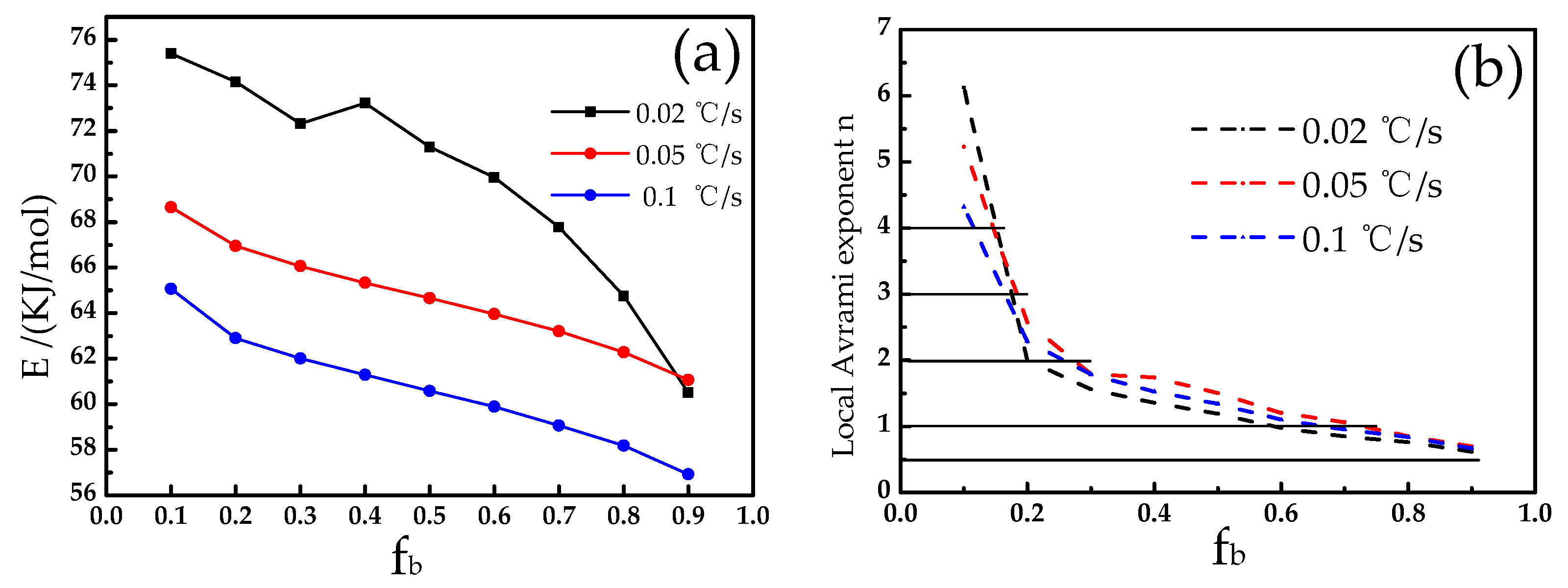
3.4. Kinetics of Matrix Bainite Transformation
4. Conclusions
- (1)
- The critical temperatures (Ac1, Ac3, Ms and Mf) of the matrix were as follows: Ac1 = 737 °C, Ac3 = 770 °C, Ms = 340 °C, Mf = 255 °C. However, unlike those of the matrix, all of the critical temperatures of the carburised layer decreased as follows: Ac1 = 716 °C, Ac3 = 755 °C, Ms = 180 °C.
- (2)
- The main products of undercooled austenite transformation were bainite and martensite microstructures. The critical cooling rate of martensite transformation of the carburised layer and the matrix was 0.05 °C/s, and 0.8 °C/s, respectively. The lamellar martensite of the carburised layer was finer than the lath martensite of the matrix.
- (3)
- During the cooling process at low cooling rates, the volume fraction of RA in both matrix and the carburised layer were almost the same. However, as the cooling rate was more than 0.08 °C/s, the volume fraction of RA in the carburised layer is higher than that of matrix.
- (4)
- The main mechanisms of bainite transformation of the 23CrNi3Mo steel matrix are two-dimensional growth and one-dimensional growth.
Author Contributions
Funding
Institutional Review Board Statement
Informed Consent Statement
Data Availability Statement
Conflicts of Interest
References
- Huang, Y.; Cheng, G.G.; Xie, Y. Modification Mechanism of Cerium on the Inclusions in Drill Steel. Acta Metall. Sin. 2018, 54, 1253–1261. [Google Scholar]
- Huang, Y.; Xie, Y.; Cheng, G.G. Comparing cleanliness of 23CrNi3Mo hollow drills steel at home and abroad. Zhongguo Youse Yejin 2018, 28, 10–16. [Google Scholar]
- Huang, B.; Liu, Y.Z.; Zhou, L.Y.; Li, G.W.; Zhang, D. Research on Fatigue Fracture Defect of 23CrNi3Mo Drill Steel. Adv. Mater. Res. 2011, 314–316, 1955–1959. [Google Scholar] [CrossRef]
- Yan, Y.M. Effect of cooling method on microstructure of 23CrNi3Mo carburized steel. Heat Treat. Met. 2016, 41, 134–138. [Google Scholar]
- Jiang, B.; Liu, Y.Z.; Zhou, L.Y.; Zhang, C.L.; Chen, L.; Wang, G.C. Research Status of Microstructure and Properties Control of Steel for Heavy Drill. Mater. Rep. 2019, 33, 854–861. [Google Scholar]
- Akita, M.; Tokaji, K. Effect of carburizing on notch fatigue behaviour in AISI 316 austenitic stainless steel. Surf. Coat. Technol. 2006, 200, 6073–6078. [Google Scholar] [CrossRef]
- Wei, Y.; Xie, B.S.; Wang, B.; Cai, Q.W.; Xu, S.X. Effect of Rolling process on Microstructure and Properties of 95CrMo Drill Steel. J. Iron Steel Res. Int. 2016, 23, 910–916. [Google Scholar] [CrossRef]
- Kenan, G.; Mehmet, D. Effect of case depth on fatigue performance of AISI 8620 carburized steel. Int. J. Fatigue 1999, 21, 207–212. [Google Scholar]
- Jiang, B.; Mei, Z.; Zhou, L.-Y.; Liu, G.-L.; Wang, Z.-L.; Huang, B.; Liu, Y.-Z. High toughness and multiphase microstructure transition product of carburizing steel by a novel heat treatment cooling process. Mater. Sci. Eng. A 2016, 675, 361–370. [Google Scholar] [CrossRef]
- Xiao, N.; Hui, W.; Zhang, Y.; Zhao, X.; Chen, Y.; Dong, H. High cycle fatigue behavior of a low carbon alloy steel: The influence of vacuum carburizing treatment. Eng. Fail. Anal. 2020, 109, 104215. [Google Scholar] [CrossRef]
- Cao, Z.; Liu, T.; Yu, F.; Cao, W.; Zhang, X.; Weng, Y. Carburization induced extra-long rolling contact fatigue life of high carbon bearing steel. Int. J. Fatigue 2020, 31, 105351. [Google Scholar] [CrossRef]
- Fang, Y.; Chen, X.; Madigan, B.; Cao, H.; Konovalov, S. Effects of strain rate on the hot deformation behavior and dynamic recrystallization in China low activation martensitic steel. Fusion Eng. Des. 2016, 103, 21–30. [Google Scholar] [CrossRef]
- Wang, B.X.; Zhou, C.L.; Liu, X.H.; Wang, G.D. Effect of deformation conditions on continuous cooling transformation of a Mn-Cr gear steel. Acta Metall. Sin. 2005, 41, 511–516. [Google Scholar]
- Wang, Y.; Yang, Z.; Zhang, F.; Qin, Y.; Wang, X.; Lv, B. Microstructures and properties of a novel carburizing nanobainitic bearing steel. Mater. Sci. Eng. A 2020, 777, 139086. [Google Scholar] [CrossRef]
- Liu, J.; Li, M.; Zhang, P.; Zhu, Y.; Li, S. Experiment research on the transformation plasticity by tensile/compressive stress and transformation kinetics during the martensitic transformation of 30Cr2Ni4MoV steel. Mater. Res. Express 2020, 6, 1265g8. [Google Scholar] [CrossRef]
- Qiao, Z.X.; Liu, Y.C.; Yu, L.M.; Gao, Z.M. Formation mechanism of granular bainite in a 30CrNi3MoV steel. J. Alloys Compd. 2009, 475, 560–564. [Google Scholar] [CrossRef]
- Wang, Y.; Yang, Z.; Zhang, F.; Wu, D. Microstructures and mechanical properties of surface and center of carburizing 23Cr2Ni2Si1Mo steel subjected to low-temperature austempering. Mater. Sci. Eng. A 2016, 670, 166–177. [Google Scholar] [CrossRef]
- Manuel, G.; Lucía, R.; Esther, E.; Sebastian, F.M. Phase Transformation under Continuous Cooling Conditions in Medium Carbon Microalloyed Steels. J. Mater. Sci. Technol. 2014, 30, 511–516. [Google Scholar]
- Cerda, F.C.; Sabirov, I.; Goulas, C.; Sietsma, J.; Monsalve, A.; Petrov, R. Austenite formation in 0.2% C and 0.45% C steels under conventional and ultrafast heating. Mater. Des. 2017, 116, 448–460. [Google Scholar] [CrossRef]
- Quidorta, D.; Brechet, Y. The role of carbon on the kinetics of bainite transformation in steels. Scr. Mater. 2002, 47, 151–156. [Google Scholar] [CrossRef]
- Sung, H.K.; Shin, S.Y.; Hwang, B.; Lee, C.G.; Kim, N.J.; Lee, S. Effects of Rolling and Cooling Conditions on Microstructure and Tensile and Charpy Impact Properties of Ultra-Low-Carbon High-Strength Bainitic Steels. Metall. Mater. Trans. A 2010, 42, 1827–1835. [Google Scholar] [CrossRef]
- Kempen, A.T.W.; Sommer, F.; Mittemeijer, E.J. The isothermal and isochronal kinetics of the crystallization of bulk amorphous Pd 40 Cu 30 P 20 Ni 10. Acta Mater. 2002, 50, 1319–1329. [Google Scholar] [CrossRef]
- Gupta, C.; Dey, G.K.; Chakravartty, J.K.; Srivastav, D.; Banerjee, S. A study of bainite transformation in a new CrMoV steel under continuous cooling conditions. Scr. Mater. 2005, 53, 559–564. [Google Scholar] [CrossRef]
- Zheng, Y.F.; Wu, R.M.; Li, X.C.; Wu, X.C. Continuous cooling transformation behavior and bainite formation kinetics of new bainitic steel. Mater. Sci. Technol. 2017, 33, 454–463. [Google Scholar] [CrossRef]
- An, F.C.; Zhao, S.X.; Xue, X.K.; Wang, J.J.; Yuan, G.; Liu, C.M. Incompleteness of bainite transformation in quenched and tempered steel under continuous cooling conditions. J. Mater. Res. Technol. 2020, 9, 8985–8996. [Google Scholar] [CrossRef]
- Zhang, Z.M.; Cai, Q.W.; Yu, W.; Li, X.L.; Wang, L.D. Continuous Cooling Transformation Behavior and Kinetic Models of Transformations for an Ultra-Low Carbon Bainitic Steel. J. Iron Steel Res. Int. 2012, 19, 73–78. [Google Scholar] [CrossRef]
- Lu, W.; Yan, B.; Huang, W.H. Complex primary crystallization kinetics of amorphous Finemet alloy. J. Non Cryst. Solids 2005, 351, 3320–3324. [Google Scholar] [CrossRef]
- Hui, Q.; Xue, X.; Kou, H.; Lai, M.; Tang, B.; Li, J. Kinetics of the ω phase transformation of Ti-7333 titanium alloy during continuous heating. J. Mater. Sci. 2012, 48, 1966–1972. [Google Scholar] [CrossRef]












| C | Si | Mn | Cr | Ni | Mo | P | S | Fe |
|---|---|---|---|---|---|---|---|---|
| 0.23 | 0.29 | 0.65 | 1.29 | 2.87 | 0.22 | 0.001 | 0.013 | Bal. |
| Series | Ac1/°C | Ac3/°C | Ms/°C | Mf/°C |
|---|---|---|---|---|
| carburised layer | 716 | 743 | 180 | - |
| matrix | 757 | 778 | 340 | 255 |
Publisher’s Note: MDPI stays neutral with regard to jurisdictional claims in published maps and institutional affiliations. |
© 2020 by the authors. Licensee MDPI, Basel, Switzerland. This article is an open access article distributed under the terms and conditions of the Creative Commons Attribution (CC BY) license (http://creativecommons.org/licenses/by/4.0/).
Share and Cite
Song, W.; Lei, M.; Wan, M.; Huang, C. Continuous Cooling Transformation Behaviour and Bainite Transformation Kinetics of 23CrNi3Mo Carburised Steel. Metals 2021, 11, 48. https://doi.org/10.3390/met11010048
Song W, Lei M, Wan M, Huang C. Continuous Cooling Transformation Behaviour and Bainite Transformation Kinetics of 23CrNi3Mo Carburised Steel. Metals. 2021; 11(1):48. https://doi.org/10.3390/met11010048
Chicago/Turabian StyleSong, Wenjun, Min Lei, Mingpan Wan, and Chaowen Huang. 2021. "Continuous Cooling Transformation Behaviour and Bainite Transformation Kinetics of 23CrNi3Mo Carburised Steel" Metals 11, no. 1: 48. https://doi.org/10.3390/met11010048
APA StyleSong, W., Lei, M., Wan, M., & Huang, C. (2021). Continuous Cooling Transformation Behaviour and Bainite Transformation Kinetics of 23CrNi3Mo Carburised Steel. Metals, 11(1), 48. https://doi.org/10.3390/met11010048
