Towards a Standard Approach for the Twin Disc Testing of Top-Of Rail Friction Management Products
Abstract
:1. Introduction
2. Test Requirements and Review
2.1. Apparatus
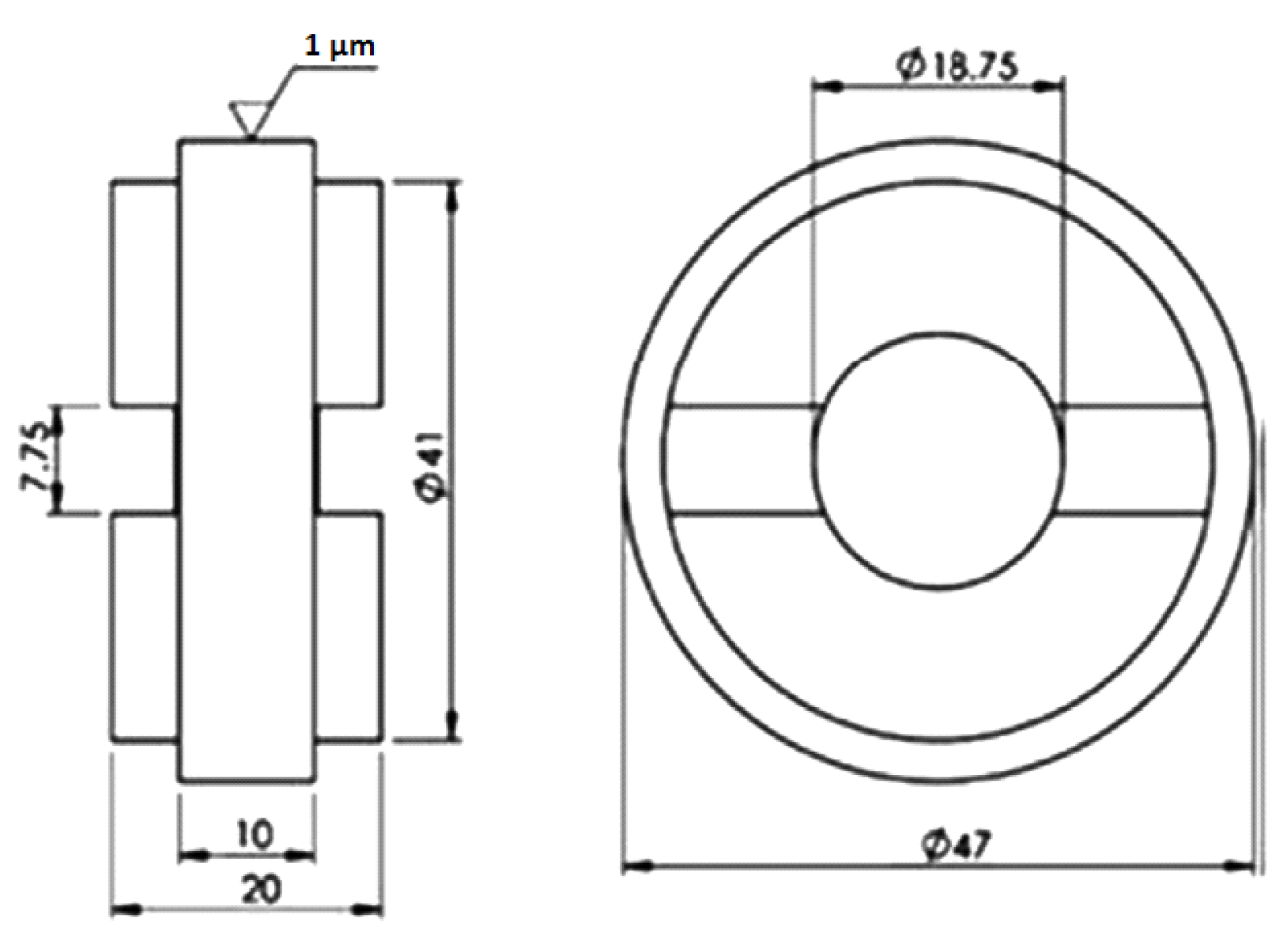
2.2. Specimens
2.3. Test Contact Conditions
2.4. Product Application
2.5. Results and Interpretation
2.5.1. Effective Friction Data
2.5.2. Retentivity Data
3. Proposed Test Specifications
- Pre-test preparation and measurements
- Manufacture specimens to specification shown in Section 3.1;
- Grind to 1 µm Ra (measured laterally across disc);
- Select desired normal load, dependent on the railway system to be simulated;
- Plan sufficient repeats and test randomisation/blinding if required [27];
- Measure disc mass and roughness;
- Surface images.
- Test execution and measurements during the test
- Dry run-in (low load and slip to condition discs);
- Measure friction, load and slip;
- Room temperature and humidity;
- Any unusual behaviour of the test specimen (noise, visible surface change, change in wear debris);
- Any unusual product behaviour (visible fling-off, colour changes).
- Post-test measurement, analysis and data presentation
- Disc mass before cleaning (can be used to estimate mass of product remaining on surface);
- Roughness;
- Surface images;
- Show effective friction and retentivity. Plot results alongside a dry baseline.
3.1. Pre-Test Preparation and Measurements
3.2. Test Execution and Measurements during the Test
- Conventional rail system: 1200 MPa and 1% slip;
- Light rail system: 900 MPa and 1% slip;
- Heavy haul freight system: 1500 MPa and 1% slip.
3.3. Post-Test Measurement, Analysis and Data Presentation
- “effective friction” (friction to be expected if the top-of-rail product has been effectively transferred to the wheel/rail interface)—from averaging the friction in a steady state region. TOR products would be expected to give an “intermediate” level of friction (0.2–0.4).
- “retentivity” (measure of how long a product is able to retain its respective effective friction level before being consumed from a wheel/rail contact and eventually returning to the dry baseline friction level)—by working out the number of cycles for a “dry” friction value to be reached. There is no specified value for “retentivity”, but the longer a product can give friction in the required range the better.
- cycles in the “intermediate friction regime” for top-of-rail products could also be defined if there is a desired range of effective friction (for example if the product user requires a friction coefficient of 0.2–0.35).
4. Conclusions
Author Contributions
Funding
Data Availability Statement
Conflicts of Interest
References
- Harmon, M.; Lewis, R. Review of top-of-rail friction modifier tribology. Tribol. Mater. Surf. Interfaces 2016, 10, 150–162. [Google Scholar] [CrossRef] [Green Version]
- Magel, E.E. A Survey of Wheel/Rail Friction; Final Report; U.S. Department of Transportation: Washington, DC, USA, 2017.
- Eadie, D.T.; Santoro, M.; Oldknow, K.; Oka, Y. Field studies of the effect of friction modifiers on short pitch corrugation generation in curves. Wear 2008, 265, 1212–1221. [Google Scholar] [CrossRef]
- Eadie, D.; Elvidge, D.; Oldknow, K.; Stock, R.; Pointner, P.; Kalousek, J.; Klauser, P. The effects of top-of-rail friction modifier on wear and rolling contact fatigue: Full-scale rail-wheel test rig evaluation, analysis and modelling. Wear 2008, 265, 1222–1230. [Google Scholar] [CrossRef]
- Stock, R.; Stanlake, L.; Hardwick, C.; Yu, M.; Eadie, D.; Lewis, R. Material concepts for top-of-rail friction management—Classification, characterization and application. Wear 2016, 366–367, 225–232. [Google Scholar] [CrossRef]
- Gutsulyak, D.V.; Stanlake, L.J.E.; Qi, H. Twin disc evaluation of third body materials in the wheel/rail interface. Tribol.-Mater. Surf. Interfaces 2021, 15, 115–126. [Google Scholar] [CrossRef]
- Lewis, R.; Magel, E.; Wang, W.; Olofsson, U.; Lewis, S.; Slatter, T.; Beagles, A. Towards a standard approach for the wear testing of wheel and rail materials. Proc. Inst. Mech. Eng. Part F J. Rail Rapid Transit 2017, 231, 760–774. [Google Scholar] [CrossRef]
- Buckley-Johnstone, L.; Harmon, M.; Lewis, R.; Hardwick, C.; Stock, R. A comparison of friction modifier performance using two laboratory test scales. Proc. Inst. Mech. Eng. Part F J. Rail Rapid Transit 2019, 233, 201–210. [Google Scholar] [CrossRef]
- Boyacioglu, P.; Bevan, A.; Allen, P.; Bryce, B.; Foulkes, S. Wheel wear performance assessment and model validation using Harold full scale test rig. Proc. Inst. Mech. Eng. Part F J. Rail Rapid Transit 2021, 236, 406–417. [Google Scholar] [CrossRef]
- Evans, M.; Skipper, W.A.; Buckley-Johnstone, L.; Meierhofer, A.; Six, K.; Lewis, R. The development of a high pressure torsion test methodology for simulating wheel/rail contacts. Tribol. Int. 2021, 156, 106842. [Google Scholar] [CrossRef]
- Lewis, S.R.; Lewis, R.; Olofsson, U.; Eadie, D.T.; Cotter, J.; Lu, X. Effect of humidity, temperature and railhead contamination on the performance of friction modifiers: Pin-on-disk study. Proc. Inst. Mech. Eng. Part F J. Rail Rapid Transit 2012, 227, 115–127. [Google Scholar] [CrossRef]
- Galas, R.; Kvarda, D.; Omasta, M.; Krupka, I.; Hartl, M. The role of constituents contained in water-based friction modifiers for top of rail application. Tribol. Int. 2018, 117, 87–97. [Google Scholar] [CrossRef]
- Descartes, S.; Desrayaud, C.; Niccolini, E.; Berthier, Y. Presence and role of the third body in a wheel/rail contact. Wear 2005, 258, 1081–1090. [Google Scholar] [CrossRef]
- Lu, X.; Cotter, J.; Eadie, D.T. Laboratory study of the tribological properties of friction modifier thin films for friction control at the wheel/rail interface. Wear 2005, 259, 1262–1269. [Google Scholar] [CrossRef]
- Meierhofer, A.; Hardwick, C.; Lewis, R.; Six, K.; Dietmaier, P. Third body layer-experimental results and a model describing its influence on the traction coefficient. Wear 2014, 314, 148–154. [Google Scholar] [CrossRef]
- Christoforou, P.; Fletcher, D.I.; Lewis, R. Benchmarking of premium rail material wear. Wear 2019, 436–437, 202990. [Google Scholar] [CrossRef]
- Poole, W. A Discussion on the Effect of Surface Roughness on Creep Curves. Br. Rail Res. Intern. Memo. 1981, 84, 2161–2168. [Google Scholar]
- Lundmark, J.; Hoglund, E.; Prakash, B. Running-in Behaviour of Rail and Wheel Contacting Surfaces. In Proceedings of the 5th International Conference on Tribology, Parma, Italy, 20–22 September 2006. [Google Scholar]
- Lewis, S.R.; Lewis, R.; Evans, G.; Buckley-Johnstone, L.E. Assessment of railway curve lubricant performance using a twin-disc tester. Wear 2014, 314, 205–212. [Google Scholar] [CrossRef]
- Garnham, J.E.; Brightling, J.R.; Beynon, J.H. Rolling-sliding analysis. Wear 1988, 124, 45–63. [Google Scholar] [CrossRef]
- Lewis, R.; Olofsson, U. Mapping rail wear regimes and transitions. Wear 2004, 257, 721–729. [Google Scholar] [CrossRef] [Green Version]
- Lee, Z.; Trummer, G.; Six, K.; Lewis, R. Modelling the effects of top-of-rail products on creep forces in the wheel-rail interface. 2022; to be submitted. [Google Scholar]
- Trummer, G.; Lee, Z.S.; Lewis, R.; Six, K. Modelling of frictional conditions in the wheel–rail interface due to application of top-of-rail products. Lubricants 2021, 9, 100. [Google Scholar] [CrossRef]
- Harmon, M.; Santa, J.F.; Jaramillo, J.A.; Toro, A.; Beagles, A.; Lewis, R. Evaluation of the coefficient of friction of rail in the field and laboratory using several devices. Tribol. Mater. Surf. Interfaces 2020, 14, 119–129. [Google Scholar] [CrossRef]
- Eadie, D.T.; Harrison, H.; Kempka, R.; Lewis, R.; Keylin, A.; Wilson, N. Field assessment of friction and creepage with a new tribometer. In Proceedings of the 11th International Conference on Contact Mechanics and Wear of Rail/Wheel Systems, Delft, The Netherlands, 24–27 September 2018; pp. 208–217. [Google Scholar]
- Evans, M.; Lewis, R. Top-of-Rail Friction Modifier Performance Assessment: High Pressure Torsion Testing; Creep Force Modelling and Field Validation. 2022; to be submitted. [Google Scholar]
- Watson, M.; Christoforou, P.; Herrera, P.; Preece, D.; Carrell, J.; Harmon, M.; Krier, P.; Lewis, S.; Maiti, R.; Skipper, W.; et al. An analysis of the quality of experimental design and reliability of results in tribology research. Wear 2019, 426–427, 1712–1718. [Google Scholar] [CrossRef] [Green Version]
- Lewis, R.; White, B. Twin Disc Test Specifications for Assessing Top-of-Rail Product Performance, Creating Low Adhesion Layers, and Assessing Traction Gel Performance. 2021. Available online: https://www.sparkrail.org/Lists/Records/DispForm.aspx?ID=27582 (accessed on 25 May 2022).
- Lewis, R.; White, B.; Lee, Z. Full-Scale Rig Test Specifications for Assessing Top-of-Rail Product Pick-Up and Carry-Down Performance. 2021. Available online: https://www.sparkrail.org/Lists/Records/DispForm.aspx?ID=27581 (accessed on 25 May 2022).























| Test Configuration | Twin Disc (Two 47 mm Diameter Cylinders, 10 mm Contact Width) | Ball-on-Flat (Mini-Traction Machine Set-Up, 10 mm Ball Diameter) |
|---|---|---|
| Contact area (m2) | 6.29 × 10−6 | 3.49 × 10−8 |
| Contact pressure (MPa) | 1500 | 1500 |
| Contact area after 5 microns of wear (m2) | 6.29 × 10−6 | 6.28 × 10−7 (non-Hertzian) |
| Contact pressure after 5 microns of wear (MPa) | 1500 | 55.73 (non-Hertzian) |
Publisher’s Note: MDPI stays neutral with regard to jurisdictional claims in published maps and institutional affiliations. |
© 2022 by the authors. Licensee MDPI, Basel, Switzerland. This article is an open access article distributed under the terms and conditions of the Creative Commons Attribution (CC BY) license (https://creativecommons.org/licenses/by/4.0/).
Share and Cite
White, B.; Lee, Z.S.; Lewis, R. Towards a Standard Approach for the Twin Disc Testing of Top-Of Rail Friction Management Products. Lubricants 2022, 10, 124. https://doi.org/10.3390/lubricants10060124
White B, Lee ZS, Lewis R. Towards a Standard Approach for the Twin Disc Testing of Top-Of Rail Friction Management Products. Lubricants. 2022; 10(6):124. https://doi.org/10.3390/lubricants10060124
Chicago/Turabian StyleWhite, Ben, Zing Siang Lee, and Roger Lewis. 2022. "Towards a Standard Approach for the Twin Disc Testing of Top-Of Rail Friction Management Products" Lubricants 10, no. 6: 124. https://doi.org/10.3390/lubricants10060124
APA StyleWhite, B., Lee, Z. S., & Lewis, R. (2022). Towards a Standard Approach for the Twin Disc Testing of Top-Of Rail Friction Management Products. Lubricants, 10(6), 124. https://doi.org/10.3390/lubricants10060124

