Next Article in Journal
Tribological Behavior of Reinforced PTFE Composites and Un-Reinforced Polyketone-Based Materials against Coated Steel
Next Article in Special Issue
Carbon Nanotori Reinforced Lubricants in Plastic Deformation Processes
Previous Article in Journal
Microstructure Examination and Sliding Wear Behavior of Al-15%Mg2Si-xGd In Situ Composites before and after Hot Extrusion
Previous Article in Special Issue
Investigation of the Structural, Mechanical and Tribological Properties of Plasma Electrolytic Hardened Chromium-Nickel Steel
 
 
Font Type:
Arial Georgia Verdana
Font Size:
Aa Aa Aa
Line Spacing:
Column Width:
Background:
Article

Mechanical and Tribological Properties of Polytetrafluoroethylene Composites Modified by Carbon Fibers and Zeolite

by
Tatyana S. Struchkova
,
Andrey P. Vasilev
*,
Aitalina A. Okhlopkova
,
Sakhayana N. Danilova
and
Aleksey G. Alekseev
Department of Chemistry, Institute of Natural Sciences, North-Eastern Federal University, 677000 Yakutsk, Russia
*
Author to whom correspondence should be addressed.
Lubricants 2022, 10(1), 4; https://doi.org/10.3390/lubricants10010004
Submission received: 9 November 2021 / Revised: 9 December 2021 / Accepted: 22 December 2021 / Published: 28 December 2021
(This article belongs to the Special Issue Tribology for Lightweighting)

Abstract

:
Currently, lightweight and high-strength polymer composites can provide weight savings in the automotive and process equipment industries by replacing metal parts. Polytetrafluoroethylene and polymer composites based on it are used in various tribological applications due to their excellent antifriction properties and thermal stability. This article examines the effect of combined fillers (carbon fibers and zeolite) on the mechanical, tribological properties, and structure of polytetrafluoroethylene. It is shown that the introduction of combined fillers into polytetrafluoroethylene retains the tensile strength and elongation at break at a content of 1–5 wt.% of carbon fibers, the compressive stress increased by 53%, and the yield stress increased by 45% relative to the initial polymer. The wear resistance of polymer composites increased 810-fold compared to the initial polytetrafluoroethylene while maintaining a low coefficient of friction. The structural features of polymer composites are characterized by X-ray diffraction analysis, infrared spectroscopy, and scanning electron microscopy.

1. Introduction

Polymer composite materials (PCMs), due to their improved performance properties, are widely used as parts in friction units of various equipment. Polytetrafluoroethylene (PTFE) is characterized by thermal stability, chemical resistance, and self-lubricating properties [1]. Due to these properties, PTFE can be used as mechanical components in friction units in the automotive industry. However, low wear resistance and high creep of PTFE in many cases excludes its use in friction units [2]. The disadvantages of PTFE can be reduced by introducing fillers, which effectively increase wear resistance. Typically, fillers for PTFE are dispersed particles (graphite, bronze), carbon and glass fibers, and combinations [3,4,5]. In recent decades, much research has focused on developing PCMs utilizing a mixture of fillers of different sizes, shapes, and chemical compositions. It is known that carbon fibers (CFs), glass fibers, and aramid fibers are used as fillers to manufacture polymer materials for tribological purposes, together with nanosized and lubricating materials (graphite, MoS2, PTFE) [5,6,7,8,9].
Li et al. prepared composites of the compositions PTFE/SiO2 and PTFE/SiO2/PAO 6, which were obtained at various pressing pressures (from 10 to 50 MPa) [10]. The addition of PAO 6 to PTFE/SiO2 compositions leads to a significant decrease in the coefficient of friction and an increase in wear resistance compared to PTFE/SiO2 and the initial PTFE. The improvement in the tribological properties of PCM was explained by the synergistic effect when using PAO 6 (liquid lubricant) and PTFE polymer matrix (solid lubricant). Zhang et al. evaluated the impact of nanosized particles on the tribological characteristics of polyether ether ketone (PEEK) filled with a combination of CF/PTFE/graphite fillers [11,12]. For this, the authors used a commercial composition of the PEEK/CF/PTFE/graphite composite, to which nano-SiO2 was additionally added. The addition of nano-SiO2 to the PEEK/CF/PTFE/graphite composite is effective at high contact friction pressures. Song et al. investigated composites based on PTFE filled with CFs with MoS2 and short glass fibers [13]. The introduction of MoS2 into PTFE/CF made it possible to improve the tribological properties compared to composites of the composition PTFE/CF/glass fiber. It was shown that the introduction of MoS2 and glass fiber into the PTFE/CF composition led to a significant improvement in wear resistance. The effect of improving the tribological properties of PTFE/CF/glass fiber/MoS2 became noticeable at high sliding speeds and pressures.
Previously, the authors of this paper studied the effect of combined fillers consisting of CFs and layered silicates (kaolin and vermiculite) on the tribological and mechanical properties of PTFE [14]. It was shown that the introduction of mechanically activated layered silicates and CFs made it possible to increase the mechanical properties of PCM and significantly improve wear resistance compared to composites containing only fibers. Thus, it is of great interest to introduce CFs with other aluminosilicate particles into PTFE.
Zeolites are crystalline aluminosilicate minerals with microporous structures [15]. They have a high specific surface area, resistance to heating, availability, and low cost, and are widely used to modify polymers [16,17,18,19]. Zeolite can have the same exceptional wear-reducing properties with CFs as the above fillers: kaolin and vermiculite. This study will focus on studying the effect of CFs and zeolite on the mechanical and tribological properties of PTFE.

2. Materials and Methods

PTFE (particle size of 46–135 µm and density of 2.16 g/cm3) powders trademark PN90 were purchased by GaloPolymer, Russia. Chemically modified discrete CF brand «Belum» was obtained from Svetlogorsk Khimvolokno, Belarus. The width and length of the CF were 8–10 µm and 50–500 µm, respectively. The CF were modified by a plasma–chemical treatment in an environment with fluororganic compounds, based on a previous method [20].
Zeolite (Zt) with a chemical composition of M2/nOAl2O3⋅xSiO2⋅yH2O was used as a mineral filler, sourced from deposits from the Sakha (Yakutia) Republic in Russia. The average specific surface of the Zt used in this study was ~15 m2/g.
PCM were prepared according to a typical process: dry-mixing the polymer and filler in a paddle mixer, molding under a pressure of 50 MPa at room temperature for 2 min, then sintering the specimen in a programmable muffle furnace (SNOL 180/400) at 375 °C. The mechanical activation of the zeolite was preliminarily carried out in a planetary mill (Activator-2) according to the previous work: the activation time was 2 min at 80 G [14]. PTFE-based composites were prepared, and the detailed compositions were listed in Table 1. The mass content of CF in the composites is 1 and 10 wt.%, respectively.
The mechanical properties, such as the tensile strength, elongation at break, and yield strength, were determined according to the Russian standard GOST 11262-2017 (plastics, tensile test method) using a universal testing machine (Autograph AGS-J, Shimadzu, Kyoto, Japan) at 25 °C, and a strain rate of 100 mm/min. The compressive stress at a deformation of 10% was measured following standard GOST 4651-2014 (plastics, compression test method, ISO 604: 2002, MOD) using the same instrument at a strain rate of 1 mm/min. The densities of the PTFE and PCM samples were determined according to the Russian standard GOST 15139-69 (plastics, methods for the determination of density). This method, also known as hydrostatic weighing (analog ASTM D 792), for determining the bulk density of molded products (e.g., rods, bars, and tubes), and it provides a density measurement accuracy of 0.1%. Distilled water was used as the media.
Tribological properties were evaluated in pin-on-disc tests on a UMT-3 (CETR, Mountain View, CA, USA). The counterbody was a #45 carbon-steel disk with a hardness of 45–50 HRC, and a roughness Ra = 0.06–0.08 µm. The investigated polymer pin samples had a diameter of 10 ± 0.1 mm with 20 ± 1 mm thickness (length), while the wear track centerline on the steel discs was at 20 mm diameter. Nominal pressure is 2 MPa (the normal force was 160 N), an average sliding speed of 0.2 m/s, and a test duration of 3 h. The mean deviation values were calculated from at least three measurements. Coefficient of friction was determined according to the Russian standard GOST 11629-2017 (plastics, method for testing the friction coefficient). The wear rate k (mm3/N·m) was calculated after wear testing by using Equation (1):
k = Δ m ρ × F N × d   ,
where FN, N—normal force; d, m—sliding distance; Δm, g—mass lost during sliding; ρ, g/mm3—density of specimens.
The crystal structure of the PTFE and its PCM was determine using X-ray powder diffractometry (XRD; ARL X’Tra, Thermo Fisher Scientific, Ecublens, Switzerland) with a CuKα (λ = 0.154 nm) radiation source. The degree of crystallinity was estimated from the ratio of the areas of reflections corresponding to amorphous and crystalline regions using Equation (2):
α = I C I C + I A   ,
where α, %—degree of crystallinity; IC—area under the crystalline peaks; IC + IA—area under all peaks. Win XRD software (v. 2.0-6, Thermo Fisher, Ecublens, Switzerland) was used for data analysis.
The worn surface and supramolecular structures of the PTFE and PCM samples were observed by scanning electron microscopy (SEM; JSM-7800F, JEOL, Tokyo, Japan). The specimens for supramolecular structure studies were obtained by cold chipping in liquid nitrogen.
Fourier transform infrared spectroscopy (FT-IR; Varian 7000, Varian, Palo Alto, CA, USA) was used to record IR spectra with an attenuated total reflection (ATR) attachment over the range of 550–4000 cm−1. IR spectra were obtained before and after friction tests.

3. Results and Discussion

The plot of tensile strength and elongation at break of PTFE and PTFE/CF/Zt in terms of the content of CFs is presented in Figure 1.
As can be seen from Figure 1, the introduction of combined fillers in PTFE in an amount of 1–5 wt.% of CFs leads to the preservation of the tensile strength and elongation at break of PCM at the level of the initial polymer. The mechanical properties of polymer composites are related to the structure of the material; in the case of polymers filled with fibers, the significant role is played by the interfacial interaction at the fiber–matrix interface [21]. It is known that modified CFs of the Belum brand are characterized by strong interfacial adhesion to PTFE [22]. However, a CF content of 8–10 wt.% in PCM leads to a decrease in tensile strength up to 25% and elongation at break up to 30%, possibly associated with the formation of defective areas with a high content of fillers.
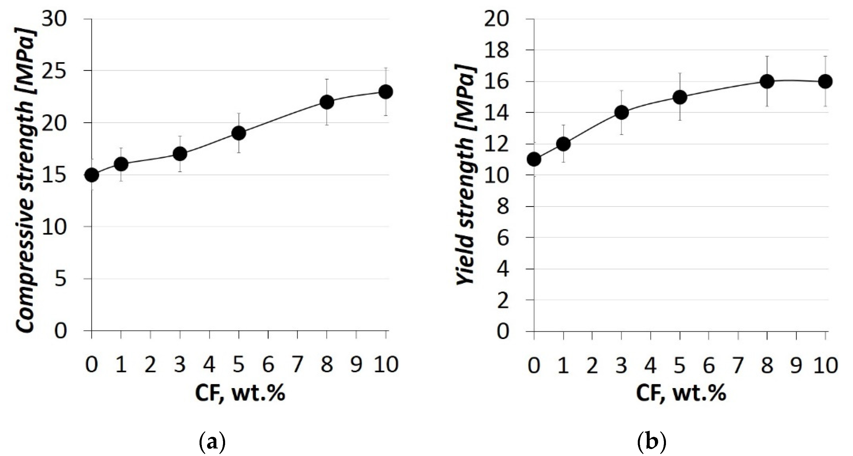
The compressive strength (10%) and the yield strength of PTFE and PTFE/CF/Zt depending on the content of CFs is shown in Figure 2.
Figure 2 shows that the compressive value strength of PCM monotonically increases with an increase in the CF content. It can be seen that the compressive strength of PCM increased by 7–53% compared to the initial PTFE at a filler with increasing content of 1 to 10 wt.%. The yield point of the composites increased by 45% relative to the initial PTFE at a CF content of 8–10 wt.%. In composites, a significant increase in compressive strength and yield strength indicates the reinforcing effect of fillers. Thus, the developed materials have improved compression characteristics and yield strength, which is necessary for materials for tribological purposes.
Structural studies of PTFE and PCM were carried out using an X-ray diffractometer to determine the structural parameters of the developed materials. The X-ray diffraction patterns of PTFE and PCM are shown in the Figure 3.
As can be seen from Figure 3, in the initial PTFE and polymer composites, an intense diffraction peak was revealed in the region = 18° (100), which corresponds to the crystalline phase of PTFE [23]. No other peaks were found in all X-ray diffraction patterns of PCM. It was found that the intensity of the peak at = 18° PCM increased with an increase in the content of fillers. An increase in the intensity of the PCM peak is consistent with an increase in the degree of crystallinity, as shown in Table 2.
The degree of crystallinity is determined, from the diffraction pattern, by calculating the relative values of the integrated intensity of the crystal reflections according to Equation (2). As can be seen from Table 2, the degree of crystallinity of PTFE increases with the introduction of fillers. PTFE/CF/Zt has a degree of crystallinity according to X-ray diffraction analysis that is higher than the initial PTFE by 1–8%. Such a change in the degree of crystallinity of PCM indicates that the fillers become crystallization centers.
The density of PCMs with a content of 1–5 wt.% CF remains at the level of the initial PTFE. With an increase in the fiber content by 8–10 wt.% CF in the polymer matrix, the density of the composites decreases in comparison with the initial polymer, reaching a minimum at 10 wt% CF. The decrease in PTFE density upon the introduction of CFs is possibly associated with a “loosening” of the supramolecular structure PCM [14]. In addition, the contribution is made by the lower density of the initial carbon fibers (~1.45 g/cm3), which is significantly lower in comparison with the density of the PTFE polymer matrix (~2.16 g/cm3).
The results of a study of the supramolecular structure of the initial PTFE and PCM by scanning electron microscopy (SEM) can be seen in Figure 4.
As seen from Figure 4a, the supramolecular structure of the initial PTFE is characterized by the formation of a lamellae structure. In all composites, CFs were randomly oriented and relatively uniformly distributed in the supramolecular structure of the initial polymer (Figure 4b–f). The SEM images of PCM show that the amount of fibers visually increases with an increase in the CFs content from 1 to 10 wt.%. Due to this, the yield strength and compressive strength values increase by 7–53% and 8–45% compared to the initial PTFE. The zeolite content is not visible in the supramolecular structure, associated with its low content (1 wt.%) and high dispersion mechanically activated filler.
The tribological properties of PTFE are attributed to the relatively easy sliding between the lamellae or fibrils, resulting in a low coefficient of friction but also a high of wear rate [24]. Fillers are known to introduced into PTFE reduce the subsurface crack propagated and part of the normal load is transferred to the solid filler [25]. In addition, wear of the PTFE-based polymer composite formation a transfer film on the surface of the steel counterbody and on the friction surface polymer composites, which contributes significantly to wear reduction. Thus, the tribofilm formed on the surface of the composite and on the counterbody protects them from wear. The surface of the composites was investigated in this work since there is practically no wear of the counterbody, since the disc is made of sufficiently strong grade 45 steel. The tribological test results for PTFE and PTFE/CF/Zt as a function of fiber content are shown in Figure 5.
As can be seen from Figure 5a, the addition of combined fillers to PTFE increased the wear resistance by order of magnitude compared to the original polymer. In this work, the wear rate for the initial PTFE was ~4.79 × 10−4 mm3/N·m, and the friction coefficient was ~0.22. The results of comparing the PTFE/CF/Zt composites with the initial PTFE showed a decrease in the wear rate by a factor of ~190–810. Moreover, the wear rate of PTFE/CF/Zt depends on the CF content, so with an increase in the fiber content, the wear resistance increased from 2.53 × 10−6 to 0.59 × 10−6 mm3/N·m. Composites containing 8–10 wt.% of CF have the highest wear resistance than composites containing 1–5 wt.% of CF.
The friction coefficient of PTFE/CF/Zt, regardless of the CF content, practically does not change over the entire concentration range of values, as shown in Figure 5b. It can be seen that the friction coefficient of PTFE/CF/Zt is comparable with the results of the initial PTFE and is in a relatively narrow range of values, i.e., 0.19–0.23. An earlier work [14] showed that the introduction of CFs with kaolin and vermiculite into PTFE increased the friction coefficient by 20–36% relative to the initial PTFE. In [26], PTFE filled with ultra-fine kaolin particulates was investigated. The friction of PTFE filled with 5 wt.% kaolin increased the coefficient of friction of the composite relative to the initial polymer. In the work [27], the effect of vermiculite on the mechanical and tribological properties of PTFE was investigated. Shown that the introduction of vermiculite increases the coefficient of friction PCM to compare the initial PTFE. At the same time, PTFE filled with zeolite (5 wt.%), where the friction coefficient of the composite was at the level of the initial polymer, was studied in [19]. Based on this, it is evident that the PTFE/CF friction coefficient with the additional introduction of natural aluminosilicate depends on the structure of the used filler. Thus, the developed PTFE/CF/Zt materials are characterized by high wear resistance and a low coefficient of friction.
The surface of the PCM before and after friction was investigated by infrared (IR) spectroscopy. The IR spectra of PCM before and after friction can be seen in Figure 6.
As seen in Figure 6, the results of analysis of the obtained IR spectra showed the presence of a region of characteristic absorption of PTFE; new peaks were also revealed on the friction surfaces of PCM. Intense peaks at ~1201 and ~1146 cm−1 are characteristic of PTFE (-CF2 asymmetric and symmetric stretching bands) [28]. On the worn surface of the composites, new absorption peaks were revealed in the range of ~1432 cm−1, ~1655 cm−1, and 3200–3600 cm−1. From literature data, it is known that the peaks ~1432 cm−1 and ~1655 cm−1 are attributed to metal chelates of salts of perfluorinated carboxylic acids M2(Rf-COO) [29]. These peaks are found on the friction surface of the counterbody and on the worn surface of the composites [28]. The broad peak at 3600–3200 cm−1 is attributed to the associated hydroxyl groups –OH. The new absorption peaks recorded in the IR spectra of PCM after friction are associated with the rupture of the polymer chain at C–C bonds. Further, these broken bonds form radicals that can react with oxygen and ambient moisture to form end groups of carboxylic acids [30]. Thus, the friction of the PTFE/CF/Zt composite against a steel counterbody leads to tribochemical reactions.
Figure 7 shown the results of studying the worn surface of PCM depending on the composition of fillers by the SEM method.
As shown in Figure 7a, the worn surface of the initial PTFE is characterized by tiny grooves and is relatively smooth along the friction direction. Such a friction surface of unfilled PTFE is typical and was observed in the work [31]. The formation of such morphology of the PTFE worn surface is due to the structure of the polymer [25]. In the case of the introduction of combined fillers (CF/Zt) into PTFE, fibers visible on the friction surface protect the polymer surface layer from fracture during friction. Figure 7 shows that grooves are visible in PCM at 1 wt.% CF, which is characterized by the increased wear, while in other composites, such a morphology on the friction surface is not observed. Thus, in all composites, CFs on the friction surface were uniformly distributed and randomly oriented; the number of CFs visible on the worn surfaces increased with increasing CF content in the PCM, which is consistent with the results of the wear rate.
One of the theories explaining the decrease in wear with the introduction of micro-sized fillers in PTFE is associated with the interruption of the propagation of subsurface cracks by filler particles [32]. However, the additional introduction of layered silicates into PTFE/CF leads to a significant increase in wear resistance compared to PTFE filled only with fibers, which is explained by the formation of secondary reinforced structures in the form of tribofilms between fibers on the worn surface [14]. Such tribofilms were found on the PTFE/CF/Zt worn surface at high magnification of SEM images (Figure 8).
It is known that under friction, PTFE/CF occurs over a steel counterbody, the CF becomes a protruding on the worn surface that protects the polymer material from wear, and in addition, the fibers wear and can be pulled out of the polymer matrix [33]. Tribofilms are formed on the worn surface of the PCM between the fibers, as shown in Figure 8a. The formation of such tribofilms protects the fibers from destruction, thereby significantly reducing material wear (Figure 8b). It should be noted that tribofilms on the PCM friction surface are formed when mechanically activated aluminosilicates are introduced, which can also be evidenced by the occurrence of tribochemical reactions during friction by IR spectroscopy [14,33]. In addition, many works showed that the appearance of carboxyl groups on the friction surface of PCM and the metal counterbody coincided with a low wear rate due to the formation of a strong transfer film on the metal counterbody [24,34,35].
The wear rate and the coefficient of friction of PTFE/CF/Zt composites compared with PTFE/CF/Kl and PTFE/CF/Vl (referred to as Kl—kaolin, Vl—vermiculite) from [14] are shown in Figure 9. For comparison of tribological characteristics, polymer composites based on PTFE filled with 8–10 wt.% CF were selected.
As shown in Figure 9, PTFE/CF/Zt composite is characterized by high wear resistance and a low coefficient of friction in comparison with polymer composites of the compositions PTFE/CF/Kl and PTFE/CF/Vl. The wear rate of PCM with zeolite at a CF content of 8 wt.% is higher by 8–14%, at a CF content of 10 wt.% by 27–49% compared to composites with PTFE/CF/Kl and PTFE/CF/Vl. The coefficient of friction of PCM with zeolite is lower by 30–50% and 52–61% compared to composites containing Kl and Vl at a content of 8–10 wt.%, respectively. Perhaps one of the explanations for the higher wear resistance of PTFE/CF/Zt relative to PTFE/CF/Kl and PTFE/CF/Vl is the low coefficient of friction of composites with zeolite. Obviously, such a difference in tribological characteristics between the composites is associated with the type of used aluminosilicate.

4. Conclusions

In this work, the effect of CFs with zeolite on the mechanical, tribological properties, and structure of PTFE was investigated. The developed materials with a CF content of 1–5 wt.% retained their deformation and strength properties at the level of the initial polymer. The compressive stress of PCM increased by 7–53%, and the yield point by 30% relative to the initial polymer. It was found that with an increase in the content of fillers, the degree of crystallinity increased, and the density decreased in comparison with unfilled PTFE. Combining fillers (CF/Zt) into PTFE reduced the wear rate by 810 times relative to the initial polymer. Tribochemical reactions were shown by IR spectroscopy. SEM established the formation of secondary structures in the form of tribofilms on the friction surface, which, together with CFs, protect the surface layer of the material from destruction during friction. The wear resistance of the composite material PTFE/CF/Zt was effectively improved, and the coefficient of friction was low compared to PTFE/CF/Kl and PTFE/CF/Vl.

Author Contributions

Conceptualization, T.S.S. and A.P.V.; methodology, A.A.O.; software, A.G.A.; validation, T.S.S. and A.P.V.; formal analysis, T.S.S. and A.P.V.; investigation, A.P.V.; resources, S.N.D.; data curation, A.G.A.; writing—original draft preparation, A.P.V.; writing—review and editing, T.S.S. and A.P.V.; visualization, A.P.V.; supervision, T.S.S.; project administration, A.A.O.; funding acquisition, T.S.S. All authors have read and agreed to the published version of the manuscript.

Funding

This research was funded by the Ministry of Science and Higher Education of the Russian Federation (grant numbers [FSRG-2020-0017]).

Data Availability Statement

The data presented in this study are available on request from the corresponding author.

Conflicts of Interest

The authors declare no conflict of interest.

References

  1. Mazur, K.; Gądek-Moszczak, A.; Liber-Kneć, A.; Kuciel, S. Mechanical Behavior and Morphological Study of Polytetrafluoroethylene (PTFE) Composites under Static and Cyclic Loading Condition. Materials 2021, 14, 1712. [Google Scholar] [CrossRef] [PubMed]
  2. Zhang, Y.; Kou, K.; Zhang, S.; Wu, G. Effect of Fiber Diameter on Thermal Properties of Short-Glass-Fiber-Reinforced PTFE-Based Composites. J. Mater. Sci. Mater. Electron. 2020, 31, 10715–10723. [Google Scholar] [CrossRef]
  3. Tanaka, K.; Kawakami, S. Effect of Various Fillers on the Friction and Wear of Polytetrafluoroethylene-Based Composites. Wear 1982, 79, 221–234. [Google Scholar] [CrossRef]
  4. Khedkar, J.; Negulescu, I.; Meletis, E.I. Sliding Wear Behavior of PTFE Composites. Wear 2002, 252, 361–369. [Google Scholar] [CrossRef]
  5. Conte, M.; Igartua, A. Study of PTFE Composites Tribological Behavior. Wear 2012, 296, 568–574. [Google Scholar] [CrossRef]
  6. Friedrich, K. Polymer Composites for Tribological Applications. Adv. Ind. Eng. Polym. Res. 2018, 1, 3–39. [Google Scholar] [CrossRef]
  7. Chang, L.; Friedrich, K. Enhancement Effect of Nanoparticles on the Sliding Wear of Short Fiber-Reinforced Polymer Composites: A Critical Discussion of Wear Mechanisms. Tribol. Int. 2010, 43, 2355–2364. [Google Scholar] [CrossRef]
  8. Zhang, K.; Ji, X.; Mi, Y.; Gao, L.; Wang, T. Effects of Carbon Fibers with Different Particle Sizes on the Physical Properties of MoS 2 -Filled PTFE Composites. Philos. Mag. Lett. 2021, 101, 277–286. [Google Scholar] [CrossRef]
  9. Zhang, F.; Zhang, J.; Zhu, Y.; Wang, X.; Jin, Y. Microstructure and Properties of Polytetrafluoroethylene Composites Modified by Carbon Materials and Aramid Fibers. Coatings 2020, 10, 1103. [Google Scholar] [CrossRef]
  10. Li, X.; Ling, Y.; Zhang, G.; Yin, Y.; Dai, Y.; Zhang, C.; Luo, J. Preparation and Tribological Properties of Solid-Liquid Synergetic Self-Lubricating PTFE/SiO2/PAO6 Composites. Compos. Part B Eng. 2020, 196, 108133. [Google Scholar] [CrossRef]
  11. Zhang, G.; Chang, L.; Schlarb, A.K. The Roles of Nano-SiO2 Particles on the Tribological Behavior of Short Carbon Fiber Reinforced PEEK. Compos. Sci. Technol. 2009, 69, 1029–1035. [Google Scholar] [CrossRef]
  12. Zhang, G.; Schehl, M.; Burkhart, T. Effect of Low-Loading Nanoparticles on the Tribological Property of Short Carbon Fiber (SCF)/PTFE/Graphite Reinforced PEEK; University of Kaiserslautern: Kaiserslautern, Germany, 2016. [Google Scholar]
  13. Song, F.; Wang, Q.; Wang, T. Effects of Glass Fiber and Molybdenum Disulfide on Tribological Behaviors and PV Limit of Chopped Carbon Fiber Reinforced Polytetrafluoroethylene Composites. Tribol. Int. 2016, 104, 392–401. [Google Scholar] [CrossRef]
  14. Vasilev, A.P.; Struchkova, T.S.; Nikiforov, L.A.; Okhlopkova, A.A.; Grakovich, P.N.; Shim, E.L.; Cho, J.-H. Mechanical and Tribological Properties of Polytetrafluoroethylene Composites with Carbon Fiber and Layered Silicate Fillers. Molecules 2019, 24, 224. [Google Scholar] [CrossRef] [PubMed] [Green Version]
  15. Stocker, K.; Ellersdorfer, M.; Lehner, M.; Raith, J.G. Characterization and Utilization of Natural Zeolites in Technical Applications. Berg. Huettenmaenn. Mon. 2017, 162, 142–147. [Google Scholar] [CrossRef]
  16. Król, M. Natural vs. Synthetic Zeolites. Crystals 2020, 10, 622. [Google Scholar] [CrossRef]
  17. Haque, M.M.; Hasan, M. TiO2 and Zeolite Nanopowder Enhanced Mechanical Properties of Hybrid Polymer Composites. J. Thermoplast. Compos. Mater. 2021, 34, 382–395. [Google Scholar] [CrossRef]
  18. Petrova, P.N.; Gogoleva, O.V. Development of tribotechnical materials based on mixtures of fluoroplasts. Dream 2018, 2018, 184–190. [Google Scholar] [CrossRef]
  19. Gogoleva, O.V.; Okhlopkova, A.A.; Petrova, P.N. Development of Self-Lubricating Antifriction Materials Based on Polytetrafluoroethylene and Modified Zeolites. J. Frict. Wear 2014, 35, 383–388. [Google Scholar] [CrossRef]
  20. Shelestova, V.A.; Zhandarov, S.F.; Danchenko, S.G.; Grakovich, P.N. Surface Modification of Carbon Fiber by Fluoropolymer in a Low-Temperature Plasma. Inorg. Mater. Appl. Res. 2015, 6, 219–224. [Google Scholar] [CrossRef]
  21. Shesan, O.J.; Stephen, A.C.; Chioma, A.G.; Neerish, R.; Rotimi, S.E. Fiber-Matrix Relationship for Composites Preparation. In Renewable and Sustainable Composites; Pereira, A.B., Fernandes, F.A.O., Eds.; IntechOpen: London, UK, 2019; ISBN 978-1-78984-215-9. [Google Scholar]
  22. Grakovich, P.N.; Shelestova, V.A.; Shumskaja, V.J.; Shylko, I.S.; Gucev, D.M.; Bashlakova, A.L.; Celuev, M.J. Influence of the Type of Carbon Fiber Filler on the Physical–Mechanical and Tribological Properties of PTFE Composites. J. Frict. Wear 2019, 40, 11–16. [Google Scholar] [CrossRef]
  23. Yuan, Y.; Yu, D.; Yin, Y.; Tang, B.; Li, E.; Zhang, S. Effect of Sintering Temperature on the Crystallization Behavior and Properties of Silica Filled PTFE Composites. J. Mater. Sci. Mater. Electron. 2016, 27, 13288–13293. [Google Scholar] [CrossRef]
  24. Ye, J.; Burris, D.; Xie, T. A Review of Transfer Films and Their Role in Ultra-Low-Wear Sliding of Polymers. Lubricants 2016, 4, 4. [Google Scholar] [CrossRef] [Green Version]
  25. Blanchet, T.A.; Kennedy, F.E. Sliding Wear Mechanism of Polytetrafluoroethylene (PTFE) and PTFE Composites. Wear 1992, 153, 229–243. [Google Scholar] [CrossRef]
  26. Xiang, D.; Gu, C. A Study on the Friction and Wear Behavior of PTFE Filled with Ultra-Fine Kaolin Particulates. Mater. Lett. 2006, 60, 689–692. [Google Scholar] [CrossRef]
  27. Lazareva, N.N.; Kirillina, D.Y.; Sleptsova, S.A.; Okhlopkova, A.A.; Kapitonova, Y.V. Development of Polymer-Silicate Composites Based on Polytetrafluoroethylene and Natural Vermiculite with FORUM Addition; American Institute of Physics Conference Series: Ekaterinburg, Russia, 2020; p. 050015. [Google Scholar]
  28. Piwowarczyk, J.; Jędrzejewski, R.; Moszyński, D.; Kwiatkowski, K.; Niemczyk, A.; Baranowska, J. XPS and FTIR Studies of Polytetrafluoroethylene Thin Films Obtained by Physical Methods. Polymers 2019, 11, 1629. [Google Scholar] [CrossRef] [Green Version]
  29. Pitenis, A.A.; Harris, K.L.; Junk, C.P.; Blackman, G.S.; Sawyer, W.G.; Krick, B.A. Ultralow Wear PTFE and Alumina Composites: It Is All About Tribochemistry. Tribol. Lett. 2015, 57, 4. [Google Scholar] [CrossRef]
  30. Campbell, K.L.; Sidebottom, M.A.; Atkinson, C.C.; Babuska, T.F.; Kolanovic, C.A.; Boulden, B.J.; Junk, C.P.; Krick, B.A. Ultralow Wear PTFE-Based Polymer Composites—The Role of Water and Tribochemistry. Macromolecules 2019, 52, 5268–5277. [Google Scholar] [CrossRef]
  31. Shen, M.; Li, B.; Zhang, Z.; Zhao, L.; Xiong, G. Abrasive Wear Behavior of PTFE for Seal Applications under Abrasive-Atmosphere Sliding Condition. Friction 2020, 8, 755–767. [Google Scholar] [CrossRef] [Green Version]
  32. Tanaka, K.; Uchiyama, Y.; Toyooka, S. The Mechanism of Wear of Polytetrafluoroethylene. Wear 1973, 23, 153–172. [Google Scholar] [CrossRef]
  33. Okhlopkova, A.A.; Vasilev, A.P.; Struchkova, T.S.; Alekseev, A.G.; Grakovich, P.N. Study of the Influence of Carbon Fibers and Bentonite on the Tribological Properties of PTFE. J. Frict. Wear 2020, 41, 571–577. [Google Scholar] [CrossRef]
  34. Krick, B.A.; Pitenis, A.A.; Harris, K.L.; Junk, C.P.; Sawyer, W.G.; Brown, S.C.; Rosenfeld, H.D.; Kasprzak, D.J.; Johnson, R.S.; Chan, C.D.; et al. Ultralow Wear Fluoropolymer Composites: Nanoscale Functionality from Microscale Fillers. Tribol. Int. 2016, 95, 245–255. [Google Scholar] [CrossRef]
  35. Harris, K.L.; Pitenis, A.A.; Sawyer, W.G.; Krick, B.A.; Blackman, G.S.; Kasprzak, D.J.; Junk, C.P. PTFE Tribology and the Role of Mechanochemistry in the Development of Protective Surface Films. Macromolecules 2015, 48, 3739–3745. [Google Scholar] [CrossRef]
Figure 1. Mechanical characteristics of PTFE and PCM: (a) tensile strength; (b) elongation at break.
Figure 1. Mechanical characteristics of PTFE and PCM: (a) tensile strength; (b) elongation at break.
Lubricants 10 00004 g001
Figure 2. Mechanical characteristics of PTFE and PCM: (a) compressive stress at 10 % of relative deformation; (b) yield strength.
Figure 2. Mechanical characteristics of PTFE and PCM: (a) compressive stress at 10 % of relative deformation; (b) yield strength.
Lubricants 10 00004 g002
Figure 3. X-ray diffraction patterns of PTFE and PCM samples.
Figure 3. X-ray diffraction patterns of PTFE and PCM samples.
Lubricants 10 00004 g003
Figure 4. SEM image of the supramolecular structure of PCM (×150): (a) initial PTFE; (b) PTFE + 1 wt.% CF + 1 wt.% Zt; (c) PTFE +3 wt.% CF + 1 wt.% Zt; (d) PTFE + 5 wt.% CF + 1 wt.% Zt; (e) PTFE + 8 wt.% CF + 1 wt.%; (f) PTFE + 10 wt.% CF + 1 wt.% Zt.
Figure 4. SEM image of the supramolecular structure of PCM (×150): (a) initial PTFE; (b) PTFE + 1 wt.% CF + 1 wt.% Zt; (c) PTFE +3 wt.% CF + 1 wt.% Zt; (d) PTFE + 5 wt.% CF + 1 wt.% Zt; (e) PTFE + 8 wt.% CF + 1 wt.%; (f) PTFE + 10 wt.% CF + 1 wt.% Zt.
Lubricants 10 00004 g004
Figure 5. Results of wear rate (a) and coefficient of friction (b) of PCM.
Figure 5. Results of wear rate (a) and coefficient of friction (b) of PCM.
Lubricants 10 00004 g005
Figure 6. IR spectra before and after wear of the PTFE/CF/Zt.
Figure 6. IR spectra before and after wear of the PTFE/CF/Zt.
Lubricants 10 00004 g006
Figure 7. SEM image of worn surface of PCM (×150): (a) initial PTFE; (b) PTFE/1CF/Zt; (c) PTFE/3CF/Zt; (d) PTFE/5CF/Zt; (e) PTFE/8CF/Zt; (f) PTFE/10CF/Zt.
Figure 7. SEM image of worn surface of PCM (×150): (a) initial PTFE; (b) PTFE/1CF/Zt; (c) PTFE/3CF/Zt; (d) PTFE/5CF/Zt; (e) PTFE/8CF/Zt; (f) PTFE/10CF/Zt.
Lubricants 10 00004 g007
Figure 8. SEM image of worn surface of PCM: (a) at magnification ×500; (b) at magnification ×3000.
Figure 8. SEM image of worn surface of PCM: (a) at magnification ×500; (b) at magnification ×3000.
Lubricants 10 00004 g008
Figure 9. Compare of wear rate (a) and coefficient of friction (b) of PCM.
Figure 9. Compare of wear rate (a) and coefficient of friction (b) of PCM.
Lubricants 10 00004 g009
Table 1. Material compositions of PTFE composites (wt.%).
Table 1. Material compositions of PTFE composites (wt.%).
Abbreviated FormPTFECarbon FibersZeolite
Initial PTFE100--
PTFE/1CF/Zt9811
PTFE/3CF/Zt9631
PTFE/5CF/Zt9451
PTFE/8CF/Zt9181
PTFE/10CF/Zt89101
Table 2. The degree of crystallinity and density of PTFE and PCM.
Table 2. The degree of crystallinity and density of PTFE and PCM.
SampleDegree of Crystallinity (%)Density (g/cm3)
Initial PTFE552.16 ± 0.01
PTFE/1CF/Zt562.17 ± 0.01
PTFE/3CF/Zt632.16 ± 0.01
PTFE/5CF/Zt602.16 ± 0.01
PTFE/8CF/Zt622.11 ± 0.01
PTFE/10CF/Zt612.08 ± 0.01
Publisher’s Note: MDPI stays neutral with regard to jurisdictional claims in published maps and institutional affiliations.

Share and Cite

MDPI and ACS Style

Struchkova, T.S.; Vasilev, A.P.; Okhlopkova, A.A.; Danilova, S.N.; Alekseev, A.G. Mechanical and Tribological Properties of Polytetrafluoroethylene Composites Modified by Carbon Fibers and Zeolite. Lubricants 2022, 10, 4. https://doi.org/10.3390/lubricants10010004

AMA Style

Struchkova TS, Vasilev AP, Okhlopkova AA, Danilova SN, Alekseev AG. Mechanical and Tribological Properties of Polytetrafluoroethylene Composites Modified by Carbon Fibers and Zeolite. Lubricants. 2022; 10(1):4. https://doi.org/10.3390/lubricants10010004

Chicago/Turabian Style

Struchkova, Tatyana S., Andrey P. Vasilev, Aitalina A. Okhlopkova, Sakhayana N. Danilova, and Aleksey G. Alekseev. 2022. "Mechanical and Tribological Properties of Polytetrafluoroethylene Composites Modified by Carbon Fibers and Zeolite" Lubricants 10, no. 1: 4. https://doi.org/10.3390/lubricants10010004

APA Style

Struchkova, T. S., Vasilev, A. P., Okhlopkova, A. A., Danilova, S. N., & Alekseev, A. G. (2022). Mechanical and Tribological Properties of Polytetrafluoroethylene Composites Modified by Carbon Fibers and Zeolite. Lubricants, 10(1), 4. https://doi.org/10.3390/lubricants10010004

Note that from the first issue of 2016, this journal uses article numbers instead of page numbers. See further details here.

Article Metrics

Back to TopTop