HINOTORI and Its Perspectives in the Black-Hole Jet Study
Abstract
1. Introduction
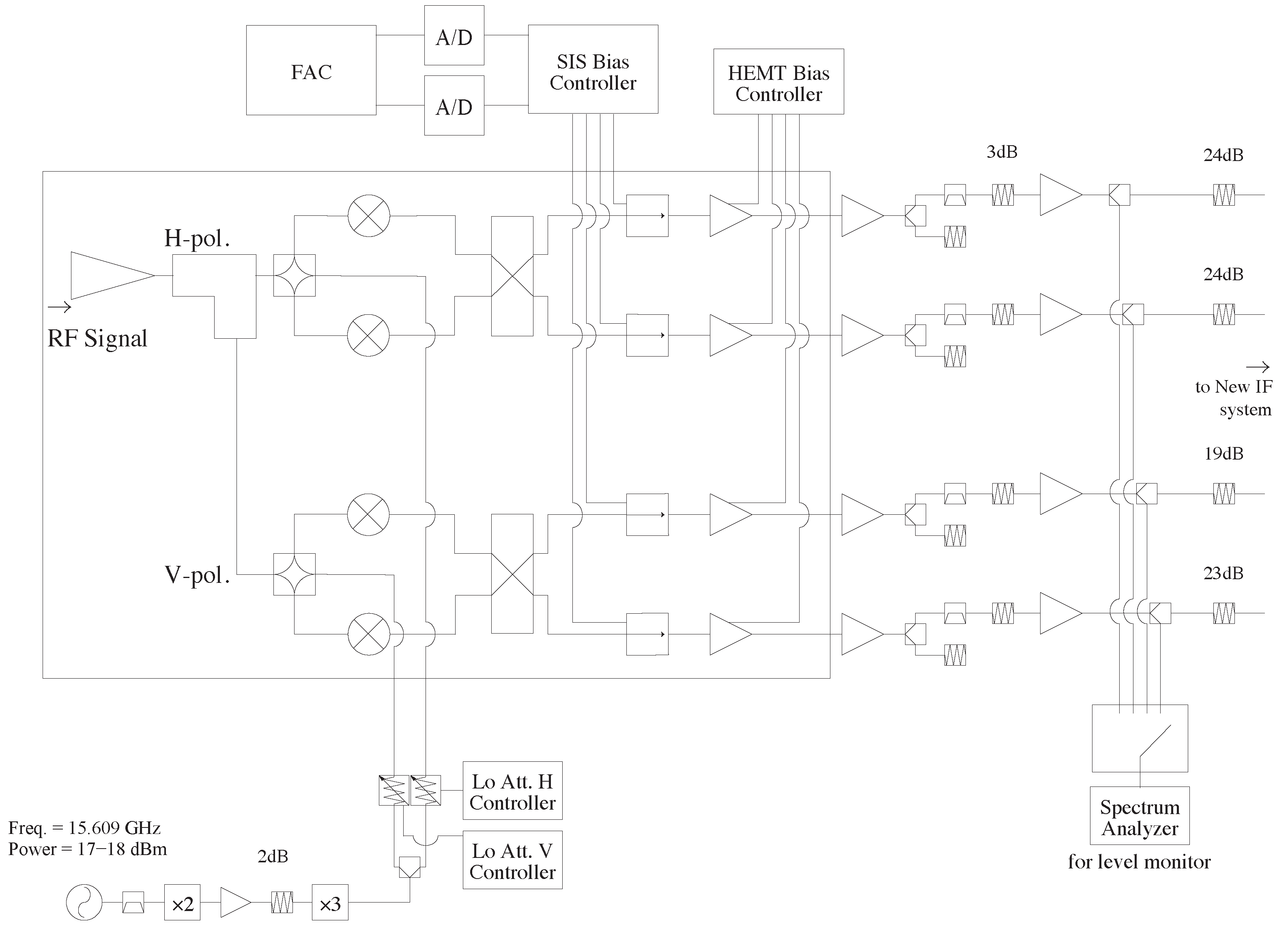
2. Simultaneous Triple-Band Observation System in the NRO45
3. Performance of 86-GHz SIS Receiver
3.1. Measurement of Optimal SIS-Bias and
3.2. Measurement of IRR
4. Performance of 86-GHz Observing System
4.1. Adjustment of the Optimal Receiver Position for the Removal of Beam Squint
4.2. Measurement of Beam Pattern, Main Beam, and Antenna Aperture Efficiencies
4.3. Phase Stability of 86 GHz Observing System for VLBI Observation
5. VLBI Back-End System for Triple-Band Simultaneous Observation
6. Future Prospects
Author Contributions
Funding
Data Availability Statement
Acknowledgments
Conflicts of Interest
| 1 | For example, the results correspond to the TZ2 information described in the measured performance list as of 2016; see https://www.nro.nao.ac.jp/%7Enro45mrt/html/prop/eff/eff2015.html (10 February 2023). |
| 2 | https://www.elecs.co.jp/en/product/removable_storage.html (10 February 2023). |
| 3 | NRO news: https://www.nro.nao.ac.jp/astronomer/NRO-sokuhou/sokuhou131~150/137.pdf (10 February 2023). |
References
- Yang, H.; Cho, S.-H.; Yun, Y.; Yoon, D.H.; Kim, D.J.; Kim, H.; Yoon, S.C.; Dodson, R.; Rioja, M.J.; Imai, H. Asymmetric distributions of H2O and SiO masers towards V627 Cas. Mon. Not. R. Astron. Soc. 2020, 495, 1284. [Google Scholar] [CrossRef]
- Sawada-Satoh, S.; Byun, D.-Y.; Lee, S.-S.; Oh, S.J.; Roh, D.G.; Kameno, S.; Yeom, J.H.; Jung, D.K.; Oh, C.; Kim, H.R.; et al. A Broad HCO+ Absorption Line Associated with the Circumnuclear Torus of NGC 1052. Astrophys. J. Lett. 2019, 872, L21. [Google Scholar] [CrossRef]
- Hada, K.; Doi, A.; Kino, M.; Nagai, H.; Hagiwara, Y.; Kawaguchi, N. An origin of the radio jet in M87 at the location of the central black hole. Nature 2011, 477, 185. [Google Scholar] [CrossRef]
- Lee, S.-S.; Petrov, L.; Byun, D.-Y.; Kim, J.; Jung, T.; Song, M.G.; Oh, C.S.; Roh, D.G.; Je, D.H.; Wi, S.O.; et al. Early Science with the Korean VLBI Network: Evaluation of System Performance. Astron. J. 2014, 147, 77. [Google Scholar] [CrossRef]
- Han, S.-T.; Lee, J.-W.; Kang, J.; Je, D.H.; Chung, M.H.; Wi, S.O.; Sasao, T.; Wylde, R. Millimeter-wave Receiver Optics for Korean VLBI Network. Int. J. Infrared Millim. Waves 2008, 29, 69–78. [Google Scholar] [CrossRef]
- Han, S.-T.; Lee, J.-W.; Kang, J.; Oh, C.S.; Byun, D.Y.; Je, D.H.; Chung, M.H.; Wi, S.O.; Song, M.; Kang, Y.W.; et al. Korean VLBI Network Receiver Optics for Simultaneous Multifrequency Observation: Evaluation. Publ. Astron. Soc. Pac. 2013, 125, 539–547. [Google Scholar] [CrossRef]
- Rioja, M.; Dodson, R. High-precision Astrometric Millimeter Very Long Baseline Interferometry Using a New Method for Atmospheric Calibration. Astron. J. 2011, 141, 114. [Google Scholar] [CrossRef]
- Algaba, J.-C.; Zhao, G.-Y.; Lee, S.-S.; Byun, D.Y.; Kang, S.C.; Kim, D.W.; Kim, J.Y.; Kim, J.S.; Kim, S.W.; Kino, M.; et al. Interferometric Monitoring of Gamma–ray Bright Active Galactic Nuclei II: Frequency Phase Transfer. J. Korean Astron. Soc. 2015, 48, 237. [Google Scholar] [CrossRef]
- Zhao, G.-Y.; Algaba, J.C.; Lee, S.S.; Jung, T.; Dodson, R.; Rioja, M.; Byun, D.Y.; Hodgson, J.; Kang, S.; Kim, D.W.; et al. The Power of Simultaneous Multi-frequency Observations for mm-VLBI: Beyond Frequency Phase Transfer. Astron. J. 2018, 155, 26. [Google Scholar] [CrossRef]
- Akabane, K. A large millimeter wave antenna. Int. J. Infrared Milli. Waves 1983, 4, 793. [Google Scholar] [CrossRef]
- Shibata, K.M.; Chung, H.-S.; Kameno, S.; Roh, D.G.; Umemoto, T.; Kim, K.D.; Asada, K.; Han, S.T.; Mochizuki, N.; Cho, S.H.; et al. First mm-VLBI Observations between the TRAO 14-m and the NRO 45-m Telescopes: Observations of 86 GHz SiO Masers in VY Canis Majoris. Publ. Astron. Soc. Jpn. 2004, 56, 475–480. [Google Scholar] [CrossRef]
- Kobayashi, H.; Sasao, T.; Kawaguchi, N.; Manabe, S.; Omodaka, T.; Kameya, O.; Shibata, K.M.; Miyaji, T.; Honma, M.; Tamura, Y.; et al. VERA: A New VLBI Instrument Free from the Atmosphere. In New Technologies in VLBI, Proceedings of a Symposium of the International VLBI Service for Geodesy and Astrometry, Gyeong-ju, Republic of Korea, 5–8 November 2002; Astronomical Society of the Pacific Conference Series; Astronomical Society of the Pacific: San Francisco, CA, USA, 2003; Volume 306, pp. 367–371. [Google Scholar]
- Niinuma, K.; Lee, S.-S.; Kino, M.; Sohn, B.W.; Akiyama, K.; Zhao, G.Y.; Sawada-Satoh, S.; Trippe, S.; Hada, K.; Jung, T.; et al. VLBI observations of bright AGN jets with the KVN and VERA Array (KaVA): Evaluation of imaging capability. Publ. Astron. Soc. Jpn. 2014, 66, 103. [Google Scholar] [CrossRef]
- Cui, Y.-Z.; Hada, K.; Kino, M.; Sohn, B.W.; Park, J.; Ro, H.W.; Sawada-Satoh, S.; Jiang, W.; Cui, L.; Honma, M.; et al. East Asian VLBI Network observations of active galactic nuclei jets: Imaging with KaVA+Tianma+Nanshan. Res. Astron. Astrophys. 2021, 21, 205. [Google Scholar] [CrossRef]
- Okada, N.; Matsumoto, T.; Kondo, H.; Takashima, T.; Masui, S.; Ueda, S.; Nishimura, A.; Manabe, T.; Onishi, T.; Ogawa, H.; et al. Development of the multi-band simultaneous observation system of the Nobeyama 45-m Telescope in HINOTORI (Hybrid Installation project in NObeyama, Triple-band ORIented). In Millimeter, Submillimeter, and Far-Infrared Detectors and Instrumentation for Astronomy X; SPIE: Bellingham, WA, USA, 2020; Volume 11453, p. 1145349. [Google Scholar]
- Okada, N.; Hashimoto, I.; Kimura, K.; Manabe, T.; Tokuda, K.; Onishi, T.; Ogawa, H.; Imai, H.; Minamidani, T. Development of a 22/43 GHz-band quasi-optical perforated plate and dual-band observation system of the Nobeyama 45 m telescope. Publ. Astron. Soc. Jpn. 2020, 72, 7. [Google Scholar] [CrossRef]
- Nakajima, T.; Kimura, K.; Nishimura, A.; Iwashita, H.; Miyazawa, C.; Sakai, T.; Iono, D.; Kohno, K.; Kawabe, R.; Kuno, N.; et al. A New 100-GHz Band Two-Beam Sideband-Separating SIS Receiver for Z-Machine on the NRO 45-m Radio Telescope. Publ. Astron. Soc. Pacific. 2013, 125, 252. [Google Scholar] [CrossRef]
- Wilson, T.L.; Rohlfs, K.; Hüttemeister, S. (Eds.) Tools of Radio Astronomy, 5th ed.; Fizmatlit: Moscow, Russia, 2012; pp. 97–99. [Google Scholar]
- Thompson, A.R.; Moran, J.M.; Swenson, G.W. (Eds.) Interferometry and Synthesis in Radio Astronomy, 3rd ed.; Springer: Cham, Switzerland, 2017; pp. 391–483. [Google Scholar]
- Oyama, T.; Kono, Y.; Suzuki, S.; Kanaguchi, M.; Nishikawa, T.; Kawaguchi, N.; Hirota, T.; Nagayama, T.; Kobayashi, H.; Imai, H.; et al. The first simultaneous mapping of four 7 mm SiO maser lines using the OCTAVE system. Publ. Astron. Soc. Jpn. 2016, 68, 105. [Google Scholar] [CrossRef]
- Event Horizon Telescope Collaboration; Akiyama, K.; Alberdi, A.; Alef, W.; Asada, K.; Azulay, R.; Baczko, A.K.; Ball, D.; Baloković, M.; Barrett, J.; et al. First M87 Event Horizon Telescope Results. I. The Shadow of the Supermassive Black Hole. Astrophys. J. Lett. 2019, 875, L1. [Google Scholar]
- Hada, K.; Park, J.H.; Kino, M.; Niinuma, K.; Sohn, B.W.; Ro, H.W.; Jung, T.; Algaba, J.C.; Zhao, G.Y.; Lee, S.S.; et al. Pilot KaVA monitoring on the M 87 jet: Confirming the inner jet structure and superluminal motions at sub-pc scales. Publ. Astron. Soc. Jpn. 2017, 69, 71. [Google Scholar] [CrossRef]
- Nakamura, M.; Asada, K.; Hada, K.; Pu, H.Y.; Noble, S.; Tseng, C.; Toma, K.; Kino, M.; Nagai, H.; Takahashi, K.; et al. Parabolic Jets from the Spinning Black Hole in M87. Astrophys. J. 2018, 868, 146. [Google Scholar] [CrossRef]
- Park, J.; Hada, K.; Kino, M.; Nakamura, M.; Hodgson, J.; Ro, H.; Cui, Y.; Asada, K.; Algaba, J.C.; Sawada-Satoh, S.; et al. Kinematics of the M87 Jet in the Collimation Zone: Gradual Acceleration and Velocity Stratification. Astrophys. J. 2019, 887, 147. [Google Scholar] [CrossRef]
- Wagner, R.M. Synoptic studies of 17 blazars detected in very high-energy γ-rays. Mon. Not. R. Astron. Soc. 2008, 385, 119. [Google Scholar] [CrossRef]











| Observation | #8 | #8 | #9 | #9 |
|---|---|---|---|---|
| Mode | Mirror | Filter | Mirror | Filter |
| 22 GHz | x | x | ||
| 43 GHz | x | |||
| 86 GHz | ||||
| 22/43 GHz | x | x | ||
| 22/86 GHz | x | x | ||
| 43/86 GHz | x | |||
| 22/43/86 GHz | x | x |
| Horizontal Polarizaton | Vertical Polarization | ||
|---|---|---|---|
| Through | (K) | ||
| Filter at #8 | (K) | ||
| Optimal Bias | |||
| SIS-Bias 1 | (mV) | 6.5 | 6.9 |
| SIS-Bias 2 | (mV) | 7.4 | 6.5 |
| Horizontal Polarization | Vertical Polarization | ||
|---|---|---|---|
| SIS-Bias 1 | SIS-Bias 2 | SIS-Bias 1 | SIS-Bias 2 |
| (mV) | (mV) | (mV) | (mV) |
| 6.1–6.7 | 7.1–7.7 | 6.5–7.1 | 6.3–6.9 |
| Through | with Filters at #8 & #9 | ||
|---|---|---|---|
| Date of measurement (UT) | 23 June 2020 | 9–21 November 2019 | |
| Target | S CrB | R Cnc, R Leo, R Cas | |
| (SiO maser) | (SiO maser) | ||
| (K) | ∼260 K at 43 GHz | ∼170 K at 43 GHz | |
| ∼500 K at 86 GHz | ∼250 K at 86 GHz | ||
| (") | |||
| (") |
| Through | Filter at #8 & #9 | ||
|---|---|---|---|
| Date of measurement (UT) | 24 June 2020 | 24 June 2020 | |
| Target | T Cep (SiO maser) | T Cep (SiO maser) | |
| (K) | ∼500 | ∼400 | |
| EL during measurement | (deg) | 43.7–48.4 | 38.6–43.6 |
| Beam size () | (") | ||
| Beam size () | (") |
| Through | Filter at #8 & #9 | ||
|---|---|---|---|
| Date of measurement (UT) | 8 December 2019 | 30 June 2020 | |
| Target | Mars (continuum) | Mars (continuum) | |
| (K) | not measured | not measured | |
| EL during measurement | (deg) | 35.8–39.1 | 41.1–51.2 |
| (%) | |||
| (%) |
Disclaimer/Publisher’s Note: The statements, opinions and data contained in all publications are solely those of the individual author(s) and contributor(s) and not of MDPI and/or the editor(s). MDPI and/or the editor(s) disclaim responsibility for any injury to people or property resulting from any ideas, methods, instructions or products referred to in the content. |
© 2023 by the authors. Licensee MDPI, Basel, Switzerland. This article is an open access article distributed under the terms and conditions of the Creative Commons Attribution (CC BY) license (https://creativecommons.org/licenses/by/4.0/).
Share and Cite
Tsutsumi, T.; Niinuma, K.; Imai, H.; Amari, R.; Shimizu, Y.; Ogawa, H.; Nishimura, A.; Miyazawa, C.; Oyama, T.; Kaneko, H.; et al. HINOTORI and Its Perspectives in the Black-Hole Jet Study. Galaxies 2023, 11, 30. https://doi.org/10.3390/galaxies11010030
Tsutsumi T, Niinuma K, Imai H, Amari R, Shimizu Y, Ogawa H, Nishimura A, Miyazawa C, Oyama T, Kaneko H, et al. HINOTORI and Its Perspectives in the Black-Hole Jet Study. Galaxies. 2023; 11(1):30. https://doi.org/10.3390/galaxies11010030
Chicago/Turabian StyleTsutsumi, Toshihisa, Kotaro Niinuma, Hiroshi Imai, Ryoko Amari, Yusuke Shimizu, Hideo Ogawa, Atsushi Nishimura, Chieko Miyazawa, Tomoaki Oyama, Hiroyuki Kaneko, and et al. 2023. "HINOTORI and Its Perspectives in the Black-Hole Jet Study" Galaxies 11, no. 1: 30. https://doi.org/10.3390/galaxies11010030
APA StyleTsutsumi, T., Niinuma, K., Imai, H., Amari, R., Shimizu, Y., Ogawa, H., Nishimura, A., Miyazawa, C., Oyama, T., Kaneko, H., Nakashima, K., Sawada-Satoh, S., & Aoki, T. (2023). HINOTORI and Its Perspectives in the Black-Hole Jet Study. Galaxies, 11(1), 30. https://doi.org/10.3390/galaxies11010030

