Synergistic Optimization Strategy for Cavitation Suppression of Piston Pumps Based on Low-Pressure Loss Flow Passages
Abstract
1. Introduction
2. Geometry Parameters and CFD Modeling of Flow Channels
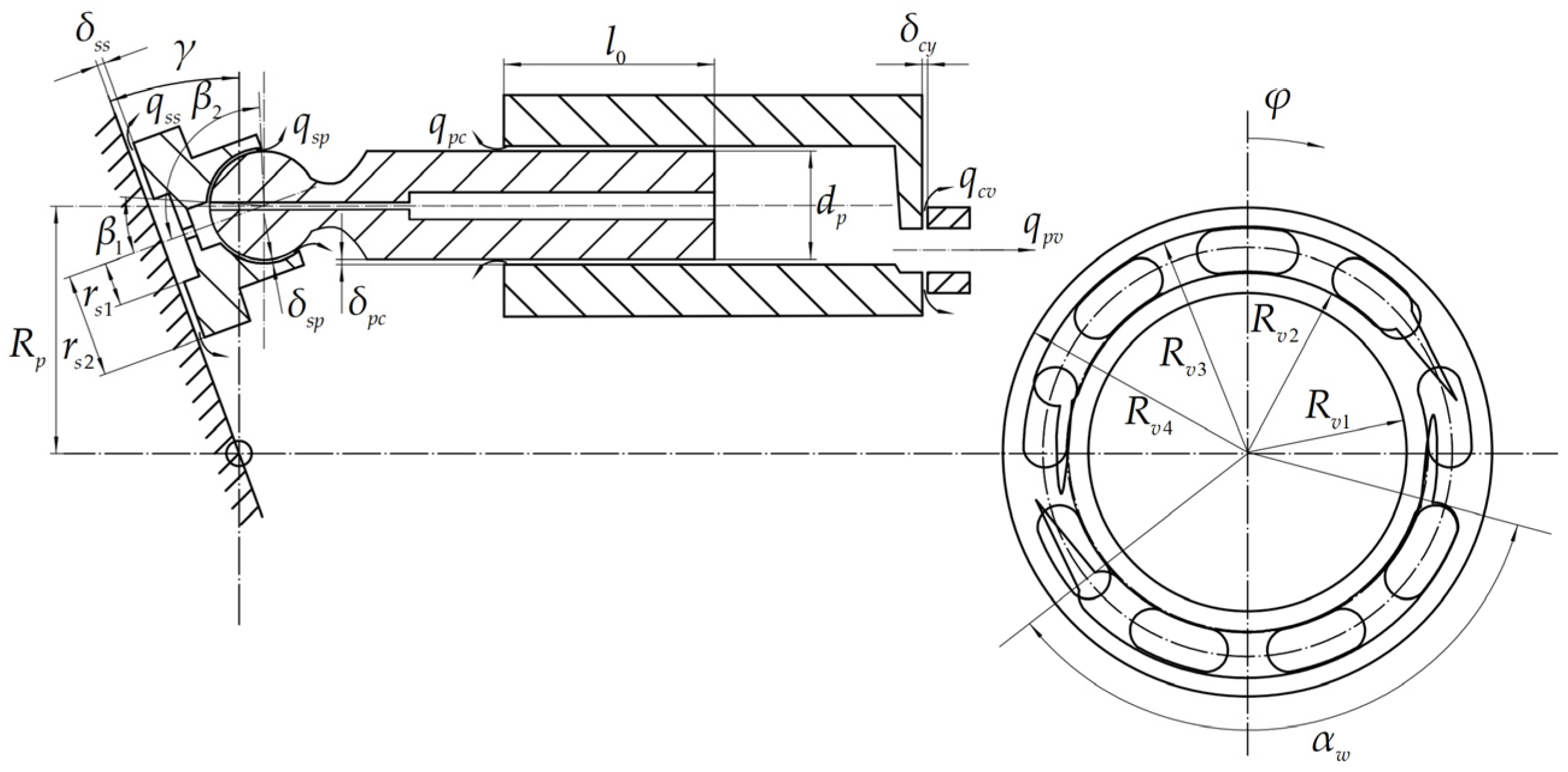
2.1. Geometry Parameters
2.2. CFD Modeling
2.2.1. Full Cavitation Model
2.2.2. CFD Model and Parameter Set
3. Experiment
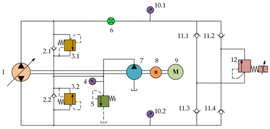
3.1. Test Rig
3.2. Experimental Results and Discussion
3.3. Simulation Model Validation
4. Optimization
4.1. Mathematical Model of the Flow Passage
4.1.1. Flow Passage Simplification
4.1.2. Mathematical Model of Flow Passage Pressure Loss
4.1.3. Mathematical Model Validation
4.2. Optimization Strategy
4.2.1. Optimization Process
4.2.2. Optimization Results and Discussion
5. Conclusions
- (1)
- A CFD simulation model based on the FCM is established, where the dynamic mesh technique enables effective coupling between piston chamber reciprocation and dynamic and static flow fields. A test rig is built for model verification; test results show the deviation between simulated and measured flow rates is ≤4%, confirming the model’s reliability. Meanwhile, complex flow passages are decomposed into typical units via segmented approximation, and a mathematical model of flow passage pressure loss is derived. By introducing a pressure loss correction term into the traditional flow rate model, under normal rotational speeds, specifically those ≤2000 rpm, the average flow rate prediction error is effectively reduced, improving the issue of neglected flow passage pressure loss in traditional models.
- (2)
- The variance-based sensitivity analysis (VB-SA) framework is applied to cavitation research of closed-circuit piston pumps, using the first-order sensitivity index Si and the total sensitivity index STi to quantify the effects of five key parameters on cavitation. Results indicate inlet pressure is the core independent parameter affecting cavitation with an Si value of 0.9673, followed by radial radius with an Si value of 0.0133. Interaction effects between parameters are dominated by antagonism, with the interaction between inlet pressure and other parameters being the most significant, with an SY value of −0.9239, providing support for quantitative analysis of parameter influences.
- (3)
- Based on sensitivity analysis results, a hierarchical cavitation optimization strategy is proposed. For single parameter adjustment, inlet pressure should be prioritized with a recommended range of 0.5 to 1.0 MPa. For multi-parameter joint optimization, attention should be focused on matching inlet pressure with radial radius and rotational speed, where the radial radius has a recommended value of no less than 5.5 mm, to mitigate inter-parameter antagonistic effects. This strategy significantly reduces the gas volume fraction inside the pump under extreme operating conditions, such as 2700 rpm and 0.1 MPa, offering a reference for improving the pump’s cavitation resistance and volumetric efficiency.
Author Contributions
Funding
Data Availability Statement
Conflicts of Interest
References
- Fu, Y.; Ma, J.; Fu, J.; Chao, Q.; Wang, Y. Review of cylinder block/valve plate interface in axial piston pumps: Theoretical models, experimental investigations, and optimal design. Chin. J. Aeronaut. 2021, 34, 111–134. [Google Scholar] [CrossRef]
- Fang, Y.; Zhang, J.; Xu, B.; Mao, Z.; Li, C.; Huang, C.; Guo, Z. Raising the speed limit of axial piston pumps by optimizing the suction duct. Chin. J. Mech. Eng. 2021, 34, 105. [Google Scholar] [CrossRef]
- Kunkis, M.; Weber, J. Experimental and numerical assessment of an axial piston pump’s speed limit. Fluid Power Syst. Technol. 2016, 50060, V001T01A048. [Google Scholar]
- Guo, D.; Wang, C.; Ruan, Y.; Yin, H.; Fan, X.; Wang, Z.; Zhang, L. Numerical analysis of hydrophobic surface effects on cavitation inception and evolution in high-speed centrifugal pumps for thermal energy storage and transfer systems. Phys. Fluids 2024, 36, 93315. [Google Scholar] [CrossRef]
- Zhao, B.; Guo, W.; Quan, L. Cavitation of a submerged jet at the spherical valve plate/cylinder block interface for axial piston pump. Chin. J. Mech. Eng. 2020, 33, 67. [Google Scholar] [CrossRef]
- Saltelli, A.; Annoni, P.; Azzini, I.; Campolongo, F.; Ratto, M.; Tarantola, S. Variance based sensitivity analysis of model output. Design and estimator for the total sensitivity index. Comput. Phys. Commun. 2010, 181, 259–270. [Google Scholar] [CrossRef]
- Tarantola, S.; Gatelli, D.; Mara, T.A. Random balance designs for the estimation of first order global sensitivity indices. Reliab. Eng. Syst. Saf. 2006, 91, 717–727. [Google Scholar] [CrossRef]
- Wang, S. The analysis of cavitation problems in the axial piston pump. J. Fluids Eng. 2010, 132, 74502. [Google Scholar] [CrossRef]
- Xu, B.; Song, Y.; Yang, H. Pre-compression volume on flow ripple reduction of a piston pump. Chin. J. Mech. Eng. 2013, 26, 1259–1266. [Google Scholar] [CrossRef]
- Plesset, M.S. The dynamics of cavitation bubbles. J. Appl. Mech. 1949, 16, 27–32. [Google Scholar] [CrossRef]
- Rayleigh, L. On the pressure developed in a liquid during the collapse of a spherical cavity. Philos. Mag. Ser. 6 1917, 34, 94–98. [Google Scholar] [CrossRef]
- Luo, X.W.; Ji, B.; Tsujimoto, Y. A review of cavitation in hydraulic machinery. J. Hydrodyn. 2016, 28, 335–358. [Google Scholar] [CrossRef]
- Singhal, A.K.; Athavale, M.M.; Li, H.; Jiang, Y. Mathematical basis and validation of the full cavitation model. J. Fluids Eng. 2002, 124, 617–624. [Google Scholar] [CrossRef]
- Xie, H.; Luo, X.Q.; Feng, J.J.; Zhu, G.J.; Li, C.H. Application of three cavitation models in centrifugal pump cavitation flow simulation. J. Phys. Conf. Ser. 2024, 2707, 12141. [Google Scholar] [CrossRef]
- Zhang, J.; Xi, W.; Tang, J.; Huang, Z. Exploring cavitation dynamics and noise reduction in hydraulic machinery with bionic leading-edge impeller. Phys. Fluids 2024, 36, 95133. [Google Scholar] [CrossRef]
- Fu, J.F.; Liu, X.W.; Yang, J.J.; Yin, D.W.; Zhou, Z.H. Optimization of cavitation characteristics of aviation fuel centrifugal pump inducer based on surrogate model. Struct. Multidiscip. Optim. 2023, 66, 241. [Google Scholar] [CrossRef]
- Gullapalli, S.; Michael, P.; Kensler, J.; Cheekolu, M.; Taylor, R.I.; Lizarraga, G.E. An investigation of hydraulic fluid composition and aeration in an axial piston pump. Fluid Power Syst. Technol. 2017, 8332, V001T01A028. [Google Scholar]
- Zhu, H.; Qiu, N.; Li, Y.; Li, M.; Zheng, Y.; Rao, H. Flow separation-induced cavitation dynamics and pressure pulsation in mixed-flow pumps. Phys. Fluids 2025, 37, 83368. [Google Scholar] [CrossRef]
- Bügener, N.; Klecker, J.; Weber, J. Analysis and improvement of the suction performance of axial piston pumps in swash plate design. Int. J. Fluid Power 2014, 15, 153–167. [Google Scholar] [CrossRef]
- Ye, S.; Zeng, C.; Tang, H.; Bao, Y.; Wang, J.; Zhao, S.; Ren, Y. Research on the cavitation characteristics of axial piston pump based on computational fluid dynamics models. Phys. Fluids 2025, 37, 75131. [Google Scholar] [CrossRef]
- Xu, B.; Ye, S.; Zhang, J.; Zhang, C. Flow ripple reduction of an axial piston pump by a combination of cross-angle and pressure relief grooves: Analysis and optimization. J. Mech. Sci. Technol. 2016, 30, 2531–2545. [Google Scholar] [CrossRef]
- Yin, F.L.; Nie, S.L.; Xiao, S.H.; Hou, W. Numerical and experimental study of cavitation performance in sea water hydraulic axial piston pump. Proc. Inst. Mech. Eng. Part I J. Syst. Control Eng. 2016, 230, 716–735. [Google Scholar] [CrossRef]
- Manring, N.D.; Mehta, V.S.; Nelson, B.E.; Graf, K.J.; Kuehn, J.L. Scaling the speed limitations for axial-piston swash-plate type hydrostatic machines. J. Dyn. Syst. Meas. Control 2014, 136, 31004. [Google Scholar] [CrossRef]
- Saltelli, A. Making best use of model evaluations to compute sensitivity indices. Comput. Phys. Commun. 2002, 145, 280–297. [Google Scholar] [CrossRef]
- Saltelli, A.; Ratto, M.; Andres, T.; Campolongo, F.; Cariboni, J.; Gatelli, D.; Tarantola, S. Global sensitivity analysis: The primer. J. Stat. Softw. 2008, 27, 1–13. [Google Scholar]
- Kucherenko, S.; Rodriguez-Fernandez, M.; Pantelides, C.; Shah, N. Monte Carlo evaluation of derivative-based global sensitivity measures. Reliab. Eng. Syst. Saf. 2009, 94, 1135–1148. [Google Scholar] [CrossRef]
- Oakley, J.E.; O’Hagan, A. Probabilistic sensitivity analysis of complex models: A Bayesian approach. J. R. Stat. Soc. Ser. B Stat. Methodol. 2004, 66, 751–769. [Google Scholar] [CrossRef]
- Storlie, C.B.; Helton, J.C. Multiple predictor smoothing methods for sensitivity analysis: Description of techniques. Reliab. Eng. Syst. Saf. 2008, 93, 28–54. [Google Scholar] [CrossRef]
- Leavy, A.S.; Nakas, G.A.; Papadopoulos, P.N. A method for variance-based sensitivity analysis of cascading failures. IEEE Trans. Power Deliv. 2022, 38, 463–474. [Google Scholar] [CrossRef]
- Li, H.; Wang, C.; Zhang, X.; Li, J.; Shen, J.; Zhou, S. A mini review on fluid topology optimization. Materials 2023, 16, 6073. [Google Scholar] [CrossRef]
- Borrvall, T.; Petersson, J. Topology optimization of fluids in Stokes flow. Int. J. Numer. Methods Fluids 2003, 41, 77–107. [Google Scholar] [CrossRef]
- Alexandersen, J.; Andreasen, C.S. A Review of topology optimization for fluid-based problems. Fluids 2020, 5, 29. [Google Scholar] [CrossRef]
- Han, H.; Han, Y.; Lin, Y.; Wang, C.; Korvink, J.G.; Deng, Y. Topology optimization of microchannel heat sinks for laminar flows of thermal–fluid. Appl. Therm. Eng. 2025, 270, 126153. [Google Scholar] [CrossRef]
- Dilgen, C.B.; Dilgen, S.B.; Fuhrman, D.R.; Sigmund, O.; Lazarov, B.S. Topology optimization of turbulent flows. Comput. Methods Appl. Mech. Eng. 2018, 331, 363–393. [Google Scholar] [CrossRef]
- Tyagi, A.; Walia, R.S.; Murtaza, Q.; Pandey, S.M.; Tyagi, P.K.; Bajaj, B. A critical review of diamond like carbon coating for wear resistance applications. Int. J. Refract. Met. Hard Mater. 2019, 78, 107–122. [Google Scholar] [CrossRef]
- Sola, R.; Veronesi, P.; Zardin, B.; Borghi, M. A study on PVD coatings for reduction of friction and wear of swashplate axial piston pumps and motors. Metall 2020, 3, 14–23. [Google Scholar]
- Mamazhonov, M.; Shakirov, B.; Matyakubov, B.; Makhmudov, A. Polymer materials used to reduce waterjet wear of pump parts. J. Phys. Conf. Ser. 2022, 2176, 12048. [Google Scholar] [CrossRef]
- Erdemir, A.; Martin, J.M. Superior wear resistance of diamond and DLC coatings. Curr. Opin. Solid State Mater. Sci. 2018, 22, 243–254. [Google Scholar] [CrossRef]
- Strmčnik, E.; Majdič, F.; Kalin, M. Water-lubricated behaviour of AISI 440C stainless steel and a DLC coating for an orbital hydraulic motor application. Tribol. Int. 2019, 131, 128–136. [Google Scholar] [CrossRef]
- Zhang, J.; Ying, L.; Bing, X.; Min, P.; Qun, C. Experimental study of an insert and its influence on churning losses in a high-speed electro-hydrostatic actuator pump of an aircraft. Chin. J. Aeronaut. 2019, 32, 2028–2036. [Google Scholar] [CrossRef]
- Li, Y.; Chen, X.; Luo, H.; Zhang, J. An empirical model for the churning losses prediction of fluid flow analysis in axial piston pumps. Micromachines 2021, 12, 398. [Google Scholar] [CrossRef]
- Milojević, S.; Savić, S.; Mitrović, S.; Marić, D.; Krstić, B.; Stojanović, B.; Popović, V. Solving the problem of friction and wear in auxiliary devices of internal combustion engines on the example of reciprocating air compressor for vehicles. Teh. Vjesn. 2023, 30, 122–130. [Google Scholar]
- Moody, L.F. Friction factors for pipe flow. Trans. Am. Soc. Mech. Eng. 1944, 66, 671–678. [Google Scholar] [CrossRef]
- Bergada, J.M.; Kumar, S.; Davies, D.L.; Watton, J. A complete analysis of axial piston pump leakage and output flow ripples. Appl. Math. Model. 2012, 36, 1731–1751. [Google Scholar] [CrossRef]
- Saltelli, A.; Tarantola, S. On the relative importance of input factors in mathematical models: Safety assessment for nuclear waste disposal. J. Am. Stat. Assoc. 2002, 97, 702–709. [Google Scholar] [CrossRef]
- Sobolprime, I.M. Sensitivity analysis for nonlinear mathematical models. Math. Model. Comput. Exp. 1993, 1, 407–414. [Google Scholar]
- Jansen, M.J. Analysis of variance designs for model output. Comput. Phys. Commun. 1999, 117, 35–43. [Google Scholar] [CrossRef]















| Variables | Parameter | Value |
|---|---|---|
| Number of pistons | m | 9 |
| Piston diameter (m) | dp | 0.02147 |
| Pitch circle radius of piston (m) | Rp | 0.0465 |
| Swash plate inclination angle (°) | γ | 20 |
| Piston shoe-to-swash plate clearance (m) | δss | 0.00003 |
| Dynamic viscosity of oil (Pa∙s) | μ | 0.028 |
| Oil density (kg/m3) | ρ | 850 |
| Inner radius of the slipper base circle (m) | rs1 | 0.0037 |
| Outer radius of the slipper base circle (m) | rs2 | 0.01515 |
| Piston ball end-to-piston shoe clearance (m) | δsp | 0.000009 |
| Effective working angle of piston ball end (°) | β1 | 110 |
| Effective working angle of piston shoe (°) | β2 | 20 |
| Piston-to-cylinder block clearance (m) | δpc | 0.00002 |
| Contact length between plunger and plunger bore at top dead center (m) | l0 | 0.04263 |
| Relative eccentricity between plunger and plunger bore (m) | ε | 0.00001 |
| Included angle of kidney-shaped grooves on valve plate (°) | αw | 131.37 |
| Cylinder block-to-valve plate clearance (m) | δcv | 0.00001 |
| Inner radius of the inner sealing land on valve plate (m) | Rv1 | 0.0285 |
| Outer radius of the inner sealing land on valve plate (m) | Rv2 | 0.0326 |
| Inner radius of the outer sealing land on valve plate (m) | Rv3 | 0.0409 |
| Outer radius of the outer sealing land on valve plate (m) | Rv4 | 0.0445 |
| Parameter | Value |
|---|---|
| CFD software: PumpLinx | Version v4.6.0 |
| Displacement (mL/r) | 110 |
| Number of pistons | 9 |
| Liquid density (kg/m3) | 850 |
| Liquid bulk modulus (GPa) | 1.4 |
| Dynamic viscosity (Pa·s) | 0.017 |
| Air separation pressure (MPa) | 0.101 |
| Temperature (°C) | 40 |
| Gas Mass Fraction | 9 × 10−5 |
| Gas Molecular Weight (kg/kmol) | 28.97 |
| Vapor Molecular Weight (kg/kmol) | 300 m |
| Model Set | Surface Mesh | Maximum Mesh | Mesh Count | Flow Rate Error |
|---|---|---|---|---|
| 1 | 0.02 mm | 0.04 mm | 146,326 | 5.61% |
| 2 | 0.015 mm | 0.03 mm | 170,263 | 3.69% |
| 3 | 0.01 mm | 0.02 mm | 196,985 | 2.03% |
| 4 | 0.005 mm | 0.01 mm | 238,178 | 1.54% |
| 5 | 0.0025 mm | 0.005 mm | 290,374 | 1.43% |
| Number | Description | Manufacturer | Detail |
|---|---|---|---|
| 1 | Test pump | LIYUAN (L4VG110EP): Suzhou, China | 110 mL/r |
| 2 | Check valve | Huade (M-SRKE02): Beijing, China | 0~0.5 bar |
| 3 | High-Pressure Relief Valve | Hengli (50R50): Changzhou, China | 0~60 MPa |
| 4 | Pressure sensor | IFM (PT5443): Esslingen, Germany | 0~5 MPa, accuracy ±0.5% |
| 5 | Low-Pressure Relief Valve | Huade (DBK20): Beijing, China | 0~5 MPa |
| 6 | Flowmeter | HYDAC (EVS3106): Neustadt, Germany | 0~600 L/min, accuracy ±0.5% |
| 7 | Charge pump | Rexroth (1PF2G3): Stuttgart, Germany | 40 mL/r |
| 8 | Rotational speed sensor | Soway (SP13): Shanghai, China | 0~4000 r/min, accuracy ±0.5% |
| 9 | Electrical motor | ABB (M2BAX25HP): Zurich, Switzerland | 0~5000 r/min |
| 10 | Pressure sensor | IFM (PT5560): Esslingen, Germany | 0~60 MPa, accuracy ±0.5% |
| 11 | Check valve | Huade (M-SRKE05): Beijing, China | 0.5~1 bar |
| 12 | Proportional relief valve | Hengli (DBE/M32): Changzhou, China | Manual adjustment |
| Parameter | Si | STi | SY = STi − Si |
|---|---|---|---|
| Rotational Speed (rpm) | 0.0042 | 0.0003 | −0.0039 |
| Inlet Pressure (MPa) | 0.9673 | 0.0434 | −0.9239 |
| Radial Radius (mm) | 0.0133 | 0.0126 | −0.0007 |
| Radial Angle (°) | 0.0001 | −0.0004 | −0.0003 |
| Inclination Angle (°) | 0.0011 | −0.0028 | −0.0039 |
Disclaimer/Publisher’s Note: The statements, opinions and data contained in all publications are solely those of the individual author(s) and contributor(s) and not of MDPI and/or the editor(s). MDPI and/or the editor(s) disclaim responsibility for any injury to people or property resulting from any ideas, methods, instructions or products referred to in the content. |
© 2025 by the authors. Licensee MDPI, Basel, Switzerland. This article is an open access article distributed under the terms and conditions of the Creative Commons Attribution (CC BY) license (https://creativecommons.org/licenses/by/4.0/).
Share and Cite
Wang, Y.; Chen, L.; Xiao, F.; Zhang, J.; Wang, X.; Li, Y.; Kong, X. Synergistic Optimization Strategy for Cavitation Suppression of Piston Pumps Based on Low-Pressure Loss Flow Passages. Machines 2025, 13, 901. https://doi.org/10.3390/machines13100901
Wang Y, Chen L, Xiao F, Zhang J, Wang X, Li Y, Kong X. Synergistic Optimization Strategy for Cavitation Suppression of Piston Pumps Based on Low-Pressure Loss Flow Passages. Machines. 2025; 13(10):901. https://doi.org/10.3390/machines13100901
Chicago/Turabian StyleWang, Yue, Lin Chen, Fei Xiao, Jin Zhang, Xu Wang, Ying Li, and Xiangdong Kong. 2025. "Synergistic Optimization Strategy for Cavitation Suppression of Piston Pumps Based on Low-Pressure Loss Flow Passages" Machines 13, no. 10: 901. https://doi.org/10.3390/machines13100901
APA StyleWang, Y., Chen, L., Xiao, F., Zhang, J., Wang, X., Li, Y., & Kong, X. (2025). Synergistic Optimization Strategy for Cavitation Suppression of Piston Pumps Based on Low-Pressure Loss Flow Passages. Machines, 13(10), 901. https://doi.org/10.3390/machines13100901

