Tolerance Specifications Management Integrated into the Product Development Cycle
Abstract
1. Introduction
1.1. State of the Art
1.1.1. Functional Geometric Specification
1.1.2. Manufacturing Geometric Specification
1.1.3. Verification Geometric Specification
1.1.4. Interrelation of Different Geometric Specifications
1.2. Aim of the Work
2. Responsibilities in Tolerancing Management
2.1. Design Department
2.2. Manufacturing Department
2.3. Quality Control Department
2.3.1. Functional Inspection
2.3.2. Manufacturing Inspection
3. Hierarchy in Tolerancing
The Supply Chain
4. Discussion
4.1. Tolerance Hierarchy
4.2. The Relevance of Functional Specification
4.3. The V-Model as a Key to Understanding
4.4. Examples
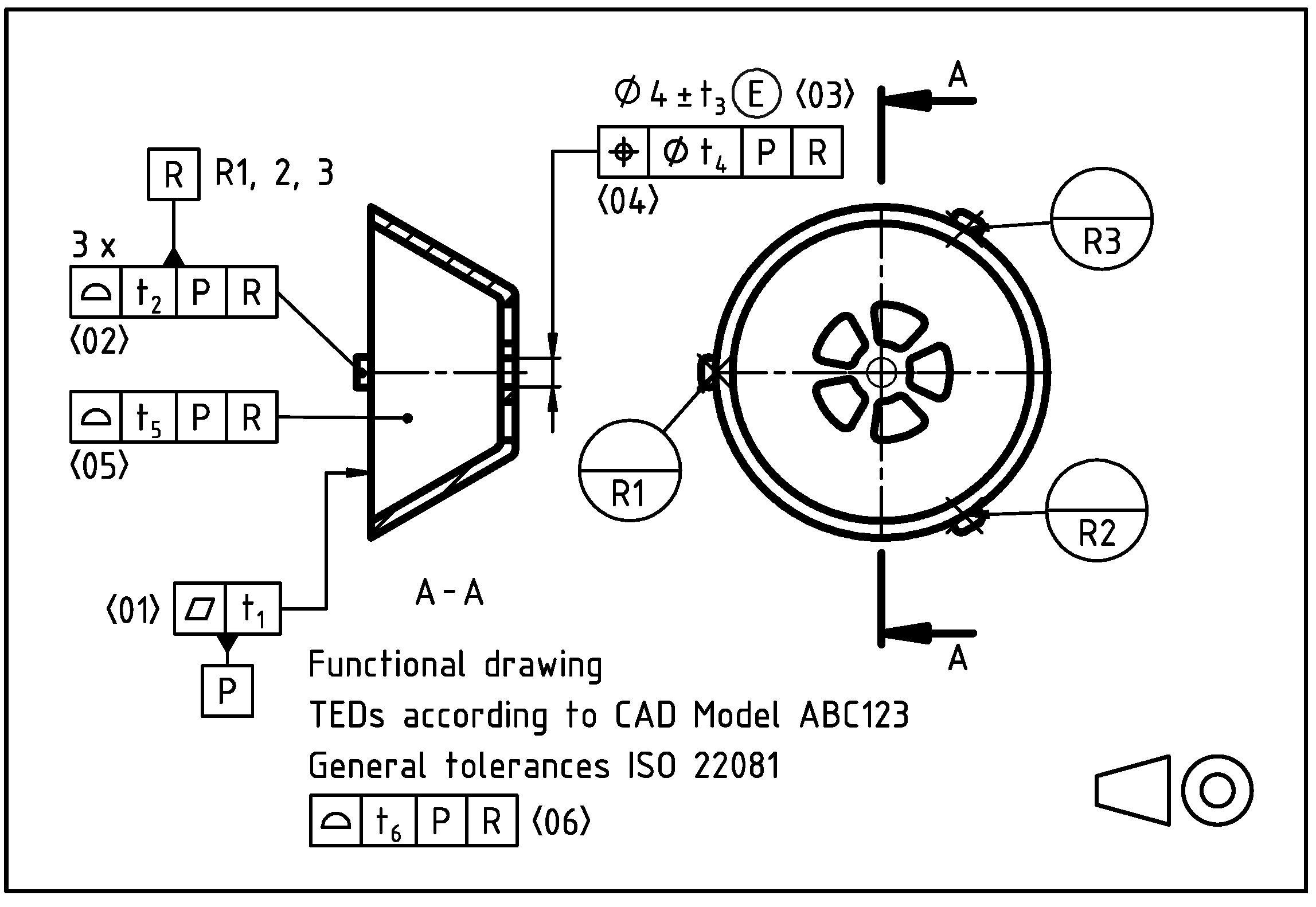
4.4.1. Vertical Hierarchy-Submersible Pump
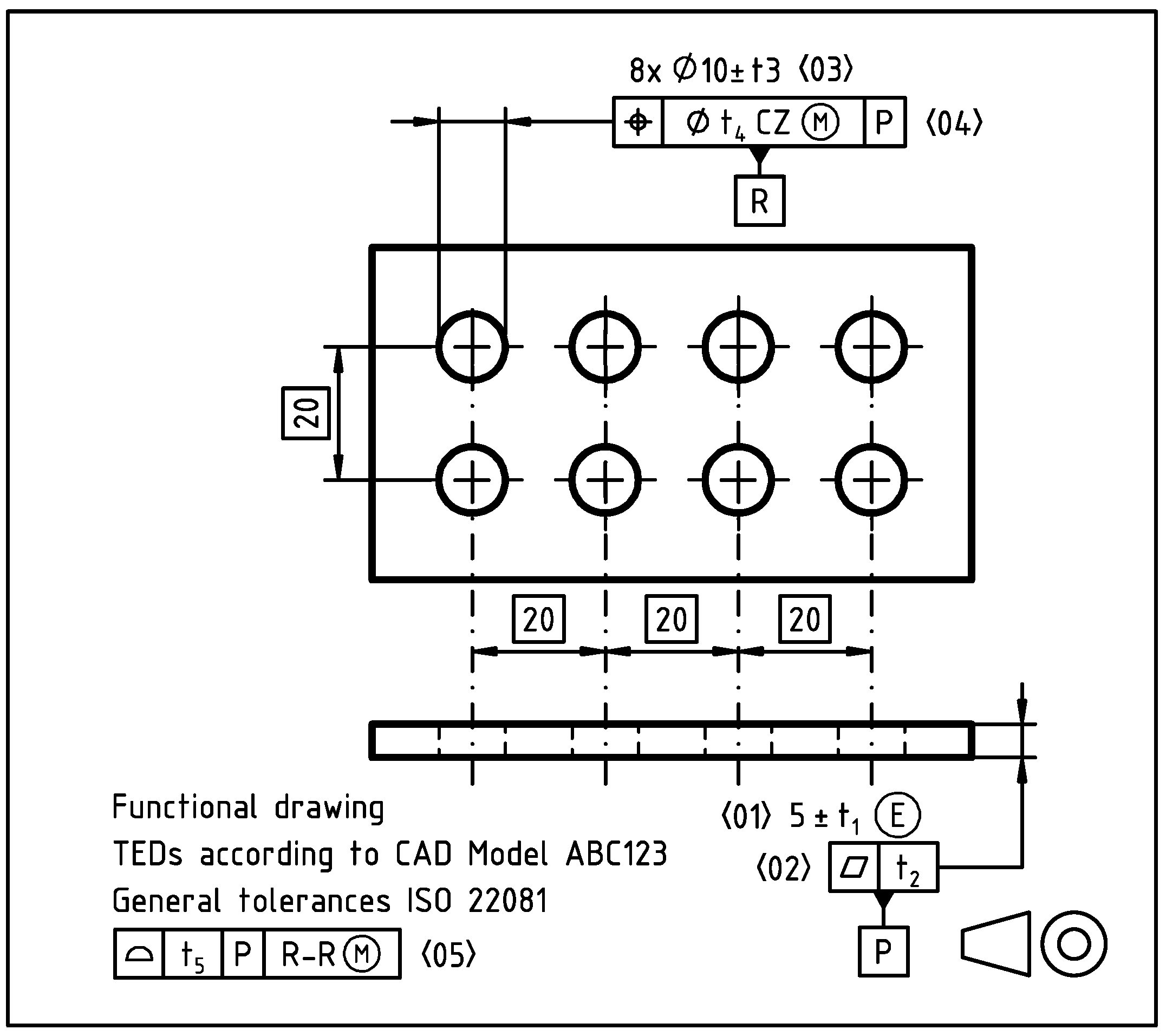
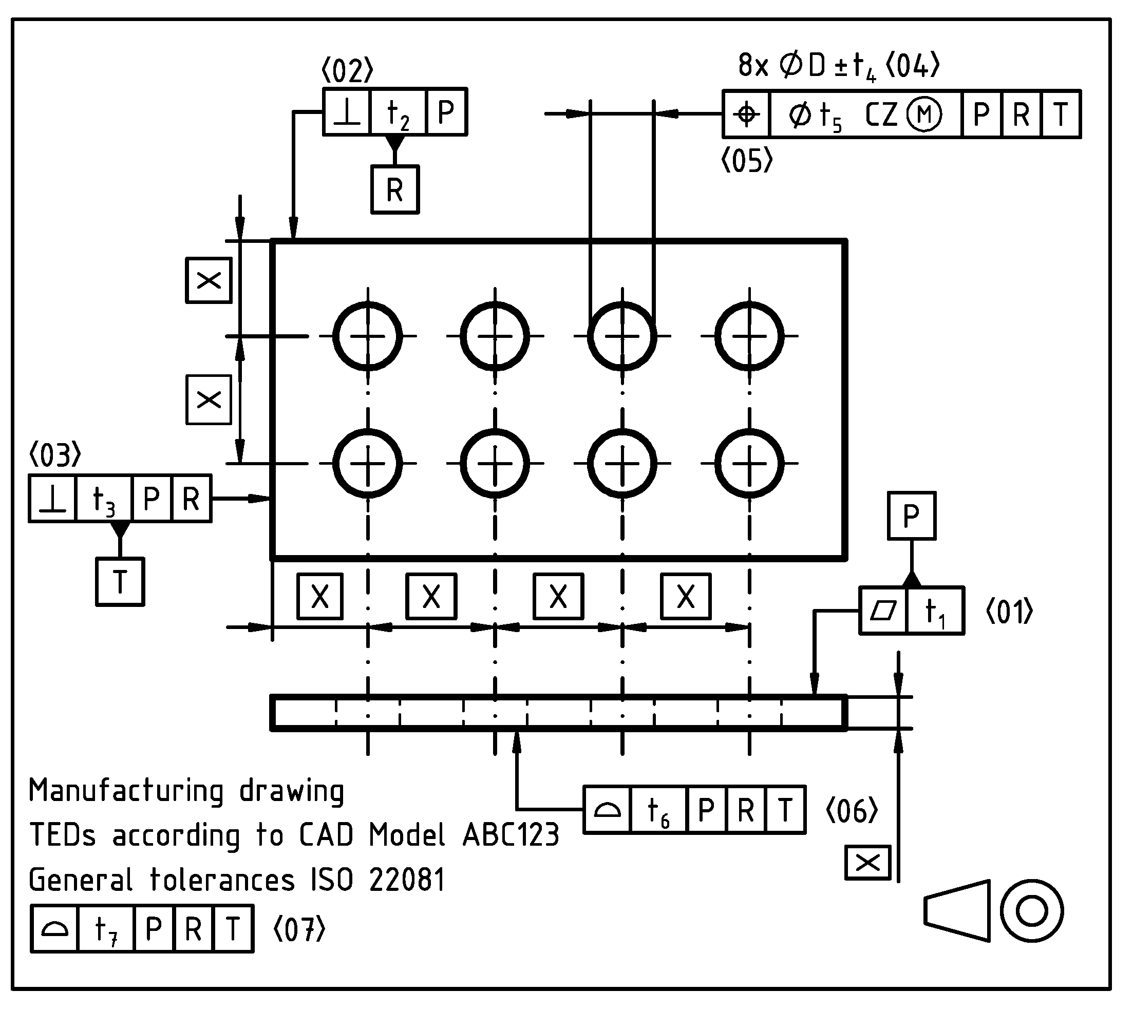
4.4.2. Horizontal Hierarchy-Spacer Plate
5. Conclusions
Author Contributions
Funding
Data Availability Statement
Conflicts of Interest
References
- ISO 14638:2015; Geometrical Product Specifications (GPS)—Matrix Model 2015. ISO International Organization for Standardization: Geneva, Switzerland, 2015.
- ISO/TR 14638:1995; Geometrical Product Specification (GPS)—Masterplan 1995. ISO International Organization for Standardization: Geneva, Switzerland, 1995.
- Morse, E.; Dantan, J.Y.; Anwer, N.; Söderberg, R.; Moroni, G.; Qureshi, A.; Jiang, X.; Mathieu, L. Tolerancing: Managing Uncertainty from Conceptual Design to Final Product. CIRP Ann. 2018, 67, 695–717. [Google Scholar] [CrossRef]
- ISO 9000:2015; Quality Management Systems—Fundamentals and Vocabulary 2015. ISO International Organization for Standardization: Geneva, Switzerland, 2015.
- ASME. ASME Y14.5—2018—Dimensioning and Tolerancing 2019; ASME: New York City, NY, USA, 2019; p. 344. [Google Scholar]
- ISO 17450-2:2012; Geometrical Product Specifications (GPS)—General Concepts—Basic Tenets, Specifications, Operators, Uncertainties and Ambiguities 2012. ISO International Organization for Standardization: Geneva, Switzerland, 2012.
- Pierre, L.; Anselmetti, B.; Anwer, N. On the Usage of Least Material Requirement for Functional Tolerancing. In Proceedings of the Procedia CIRP, Nantes, France, 23–25 May 2018; Volume 75, pp. 179–184. [Google Scholar]
- Pinquié, R.; Rivest, L.; Segonds, F.; Véron, P. An Illustrated Glossary of Ambiguous PLM Terms Used in Discrete Manufacturing. Int. J. Prod. Lifecycle Manag. 2015, 8, 142–171. [Google Scholar] [CrossRef]
- ISO 16792:2021; Technical Product Documentation—Digital Product Definition Data Practices 2021. ISO International Organization for Standardization: Geneva, Switzerland, 2021.
- ISO 10209:2012; Technical Product Documentation—Vocabulary—Terms Relating to Technical Drawings, Product Definition and Related Documentation 2012. ISO International Organization for Standardization: Geneva, Switzerland, 2012.
- ISO/TS 21619:2018; Geometrical Product Specifications (GPS)—Types of Documents with GPS 2018. ISO International Organization for Standardization: Geneva, Switzerland, 2018.
- ISO 17450-1:2011; Geometrical Product Specifications (GPS)—General Concepts—Model for Geometrical Specification and Verification 2011. ISO International Organization for Standardization: Geneva, Switzerland, 2011.
- Mejbri, H.; Anselmetti, B.; Mawussi, B. A Recursive Tolerancing Method with Sub-Assembly Generation. In Proceedings of the Proceedings of the IEEE International Symposium on Assembly and Task Planning, Besancon, France, 10–11 July 2003; IEEE: Piscataway, NJ, USA, 2003; pp. 235–240. [Google Scholar]
- Anselmetti, B.; Pierre, L. Complementary Writing of Maximum and Least Material Requirements, with an Extension to Complex Surfaces. In Proceedings of the Procedia CIRP, Stuttgart, Germany, 25–27 May 2016; Volume 43, pp. 220–225. [Google Scholar]
- Anselmetti, B.; Mawussi, K. Computer Aided Tolerancing Using Positioning Features. J. Comput. Inf. Sci. Eng. 2003, 3, 15–21. [Google Scholar] [CrossRef]
- Mejbri, H.; Anselmetti, B.; Mawussi, K. Functional Tolerancing of Complex Mechanisms: Identification and Specification of Key Parts. Comput. Ind. Eng. 2005, 49, 241–265. [Google Scholar] [CrossRef]
- Ballu, A.; Falgarone, H.; Chevassus, N.; Mathieu, L. A New Design Method Based on Functions and Tolerance Specifications for Product Modelling. CIRP Ann. 2006, 55, 139–142. [Google Scholar] [CrossRef]
- Anselmetti, B. Generation of Functional Tolerancing Based on Positioning Features. Comput. Des. 2006, 38, 902–919. [Google Scholar] [CrossRef]
- Hu, J.; Peng, Y. Development of a Function Oriented Computer Aided Tolerancing (FOCAT) System. Proc. Inst. Mech. Eng. Part B J. Eng. Manuf. 2011, 225, 1189–1203. [Google Scholar] [CrossRef]
- Suh, N.P. The Principles of Design; Oxford University Press: Oxford, UK, 1990. [Google Scholar]
- Cao, Y.; Zhang, H.; Li, B.; Wu, Z.; Yang, J. Study on Functional Specification Scheme on Interface Based on Positioning Features. Proc. Inst. Mech. Eng. Part B J. Eng. Manuf. 2013, 227, 745–753. [Google Scholar] [CrossRef]
- Göhler, S.M.; Husung, S.; Howard, T.J. The Translation between Functional Requirements and Design Parameters for Robust Design. Procedia CIRP 2016, 43, 106–111. [Google Scholar] [CrossRef][Green Version]
- Rouetbi, O.; Pierre, L.; Anselmetti, B.; Denoix, H. ISO Tolerancing of Hyperstatic Mechanical Systems with Deformation Control; Springer: Berlin, Germeny, 2017; pp. 991–1000. [Google Scholar]
- Calì, M.; Oliveri, S.M.; Ambu, R.; Fichera, G. An Integrated Approach to Characterize the Dynamic Behaviour of a Mechanical Chain Tensioner by Functional Tolerancing. Strojniški Vestn.—J. Mech. Eng. 2018, 64, 245. [Google Scholar] [CrossRef]
- Berglund, J.; Söderberg, R.; Wärmefjord, K.; Leach, R.; Morse, E. Functional Tolerancing of Surface Texture—A Review of Existing Methods. Procedia CIRP 2020, 92, 230–235. [Google Scholar] [CrossRef]
- Bourdet, P.; Mathieu, L.; Lartigue, C.; Ballu, A. The Concept of the Small Displacement Torsor in Metrology. In Proceedings of the Series on Advances in Mathematics for Applied Sciences: Volume 40, Advanced Mathematical Tools in Metrology II; World Scientific: Singapore, 1996; pp. 110–122. [Google Scholar]
- Vignat, F.; Villeneuve, F. Simulation of the Manufacturing Process, Generation of a Model of the Manufactured Parts. In Digital Enterprise Technology; Springer: Boston, MA, USA, 2007. [Google Scholar]
- Villeneuve, F.; Vignat, F. Simulation of the Manufacturing Process in a Tolerancing Point of View: Generic Resolution of the Positioning Problem. In Models for Computer Aided Tolerancing in Design and Manufacturing; Springer: Dordrecht, The Netherlands, 2007. [Google Scholar]
- Peng, H.; Peng, Z. Using Small Displacement Torsor to Simulate the Machining Processes for 3D Tolerance Transfer. IOP Conf. Ser. Mater. Sci. Eng. 2020, 831, 012017. [Google Scholar] [CrossRef]
- Laifa, M.; Sai, W.B.; Hbaieb, M. Evaluation of Machining Process by Integrating 3D Manufacturing Dispersions, Functional Constraints, and the Concept of Small Displacement Torsors. Int. J. Adv. Manuf. Technol. 2014, 71, 1327–1336. [Google Scholar] [CrossRef]
- Anselmetti, B.; Louati, H. Generation of Manufacturing Tolerancing with ISO Standards. Int. J. Mach. Tools Manuf. 2005, 45, 1124–1131. [Google Scholar] [CrossRef]
- Mickaël, C.; Bernard, A. 3D ISO Manufacturing Specifications with Vectorial Representation of Tolerance Zones. Int. J. Adv. Manuf. Technol. 2012, 60, 577–588. [Google Scholar] [CrossRef]
- Ayadi, B.; Anselmetti, B.; Bouaziz, Z.; Zghal, A. Three-Dimensional Modelling of Manufacturing Tolerancing Using the Ascendant Approach. Int. J. Adv. Manuf. Technol. 2008, 39, 279–290. [Google Scholar] [CrossRef]
- Anselmetti, B. ISO Manufacturing Tolerancing: Three-Dimensional Transfer with Analysis Line Method. Int. J. Adv. Manuf. Technol. 2012, 61, 1085–1099. [Google Scholar] [CrossRef]
- Royer, M.; Anselmetti, B. 3D Manufacturing Tolerancing with Probing of a Local Work Coordinate System. Int. J. Adv. Manuf. Technol. 2016, 84, 2151–2165. [Google Scholar] [CrossRef][Green Version]
- Royer, M.; Anselmetti, B. 3D Manufacturing Tolerancing with Analysis Line Method Taking into Account Joining Operations During Manufacturing Process. Procedia CIRP 2016, 43, 88–93. [Google Scholar] [CrossRef]
- Frère, L.-M.; Royer, M.; Fourcade, J. Tolerance Analysis Using a Computer Aided Tolerancing Software: ANATOLE 3D. Procedia CIRP 2018, 75, 267–272. [Google Scholar] [CrossRef]
- Xiao, J.; Anwer, N.; Durupt, A.; Le Duigou, J.; Eynard, B. Information Exchange Standards for Design, Tolerancing and Additive Manufacturing: A Research Review. Int. J. Interact. Des. Manuf. 2018, 12, 495–504. [Google Scholar] [CrossRef]
- Hofmann, R.; Gröger, S.; Anwer, N. Skin Model Shapes for Multi-Stage Manufacturing in Single-Part Production. Procedia CIRP 2020, 92, 200–205. [Google Scholar] [CrossRef]
- Hofmann, R.; Gröger, S.; Anwer, N. Evaluation of Relations and Accumulations of Geometrical Deviations in Multi-Stage Manufacturing Based on Skin Model Shapes. Procedia CIRP 2022, 114, 147–152. [Google Scholar] [CrossRef]
- Schleich, B.; Wärmefjord, K.; Söderberg, R.; Wartzack, S. Geometrical Variations Management 4.0: Towards next Generation Geometry Assurance. Procedia CIRP 2018, 75, 3–10. [Google Scholar] [CrossRef]
- Wärmefjord, K.; Söderberg, R.; Schleich, B.; Wang, H. Digital Twin for Variation Management: A General Framework and Identification of Industrial Challenges Related to the Implementation. Appl. Sci. 2020, 10, 3342. [Google Scholar] [CrossRef]
- Aschenbrenner, A.; Schleich, B.; Wartzack, S. An Overview and Classification of Tolerance Compensation Methods. Proc. Des. Soc. Int. Conf. Eng. Des. 2019, 1, 3471–3480. [Google Scholar] [CrossRef][Green Version]
- Wang, K.; Yin, Y.; Du, S.; Xi, L. Variation Management of Key Control Characteristics in Multistage Machining Processes Considering Quality-Cost Equilibrium. J. Manuf. Syst. 2021, 59, 441–452. [Google Scholar] [CrossRef]
- Qie, Y.; Schleich, B.; Anwer, N. Generative Adversarial Networks and Hessian Locally Linear Embedding for Geometric Variations Management in Manufacturing. J. Intell. Manuf. 2023, 1–30. [Google Scholar] [CrossRef]
- Maltauro, M.; Passarotto, G.; Concheri, G.; Meneghello, R. Bridging the Gap between Design and Manufacturing Specifications for Non-Rigid Parts Using the Influence Coefficient Method. Int. J. Adv. Manuf. Technol. 2023, 127, 579–597. [Google Scholar] [CrossRef]
- Maltauro, M.; Meneghello, R.; Concheri, G.; Pellegrini, D.; Viero, M.; Bisognin, G. A Case Study on the Correlation Between Functional and Manufacturing Specifications for a Large Injection Moulded Part. In Proceedings of the Advances on Mechanics, Design Engineering and Manufacturing IV—Proceedings of the International Joint Conference on Mechanics, Design Engineering & Advanced Manufacturing, JCM 2022, Ischia, Italy, 1–3 June 2022; Gerbino, S., Lanzotti, A., Martorelli, M., Mirálbes Buil, R., Rizzi, C., Roucoules, L., Eds.; Springer International Publishing: Cham, Switzerland, 2023; pp. 1268–1278. [Google Scholar] [CrossRef]
- Woo, S. The Reliability Design of Mechanical System and Its Parametric Accelerated Life Testing. In Handbook of Materials Failure Analysis with Case Studies from the Chemicals, Concrete and Power Industries; Elsevier: Amsterdam, The Netherlands, 2016. [Google Scholar]
- NASA. NASA Systems Engineering Handbook; NASA SP-20; NASA: Washington, DC, USA, 2016. [Google Scholar]
- Morse, E. Design for Metrology—A New Idea? Procedia CIRP 2019, 84, 165–168. [Google Scholar] [CrossRef]
- Maltauro, M.; Morse, E. Towards a Definition of “Geometric Verification Specifications” within the ISO GPS System. Procedia CIRP 2023, 119, 339–344. [Google Scholar] [CrossRef]
- Qie, Y.; Anwer, N. Toward Non-Default Partitioning for Compound Feature Identification in Engineering Design. Procedia CIRP 2021, 100, 852–857. [Google Scholar] [CrossRef]
- Coulson, T. The Origin of Interchangeable Parts. J. Franklin Inst. 1944, 238, 335–344. [Google Scholar] [CrossRef]
- Ishrat, N.Z. Product Management: The Art and Science of Managing Network and Communications Industry Products; Xlibris Corporation: Bloomington, IN, USA, 2013. [Google Scholar]
- ISO/TS 8062-2:2013; Geometrical Product Specifications (GPS)—Dimensional and Geometrical Tolerances for Moulded Parts—Rules 2013. ISO International Organization for Standardization: Geneva, Switzerland, 2013.
- ISO 14253-1:2017; Geometrical Product Specifications (GPS). Inspection by Measurement of Workpieces and Measuring Equipment. Decision Rules for Verifying Conformity or Nonconformity with Specifications 2017. ISO International Organization for Standardization: Geneva, Switzerland, 2017.
- Popa, M.S.; Kortekamp, M.; Aclan, M. Correlation of Geometrical Specifications for Flexible Quality Control in the Manufacturing of Plastic Products. Teh. Vjesn.—Tech. Gaz. 2021, 28, 1456–1461. [Google Scholar] [CrossRef]
- Lanza, G.; Haefner, B.; Kraemer, A. Optimization of Selective Assembly and Adaptive Manufacturing by Means of Cyber-Physical System Based Matching. CIRP Ann. 2015, 64, 399–402. [Google Scholar] [CrossRef]
- ISO 1101:2017; Geometrical Product Specifications (GPS). Geometrical Tolerancing. Tolerances of Form, Orientation, Location and Run-Out 2017. ISO International Organization for Standardization: Geneva, Switzerland, 2017.
- Savio, E.; De Chiffre, L.; Carmignato, S.; Meinertz, J. Economic Benefits of Metrology in Manufacturing. CIRP Ann. 2016, 65, 495–498. [Google Scholar] [CrossRef]
- ISO/IEC/IEEE 24765:2017; Systems and Software Engineering—Vocabulary 2017. ISO International Organization for Standardization: Geneva, Switzerland, 2017.
- ISO/IEC 2382:2015; Information Technology—Vocabulary 2015. ISO International Organization for Standardization: Geneva, Switzerland, 2015.
- Groll, M.W.; Heber, D. E/E-Product Data Management in Consideration of Model-Based Systems Engineering. Adv. Transdiscipl. Eng. 2016, 4, 289–298. [Google Scholar]
- ISO 5459:2011; Geometrical Product Specifications (GPS)—Geometrical Tolerancing—Datums and Datum Systems 2011. ISO International Organization for Standardization: Geneva, Switzerland, 2011.
- ISO 5458:2018; Geometrical Product Specifications (GPS)—Geometrical Tolerancing—Pattern and Combined Geometrical Specification 2018. ISO International Organization for Standardization: Geneva, Switzerland, 2018.
- Maltauro, M.; Meneghello, R.; Concheri, G. Conformity Rate Estimation for Shaft-Hole Pattern Fit Not Compliant with the Boundary Condition Design Criterion. In Proceedings of the Advances on Mechanics, Design Engineering and Manufacturing IV—Proceedings of the International Joint Conference on Mechanics, Design Engineering & Advanced Manufacturing, JCM 2022, Ischia, Italy, 1–3 June 2022; Gerbino, S., Lanzotti, A., Martorelli, M., Mirálbes Buil, R., Rizzi, C., Roucoules, L., Eds.; Springer International Publishing: Cham, Switzerland, 2023; pp. 1256–1267. [Google Scholar] [CrossRef]
- ISO 22081:2021; Geometrical Product Specifications (GPS)—Geometrical Tolerancing—General Geometrical Specifications and General Size Specifications 2021. ISO International Organization for Standardization: Geneva, Switzerland, 2021.
- ISO 8015:2011; Geometrical Product Specifications (GPS)—Fundamentals—Concepts, Principles and Rules 2011. ISO International Organization for Standardization: Geneva, Switzerland, 2011.














Disclaimer/Publisher’s Note: The statements, opinions and data contained in all publications are solely those of the individual author(s) and contributor(s) and not of MDPI and/or the editor(s). MDPI and/or the editor(s) disclaim responsibility for any injury to people or property resulting from any ideas, methods, instructions or products referred to in the content. |
© 2024 by the authors. Licensee MDPI, Basel, Switzerland. This article is an open access article distributed under the terms and conditions of the Creative Commons Attribution (CC BY) license (https://creativecommons.org/licenses/by/4.0/).
Share and Cite
Maltauro, M.; Meneghello, R.; Concheri, G. Tolerance Specifications Management Integrated into the Product Development Cycle. Machines 2024, 12, 147. https://doi.org/10.3390/machines12020147
Maltauro M, Meneghello R, Concheri G. Tolerance Specifications Management Integrated into the Product Development Cycle. Machines. 2024; 12(2):147. https://doi.org/10.3390/machines12020147
Chicago/Turabian StyleMaltauro, Mattia, Roberto Meneghello, and Gianmaria Concheri. 2024. "Tolerance Specifications Management Integrated into the Product Development Cycle" Machines 12, no. 2: 147. https://doi.org/10.3390/machines12020147
APA StyleMaltauro, M., Meneghello, R., & Concheri, G. (2024). Tolerance Specifications Management Integrated into the Product Development Cycle. Machines, 12(2), 147. https://doi.org/10.3390/machines12020147

