Abstract
In this study, an innovative approach to torque transmission mechanisms within the context of hub–shaft connections is introduced by exploring the viability of a transverse key configuration. Unlike traditional longitudinal key placements, the proposed method positions the key perpendicularly to the rotational axis, resembling a pin joint at the interface of the shaft and the hub. This research primarily aims to elucidate the maximum torque capacity of such a connection, juxtaposed against conventional methodologies. Employing a rigorous analytical framework, equations originally designed for pin connections are adapted to suit the unique geometric and loading conditions presented by the transverse key. This adaptation is essential in quantifying the resultant torque that the connection could sustain without failure. The study meticulously accounts for the variations in key dimensions and the inherent limitations posed by the method’s reliance on the end-face connection strategy. Comparative analyses underscore the manufacturing advantages of the proposed method, notably its reduced machinery requirements, by leveraging standard milling processes over more complex machining operations that are traditionally associated with keyway or keyseat creation. However, the findings also highlight the compromised torque transmission capability due to the reduced contact area, a significant consideration for designers. This research contributes to the broader discourse on mechanical connection innovations, offering a novel perspective on torque transmission solutions. It provides a foundation for future exploration into alternative key configurations, potentially revolutionizing hub–shaft connection designs in applications constrained by manufacturing capabilities or cost considerations.
1. Introduction
Efficient torque transmission between a shaft and a hub is integral to numerous mechanical systems. Generally, torque transmission between a shaft and a hub can be realized in four ways—form closure, friction, preloaded form closure, and material bonding [1].
Each type of connection offers distinct properties and characteristics that are suitable for different applications. Form-fit connections rely on the physical shapes of the components to transmit torque, ensuring a secure fit. Friction connections, on the other hand, depend on the frictional force between surfaces to transmit torque, which can be adjusted according to the applied load. Non-detachable connections offer a permanent solution, with welding providing a robust and continuous link between components, but at the cost of disassembly and serviceability. Very small torque values can also be transmitted using adhesives or solders, leading to savings in manufacturing costs and connection weight [1,2,3,4].
When choosing an appropriate method, it is important to consider the conditions of load size, load character (disappearing, alternating, etc.), hub width, the need for easily separate hub, the need for a movable hub along the shaft, etc. [1,2,3].
In practice, the most commonly used method is the connection via a shaft key (feather key/rectangular key/parallel key). Traditionally, shaft keys have been a prevalent means of establishing this linkage, evaluated through calculations determining allowable pressure and shear stress to ascertain the necessary key length. Conventionally, shaft keys have required the creation of a slot in both the shaft and the hub [3,5,6,7].
To connect the shaft and hub using a conventional shaft key, it is essential to mill a keyseat in the shaft; a relatively cheap and simple manufacturing process. However, the manufacture of the keyway in the hub presents more significant challenges. It often necessitates methods such as broaching, shaping, or electroerosive wire cutting, which may not be readily available in smaller workshops [5,8,9]. Despite this, broaching can be performed on drill presses, although broaching tools can be relatively expensive compared to mills, and this process also requires more time and a skilled machinist. One method to produce keyseat and Woodruff key slots is by using a milling arbor. These tools are commonly available in workshops and are specifically designed for slot production, manufactured to the precise tolerances required for key fitting according to DIN standards [10,11,12].
In mechanical connections, such as keyed shaft–hub connections, component longevity is influenced not only by surface pressure but also by the pronounced notch effect and potential for fretting corrosion. Research indicates that these connections exhibit elevated stress concentrations at the notch, facilitating early wear and crack initiation [13]. In couplings composed of high-strength materials, the notch effect can propagate cracks without substantial plastic deformation, thus limiting the maximum load the connection can reliably transmit [5,14]. Fretting corrosion arises from minor vibrations or micro-movements between surfaces, accelerating surface degradation and compromising connection reliability [5,13].
The influence of tolerance and interference fit on the fatigue performance of mechanical connections, particularly in keyed and press-fitted assemblies, is a critical factor in their durability. Studies demonstrate that adopting a slight interference fit, typically less than 0.5%, enhances the fatigue life by improving the distribution of residual stresses at the contact surfaces. This adjustment reduces localized stress concentrations, which are often the origin of fatigue failures. The reduction in clearance decreases micro-movements at the interface, which effectively mitigates fretting fatigue: a common failure mode in interference-fit assemblies under dynamic loading. Such recommendations align with the findings of finite element analyses and experimental studies, which suggest that slight interference not only stabilizes the contact zone but also limits the detrimental effects associated with fretting-induced stress amplitudes [15,16,17,18].
Some connections may also require a type of overload protection. In such cases, shear pin connections are often used, which are designed to transmit a predetermined torque value. Exceeding this value results in shearing of the pin, thereby interrupting the torque transmission [1,19]. This pin can be positioned either transversely or longitudinally, and it is typically used for connections with lower transmitted torque values. The advantage of this type of connection is its simpler manufacturing process and the good torque transmission values it offers [1,2].
The shaft key method provides reliable torque transmission, while the round pin (or transverse key) method simplifies the manufacturing process. The combination of these two methods involves repositioning the key perpendicularly to the rotational axis, creating a pin joint-like configuration on the faces of both the shaft and the hub.
The primary objective of this paper is to evaluate the torque transmission capabilities of this connection compared to other methods. Additionally, it is crucial to identify the limitations of this approach. The secondary objective is to perform a basic comparison of the manufacturing costs between this method and the conventional tight key. The results of this study will indicate whether this method lacks potential or if it warrants further investigation.
2. Methodology
To determine the quality of the proposed connection, it was necessary to find analytical equations that would express the load that this connection can transmit. Similar to the case of the shaft key and pin, the equations are based on the allowable shear stress of the key material and the allowable pressure (pressure on the slot walls; checked for the material of the shaft or hub).
2.1. Transverse Key (Type 1)
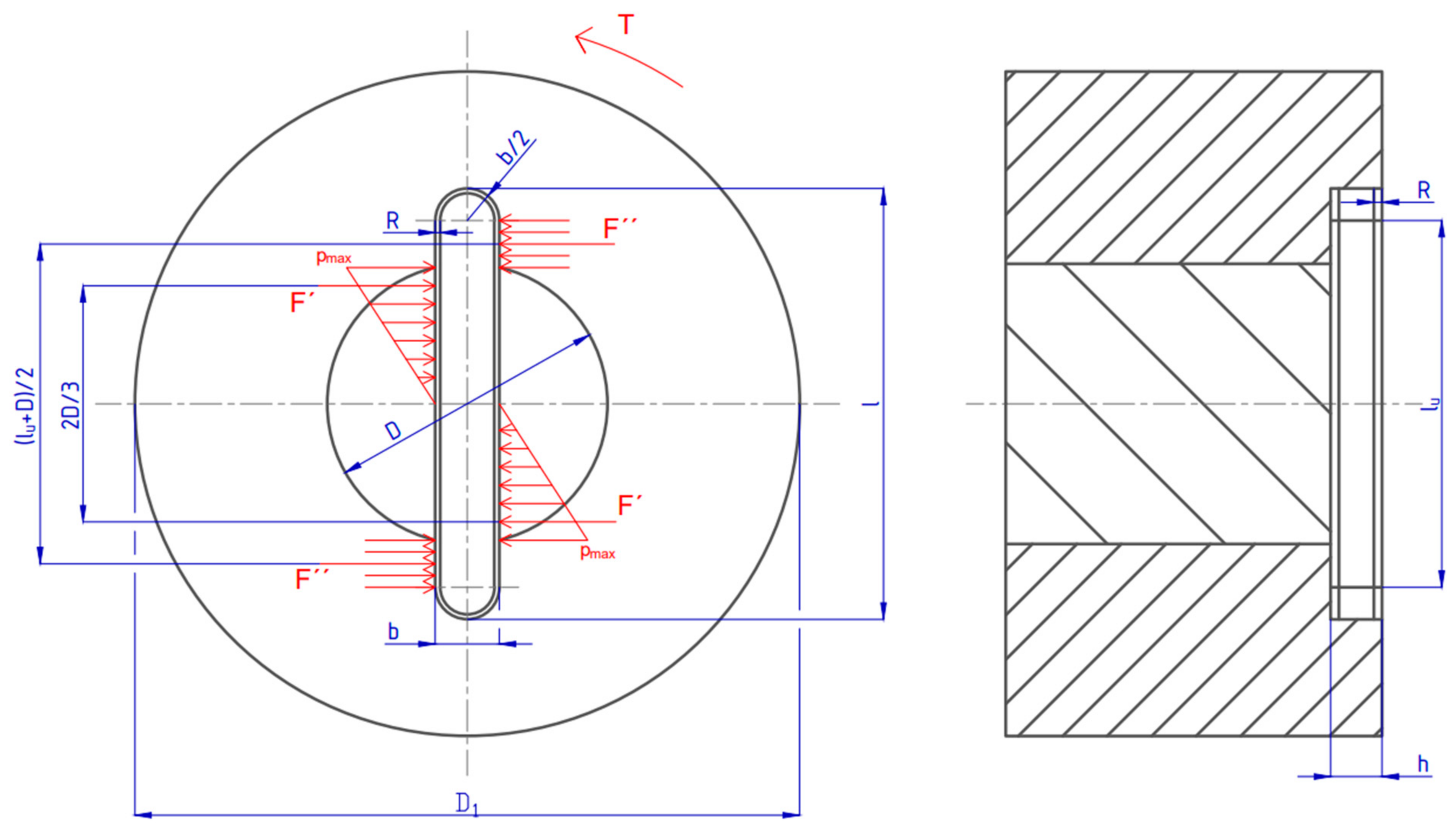
The load transfer scheme using a transverse key is depicted in Figure 1. The feather key is positioned transversely at the end face of the shaft, similar to the use of a round pin. It is assumed that the shaft is subjected to a torque, which is subsequently transmitted to the hub. The triangular distribution of pressure on the shaft arises due to the torque being defined as force multiplied by the distance from the shaft rotation axis, leading to an increase in force with a larger diameter. The torque T is then derived as of the product of the two replacement forces, F′ or F″, respectively (located in the centers of gravity of the pressure distribution forms and calculated as the product of the particular pressure average value paverage and the pressure exposed area) and their distances, 2 D/3 or (lu + D)/2, respectively (Figure 1). On the other hand, the pressure distribution on the hub is simplified to a rectangular shape, as the gradual slope of the triangular distribution is minimal, making it reasonable to approximate the load as uniformly distributed. The same simplification is usually applied in analogous calculations for round pin connections [1].
Figure 1.
Force distribution on transverse key (type 1).
First, the shear stress was expressed. A schematic diagram of the connection was constructed. The shear stress is generally calculated as follows:
where F represents the force and A is the shear exposed area.
The shear stress, acting on the largest diameter of the shaft D, is the product of the torque T:
where F represents the replacement forces acting at their distance (shaft outer diameter) D.
The area A0 subjected to the shear stress is equal to the cross-section of the key, which can be defined with some degree of simplification as follows:
where b equals the width of the key, and h is the height of the key. The dimensions of the key are selected based on the diameter of the shaft D, similarly to the case when using a conventional shaft key according to STN 02 2507 and DIN 6885-1 standards [12,20].
However, this equation does not account for the fact that keys have chamfered edges; therefore, in this and subsequent calculations, the chamfers will be considered. After subtracting the corner chamfers, Equation (4) is then modified as follows:
where R equals the value of the edge chamfer.
The expressed force and area defined in Equations (3) and (5) are substituted into Equation (1). The shear stress equation is obtained in the following form:
To further ensure the connection’s reliability, it is necessary to verify it from the perspective of pressure as well. The pressure is calculated generally as a proportion of the acting force F and the pressure subjected area A:
The shaft is subjected to torque T, which is the product of the force couple F’ or F’’, respectively, located in the center of gravity of the pressure field form (triangular or rectangular, respectively) and its distance 2 D/3 (shaft to key) or (lu + D)/2 (hub to key), respectively, as shown in Figure 1. This fact and the adapted Equation (7) lead to the force F’ calculation in the following form:
The area A1 on which the pressure acts between shaft and key (taking into account the chamfers of the key corners) can be calculated as follows:
The pressure on the shaft pshaft after substituting into Equation (7) and subsequent adjustment is derived as follows:
In a similar manner, the pressure acting between the hub and key surfaces can be expressed. It is also derived using the adapted Equation (7) and the correlation between torque, force couple, and its distance:
It is assumed that the pressure is transmitted only by the flat surface with an effective length lu, with the rounded ends of the key not transmitting any load. The area of the hub subjected to pressure A2 (considering the key chamfers) according to the Figure 1 will be defined as follows:
The pressure on the hub phub after substitution into Equation (11) and subsequent adjustment has the following form:
The aforementioned equations are used to calculate stresses in this article; however, for standard engineering practice, these equations can be simplified by disregarding chamfers on the key to the following form:
In the case of the application of the presented simplified Equations (14)–(16), it should be taken into account that the calculated stresses will be 15 to 20 percent lower than in the case of using the exact Equations (6), (10), and (13), which must be taken into account when calculating the safety factor or choosing permissible stress values.
2.2. Transverse Key (Type 2)
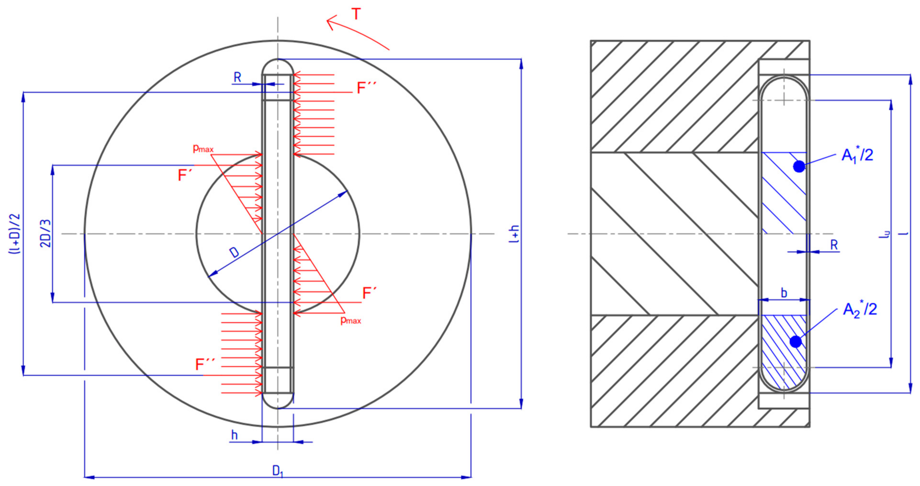
An alternative method of placing the key involves rotating it by 90 degrees around the longitudinal axis. The positioning of the key in this manner is illustrated in Figure 2. A disadvantage of this second method (type 2) is the need to mill a keyseat that is deeper than its width (the length of the key + the diameter of the used milling cutter; it is assumed in the calculation that the width of the milling cutter equals the width of the keyseat = h). The difference between type 1 transverse keys and type 2 transverse keys is that, in some cases, with type 1, it is possible to use a larger key for the same hub diameter. In this scenario, we will consider using a key with a radius end rather than a key with a flat end. This approach aims to validate the results under a ‘worse-case’ scenario, as a flat-ended key would provide a slightly larger contact area and consequently yield better results.
Figure 2.
Force distribution on transverse key (type 2).
With this placement, the pressure-affected areas change, making adjustments to the equations for specific pressure necessary. The equation for shear stress (6) remains unchanged, as the cross-section of the key is still the same.
The force acting on the shaft area is the same as indicated in Equation (8). The area is subjected to pressure changes as follows:
The pressure on the shaft , after substitution into Equation (7) and subsequent modification, will be defined as follows:
To calculate the specific pressure on the hub, it is necessary to express the force analogous to Equation (11) using Figure 2:
It is assumed that the effective length of the key, lu, will always be greater than the diameter of the shaft. The area subjected to pressure consists of a rectangular area and a semicircle at the end of the key. The resulting area, taking into account the rounding, then will be as follows:
The force and area are substituted into Equation (7), and after modification, the specific pressure on the hub will be defined as follows:
The aforementioned equations are used to calculate the stresses in this article, including the shear stress in the same form as the type 1 transverse key defined in Equation (6). However, for standard engineering practice, these equations can be simplified by disregarding chamfers on the key to the following form:
Similarly to the previous case, applying the simplified Equations (22)–(24) will result in stress values that are, based on our calculations, 15 to 20 percent lower than those derived from the exact Equations (6), (18), and (21). This difference should be factored in when calculating the safety factor or selecting permissible stress values.
2.3. Transverse Key Placement and Axial Locking of the Connection
Conventional shaft keys typically do not require securing against axial movement, as they are located in a closed slot. However, a transverse key must be secured to prevent it from falling out of the keyseat while also preventing axial displacement of the hub.
Based on Figure 1 and Figure 2, it is evident that the simplest method of producing such a keyseat is milling. It also follows that milling a keyseat in the shaft significantly reduces the shaft’s cross-sectional area, thereby decreasing its strength. These reasons suggest that this placement method is suitable only at the edge of the shaft. While it would be possible to create a keyseat on a surface of the shaft away from the edge using drilling and broaching or electroerosive wire cutting, the increased production costs and weakening of the shaft’s cross-section may render the use of this method inefficient compared to other torque transmission methods.
In Figure 3, three possible approaches of securing the shaft key and hub are illustrated: using a retaining ring (a), using a locking plate (b), and using screws and a washer (c). The presented locking methods are illustrative, and an experienced designer can devise alternative solutions. It is crucial to consider potential weakening of the shaft and hub, particularly with methods (b) and (c).
Figure 3.
Transverse key locking methods.
2.4. Comparison of Transferable Torque to Other Methods for Varying Shaft and Hub Dimensions
The first comparison involved methods of torque transmission from the shaft to the hub—a round key, a round pin, a rectangular/square key (classic shape with rounded ends), and a rectangular/square key (flat end shape). The methods, which will be compared with the transverse keys of types 1 and 2 (Figure 1 and Figure 2), are shown in Figure 4. The combinations of shaft diameter, hub diameter, and hub width were randomly selected to determine whether significant changes occur with increasing shaft and hub diameters.
Figure 4.
Types of compared connections.
The maximum outer hub diameter (dimension D1 according to Figure 1 and Figure 2) is defined as the diameter that cannot be exceeded by milling, drilling, or any other method to avoid interfering with gear teeth, pulley groove, etc. Therefore, when using a comparable hub with the setting used for mounting the pin, the setting diameter should be defined slightly smaller than the D1 diameter. Its maximum size Dp was defined for the comparation calculations to ensure its value below D1 as follows:
The length of the pin, lRpin, is equal to this diameter. Such a defined diameter ensured that the pressure on the hub was always more favorable than the pressure on the shaft. However, in reality, this diameter can be larger or smaller. The length and diameter of the pin are essential when calculating its stresses, as these dimensions directly influence the stress distribution and overall performance of the connection.
The diameter of the pin was chosen according to the cross-section so that the difference between the cross-section of the transverse key and the cross-section of the pin was minimized.
The length of the round key, lRkey, equals the width of the hub, as does the length of the rectangular/square key. The diameter of the round key was the same as the diameter of the round pin. The rectangular key (radius end) could not be chosen for every case—the width of the hub was smaller than the smallest manufactured length of the key for the given diameter. Similarly to the pin, the length and diameter of the round key directly influence the resulting stresses, affecting the overall performance and reliability of the connection.
In this comparison, it was assumed that the shaft and hub are made of the E355 material. The allowable pressure was set at 80 MPa, representing the allowable value for alternating load conditions. It was also assumed that the keys and pins are made from material E355, with an allowable shear stress of 70 MPa under alternating load conditions [21].
2.5. Comparison of the Transverse Key with Rectangular Key as Hub Width Increases
The second comparison focuses on changing the hub width for the same shaft and hub diameter. The hub width was evaluated from 15 mm (since 14 mm is the minimum required width for a transverse key of type 2) to 60 mm. This range was chosen to comprehensively assess the impact of varying hub widths on the performance and stress distribution of the connection. The aim is to compare the torque transmission values of the transverse key of types 1 and 2, the rectangular key (radius end), and the rectangular key (flat end). The comparison is intended to illustrate the difference in the required hub width using the new method of the transverse key and the hub width needed to transmit the same torque with a rectangular key. For the rectangular key, only values from the allowable pressure are compared, as the torque that can be transmitted from the shear stress is several times greater. Again, it is assumed that the hub and shaft are made of the same material, with an allowable pressure of 80 MPa and an allowable shear stress for the key of 70 MPa [15]. The shaft diameter is D = 45 mm, and the hub diameter is D1 = 73 mm. The respective key dimensions for this diameter are 14 × 9 mm.
2.6. Comparison of the Transverse Key with a Rectangular Key for Different Material Combinations
The third comparison focuses on the use of different materials and their combinations for shaft–hub assemblies. Some commonly used construction materials were selected (steel, cast iron, brass, aluminum). Calculations were made for allowable values of disappearing load and alternating load. For both cases, reduced allowable stress values were selected in accordance with engineering tables [21]. The dimensions of the components were the same as in the previous case, with the hub width W chosen to be 40 mm. The allowable shear stress values for the key were selected for the material E355 (alternatively, C45 can be used), which is commonly used for key production [12,20,21].
2.7. Fit Analysis
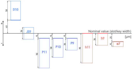
For the transverse key of type 2, it is essential to conduct a tolerance analysis. Rectangular keys have widths tolerated as h9 or e7. Suitable fits include clearance fit D10/h9, transition fit JS9/h9, and interference fits P9/h9. According to the STN standard, P9/e7 is the widely used fit for shaft keys. However, the key height is tolerated to h11, which must be considered when designing the keyseat for the transverse key of type 2 [12,21].
Although it is customary to tolerate the hole (slot in this case) to a higher tolerance zone than the shaft (key), in practice, tools are adapted to produce keyseats and keyways precisely to the required tolerances. Clearance and transition fits can remain in their original slot tolerance zones—D10/h11 and JS9/h11, respectively. Given that the key height is tolerated within the IT11 tolerance range, the resulting clearance can be significantly larger than with original fits. However, the P9/h11 fit becomes a transition fit in this case, where significant clearance may also occur. Figure 5 illustrates the tolerance zones for the key and slot with a nominal value of 9 mm. It is evident that the P9/e7 fit is a transition fit. Since the h11 tolerance range is larger than e7, potential clearance or interference can be significantly greater. Therefore, increasing the tolerance interval to IT10 or even IT11 is considered to help reduce clearance values in some cases.
Figure 5.
ISO hole and shaft basis system, shortened for a nominal value 9 mm: slot—blue zones; key—red zones [22,23].
The manufacturing method chosen plays a significant role; electroerosive cutting is not dependent on the tool, allowing for the selection of other tolerance fields to ensure interference. Similarly, this can be achieved through milling by using a tool with a smaller diameter than the keyseat width, though this method is less advantageous when milling on manual machining tools.
2.8. Manufacturing Cost Analysis
In many cases, when designing machinery, it is necessary to find a compromise between functionality and manufacturing costs. Therefore, it is important to compare the connection using a transverse key with another conventional method of torque transmission. Since the transverse key is derived from the concept of a rectangular key, which is among the most widespread methods, the manufacturing cost will be compared specifically with this method.
Čilík and Žarnay [2] present a comparison of the relative manufacturing costs to transmitted torque for various transmission methods. The comparison indicates that the most favorable ratio of transmitted torque to manufacturing costs is achieved with the interference fit. The manufacturing costs for a connection using a rectangular key are relatively high compared to a round key and are similar to those for a spline shaft. However, the spline shaft can transmit a significantly higher torque. The graph in Figure 6 summarizes these comparisons. The comparison is only relative, as the dimensions of the individual components are not specified. However, this graph can serve as an illustrative comparison of the new method with commonly used approaches.
Figure 6.
Diagram of relative manufacturing cost to transmitted torque [2].
With the help of an external company specializing in production, the manufacturing cost of components for these types of connections was evaluated. Only the cost of milling slots for keys was assessed, while machining of cylindrical surfaces of the shaft or hub was not taken into account. The production cost of shafts with a conventional keyseat and with a keyseat for a transverse key (type 2), as well as hubs with a transverse keyseat and conventional keyway, was evaluated. Shafts with a transverse keyseat were assessed in two versions—a long shaft (430 mm) and a short shaft (145 mm).
This difference can be significant in terms of production costs because shorter shafts can be manufactured on a three-axis milling machine, while longer shafts might be more complicated to secure in a three-axis device (which could increase costs). Therefore, it might be necessary to use specialized machining centers for milling the keyseat.
The evaluated connections were for a shaft diameter of Ø45 mm and the corresponding key 14 × 9 mm, with tolerance fits chosen according to the previously described analysis as P9/h11. The lateral walls of the slot had a prescribed surface roughness value of Ra 1.6. The hub width W was set at 40 mm, and the hub diameter was set at Ø73 mm. The transverse key keyseat on the hub was set at 72 mm, and the conventional keyseat on the shaft was same length as the hub width.
3. Results
This section presents the outcomes of the comparative analyses outlined in the preceding chapter. To facilitate a clearer understanding and interpretation of the data, the majority of the results are showcased through graphs. These visual representations allow for an immediate grasp of trends, differences, and similarities between the evaluated methods of torque transmission.
3.1. Results of Comparison of Transferable Torque to Other Methods for Varying Shaft and Hub Dimensions
The graphs in Figure 7, Figure 8, Figure 9, Figure 10, Figure 11 and Figure 12 display the maximum torque values that the connection can transmit without failure or damage. For each connection method, the results were evaluated based on shear stress, shaft pressure, and hub pressure. Focusing on the lowest of these three values is important, as it sets a limit that should not be crossed.
Figure 7.
Graph of comparison of transferable torque to other methods for 15 mm shaft diameter.
Figure 8.
Graph of comparison of transferable torque to other methods for 25 mm shaft diameter.
Figure 9.
Graph of comparison of transferable torque to other methods for 45 mm shaft diameter.
Figure 10.
Graph of comparison of transferable torque to other methods for 58 mm shaft diameter.
Figure 11.
Graph of comparison of transferable torque to other methods for 72 mm shaft diameter.
Figure 12.
Graph of comparison of transferable torque to other methods for 80 mm shaft diameter.
In several cases for rectangular shaft keys with a radius end, the results based on pressure include zero values. This occurs because the hub width was less than the shortest manufactured key of the given dimension according to standards [12,20].
The graphs illustrate variations in torque values with increasing diameters of the shaft and hub across different hub widths. For small shaft diameters (Figure 7), the torque values from shaft pressure were identical for transverse keys of type 1 and 2, attributable to the corresponding key for this diameter having a square cross-section. In this case, the transverse key methods are limited by shaft pressure due to their small contact area.
Figure 8 presents the graph for a shaft diameter of Ø25 mm. A change in shaft pressure values for transverse keys 1 and 2 can be observed. However, the transverse keys still achieve the lowest values among all methods. Nevertheless, the lowest value for the transverse key of type 2 approaches that of the rectangular key.
Figure 9 shows the configuration with a relatively small hub diameter, which can be seen for the transverse key of type 1, where the dimension lu was only slightly larger than the shaft diameter. The results for the transverse key of type 2 are similar to those of the round pin in all three aspects. In this case, type 2 slightly outperforms the rectangular key.
The graph displayed in Figure 10 presents a case of a narrow hub, observable in the low values for the rectangular key and the round key. For the transverse key of type 2, all three stress values are balanced and higher than those of the round pin.
3.2. Comparison of the Transverse Key with Rectangular Key as Hub Width Increases
The graph (Figure 13) integrates the display of maximum torque values for the conventional shaft key, or multiple keys, alongside values for transverse keys of type 1 and 2. The bar chart presents torque values for a hub width that matches the key dimension, meaning for type 1, the width W is 9 mm, and for type 2, the width W is 14 mm.
Figure 13.
Comparison of transferable torque to increasing hub width.
From the results obtained, it can be deduced that an approximately 3.5-fold increase in hub width is required for the one rectangular shaft key to transmit the same torque as the type 2 transverse key. It is also evident that the transverse key of type 2 can transmit a torque comparable to three rectangular keys at the same hub width.
3.3. Results of Comparison of the Transverse Key with a Rectangular Key for Different Material Combinations
The bar charts in Figure 14 and Figure 15 illustrate the comparison between the methods of transverse keys (types 1 and 2) and rectangular shaft keys (radius and flat end) across various shaft and hub material combinations. For the transverse keys, the values were evaluated based on shear stress, shaft pressure, and hub pressure. For the rectangular keys, only the shaft and hub pressures were assessed, as previous results indicated that shear stresses in this method are always significantly higher and can therefore be disregarded.
Figure 14.
Comparison of different material combinations for disappearing loads.
Figure 15.
Comparison of different material combinations for alternating loads.
3.4. Results of Manufacturing Cost Analysis
The manufacturing cost for each component was determined according to the current price list of the company. For some components, several manufacturing methods were considered, which, however, varied in cost. Figure 16 shows a graph of the total costs of the manufacturing slots for the entire connection (shaft + hub). This comparison was used to select the least expensive manufacturing methods for the slot.
Figure 16.
Comparison of manufacturing costs for different connection types.
4. Discussion
First, comparisons with other methods and changes in dimensions will be discussed. It is evident that the transverse key of type 2 achieves better results than the type 1 transverse key. This is due to the increased contact area between the key and the shaft or hub. However, the worst results remain for the pressure on the shaft, which is comparable to the pressure for the rectangular key, although the latter has slightly better results.
As the diameter of the hub increases, the rectangular key starts to show slightly worse results compared to the transverse key of type 2. This is because, even though the diameters increase, the width of the hub remains relatively small. With large shaft diameters, there is a trend where the values from the pressure on the shaft for the transverse key of type 2 surpass the shear stress of the transverse key.
The round pin achieves values similar to the transverse key of type 2. However, with larger shaft diameters, the choice of pin diameters is limited to a few sizes (Ø14, Ø16, Ø20). Rectangular keys offer a more flexible range of key dimensions relative to the shaft diameter, meaning the assigned key can be more advantageous in some cases.
The comparison of increasing the hub width showed that it is necessary to significantly increase the hub width or the number of tight keys to achieve the transmission of the same torque. However, this can be a disadvantage in terms of manufacturing costs and also due to the increase in the dimensions and weight of the components.
The comparison of different material combinations revealed a trend that it is not necessary to use higher-quality materials such as S275J2H or C16E because the transmissible torque from the pressures on the shaft/hub overcomes the torque from the shear stress of the key (E335). With an appropriate combination of materials, the key becomes the weakest part and can therefore serve as a safety coupling. For alternating loads, choosing higher-quality materials can be advantageous because, in these cases, the allowable pressure values are low, meaning the torque values from pressures are usually lower than those from shear stress.
The comparison of manufacturing costs shows that the method of using a transverse key can be more cost-effective compared to the conventional use of a rectangular key. However, this comparison is illustrative only, as machining costs can vary for different materials, as well as for different machines, clamping methods, and so on. Many variables enter into the pricing process of production, but still, this comparison provides at least a basic overview. It can be seen that the costs of manufacturing a keyseat in the shaft for a transverse key increase with the overall length of the shaft. Despite the keyseat parameters and the milling equipment being the same, the costs increased, which is caused by the more complicated clamping of the longer shaft in a three-axis device. It is possible that the costs for the shaft would be lower if a multifunctional machining center capable of both turning and milling were used. The use of multiple machines indeed increases the production price.
Figure 16 displays the torque values for connections with identical dimensions, which, along with the cost values from Table 1, show that the ratio of costs to transmissible torque is more favorable for the transverse key of type 2. This holds true even for the more expensive production of a long shaft.
Table 1.
Manufacturing costs of the slot for individual components using a feather key and type 2 transverse key method.
The tolerance analysis indicates that the fits of the key and keyseat for the transverse key of type 2 will exhibit relatively large clearances due to the key height being tolerated within a wide interval. Significant clearance can cause problems, especially under alternating loads. Furthermore, the designer must ensure adequate axial securing to prevent the key from falling out if it is not press-fitted. When selecting an appropriate fit, it is important to consider that an interference fit impacts fatigue life. However, the choice of tolerance field is influenced by the available tools, as some tools, such as slotting mills, arbor mills, or broaching tools, are specifically adapted to produce slots within the required tolerances. Thus, the selection of an appropriate fit depends on the assembly’s purpose and the available manufacturing equipment.
The advantage of this new method of torque transmission depends on factors such as installation dimensions, materials used, and type of loading. It is, therefore, necessary to consider the most suitable transmission method for a specific application. Generally, it can be said that this new method is most advantageous for applications with a small hub width. For small hub widths, it can represent an interesting alternative to high-torque transmission types such as parallel or involute spline shaft connections, even though it achieves lower transmitted torque values because it has a much more favorable ratio of production costs to transmitted torque. On the other hand, a disadvantage of this joint is that it may not always provide the rigidity often required in shaft–hub connections.
The presented equations for calculating shear stress and pressures on the hub and shaft are closely analogous to the equations used for radial pin connections. The primary difference lies in the cross-section of the employed body. Radial pin connections have been validated through decades of practical use, suggesting that these equations may also be applicable for calculating transverse keys. However, to implement this connection in practice, functional validation on a real prototype is essential. Sharp edges at the transition between the shaft and hub connection act as stress concentrators, likely causing stress peaks in these areas. Such peaks could significantly impact the connection’s lifespan or even result in key shear under lower torque values than predicted by the equations. Therefore, detailed FE analyses are necessary to determine the stress distribution, with experimental validation recommended to support these findings. Based on these tests and results, it will be possible to assess whether this connection type poses any safety risks for use in machinery.
From the perspective of further research, it would be interesting to compare how the values of the maximum transmitted torque would change if the dimensions of the key were chosen to be larger or smaller than the standards for rectangular keys and wedges dictate. An important direction for future research should be the impact of the keyseat on the mechanical properties of the shaft, particularly regarding its strength and fatigue characteristics.
5. Conclusions
This research introduces a nonstandard approach to torque transmission between a hub and a shaft by redefining the placement of the shaft key, proposing an orientation perpendicular to the rotational axis, akin to a pin joint. Primarily suitable for end-of-shaft connections, this method simplifies manufacturing by leveraging milling techniques, thereby reducing the reliance on sophisticated machinery. Despite its manufacturing appeal, this approach exhibits limitations regarding torque transmission capabilities due to a reduced transmission area.
Through analytical modification of equations for pin connections and comparative analysis with conventional methods, this study evaluates the proposed connection under various configurations and material combinations. The findings suggest that while this innovative key placement does not universally outperform traditional methods in terms of torque transmission efficiency, it offers distinct advantages in scenarios constrained by manufacturing capabilities or cost considerations.
This investigation highlights the significance of material selection and precise engineering of key-slot dimensions, which are crucial for optimizing torque transmission and maintaining structural integrity. This study further explores the manufacturing cost implications and fit analysis, providing a comprehensive understanding of the feasibility and practicality of this new approach. It reveals that the transverse key, especially type 2, can be more cost-effective compared to conventional rectangular keys, even when considering the increased production costs for longer shafts. The necessity of multifunctional machining centers to potentially lower costs underscores the importance of considering production technology in the design process.
The results indicated that the effectiveness of this method depends on several factors. The primary factor influencing efficiency is the hub width. For narrow hubs, this method has proven advantageous because commonly used rectangular keys do not provide a sufficient surface area for load transfer. For wider hubs, it may be better to use conventional rectangular keys. This method is suitable for reducing assembly weight while maintaining high torque transmission values.
The dimensions of the shaft and hub also affect the suitability of this solution in terms of manufacturing costs. Although methods such as broaching or electroerosive cutting are not necessary for keyseat production, the costs may exceed those for conventional rectangular keys. This is due to the dimensions of the shaft and the available machining equipment, as producing keyseats on the end faces of long shafts can be relatively complicated.
In essence, this research contributes to the field of mechanical engineering by exploring an alternative torque transmission method whose efficiency is dependent on several factors. It opens avenues for future work to expand on key dimension variations and broader application potential, offering insights into cost-effective, adaptable mechanical design solutions for industries seeking innovation within manufacturing constraints. Future research should also focus on the strength and fatigue characteristics of the shaft to ensure the long-term reliability and performance of the proposed connection method.
Author Contributions
Conceptualization, M.V. and F.B.; Methodology, M.V. and R.K.; Software, M.V.; Validation, R.B.; Formal analysis, R.B.; Resources, R.K.; Data curation, R.B.; Writing—original draft, M.V.; Writing—review & editing, F.B. and R.K.; Supervision, F.B. and R.K.; Project administration, F.B.; Funding acquisition, F.B. All authors have read and agreed to the published version of the manuscript.
Funding
This study was supported by the Ministry of Education, Research, Development and Youth of the Slovak Republic as part of the project KEGA 027ŽU-4/2024.
Data Availability Statement
Data are contained within the article.
Conflicts of Interest
The authors declare no conflict of interest.
References
- Grote, K.-H.; Hefazi, H. Shaft-Hub Connections. In Springer Handbook of Mechanical Engineering, 2nd ed.; Springer: Berlin/Heidelberg, Germany, 2021; pp. 551–566. ISBN 978-3030470340. [Google Scholar]
- Čilík, L.; Žarnay, M. Methodology of Design (Metodika konštruovania); Žilinská univerzite v Žiline: Žilina, Slovakia, 2001; ISBN 80-7100-934-2. [Google Scholar]
- Pedersen, N.L. Optimal shaft-hub connections. J. Strain Anal. Eng. Des. 2023, 58, 130–140. [Google Scholar] [CrossRef]
- Hrcek, S.; Brumercik, F.; Smetanka, L.; Lukac, M.; Patin, B.; Glowacz, A. Global Sensitivity Analysis of Chosen Harmonic Drive Parameters Affecting Its Motion. Materials 2021, 14, 5057. [Google Scholar] [CrossRef] [PubMed]
- Sahu, M.K. Optimization of the Keyway Design with Consideration of Effect of Stress Concentration on Different Materials. Int. J. Eng. Res. 2014, 3, 477–481. [Google Scholar]
- Chen, C.; Muhammedi, B.; Bäcker, D.; Drossel, W.-G.; Seltmann, S.; Nowak, A.; Hasse, A. Development of a measurement system to determine the circumferential force on a feather key. Forsch. Ingenieurwes. 2024, 88, 24. [Google Scholar] [CrossRef]
- Pedersen, N.L. Optimal key design for shaft hub connections. Proc. Inst. Mech. Eng. Part C J. Mech. Eng. Sci. 2024, 238, 811–821. [Google Scholar] [CrossRef]
- Maniya, K.K.; Bhuva, A.B. Design and Analysis of Automatic Mechanism for Conventional Slotting Machine. Int. J. Sci. Res. Dev. 2015, 3, IJSRDV3I60576. [Google Scholar]
- Norton, R. Design of Machinery, 6th ed.; McGraw Hill: New York, NY, USA, 2019; 896p, ISBN 978-1260113310. [Google Scholar]
- Tandberg, D. General Aviation Modular Electric Tow Bar. Ph.D. Thesis, Central Washington University, Washington, DC, USA, 2020. Available online: https://digitalcommons.cwu.edu/undergradproj/130 (accessed on 21 June 2024).
- Melkote, S.N.; Endres, W.J. The Importance of Including Size Effect When Modeling Slot Milling. ASME. J. Manuf. Sci. Eng. 1998, 120, 68–75. [Google Scholar] [CrossRef]
- Deutsches Institut für Normung. Parallel Keys; Keyways; Key Sizes (DIN 6885-1); Beuth Verlag: Berlin, Germany, 2013. [Google Scholar]
- Kresinsky, F.; Leidich, E.; Hasse, A. Different Failure Mechanisms in Keyed Shaft-Hub Connections under Dynamic Torque Load. Procedia Struct. Integr. 2019, 17, 162–169. [Google Scholar] [CrossRef]
- Pedersen, N.L. Optimization of keyway design. In Proceedings of the 2nd International Conference on Engineering Optimization, Lisbon, Portugal, 6–9 September 2010. [Google Scholar]
- Lanoue, F.; Vadean, A.; Sanschagrin, B. Fretting fatigue strength reduction factor for interference fits. Simul. Model. Pract. Theory 2011, 19, 1811–1823. [Google Scholar] [CrossRef]
- Lanoue, F.; Vadean, A.; Sanschagrin, B. Finite element analysis and contact modelling considerations of interference fits for fretting fatigue strength calculations. Simul. Model. Pract. Theory 2009, 17, 1587–1602. [Google Scholar] [CrossRef]
- Kiral, B.G. Effect of the clearance and interference-fit on failure of the pin-loaded composites. Mater. Des. 2010, 31, 85–93. [Google Scholar] [CrossRef]
- Jiang, J.; Bi, Y.; Dong, H.; Ke, Y.; Fan, X.; Du, K. Influence of interference fit size on hole deformation and residual stress in hi-lock bolt insertion. Proc. Inst. Mech. Eng. Part C J. Mech. Eng. Sci. 2014, 228, 3296–3305. [Google Scholar] [CrossRef]
- Chidambaram, S.; Kamaraj, A.; Kumar, R.S.; Karthik, V. Shear Fracture and Industrial Overload Failure of Mechanical Fuse Shear Pin. IOP Conf. Ser. Mater. Sci. Eng. 2018, 377, 012004. [Google Scholar] [CrossRef]
- STN 02 2507; Feather Keys and Slots. Slovenský Ústav Technickej Normalizácie: Bratislava, Slovakia, 1953.
- Vávra, P. Mechanical Engineering Tables (Strojnícke Tabuľky); Alfa-Press: Bratislava, Slovakia, 2009; 781p, ISBN 978-80-89223-28-2. [Google Scholar]
- ISO 286-1:2010; Geometrical Product Specifications (GPS)—ISO Code System for Tolerances on Linear Sizes—Part 1: Basis of Tolerances, Deviations and Fits. International Organization for Standardization: Geneve, Switzerland, 2010.
- ISO 286-2:2010; Geometrical Product Specifications (GPS)—ISO Code System for Tolerances on Linear Sizes—Part 2: Tables of Standard Tolerance Grades and Limit Deviations for Holes and Shafts. International Organization for Standardization: Geneve, Switzerland, 2010.
Disclaimer/Publisher’s Note: The statements, opinions and data contained in all publications are solely those of the individual author(s) and contributor(s) and not of MDPI and/or the editor(s). MDPI and/or the editor(s) disclaim responsibility for any injury to people or property resulting from any ideas, methods, instructions or products referred to in the content. |
© 2024 by the authors. Licensee MDPI, Basel, Switzerland. This article is an open access article distributed under the terms and conditions of the Creative Commons Attribution (CC BY) license (https://creativecommons.org/licenses/by/4.0/).















