Ergonomic Design of an Adaptive Automation Assembly System
Abstract
1. Introduction
2. Literature Review
3. Materials and Methods
3.1. Adaptive Automation Assembly System (A3S) Prototype
3.2. Test Cases
3.3. Including Ergonomics in the Logic Control of the A3S
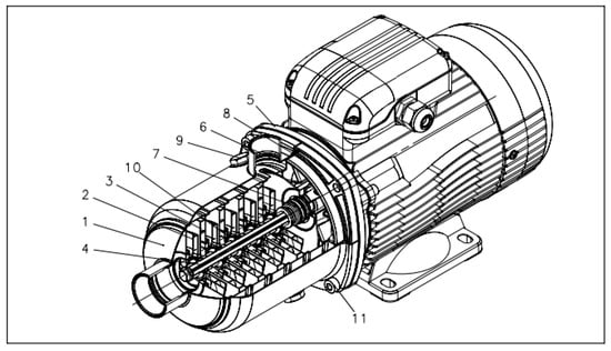
4. The Assembly of a Centrifugal Electric Pump
5. Results and Discussion
6. Conclusions and Future Research
Author Contributions
Funding
Data Availability Statement
Conflicts of Interest
References
- Carayon, P.; Smith, M.J. Work organization and ergonomics. Appl. Ergon. 2000, 31, 649–662. [Google Scholar] [CrossRef]
- Aarås, A.; Horgen, G.M.; Bjørset, H.H.; Ro, O.M.; Walsøe, H. Musculoskeletal, visual and psychosocial stress in VDU operators before and after multidisciplinary ergonomic interventions. A 6 years prospective study—Part II. Appl. Ergon. 2001, 32, 559–571. [Google Scholar] [CrossRef] [PubMed]
- Ketola, R.; Toivonen, R.; Häkkänen, M.; Luukkonen, R.; Takala, E.P.; Viikari-Juntura, E.; Expert Group in Ergonomics. Effects of ergonomic intervention in work with video display units. Scand. J. Work Environ. Health 2002, 28, 18–24. [Google Scholar] [CrossRef]
- Robertson, M.M.; Huang, Y.H.; O’Neill, M.J.; Schleifer, L.M. Flexible workspace design and ergonomics training: Impacts on the psychosocial work environment, musculoskeletal health, and work effectiveness among knowledge workers. Appl. Ergon. 2008, 39, 482–494. [Google Scholar] [CrossRef] [PubMed]
- Das, B.; Sengupta, A.K. Industrial workstation design: A systematic ergonomics approach. Appl. Ergon. 1996, 27, 157–163. [Google Scholar] [CrossRef] [PubMed]
- Scott, G.B.; Lambe, N.R. Working practices in a perchery system, using the OVAKO Working posture Analysing System (OWAS). Appl. Ergon. 1996, 27, 281–284. [Google Scholar] [CrossRef] [PubMed]
- Kadefors, R.; Forsman, M. Ergonomic evaluation of complex work: A participative approach employing video–computer interaction, exemplified in a study of order picking. Int. J. Ind. Ergon. 2000, 25, 435–445. [Google Scholar] [CrossRef]
- Martin, C.C.; Burkert, D.C.; Choi, K.R.; Wieczorek, N.B.; McGregor, P.M.; Herrmann, R.A.; Beling, P.A. A real-time ergonomic monitoring system using the Microsoft Kinect. In Proceedings of the Systems and Information Design Symposium (SIEDS), 2012 IEEE, Charlottesville, VA, USA, 27 April 2012; pp. 50–55. [Google Scholar]
- Han, J.; Shao, L.; Xu, D.; Shotton, J. Enhanced computer vision with microsoft kinect sensor: A review. IEEE Trans. Cybern. 2013, 43, 1318–1334. [Google Scholar]
- Zhang, Z. Microsoft kinect sensor and its effect. IEEE Multimed. 2012, 19, 4–10. [Google Scholar] [CrossRef]
- Bonnechère, B.; Jansen, B.; Salvia, P.; Bouzahouene, H.; Sholukha, V.; Cornelis, J.; Rooze, M.; Van Sint Jan, S. Determination of the precision and accuracy of morphological measurements using the KinectTM sensor: Comparison with standard stereophotogrammetry. Ergonomics 2014, 57, 622–631. [Google Scholar] [CrossRef]
- Xu, X.; McGorry, R.W. The validity of the first and second generation Microsoft KinectTM for identifying joint center locations during static postures. Appl. Ergon. 2015, 49, 47–54. [Google Scholar] [CrossRef] [PubMed]
- Dutta, T. Evaluation of the KinectTM sensor for 3-D kinematic measurement in the workplace. Appl. Ergon. 2012, 43, 645–649. [Google Scholar] [CrossRef] [PubMed]
- Bortolini, M.; Faccio, M.; Galizia, F.G.; Gamberi, M.; Pilati, F. Design, engineering and testing of an innovative adaptive automation assembly system. Assem. Autom. 2020, 40, 531–540. [Google Scholar] [CrossRef]
- Dul, J.; Neumann, W.P. Ergonomics contributions to company strategies. Appl. Ergon. 2009, 40, 745–752. [Google Scholar] [CrossRef]
- Falck, A.C.; Rosenqvist, M. Assembly failures and action cost in relation to complexity level and assembly ergonomics in manual assembly (part 2). Int. J. Ind. Ergon. 2014, 44, 455–459. [Google Scholar] [CrossRef]
- Finnsgard, C.; Wanstrom, C.; Medbo, L.; Neumann, W.P. Impact of materials exposure on assembly workstation performance. Int. J. Prod. Res. 2011, 49, 7253–7274. [Google Scholar] [CrossRef]
- Botti, L.; Mora, C.; Regattieri, A. Application of a mathematical model for ergonomics in lean manufacturing. Data Brief 2017, 14, 360–365. [Google Scholar] [CrossRef]
- Botti, L.; Mora, C.; Regattieri, A. Integrating ergonomics and lean manufacturing principles in a hybrid assembly line. Comput. Ind. Eng. 2017, 111, 481–491. [Google Scholar] [CrossRef]
- Kushwaha, D.K.; Kane, P.V. Ergonomic assessment and workstation design of shipping crane cabin in steel industry. Int. J. Ind. Ergon. 2016, 52, 29–39. [Google Scholar] [CrossRef]
- ISO 45001:2018; Occupational Health and Safety Management Systems—Requirements with Guidance for Use. International Standard Organization (ISO): Geneva, Switzerland, 2018.
- Šolc, M.; Blaško, P.; Girmanová, L.; Kliment, J. The Development Trend of the Occupational Health and Safety in the Context of ISO 45001:2018. Standards 2022, 2, 294–305. [Google Scholar] [CrossRef]
- Kapp, E. PW 2499 Using Iso 45001 To Improve Safety & Heath in the Global Supply Chain. Inj. Prev. 2018, 24, A242–A243. [Google Scholar] [CrossRef]
- ISO 6385-2016; Ergonomics Principles in the Design of Work Systems. International Standard Organization (ISO): Geneva, Switzerland, 2016.
- ISO 9241-210:2010; Ergonomics of Human-System Interaction—Part 210: Human-Centred Design for Interactive Systems. International Standard Organization (ISO): Geneva, Switzerland, 2010.
- EN 614-2:2000 + A1:2008; Safety of machinery—Ergonomic design principles—Part 2: Interactions between the design of machinery and work tasks. CEN: Oak Brook, IL, USA, 2008.
- ISO 7250-1:2017; Basic Human Body Measurements for Technological Design. Part 1: Body Measurement Definitions and Landmarks. International Standard Organization (ISO): Geneva, Switzerland, 2017.
- ISO/TR 7250-2:2010; Basic human body measurements for technological design. Part 2: Statistical summaries of body measurements from national populations. International Standard Organization (ISO): Geneva, Switzerland, 2010.
- ISO 14738; Safety of machinery. Anthropometric requirements for the design of workstations at machinery. International Standard Organization (ISO): Geneva, Switzerland, 2002.
- Caruso, L.; Russo, R.; Savino, S. Microsoft Kinect V2 vision system in a manufacturing application. Robot. Comput.-Integr. Manuf. 2017, 48, 174–181. [Google Scholar] [CrossRef]
- Manghisi, V.M.; Uva, A.E.; Fiorentino, M.; Bevilacqua, V.; Trotta, G.F.; Monno, G. Real-time RULA assessment using Kinect v2 sensor. Appl. Ergon. 2017, 65, 481–491. [Google Scholar] [CrossRef] [PubMed]
- Plantard, P.; Shum, H.P.H.; Le Pierres, A.S.; Multon, F. Validation of an ergonomic assessment method using Kinect data in real workplace conditions. Appl. Ergon. 2017, 65, 562–569. [Google Scholar] [CrossRef]
- Jun, C.; Lee, J.Y.; Kim, B.H.; Do Noh, S. Automatized modeling of a human engineering simulation using Kinect. Robot. Comput.-Integr. Manuf. 2019, 55, 259–264. [Google Scholar] [CrossRef]
- Demirel, H.O.; Duffy, V.G. Applications of Digital Human Modeling in Industry. In Digital Human Modeling; Springer: Berlin/Heidelberg, Germany, 2007; pp. 824–832. [Google Scholar]
- Botti, L.; Gamberi, M.; Manzini, R.; Mora, C.; Regattieri, A. A bi-objective optimization model for work activity scheduling of workers exposed to ergonomic risk. In Proceedings of the Summer School Francesco Turco 2014, Senigallia, Italy, 9–12 September 2014. [Google Scholar]
- Napoli, A.; Glass, S.; Ward, C.; Tucker, C.; Obeid, I. Performance analysis of a generalized motion capture system using microsoft kinect 2.0. Biomed. Signal Process. Control. 2017, 38, 265–280. [Google Scholar] [CrossRef]
- Nanthavanij, S. Body height-workstation settings matrix: A practical tool for ergonomic VDT workstation adjustment. Int. J. Ind. Ergon. 1996, 18, 215–219. [Google Scholar] [CrossRef]
- Nanthavanij, S. An ergonomic assessment of fixed-height, partially adjustable, and fully adjustable VDT workstations by IntelAd. Comput. Ind. Eng. 1994, 27, 361–364. [Google Scholar] [CrossRef]
- Zha, X.F.; Lim, S.Y.E. Intelligent design and planning of manual assembly workstations: A neuro-fuzzy approach. Comput. Ind. Eng. 2003, 44, 611–632. [Google Scholar] [CrossRef]
- Lin, R.T.; Chan, C.C. Effectiveness of workstation design on reducing musculoskeletal risk factors and symptoms among semiconductor fabrication room workers. Int. J. Ind. Ergon. 2007, 37, 35–42. [Google Scholar] [CrossRef]
- Hernandez-Arellano, J.L.; Serratos-Perez, J.N.; de la Torre, A.; Maldonado-Macias, A.A.; Garcia-Alcaraz, J.L. Design Proposal of an Adjustable Workstation for Very Short and Very Tall People. Procedia Manuf. 2015, 3, 5699–5706. [Google Scholar] [CrossRef][Green Version]
- Jung, H.S. A prototype of an adjustable table and an adjustable chair for schools. Int. J. Ind. Ergon. 2005, 35, 955–969. [Google Scholar] [CrossRef]
- Delleman, N.J.; Dul, J. Sewing machine operation: Workstation adjustment, working posture, and workers’ perceptions. Int. J. Ind. Ergon. 2002, 30, 341–353. [Google Scholar] [CrossRef]
- Brkić, V.S.; Klarin, M.M.; Brkić, A.D. Ergonomic design of crane cabin interior: The path to improved safety. Saf. Sci. 2015, 73, 43–51. [Google Scholar] [CrossRef]
- ISO 11228-3:2007; Ergonomics—Manual Handling—Part 3: Handling of Low Loads at High Frequency. International Standard Organization (ISO): Geneva, Switzerland, 2007.
- Colombini, D.; Occhipinti, E. Application of concise exposure index (OCRA) to tasks involving repetitive movements of the upper limbs in various industrial settings: Preliminary experience and validation. Occup. Health Ind. Med. 1997, 2, 76. [Google Scholar]
- Taifa, I.W.; Desai, D.A. Anthropometric measurements for ergonomic design of students’ furniture in India. Eng. Sci. Technol. Int. J. 2017, 20, 232–239. [Google Scholar] [CrossRef]
- Konz, S. Workstation organization and design. Int. J. Ind. Ergon. 1990, 6, 175–193. [Google Scholar] [CrossRef]
- Hussain, A.; Case, K.; Marshall, R.; Summerskill, S. Joint mobility and inclusive design challenges. Int. J. Ind. Ergon. 2016, 53, 67–79. [Google Scholar] [CrossRef]








| Sub-Test Number | 1 | 2 | 3 | 4 | 5 | 6 | 7 | 8 | 9 | 10 | 11 | 12 | |
|---|---|---|---|---|---|---|---|---|---|---|---|---|---|
| Camera height (m) | 1.70 | 1.70 | 1.70 | 1.80 | 1.80 | 1.80 | 1.60 | 1.60 | 1.60 | 1.50 | 1.50 | 1.50 | |
| Inclination (°) | 0° | −20° | −15° | 0° | −20° | −15° | 0° | −15° | 15° | 0° | −8° | 8° | |
| Elbow height (m) | Observed | 1.03 | 1.29 | 1.26 | 0.95 | 1.23 | 1.29 | 1.18 | 1.19 | 0.83 | 1.04 | 0.87 | 1.26 |
| Effective | 1.15 | 1.15 | 1.15 | 1.15 | 1.15 | 1.15 | 1.15 | 1.15 | 1.15 | 1.15 | 1.15 | 1.15 | |
| Delta | 0.12 | 0.14 | 0.11 | 0.2 | 0.08 | 0.14 | 0.03 | 0.04 | 0.32 | 0.11 | 0.28 | 0.11 | |
| Eye height (m) | Observed | 1.5 | 1.75 | 1.77 | 1.42 | 1.75 | 1.76 | 1.68 | 1.72 | 1.37 | 1.57 | 1.34 | 1.78 |
| Effective | 1.77 | 1.77 | 1.77 | 1.77 | 1.77 | 1.77 | 1.77 | 1.77 | 1.77 | 1.77 | 1.77 | 1.77 | |
| Delta | 0.27 | 0.02 | 0 | 0.35 | 0.02 | 0.01 | 0.09 | 0.05 | 0.4 | 0.2 | 0.43 | 0.01 | |
| Elbow–hand grip length (m) | Observed | 0.24 | 0.27 | 0.30 | 0.3 | 0.34 | 0.29 | 0.31 | 0.34 | 0.29 | 0.27 | 0.29 | 0.35 |
| Effective | 0.30 | 0.35 | 0.35 | 0.35 | 0.35 | 0.35 | 0.35 | 0.35 | 0.35 | 0.35 | 0.35 | 0.35 | |
| Delta | 0.06 | 0.08 | 0.05 | 0.05 | 0.01 | 0.06 | 0.04 | 0.01 | 0.06 | 0.08 | 0.06 | 0 | |
| Arm length (m) | Observed | 0.28 | 0.28 | 0.32 | 0.28 | 0.34 | 0.29 | 0.31 | 0.34 | 0.34 | 0.32 | 0.27 | 0.33 |
| Effective | 0.40 | 0.40 | 0.40 | 0.40 | 0.40 | 0.40 | 0.40 | 0.40 | 0.40 | 0.40 | 0.40 | 0.40 | |
| Delta | 0.12 | 0.12 | 0.08 | 0.12 | 0.06 | 0.11 | 0.09 | 0.06 | 0.06 | 0.08 | 0.13 | 0.07 | |
| Shoulder height (m) | Observed | 0.43 | 0.44 | 0.44 | 0.43 | 0.44 | 0.43 | 0.44 | 0.45 | 0.44 | 0.44 | 0.43 | 0.44 |
| Effective | 0.45 | 0.45 | 0.45 | 0.45 | 0.45 | 0.45 | 0.45 | 0.45 | 0.45 | 0.45 | 0.45 | 0.45 | |
| Delta | 0.02 | 0.01 | 0.01 | 0.02 | 0.01 | 0.02 | 0.01 | 0.00 | 0.01 | 0.01 | 0.02 | 0.01 | |
| Average error | 0.12 | 0.07 | 0.05 | 0.15 | 0.04 | 0.07 | 0.05 | 0.03 | 0.17 | 0.10 | 0.18 | 0.04 | |
| Sub-Test Number | 1 | 2 | 3 | 4 | 5 | 6 | 7 | 8 | 9 | 10 | Average [m] | Average [%] | |
|---|---|---|---|---|---|---|---|---|---|---|---|---|---|
| Sex (M = Male, F = FEMALE) | M | M | M | F | M | M | F | M | F | M | |||
| Height (m) | 1.87 | 1.85 | 1.73 | 1.57 | 1.70 | 1.93 | 1.59 | 1.80 | 1.64 | 1.79 | |||
| Elbow height (m) | Observed | 1.31 | 1.29 | 1.09 | 1.14 | 1.17 | 1.33 | 1.1 | 1.24 | 1.05 | 1.24 | ||
| Effective | 1.3 | 1.28 | 1.07 | 1.04 | 1.04 | 1.19 | 0.98 | 1.14 | 1 | 1.09 | |||
| Delta | 0.01 | 0.01 | 0.02 | 0.1 | 0.13 | 0.14 | 0.12 | 0.1 | 0.05 | 0.15 | 0.083 | 8 | |
| Eye height (m) | Observed | 1.76 | 1.78 | 1.68 | 1.59 | 1.62 | 1.85 | 1.53 | 1.71 | 1.55 | 1.68 | ||
| Effective | 1.77 | 1.75 | 1.63 | 1.49 | 1.6 | 1.83 | 1.51 | 1.7 | 1.56 | 1.69 | |||
| Delta | 0.01 | 0.03 | 0.05 | 0.1 | 0.02 | 0.02 | 0.02 | 0.01 | 0.01 | 0.01 | 0.028 | 2 | |
| Elbow–hand grip length (m) | Observed | 0.32 | 0.37 | 0.33 | 0.25 | 0.34 | 0.39 | 0.28 | 0.37 | 0.3 | 0.35 | ||
| Effective | 0.3 | 0.37 | 0.33 | 0.29 | 0.32 | 0.36 | 0.3 | 0.37 | 0.33 | 0.37 | |||
| Delta | 0.02 | 0 | 0 | 0.04 | 0.02 | 0.03 | 0.02 | 0 | 0.03 | 0.02 | 0.018 | 6 | |
| Arm length (m) | Observed | 0.39 | 0.3 | 0.31 | 0.28 | 0.35 | 0.31 | 0.26 | 0.37 | 0.3 | 0.39 | ||
| Effective | 0.4 | 0.35 | 0.34 | 0.3 | 0.35 | 0.36 | 0.29 | 0.38 | 0.34 | 0.38 | |||
| Delta | 0.01 | 0.05 | 0.03 | 0.02 | 0 | 0.05 | 0.03 | 0.01 | 0.04 | 0.01 | 0.025 | 8 | |
| Shoulder height (m) | Observed | 0.44 | 0.42 | 0.46 | 0.42 | 0.44 | 0.46 | 0.4 | 0.46 | 0.42 | 0.45 | ||
| Effective | 0.45 | 0.46 | 0.47 | 0.41 | 0.45 | 0.49 | 0.42 | 0.47 | 0.43 | 0.46 | |||
| Delta | 0.01 | 0.04 | 0.01 | 0.01 | 0.01 | 0.03 | 0.02 | 0.01 | 0.01 | 0.01 | 0.016 | 4 | |
| Item | Parts |
|---|---|
| 1 | Pump crankcase |
| 2 | Rotor |
| 3 | Diffuser |
| 4 | Shaft |
| 5 | Adapter |
| 6 | Seal housing disc |
| 7 | Mechanical seal |
| 8 | Elastomers |
| 9 | Fill/drain plugs |
| 10 | Wear ring |
| 11 | Bolts and screws |
| Technical Actions Performed with the Left Arm | Time [s] | Technical Actions Performed with the Right Arm | Time [s] |
|---|---|---|---|
| Move the work table towards the operator | 2 | - | |
| Take the rotor | 3 | - | |
| Place the rotor | 2 | Place the rotor | 3 |
| Take the seal housing disk | 2 | ||
| Positioning | 2 | Positioning | 2 |
| Fix the components | 1 | Fix the components | 1 |
| - | Move the work table to the right | 2 |
| Parameter | Left Arm | Right Arm |
|---|---|---|
| Force multiplier | 0.72 | 0.80 |
| Posture multiplier | 0.70 | 0.70 |
| Additional multiplier | 0.85 | 0.85 |
| Repetitiveness multiplier | 0.70 | 0.70 |
| Cycle time [s] | 17.6 | 17.6 |
| Frequency (technical actions per minute) | 17 | 17 |
| Duration multiplier | 1.1 | 1.1 |
| Actual technical actions | 7000 | 7000 |
| Recommended technical actions | 4057 | 4506 |
| OCRA Index | 1.7 | 1.6 |
| Parameter | Left | Right |
|---|---|---|
| Force multiplier | 0.72 | 0.80 |
| Posture multiplier | 0.70 | 1.00 |
| Additional multiplier | 0.85 | 0.85 |
| Repetitiveness multiplier | 0.70 | 0.70 |
| Cycle time [s] | 17.6 | 17.6 |
| Frequency (technical actions per minute) | 17 | 17 |
| Duration multiplier | 1.1 | 1.1 |
| Actual technical actions | 7000 | 7000 |
| Recommended technical actions | 4057 | 6437 |
| OCRA Index | 1.7 | 1.1 |
| Assembly Task | Fixed Workstation [°] | A3S [°] | Reduction [°] | Percentage Reduction [%] |
|---|---|---|---|---|
| Picking of the rotor from the module | 64° | 56° | 8° | 13% |
| Assembly of the seal housing disk | 25° | 15° | 10° | 40% |
| Insertion of the rotor into the crankcase | 38° | 20° | 18° | 47% |
Disclaimer/Publisher’s Note: The statements, opinions and data contained in all publications are solely those of the individual author(s) and contributor(s) and not of MDPI and/or the editor(s). MDPI and/or the editor(s) disclaim responsibility for any injury to people or property resulting from any ideas, methods, instructions or products referred to in the content. |
© 2023 by the authors. Licensee MDPI, Basel, Switzerland. This article is an open access article distributed under the terms and conditions of the Creative Commons Attribution (CC BY) license (https://creativecommons.org/licenses/by/4.0/).
Share and Cite
Bortolini, M.; Botti, L.; Galizia, F.G.; Mora, C. Ergonomic Design of an Adaptive Automation Assembly System. Machines 2023, 11, 898. https://doi.org/10.3390/machines11090898
Bortolini M, Botti L, Galizia FG, Mora C. Ergonomic Design of an Adaptive Automation Assembly System. Machines. 2023; 11(9):898. https://doi.org/10.3390/machines11090898
Chicago/Turabian StyleBortolini, Marco, Lucia Botti, Francesco Gabriele Galizia, and Cristina Mora. 2023. "Ergonomic Design of an Adaptive Automation Assembly System" Machines 11, no. 9: 898. https://doi.org/10.3390/machines11090898
APA StyleBortolini, M., Botti, L., Galizia, F. G., & Mora, C. (2023). Ergonomic Design of an Adaptive Automation Assembly System. Machines, 11(9), 898. https://doi.org/10.3390/machines11090898

