Next Article in Journal
Experimental Study of Robotic Polishing Process for Complex Violin Surface
Next Article in Special Issue
Investigative Study of the Effect of Damping and Stiffness Nonlinearities on an Electromagnetic Energy Harvester at Low-Frequency Excitations
Previous Article in Journal
A Method of Improving the Length Measurement Accuracy of Metal Parts Using Polarization Vision
Previous Article in Special Issue
Response Analysis of Nonlinear Viscoelastic Energy Harvester with Bounded Noise Excitation
 
 
Font Type:
Arial Georgia Verdana
Font Size:
Aa Aa Aa
Line Spacing:
Column Width:
Background:
Article

PT Symmetry-Based AUV Dual Transmission Coil Wireless Power Transfer System Design

School of Marine Electrical Engineering, Dalian Maritime University, Dalian 116026, China
*
Author to whom correspondence should be addressed.
Machines 2023, 11(2), 146; https://doi.org/10.3390/machines11020146
Submission received: 18 December 2022 / Revised: 13 January 2023 / Accepted: 17 January 2023 / Published: 20 January 2023
(This article belongs to the Special Issue New Advances in Energy Harvesters)

Abstract

Autonomous underwater vehicles (AUVs) are widely used for ocean exploration; however, the way they are replenished becomes the biggest issue limiting their range and efficiency. A dual transmission coil wireless power transfer (DTCWPT) system based on parity–time (PT) symmetry is proposed in this paper to realize an autoadaptive constant power transmission. A shielded housing structure for coils is equipped to realize WPT in the ocean. In the offset experiments, the proposed dual transmitting coil structure was able to achieve a stable power transmission of 39 W within an offset range of 8.1 cm. It is obvious that the DTCWPT system based on PT symmetry could charge an AUV in the ocean with high robustness. This paper provides a novel solution based on DTCWPT for AUV energy supply. The proposed DTCWPT system could offer remarkable improvements in the navigation performance of AUVs.

1. Introduction

In recent years, the rapid development of wireless energy transmission technology and its gradual application in various electrical devices have greatly contributed to improving the charging modes of electrical devices. While wireless power technology has made significant contributions to the way electrical equipment is charged, it also faces the challenges of coupling and high power [1]. As typical WPT applications, AUVs are increasingly used in ocean research and seabed exploration for science and industry [2]. Despite significant advances in underwater robotics, their range, speed, scope, and payload are still limited by the type and capacity of on-board energy storage devices [3]. Therefore, charging infrastructure is certainly important for underwater robots.
AUVs play an important role as a maritime force for exploring landscapes, salvaging shipwrecks, laying underwater cables, collecting underwater information [4,5], and protecting the privacy of ocean locations [6], with the advantages of autonomous control and increased flexibility and freedom in maritime operations [7], As shown in the example of the underwater robot in the Figure 1. With the development of collision-avoidance navigation systems [8] and AUV path tracking control [9], the operation radius of AUVs has raised higher requirements. Successful underwater charging can increase underwater operation time and improve work efficiency. However, this process also faces problems such as corrosion caused by water intake and a cumbersome underwater charging process [10]. A noncontact charging system transmits electrical energy in a contactless way through electromagnetic coupling between coils. The two sides of the circuit package alone, can play an isolation role. No contact reduces the risk of friction. These advantages make it an ideal charging method for AUVs.
The power transmission of AUVs [11] mostly adopts a high-power limited charging system. However, there are problems with underwater wireless power supply systems. First, the transmitting power and the efficiency are not enough to drive an underwater robot. Second, when the distance between the two coils increases, the coil radius needs to increase. Finally, the power transmission is unstable because of the complex environment. Various solutions have been proposed for the stability of wireless charging [12]. The docking system developed by the Woods Hole Oceanographic Institution in Woods Hole, Massachusetts, USA, uses a deep-sea mooring supported by a surface buoy for an Odyssey class underwater robot [13]. The docking structure, electrical system, batteries, and data cables are supported by the mooring equipment. The underwater robot clamped by the slide frame is guided by a V-shaped latch before the power transfer starts. The docking station structure implemented in the REMUS Docking Station is popular among many researchers [14]. It allows the creation of a protected garage near the underwater robot. The hardware of the underwater robot does not have to be modified. Marine Bird is an experimental AUV for underwater docking based on the concept named Base Landing [15]. As the AUV approaches the base, the AUV is locked by hooks. Then, the lock connector is put down to complete the docking process. The battery of the underwater vehicle is charged by induction coupling. However, the system is heavy and expensive because of the use of motors.
An underwater glider can be recharged by another AUV [16]. It was developed by researchers at Michigan Technological University, Michigan, USA, by Roughie. The glider wings act as guides, allowing the two vehicles to lean together. After a successful capture, the glider uses switchable magnets to strengthen the coupling before the power transfer begins. In addition, additional mechanical structures are needed to stabilize the core gap. However, this makes the structure of the system more complex.
Current research on wireless energy transmission technology has mainly focused on implementation, mainly through the electromagnetic induction type [17], magnetically coupled resonance type, and ultrasonics type, among which magnetically coupled resonance WPT technology, which can achieve medium-range power transmission, is favored by many scholars [18]. The magnetically coupled resonance WPT technology can achieve medium-range power transmission. However, in the complex environment of practical applications, this can lead to lateral or longitudinal displacement of the coil between the transmitter and the receiver, which diminishes output power and efficiency. This is the greatest difficulty to be addressed in wireless power transfer technology [19]. By introducing the concept of parity-time (PT) symmetry in quantum physics, some scholars have solved the above problem of the WPT technique with good results [20]. The total gain rate of the transmitter circuit is equal to the total loss rate of the receiver circuit, and the intrinsic resonant frequency of the transmitting circuit and the intrinsic resonant frequency of the receiving circuit are the same in the PT symmetry condition of a system. When the WPT is in the point symmetry region, the efficiency and output power of the system are independent of the coupling coefficient.
In Ref. [21] was proposed a PT symmetry WPT system with a velocity compensation structure. An ordinary PT symmetric WPT system requires the same topology between the transmitter and the receiver, but this PT symmetric WPT system with a velocity compensation structure is asymmetric. However, the hamiltonian quantity (visible measurements from quantum mechanics) of the system is constant. Thus, it can be considered as PT symmetric. The condition for implementing the PT symmetry-based WPT system is that the transmitter and receiver circuits have the same topology and inherent resonant frequency. However, the change in operating frequency due to the change in transmission distance is only one of the characteristics of PT symmetry-based WPT systems. The above PT symmetry-based WPT system is highly robust in the PT symmetry region. However, when the system operates in the PT broken region, the change in the coupling coefficient of the system leads to a large change in the output power and efficiency of the system. It is difficult to achieve the efficient and fast transmission of electrical energy for wireless power transfer underwater. Therefore, ensuring operation in the PT symmetry range is the motivation for the work in this paper.
At present, most scholars have conducted experimental validation in the laboratory state. Li et al. [22] investigated the influence of high pressure and axial misalignment on the electromagnetic coupler operation in the deep-sea environment. A 400-W prototype inductive coupler was constructed using a pot core. Wang et al. [23] designed a wireless loosely coupled system for a man-pack AUV of the 50-kg class using a PM-core magnetic coupler. The designed coupler transfers 500 W of power at an efficiency of 88% when the gap distance varies from 6 to 10 mm. To adjust an electromagnetic coupler to AUVs structure, a new arc core structure is proposed in [24]. The arc electromagnetic coupler is a modified EE core with the primary and the secondary housed on the base station and the AUV. The electromagnetic coupler made of Mn–Zn ferrite material was integrated into the shell structure of AUV made of plexiglass. The designed prototype has achieved an efficiency of 82% at the 5-mm gap for an operating frequency of 100 kHz.
The DTC-WPT system proposed in this paper has three advantages: firstly, it can resist the reduction of inductance and coupling coefficient caused by bias, and this design is less prone to misalignment than the design with flat end, which keeps the power transmission better in the strong coupling region; secondly, they are more robust and practical structures that can resist the effect of water flow while reducing eddy current losses. Finally, the circuit topology of the dual transmitter coils allows for twice the power transfer at the same input voltage level. In this paper, 39 W of transmitted power was achieved at an input voltage of 18 V, with an efficiency of 91.5%.
The main contribution of this paper is to model and analyze the DTC-WPT system based on PT symmetry. The magnetic field of a single transmitting coil magnetic coupler and the magnetic field of a dual transmitting coil magnetic coupler are compared in Section 2. The electrical characteristics of a dual transmitting coil (DTC) WPT system are analyzed in Section 3. A detailed description of the proposed DTC WPT system structure is given in Section 4. In addition, an experimental verification is provided in Section 5. It describes the power distribution between loads for different coupling cases. Finally, conclusions are offered in Section 5.

2. Analysis of the Proposed Magnetic Coupler Structure

The schematic diagram of the proposed system in this paper is shown in Figure 2.
Typically, single-coil coupling is mostly used in WPT systems to transfer energy. A single coil produces a magnetic field that diverges from the center of the coil. However, a pair of single pole coils with the same current direction will directly create a uniform magnetic field along one axis. Figure 3a,b compare the magnetic field strengths of DTCWPT and conventional WPT on the receiving side, and in Figure 3c it can be observed that the magnetic induction lines passing through the receiving coil in DTCWPT are more uniform and dense.
To realize a WPT system with higher efficiency and stronger robustness, a new WPT structure is proposed. It places the receiving coil in a double transmitting coil. The receiving coil is placed in a strongly coupled region with uniform and concentrated magnetic induction lines, effectively improving the robustness of the PT symmetric WPT [25]. The magnetic fields generated by the Helmholtz and Maxwell coils at various points in space are investigated using a hybrid approach combining superposition principles and analytical results. The magnetic fields of the three Maxwell coils at various points in space are simulated and analyzed by evaluating the magnetic fields at any point in the coil arrangement space. This is based on iterating the magnetic fields generated by a finite number of current carrying wires several time without using advanced calculus, resulting in the simulation results shown in Figure 3. It can be observed that the total magnetic flux B is superimposed on the two magnetic fields at the middle coil position. The magnetic induction lines are very dense at the middle receiving coil position. They are perpendicular to the coil.
The negative resistance part of the system is implemented by a feedback system and a full bridge inverter, the details of which are described in Section 3. Two hypotheses are proposed based on the above analysis. In addition, separate parametric mathematical models describing circuit theory are developed.

2.1. Case1 Single-Transmission Loop Wireless Energy Transmission

In Figure 4, Transmitter 1 and Transmitter 2 are the transmitting coils of the two loops, and the Receiver indicates the receiving coil. R t and R r denote the equivalent series resistance, which for simplicity is considered constant and represents the conduction loss of the coil, power semiconductor, etc.

2.2. Case2 Dual Transmission Coil Wireless Power Transfer (DTCWPT)

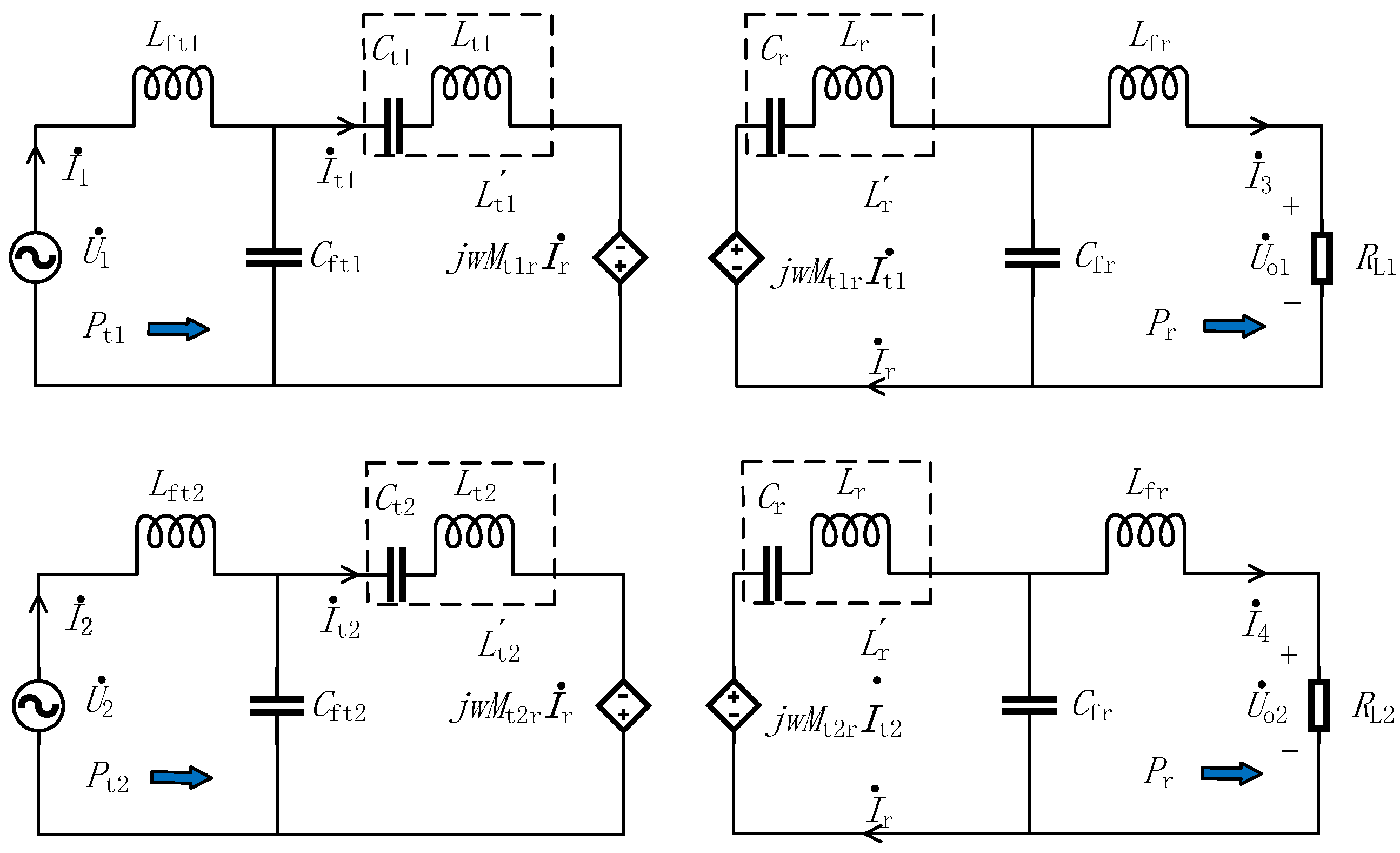
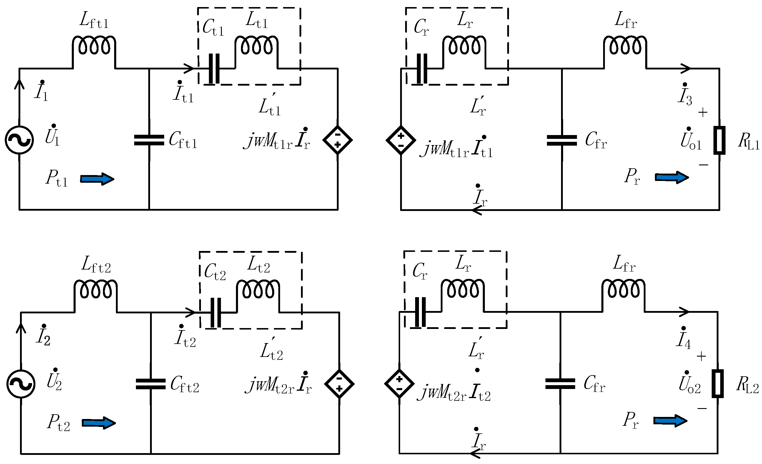
In Figure 5 Transmitter 1 and Transmitter 2 represent the transmitter inductances L t 1 and L t 2 . C t 1 and C t 2 represent the transmitter loop capacitances, and C r is the capacitance of the receiver loop. R t 1 , R t 2 , and R r represent the equivalent series resistance, which is considered constant for simplicity, and represent the conduction loss of the coil, power semiconductor, etc.
A schematic of the coupling between the three coils is shown in Figure 6, where M t 1 r denotes the mutual inductance between transmitter 1 and the receiving coil, M t 2 r denotes the mutual inductance between transmitter 2 and the receiving coil, and M t 1 t 2 and M t 2 t 1 denote the mutual inductance between the two transmitter coils. On the transmitting side, the flux excited by i t 1 crosses coil L r , and the amount of this flux can be expressed as Ψ t 1 r . The flux excited by i t 2 crosses coil L r and the amount of this flux can be expressed as Ψ t 2 r . “S” is the area of the monopole coil, “B” represents the flux density, and since the area of the three coils is the same, it is uniformly expressed as S. Ψ t 1 r can be expressed as Equation (1) [26]:
Ψ t 1 r = B t 1 r d S
The mutual inductance M r t 1 between coils L t 1 and L r is essentially the magnetic flux Ψ r t 1 generated by the current i t 1 in coil i t 1 , which induces energy in coil L r , as shown in Equation (2).
M r t 1 = Ψ r t 1 I t 1
Figure 3 shows that the magnetic flux B of the proposed structure at the receiver coil position under equal excitation is significantly larger than that of the conventional wireless charging structure, which gives the structure a higher coupling coefficient and has a positive impact on the power and stability of the WPT system.
The structure is controlled by two controllable DC sources that can offset the mutual inductance between coils L t 1 and L t 2 and the respective self-inductance generated by [26], which shows that the coil in the semiclosed core structure can effectively suppress magnetic leakage, reduce electromagnetic radiation, and improve the transmission efficiency in the system, as well as provide the system with good water resistance. Therefore, this structure is designed as a semiclosed system, and the conceptual diagram is shown in Figure 7.
In practice, there are two types of misalignment in DTCWPT systems, x-misalignment (up and down) and y-misalignment (left and right), according to [26], as shown in Figure 3. For the proposed wireless charging system, it is difficult and inconvenient to adjust the misalignment in the x-direction. Meanwhile, reducing the y-directional misalignment by a semi-closed design is much easier to adjust. Therefore, with the semi-closed device design, the y-axis misalignment can be ignored and we choose the x-axis misalignment for analysis. The magnetic field of the coil structure can be obtained with the help of the finite element simulation, and the simulation results for a misalignment of 2 cm are shown in Figure 8. Figure 8a shows a schematic diagram of the magnetic field of the conventional wireless energy transmission structure, and Figure 8b shows the proposed wireless energy transmission structure, and it can be observed from the figure that after the misalignment of the transmitting coil and the receiving coil occurs, the magnetic field at the receiver coil position of the proposed dual transmit coil structure is significantly better than that of the single transmit coil, which is consistent with the theoretical analysis.
The magnetic field of the coil structure can be obtained with the help of finite element simulation, and the simulation results are shown in Figure 8, from which it can be observed that the received energy decreases with the increase in the misalignment distance, and the proposed dual-transmitting coil structure corresponds to a receiving coil with a significantly better magnetic field than the single-transmitting coil, which is in good agreement with the theoretical analysis.

3. Theoretical Analysis

3.1. Case 1: Single-Transmission Loop Wireless Energy Transmission

In Case 1, a negative resistor connected to a modified inductive structure supplies energy to a single transmission coil. In order for the power transfer to satisfy the parity time symmetry condition and for the transmitter and receiver to achieve resonance, the transmission coil should have the same inductance value as the receiving coil. The negative resistor consists of a controlled voltage source of a full Bridge Inverter and its control part, which is the energy source of the whole system. The output power is connected to the load R L . In the following analysis, U 1 and I 1 denote the phase forms of the corresponding variables.
Currently, the analysis methods of WPT systems are divided into the following two categories. One is the basic approximation method, which ignores the higher order harmonics [27,28]; the other considers fundamental and higher harmonics. Of course, the degree of accuracy of the system model is proportional to the higher harmonic components. Due to the filtering characteristics of the compensation network, the fundamental approximation is used in this paper under static conditions. Since most of the high frequency components are filtered by the compensation circuit, the phase of the voltage generated by the inverter is expressed as:
U ˙ 1 = 4 U D C 2 π 0
The self-inductance at the transmitting and receiving ends can be expressed as:
L t = L t 1 ω 2 C t L r = L r 1 ω 2 C r
where ω is the operating angular frequency of the system. The equivalent self-inductance can be adjusted by configuring the resonant frequency and the series compensation capacitor. To frequency match the transmitter and receiver LCC networks, the circuit parameters are formulated, as follows [29]:
L ft · C ft = 1 ω 2 L t · C ft = 1 ω 2 L fr · C fr = 1 ω 2 L r · C fr = 1 ω 2
The resonant frequency is independent of the mutual inductance and load conditions, and is only related to the parameters of inductance and capacitance in the system. Figure 9 illustrates the conventional WPT topology. The frequency of each LCC network is matched to the resonant frequency defined by Equation (5). Considering the fundamental components of rectifier voltage and current [30], the equivalent resistance R e q of the rectifier is:
R e q = 8 π 2 R L
The voltage U O 1 in Figure 4 is the voltage of the rectifier. According to [29], U O 1 delays U 1 by 90°. Therefore, we can obtain:
U ˙ o 1 = 4 U o 2 π 90
According to [29] and according to Kirchhoff’s law, for the emitter:
I ˙ t = U ˙ 1 j ω L ft I ˙ 1 = M L t I ˙ r
Corresponding receiver:
I ˙ r = U ˙ o j ω L fr I ˙ 2 = M U ˙ 1 j ω L ft L r
The inverter supplies active power to the load only under resonant conditions. Combining Equation (3) and Equations (7)–(9), the compensation variables are designed symmetrically to simplify the analysis, so that, in combination with Equation (5), the power on the receiving side is expressed as:
P r = 8 U d c U o M ω π 2 L f 2
From Equation (10), it can be derived that the total power is related to the voltage U D C , U O , the filter inductance L f , the mutual inductance M and the operating frequency ω . While the single-loop circuit structure is consistent with the conventional WPT, only the coil structure is improved, and the simulation shows that it can improve the mutual inductance M between the transmitting and receiving coils, increasing the power and efficiency without adding any components. This has some practical significance in practical applications such as underwater charging, where larger transmission power is often required to achieve a faster rate of wireless energy transmission. Therefore, the dual launch loop design described in the previous section is proposed.

3.2. Case 2: Dual Transmission Coil Wireless Power Transfer (DTCWPT)

The scheme of the DTCWPT system based on a dual-emitter loop is shown in Figure 10. Each emitter loop is separately equipped with a negative resistor. The resonant inverters supply AC power to the corresponding transmitters at the same operating frequency. Each receiver is equipped with a rectifier to provide energy to the load.
The equivalent resistance of the rectifier is denoted as R L . Both the transmitting and receiving loops are tuned by an LCC compensation network, which includes the following components L f t i , C t i , L t i , L f r , C f r , and C r . The basic voltage phase of the inverter can be expressed as:
U ˙ t t = U ˙ t r = 4 U DC 2 π 0
The equivalent self-inductance of the transmitting and receiving coils is expressed as:
L ti = L ti 1 ω 2 C ti ( i = 1 , 2 ) L r = L r 1 ω 2 C r
The circuit parameters are usually determined by the following equation [29]:
L t 1 · C ft 1 = L r · C fr = 1 ω 2 L t 1 · C ft 1 = L r · C fr = 1 ω 2
Figure 10 illustrates the equivalent circuit of the proposed DTCWPT topology. The LCC compensation network is tuned to the resonant frequency bounded by Equation (13). The voltages U o 1 and U o 2 in Figure 10 are the rectifier voltages. According to [29], U o 1 and U o 2 delay U 1 and U 2 Angle 90 degrees. Thus, we can obtain:
U ˙ o 1 = U ˙ o 2 = 4 U o 2 π 90
According to Kirchhoff’s law, for the emitter [29]:
I ˙ t 1 = U ˙ t 1 j ω L ft 1 I ˙ t 2 = U ˙ t 2 j ω L ft 2 I ˙ 1 = M t 1 r L t 1 I ˙ r I ˙ 2 = M t 2 r L t 2 I ˙ r
Corresponding receiver:
I ˙ r = U ˙ o j ω L fr I ˙ 3 = M tlr U ˙ 1 j ω L ft 1 L r I ˙ 4 = M t 2 r U ˙ 2 j ω L ft 2 L r
The input impedance of the inverter is expressed as:
Z t 1 = U ˙ t 1 I ˙ 1 = U D C ω L t 1 L fr U o M t 1 r Z t 2 = U ˙ t 2 I ˙ 2 = U D C ω L t 2 L fr U o M t 2 r .
Combining Equation (11) and Equations (15) and (16), the active output power can be derived as:
P r = R L · I 3 + I 4 2 = 8 U DC U o M t 1 r + M t 2 r ω π 2 L r L ft 1
To simplify the analysis, the compensation loop parameters are designed to be symmetrical.
L t 1 = L t 2 = L r = L r = L ft 1 = L ft 2 = L fr = L f
P r = 8 U D C U o M t 1 r + M t 2 r ω π 2 L f 2
From Equation (20), the proposed system can be designed to double the output power of the system. The output power is related to the mutual inductance of the voltages U D C and U O , M t 1 r and M t 2 r , the filter inductance L f , and the operating frequency ω . Both the single transmission coil wireless energy transmission system in Figure 9 and the DTCWPT system in Figure 10 are treated as linear systems in this paper. Then, according to the theorem of superposition, the steady-state solution of the DTCWPT system can also be derived from Equation (3) to Equation (10). The detailed derivation can be simply achieved by changing the subscript of the variable.

4. System Construction

According to the theoretical analysis in Section 3, the PT symmetry-based WPT system will get constant output power and constant transfer efficiency in the strongly coupled region. Based on this theory, a 39 W scaled-down AUV wireless energy transmission system is designed. In fact, with a reasonable design, the PT-based nonlinear wireless charging platform can charge commercial AUVs of 1 kW or more [30]. The AUV power supply structure is not considered in the demonstration charging structure, and for the actual AUV, a DC/DC converter is needed to provide the ideal output voltage and current to meet the AUV charging requirements.

4.1. Negative Resistance Design

Figure 11 shows the control circuit diagram of the proposed system. In the experimental prototype, the H-bridge module can be used as a DC to AC inverter driver, and the power tubes are selected as MOSFET with a maximum dissipation of 64 W. MOSFET can operate in high frequencies with low power consumption and low switching losses, and the four complementary drivers are controlled by signals from the feedback loop, further improving the overall efficiency of the system. The control circuit is completely isolated from the signal input circuit by a high-speed optocoupler. The detailed control circuit of the negative resistance module is shown in Figure 11. The design uses a differential amplifier implemented in the LM6172 to amplify the current sensing signal. The compensator, amplifier, overzero comparator, and H-bridge module are cascaded to generate the drive signal for the full-bridge inverter. The two transmitting loops are controlled separately by two control loops. When both control loops send a trigger signal at the same time, the same phase wireless transmission starts at the same time after the trigger signal is received at both ends, and the phase control is implemented through the MSP430 microcontroller. (TI, USA)

4.2. Coupled Structure Design

Electrical and physical factors need to be considered when designing the transmitting coils (T1 and T2 coils) and the receiving coils (R coils). The dimensions of the demonstration charging housing structure are 20 × 20 × 20 cm, the housing structure is shown in Figure 12, and the inductor coils are selected from the Lietz wire (0.05 mm diameter, 1000 strands) wound magnetic core inductor and empty core inductor. In addition, the system proposed in [31] that adds an additional inductor to the receiving circuit can extend the transmission distance, but, at the same time, the efficiency of the system is compromised. In this paper, the transmitting coil is split into two places, which is beneficial for increasing the power while ensuring the efficiency.
The experimental prototype built in the laboratory is shown in Figure 13. The coupling conditions of the experiments are not fixed and are carried out under different coupling conditions. The proposed device is statically positioned on the platform to obtain accurate experimental results. The T X coil is fixed, while the R X coil can be adjusted laterally in the x direction, as shown in Figure 13. Two cases are set up in the experimental part to verify the effectiveness of the proposed method. A single transmission loop structure, a double transmission loop structure and conventional radio energy transmission are proposed. However, the coupling coefficients of coils with different inductance values at the same distance are not equal. For the sake of fairness, the coil inductance values of Case 1 and Case 2 are set to the same value. Among them, Case 1 represents the case of a single transmission circuit, and Case 2 represents the case of dual transmission circuits.

4.3. Case 1 Experiments with Conventional PT-Symmetric Systems

The experimental prototype is shown in Figure 13. The DC power supply provides the DC input voltage to the system. The compensation capacitor is a multilayer ceramic capacitor. The structure of both transmitting and receiving coils is a spatially spiral structure made of wound Lietz wires (0.05 mm diameter; 1000 strands). First, experiments with a single-loop structure were performed on the described system. The specific experimental parameters are listed in Table 1. The inductance values of the transmit and receive coils were 56 μ H, the coil radius was 120 mm, and the number of turns was 10. The capacitance values of the compensation capacitors on the transmit and receive circuits were 10 nF. The natural resonant frequencies of the transmit and receive loops were set to 212 kHz, and the operating frequency of the system automatically tracked the equation ω = ω 1 ± κ 2 τ 2 2 according to the variation in the coupling coefficient.
Figure 14 shows the voltage waveforms on the transmitting coil and load in Case 1 when the coil center axis is misaligned by less than 1 cm, from which it can be observed that the transmitting coil voltage and the receiving coil voltage can achieve stable transmission. Figure 15 depicts the transmission performance and transmission distance curves of Case 1. Figure 15a shows the curve of output power and coil misalignment degree. It can be observed that in the misalignment less than 6.4 cm, power can be transmitted stably, and the transmission power can reach 20 W. Figure 15b shows that 6.4 cm offers a relatively stable transmission efficiency. Beyond the strong coupling range, power and efficiency show obvious changes. The experimental results are consistent with the theory. The system described in the single-loop structure is similar to the improvement strategy of the conventional transmission system, and the strength of the coupling field of the two coils is enhanced, which improves the transmission performance.
The system described in the single-loop structure is similar to an improved strategy for conventional transmission systems, with enhanced strength of the coupling field of the two coils allowing for an improvement in transmission performance.

4.4. Case 2: Dual Transmission Coil Wireless Power Transfer (DTCWPT)

As with the experiments with the single-launch loop system, the double launch loop system used the same equipment to conduct the experiments. The specific experimental parameters are listed in Table 2.
To compare the efficiency of the system at the same output power, the input voltage was set to 18 V. The semiclosed structure reduces the effect of lateral misalignment to a large extent. The output waveform of the system operating in the strongly coupled region with only the longitudinal misalignment considered is shown in Figure 16, which shows that the voltage transmission between the transmitter and the receiver in the strongly coupled region is in accordance with the theory. Figure 17a shows that the output power can achieve stable transmission in the strongly coupled region before the misalignment of approximately 8.1 cm, and has about twice the transmission power compared with that of Case 1, reaching 39 W. Figure 17b gives the variation of the efficiency in the misalignment experiment, and a stable transmission efficiency can be achieved in the strongly coupled region; Figure 17c shows the adaptive frequency of the system with the change of the coupling situation and regulation, and the experimental results are consistent with the theory.

4.5. Application Shielded Enclosures

Considering the design based on the underwater environment, where seawater generates eddy current losses at high frequencies and is not easy to analyze, we design a housing structure by applying shielding materials so that there are very few line of magnetic induction that can affect the surrounding metal objects.
In order to provide a low impedance path for the magnetic flux, the appropriate reduction in the number of turns of the coil makes the resistance drop significantly within a certain range, while the size of the inductance meets the requirements for wireless power transfer (the more turns, the higher the resistance). We can use thick shielding materials that can absorb large amounts of flux (they have high flux saturation points) to prevent the material behind the RX coil from heating up and improving the transmission efficiency. The design also shields the high-frequency strong electromagnetic interference generated during transmission from harming underwater electromagnetically equipment and the human body. Having electromagnetic shielding and electromagnetic stealth features in the military field can also greatly improve safety.

4.6. Loss Analysis

In the WPT system, the transmission efficiency of the system is a major indicator of concern. Parasitic resistances in the transmitter, receiver, and resonant components absorb energy and reduce efficiency. In addition, there are losses in the inverter and rectifier. To reduce power losses in the transmitter and receiver and to achieve low- temperature characteristics, Lietz wires are used to build the coil because of its low parasitic resistance. In addition, the filter inductor uses Lietz wires and a ferrite core. In addition, the parasitic resistance of the capacitor also needs to be as small as possible. An LCR meter is used to measure the parasitic resistance and filter inductance of the transmitter and receiver. The input power of the inverter can be calculated by obtaining the input voltage and current of the inverter through DC power source 2. The input power of the inverter minus the output power of the inverter is the energy consumed by the inverter, that is, the loss generated by the inverter.
In addition, the coil losses and inductance losses are derived from the same measurement method. The system performs loss measurements at a pure resistive light loads. Figure 18 shows the power loss of the WPT system under different conditions. Figure 18a shows that in Case 1, the coil loss and inverter loss are the main power losses of the system. The system efficiency is 91.6% and the total system loss is 1.54 W. The coil loss is 0.82 W, accounting for 53% of the total loss, and the inverter loss is 0.48 W, accounting for 31% of the total loss. Figure 18b shows that in case 2, the system efficiency is 91.5%, the total system loss is 3.31 W, the coil loss is 1.98 W, accounting for 60% of the total loss, and the inverter loss is 0.91 W, accounting for 27% of the total loss. In addition, this paper implements negative resistance through a full-bridge inverter. Similar to conventional power inverters, the losses in the negative resistance are mainly MOSFET losses. In other words, the losses of the negative resistance are losses from the inverter, and the negative resistance itself does not generate additional losses.

4.7. Application Value Analysis

For a conventional WPT system, it can be observed from (10) that the total power of the system is related to the mutual inductance M, the filter inductance L f , the voltages U D C and U O , and the operating frequency ω of the system. From (19), it can be observed that the total power of the proposed DTCWPT system is related to the mutual inductances M t 1 r and M t 2 r , the filter inductance L f , the voltages U D C and U O , and the system operating frequency ω . It is not difficult to observe that when the load is R L , the operating frequency ω , input voltage U D C , filter inductance L f and mutual inductance of the proposed DTCWPT system are all the same as those of the conventional WPT system. The output power of DTCWPT is twice the output power of conventional WPT. Through the above experiments, the feasibility of the theory is verified. A comparison of the power and efficiency of the conventional infinite electrical energy transmission system with the proposed single-loop and double-loop structures is shown in Figure 19, and the comparison reveals that the mentioned double-loop wireless energy transmission has significant advantages in terms of power and efficiency.
Table 3 shows the comparison between the experimental results and the results of the existing studies, which shows that the system efficiency has reached a high level, especially the DTC-WPT structure proposed in this paper, which can achieve double the output power of the input voltage level and has a great advantage in specific applications. The proposed semi-enclosed structure of the coil, which is encapsulated in a semi-enclosed structure, reduces the magnetic leakage by adding aluminum plate material to the housing, and has great advantages in the special underwater environment.
In practical applications, due to the complex underwater environment, a receiver is generally built at the stern of a ship, or the charging part is taken to be freely placed by a waterproof cable, and the coils are strongly coupled using existing magnet array adsorption or mechanical arms. This structure adopts a hollow multicoil structure, and achieves scenarios with higher mutual inductance requirements by adding a magnetic core in the center of the coil.

5. Conclusions

A novel charging method based on PT symmetry was designed in this paper. Through mathematical model analysis, magnetic field modeling, and experimental verification of the two methods, the research results showed that the single loop structure enhances the mutual inductance in the traditional WPT system, which can improve the stability and power in WPT systems. The proposed double- loop structure also has obvious advantages in terms of stability in the lateral misalignment experiments. A stable WPT can be achieved within a displacement of 8.1 cm. The stable WPT power can reach 39 W with an input DC voltage of 18 V in the laboratory. In addition, a kilowatt level charging power can be achieved in practical applications with a standard input DC voltage on the AUV. Although the magnetic leakage in WPT has great practical significance in actual WPT for AUVs, the proposed semiclosed structure can effectively prevent magnetic leakage. Since a high-frequency WPT in the seawater environment could generate eddy current loss and is complicated to analyze, future research will focus on analyzing the further impact on a WPT system due to the seawater environment.

Author Contributions

Conceptualization, Z.S. and Y.Z.; Methodology, Y.F.; Software, Y.Z.; Validation, Z.S., Y.Z., K.L.; Data curation, Y.Z.; Writing—original manuscript preparation, Z.S.; Writing—review and editing, Y.F. and Z.P. All authors have read and agreed to the published version of the manuscript.

Funding

This work was supported in part by the National Natural Science Foundation of China under Grants 51979020, and in part by the Top-notch Young Talents Program of China under Grant 36261402, and in part by the Liaoning Revitalization Talents Program under Grant XLYC2007188, and in part by Science and Technology Fund for Distinguished Young Scholars of Dalian under Grant 2018RJ08, and in part by the Basic Scientific Research in Colleges and Universities of Liaoning Provincial Education Department under Grant LJKQZ2021007, and in part by the Fundamental Research Funds for the Central Universities under Grant 3132019319.

Institutional Review Board Statement

Not applicable.

Informed Consent Statement

Not applicable.

Conflicts of Interest

The authors declare no conflict of interest.

Abbreviations

WPTWireless power transmission
PTParity time symmetry
AUVAutonomous Underwater Vehicle
DTCWPTDual transmission coil wireless power transfer

References

  1. Teeneti, C.R.; Truscott, T.T.; Beal, D.N.; Pantic, Z. Review of Wireless Charging Systems for Autonomous Underwater Vehicles. IEEE J. Ocean. Eng. 2019, 46, 68–87. [Google Scholar] [CrossRef]
  2. Heshmati-Alamdari, S.; Nikou, A.; Dimarogonas, D.V. Robust Trajectory Tracking Control for Underactuated Autonomous Underwater Vehicles in Uncertain Environments. IEEE Trans. Autom. Sci. Eng. 2021, 18, 1288–1301. [Google Scholar] [CrossRef]
  3. Sedghi, F.; Arefi, M.M.; Abooee, A.; Kaynak, O. Adaptive Robust Finite-Time Nonlinear Control of a Typical Autonomous Underwater Vehicle With Saturated Inputs and Uncertainties. IEEE/ASME Trans. Mechatron. 2020, 26, 2517–2527. [Google Scholar] [CrossRef]
  4. Fang, Z.; Wang, J.; Jiang, C.; Zhang, Q.; Ren, Y. AoI-inspired collaborative information collection for AUV-assisted internet of underwater things. IEEE Internet Things J. 2021, 8, 14559–14571. [Google Scholar] [CrossRef]
  5. Fang, Z.; Wang, J.; Du, J.; Hou, X.; Ren, Y.; Han, Z. Stochastic Optimization-Aided Energy-Efficient Information Collection in Internet of Underwater Things Networks. IEEE Internet Things J. 2021, 9, 1775–1789. [Google Scholar] [CrossRef]
  6. Han, G.; Chen, Y.; Wang, H.; He, Y.; Peng, J. AUV-Aided Data Importance Based Scheme for Protecting Location Privacy in Smart Ocean. IEEE Trans. Veh. Technol. 2022, 71, 9925–9936. [Google Scholar] [CrossRef]
  7. Manikandan, J.; Akash, S.; Vishwanath, A.; Nandakumar, R.; Agrawal, V.K.; Korulla, M. Design and development of contactless battery charger for underwater vehicles. In Proceedings of the Michael Faraday IET International Summit, Kolkata, India, 12–13 September 2015. [Google Scholar]
  8. Zhang, X.; Wang, C.; Jiang, L.; An, L.; Yang, R. Collision-avoidance navigation systems for Maritime Autonomous Surface Ships: A state of the art survey. Ocean Eng. 2021, 235, 109380. [Google Scholar] [CrossRef]
  9. Miao, J.; Deng, K.; Zhang, W.; Gong, X.; Lyu, J.; Ren, L. Robust Path-Following Control of Underactuated AUVs with Multiple Uncertainties in the Vertical Plane. J. Mar. Sci. Eng. 2022, 10, 238. [Google Scholar] [CrossRef]
  10. Hasaba, R.; Okamoto, K.; Yagi, T.; Kawata, S.; Eguchi, K.; Koyanagi, Y. High efficient wireless power transfer system for auv with multiple coils and ferrite under sea. In Proceedings of the 2019 IEEE Wireless Power Transfer Conference (WPTC), London, UK, 18–21 June 2019; pp. 343–346. [Google Scholar]
  11. Stokey, R.; Roup, A.; von Alt, C.; Allen, B.; Forrester, N.; Austin, T.; Goldsborough, R.; Purcell, M.; Jaffre, F.; Packard, G.; et al. Development of the REMUS 600 Autonomous Underwater Vehicle. In Proceedings of the OCEANS 2005 MTS/IEEE, Washington, DC, USA, 17–23 September 2005; p. 1301. [Google Scholar]
  12. Cai, C.; Yang, Z.; Qin, M.; Wu, S. High Transmission Capacity P.U.A. Wireless Power Transfer for AUV Using an Optimized Magnetic Coupler. In Proceedings of the 2018 IEEE International Magnetics Conference (INTERMAG), Singapore, 23–27 April 2018. [Google Scholar]
  13. Singh, H.; Bellingham, J.G.; Hover, F.; Lemer, S.; Moran, B.A.; Von der Heydt, K.; Yoerger, D. Docking for an autonomous ocean sampling network. IEEE J. Ocean. 2001, 26, 498–514. [Google Scholar] [CrossRef]
  14. Stokey, R.; Allen, B.; Austin, T.; Goldsborough, R.; Forrester, N.; Purcell, M.; von Alt, C. Enabling technologies for REMUS docking: An integral component of an autonomous ocean-sampling network. IEEE J. Ocean. Eng. 2001, 26, 487–497. [Google Scholar] [CrossRef]
  15. Fukasawa, T.; Noguchi, T.; Kawasaki, T.; Baino, M. MARINE BIRD, a new experimental AUV with underwater docking and re-charging system. In Proceedings of the OCEANS 2003, San Diego, CA, USA, 22–26 September 2003. [Google Scholar]
  16. Huang, S.; He, L.; Gu, Y.; Wood, K.; Benjaafar, S. Design of a Mobile Charging Service for Electric Vehicles in an Urban En-vironment. IEEE Trans. Intell. Transp. Syst. 2014, 16, 1–12. [Google Scholar] [CrossRef]
  17. Li, J.; Yin, F.; Wang, L.; Cui, B.; Yang, D. Electromagnetic Induction Position Sensor Applied to Anti-Misalignment Wireless Charging for UAVs. IEEE Sens. J. 2019, 20, 515–524. [Google Scholar] [CrossRef]
  18. Cai, C.; Wu, S.; Zhang, Z.; Jiang, L.; Yang, S. Development of a Fit-to-Surface and Lightweight Magnetic Coupler for Autonomous Underwater Vehicle Wireless Charging Systems. IEEE Trans. Power Electron. 2021, 36, 9927–9940. [Google Scholar] [CrossRef]
  19. Zhang, Z.; Zhang, B. Omnidirectional and Efficient Wireless Power Transfer System for Logistic Robots. IEEE Access 2020, 8, 13683–13693. [Google Scholar] [CrossRef]
  20. Assawaworrarit, S.; Yu, X.; Fan, S. Robust wireless power transfer using a nonlinear parity–time-symmetric circuit. Nature 2017, 546, 387–390. [Google Scholar] [CrossRef]
  21. Assawaworrarit, S.; Fan, S. Robust and efficient wireless power transfer using a switch-mode implementation of a nonlinear parity–time symmetric circuit. Nat. Electron. 2020, 3, 273–279. [Google Scholar] [CrossRef]
  22. Li, Z.; Li, D.; Lin, L.; Chen, Y. Design considerations for electromagnetic couplers in contactless power transmission systems for deep-sea applications. J. Zhejiang Univ. Sci. C 2010, 11, 824–834. [Google Scholar] [CrossRef]
  23. Wang, S.; Song, B.; Duan, G.; Du, X. Automatic wireless power supply system to autonomous underwater vehicles by means of electromagnetic coupler. J. Shanghai Jiaotong Univ. 2014, 19, 110–114. [Google Scholar] [CrossRef]
  24. Yan, Z.; Zhang, K.; Wen, H.; Song, B. Research on characteristics of contactless power transmission device for autonomous underwater vehicle. In Proceedings of the OCEANS 2016, Shanghai, China, 10–13 April 2016; pp. 1–5. [Google Scholar]
  25. Enrique, J.; Hurtado, A. Exploring the magnetic field of Helmholtz and Maxwell coils: A computer-based approach exploit-ing the superposition principle. Rev. Bras. Ensino Fisica 2020, 42, e20200282. [Google Scholar]
  26. Cheng, Z.; Lei, Y.; Song, K.; Zhu, C. Design and Loss Analysis of Loosely Coupled Transformer for an Underwater High-Power Inductive Power Transfer System. IEEE Trans. Magn. 2015, 51, 8401110. [Google Scholar]
  27. Deng, J.; Li, W.; Nguyen, T.; Li, S.; Mi, C. Compact and efficient bipolar coupler for wireless power chargers: Design and analysis. IEEE Trans. Power Electron. 2015, 30, 6130–6140. [Google Scholar] [CrossRef]
  28. Li, Y.; Mai, R.; Lin, T.; Sun, H.; He, Z. A Novel WPT System Based on Dual Transmitters and Dual Receivers for High Power Applications: Analysis, Design and Implementation. Energies 2017, 10, 174. [Google Scholar] [CrossRef]
  29. Pantic, Z.; Bai, S.; Lukic, S.M. ZCS LCC-Compensated Resonant Inverter for Inductive-Power-Transfer Application. IEEE Trans. Ind. Electron. 2010, 58, 3500–3510. [Google Scholar] [CrossRef]
  30. Kan, T.; Mai, R.; Mercier, P.P.; Mi, C.C. Design and Analysis of a Three-Phase Wireless Charging System for Lightweight Autonomous Underwater Vehicles. IEEE Trans. Power Electron. 2017, 33, 6622–6632. [Google Scholar] [CrossRef]
  31. Li, S.; Li, W.; Deng, J.; Nguyen, T.D.; Mi, C.C. A Double-Sided LCC Compensation Network and Its Tuning Method for Wireless Power Transfer. IEEE Trans. Veh. Technol. 2015, 64, 2261–2273. [Google Scholar] [CrossRef]
  32. Campi, T.; Dionisi, F.; Cruciani, S.; De Santis, V.; Feliziani, M.; Maradei, F. Magnetic field levels in drones equipped with Wireless Power Transfer technology. In Proceedings of the 2016 Asia-Pacific International Symposium on Electromagnetic Compatibility (APEMC), Shenzhen, China, 17–21 May 2016; pp. 544–547. [Google Scholar]
  33. Mostafa, T.M.; Muharam, A.; Hattori, R. Wireless battery charging system for drones via capacitive power transfer. In Proceedings of the 2017 IEEE PELS Workshop on Emerging Technologies: Wireless Power Transfer (WoW), Chongqing, China, 20–22 May 2017. [Google Scholar]
  34. Zhou, J.; Zhang, B.; Xiao, W.; Qiu, D.; Chen, Y. Nonlinear Parity-Time-Symmetric Model for Constant Efficiency Wireless Power Transfer: Application to a Drone-in-Flight Wireless Charging Platform. IEEE Trans. Ind. Electron. 2018, 66, 4097–4107. [Google Scholar] [CrossRef]
Figure 1. AUV diagram.
Figure 1. AUV diagram.
Machines 11 00146 g001
Figure 2. Block diagram of the described structure.
Figure 2. Block diagram of the described structure.
Machines 11 00146 g002
Figure 3. Comparison of the described structure with the conventional WPT magnetic field. (a) Numerical plot of the magnetic field. (b) Magnetic field distribution diagram. (c) Magnetic field cross section diagram.
Figure 3. Comparison of the described structure with the conventional WPT magnetic field. (a) Numerical plot of the magnetic field. (b) Magnetic field distribution diagram. (c) Magnetic field cross section diagram.
Machines 11 00146 g003
Figure 4. Single transmitter circuit PT-symmetric radio energy transmission structure diagram.
Figure 4. Single transmitter circuit PT-symmetric radio energy transmission structure diagram.
Machines 11 00146 g004
Figure 5. Dual transmitter circuit PT-symmetric radio energy transmission structure diagram.
Figure 5. Dual transmitter circuit PT-symmetric radio energy transmission structure diagram.
Machines 11 00146 g005
Figure 6. The schematic diagram of cross-coupling between coils.
Figure 6. The schematic diagram of cross-coupling between coils.
Machines 11 00146 g006
Figure 7. Conceptual diagram of the proposed construction system.
Figure 7. Conceptual diagram of the proposed construction system.
Machines 11 00146 g007
Figure 8. Schematic diagram of the magnetic field of the proposed structure and the conventional WPT in the misaligned state.
Figure 8. Schematic diagram of the magnetic field of the proposed structure and the conventional WPT in the misaligned state.
Machines 11 00146 g008
Figure 9. Conventional PT-WPT equivalent circuit.
Figure 9. Conventional PT-WPT equivalent circuit.
Machines 11 00146 g009
Figure 10. Equivalent circuit diagram of a dual transmitter circuit.
Figure 10. Equivalent circuit diagram of a dual transmitter circuit.
Machines 11 00146 g010
Figure 11. Circuit structure diagram and output waveform of negative resistor.
Figure 11. Circuit structure diagram and output waveform of negative resistor.
Machines 11 00146 g011
Figure 12. Semi-enclosed housing structure diagram.
Figure 12. Semi-enclosed housing structure diagram.
Machines 11 00146 g012
Figure 13. The experimental prototype of the proposed DTCWPT system based on PT-symmetry.
Figure 13. The experimental prototype of the proposed DTCWPT system based on PT-symmetry.
Machines 11 00146 g013
Figure 14. The experimental waveforms of case 1 under strongly coupled state.
Figure 14. The experimental waveforms of case 1 under strongly coupled state.
Machines 11 00146 g014
Figure 15. The curves of transmission performance versus transmission distance for case 1: (a) output power; (b) efficiency; (c) operating frequency.
Figure 15. The curves of transmission performance versus transmission distance for case 1: (a) output power; (b) efficiency; (c) operating frequency.
Machines 11 00146 g015
Figure 16. The experimental waveforms of case 2 under strongly coupled state.
Figure 16. The experimental waveforms of case 2 under strongly coupled state.
Machines 11 00146 g016
Figure 17. The curves of transmission performance versus transmission distance for case 2: (a) output power; (b) efficiency; (c) operating frequency.
Figure 17. The curves of transmission performance versus transmission distance for case 2: (a) output power; (b) efficiency; (c) operating frequency.
Machines 11 00146 g017
Figure 18. Measured power loss distribution at the 18W output when fully aligned. (a) Conventional WPT system loss. (b) Proposed WPT system attrition.
Figure 18. Measured power loss distribution at the 18W output when fully aligned. (a) Conventional WPT system loss. (b) Proposed WPT system attrition.
Machines 11 00146 g018
Figure 19. System output power and efficiency against different misalignments.
Figure 19. System output power and efficiency against different misalignments.
Machines 11 00146 g019
Table 1. The experimental parameters.
Table 1. The experimental parameters.
SymbolicNoteValues
L t The inductance of transmitting coil56 μ H
L r The inductance of receiving coil56 μ H
C t Capacitance of transmitting circuit10 nF
C r Capacitance of receiving circuit10 nF
f t , f r Natural resonance frequency212 kHz
R t Internal resistance of transmitting coil0.4  Ω
R r Internal resistance of receiving coil0.45  Ω
R L Load resistance10  Ω
V D C DC input voltage18 V
Table 2. DTC-WPT experimental parameters.
Table 2. DTC-WPT experimental parameters.
SymbolicNoteValues
L t 1 The inductance of transmitting coil56 μ H
L t 2 The inductance of transmitting coil56 μ H
L r The inductance of receiving coil56 μ H
C t 1 Capacitance of transmitting circuit10 nF
C t 2 Capacitance of transmitting circuit10 nF
C r Capacitance of receiving circuit10 nF
f t , f r Natural resonance frequency212 kHz
R t 1 Internal resistance of transmitting coil0.4  Ω
R t 2 Internal resistance of transmitting coil0.4  Ω
R r Internal resistance of receiving coil0.95  Ω
R L Load resistance10  Ω
V D C DC input voltage18 V
Table 3. DTC-WPT experimental parameters.
Table 3. DTC-WPT experimental parameters.
ReferenceYearFreq.PowerEff.Operating Condition
[32]2016150 kHz70 W89%Fixed
[33]20176.78 MHz12 W50%Fixed
[34]20191 MHz10 W93.6%Variable
This paper2023212 kHz39 W91.5%Variable
Disclaimer/Publisher’s Note: The statements, opinions and data contained in all publications are solely those of the individual author(s) and contributor(s) and not of MDPI and/or the editor(s). MDPI and/or the editor(s) disclaim responsibility for any injury to people or property resulting from any ideas, methods, instructions or products referred to in the content.

Share and Cite

MDPI and ACS Style

Fu, Y.; Shi, Z.; Zhu, Y.; Lv, K.; Peng, Z. PT Symmetry-Based AUV Dual Transmission Coil Wireless Power Transfer System Design. Machines 2023, 11, 146. https://doi.org/10.3390/machines11020146

AMA Style

Fu Y, Shi Z, Zhu Y, Lv K, Peng Z. PT Symmetry-Based AUV Dual Transmission Coil Wireless Power Transfer System Design. Machines. 2023; 11(2):146. https://doi.org/10.3390/machines11020146

Chicago/Turabian Style

Fu, You, Zhuoqun Shi, Yu Zhu, Kai Lv, and Zhouhua Peng. 2023. "PT Symmetry-Based AUV Dual Transmission Coil Wireless Power Transfer System Design" Machines 11, no. 2: 146. https://doi.org/10.3390/machines11020146

APA Style

Fu, Y., Shi, Z., Zhu, Y., Lv, K., & Peng, Z. (2023). PT Symmetry-Based AUV Dual Transmission Coil Wireless Power Transfer System Design. Machines, 11(2), 146. https://doi.org/10.3390/machines11020146

Note that from the first issue of 2016, this journal uses article numbers instead of page numbers. See further details here.

Article Metrics

Back to TopTop