Functional Safety Analysis and Design of Sensors in Robot Joint Drive System
Abstract
:1. Introduction
2. Functional Safety Concept Design
2.1. Basics of RJDs
2.2. Hazard Analysis and Risk Assessment
- A1: External environmental factors (such as fire, power cut, etc.) are not considered.
- A2: The operator has the ability to program the robot correctly.
- A3: The impact of other faults on RJDs is not considered.
- A4: Each failure in the system can occur at most once at the same time.
- A5: In the hazard analysis and risk assessment, the redundancy of the sensors is not considered. This is further considered as a functional safety requirement and will be reflected in the safety structure proposed later.
- H1: The failure of closed-loop control, causing the robot joint to fly;
- H2: Abnormal current control causes overcurrent of power device to burn driver and servo motor;
- H3: Violent shaking during the movement accompanied by large current fluctuation;
- H4: Robot joints do not respond to commands or respond intermittently.
2.3. Safety Goals
- SG1: When any sensor in the joint drive system fails, the system can locate and isolate the fault to ensure that the system still has full driving capability.
- SG2: In the event of failure of any two sensors in RJDs, the system can be stopped by means of STO.
- SG3: The SIL of the safety-related system should not be lower than SIL2.
3. Failure Analysis and Diagnosis of Sensors of RJDs Based on Model
3.1. Mathematical Model of RJDs
3.2. Current Sensor Failure Diagnosis
3.3. Encoder Failure Diagnosis
4. Safety-Related System Architecture Design
4.1. Logic Subsystem
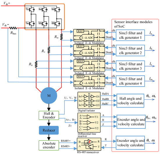
4.2. Sensor Subsystem
4.3. Final Element Subsystem
5. Safety Integrity Analysis Based on Markov Model
5.1. Analysis before Assessment
- MA1: The failure of each element of the system does not affect the failure of other elements at any time and does not consider the probability of two or more failures occurring at the same time.
- MA2: Each element can be restored to its original state after maintenance.
- MA3: The failure rate λ and repair rate μ of all elements are constant with respect to time.
- MA4: When the system is in the initial state, all elements are running normally.
5.2. Markov Model for Safety-Related System
6. Experiment
6.1. A-Phase Current Sensor Failure
6.2. B-Phase and Bus Current Sensor Failure
6.3. Motor Encoder Failure
6.4. Load Encoder and Hall Sensor Failure
7. Conclusions
Author Contributions
Funding
Institutional Review Board Statement
Informed Consent Statement
Data Availability Statement
Conflicts of Interest
References
- Zhu, W.H.; Lamarche, T.; Dupuis, E.; Jameux, D.; Barnard, P.; Liu, G. Precision control of modular robot manipulators: The VDC approach with embedded FPGA. IEEE Trans. Robot. 2013, 29, 1162–1179. [Google Scholar] [CrossRef]
- Zhang, J.; Liu, R.; Yin, K.; Wang, Z.; Gui, M.; Chen, S. Intelligent collaborative localization among air-ground robots for industrial environment perception. IEEE Trans. Ind. Electron. 2018, 66, 9673–9681. [Google Scholar] [CrossRef]
- Yang, C.; Luo, J.; Liu, C.; Li, M.; Dai, S.L. Haptics electromyography perception and learning enhanced intelligence for teleoperated robot. IEEE Trans. Autom. Sci. Eng. 2018, 16, 1512–1521. [Google Scholar] [CrossRef] [Green Version]
- Morioka, M.; Adachi, S.; Sakakibara, S.; Tan, J.T.C.; Kato, R.; Arai, T. Cooperation between a high-power robot and a human by functional safety. J. Robot. Mechatron. 2011, 23, 926–938. [Google Scholar] [CrossRef]
- Ahmed, R.M.; Ananiev, A.V.; Kalaykov, I.G. Safe robot with reconfigurable compliance/stiffness actuation. In Proceedings of the ASME/IFToMM International Conference on Reconfigurable Mechanisms and Robots, London, UK, 22–24 June 2009. [Google Scholar]
- Zheng, J.; Wang, S.; Housden, J.; Hou, Z.G.; Rhode, K. A Safety Joint with Passive Compliant and Manual Override Mechanisms for Medical Robotics. In Proceedings of the IEEE International Conference on Intelligence and Safety for Robotics, Tokoname, Japan, 4–6 March 2021. [Google Scholar]
- Schmitz, A.; Maiolino, P.; Maggiali, M.; Natale, L.; Cannata, G.; Metta, G. Methods and technologies for the implementation of large-scale robot tactile sensors. IEEE Trans. Robot. 2011, 27, 389–400. [Google Scholar] [CrossRef]
- Mohammed, A.; Schmidt, B.; Wang, L. Active collision avoidance for human–robot collaboration driven by vision sensors. Int. J. Comput. Integr. Manuf. 2017, 30, 970–980. [Google Scholar] [CrossRef]
- Tsuji, S.; Kohama, T. A general-purpose safety light curtain using Tof sensor for end effector on human collaborative robot. IEEE Trans. Electr. Electron. Eng. 2020, 15, 1868–1874. [Google Scholar] [CrossRef]
- Li, C.; Liu, F.; Wang, Y.; Buss, M. Concurrent learning-based adaptive control of an uncertain robot manipulator with guaranteed safety and performance. IEEE Trans. Syst. Man Cybern. Syst. 2021, 99, 1–15. [Google Scholar] [CrossRef]
- Peng, J.; Luo, W.; Liu, W.; Yu, W.; Wang, J. A suboptimal and analytical solution to mobile robot trajectory generation amidst moving obstacles. Auton. Robot. 2015, 39, 1–23. [Google Scholar] [CrossRef] [Green Version]
- Wu, H.; Feng, J. A Review of Fault Diagnosis Methods of Robot Joint Servo System. In Proceedings of the IEEE International Conference on Mechatronics and Automation (ICMA), Beijing, China, 13–16 October 2020. [Google Scholar]
- Hashlamon, I.; Erbatur, K. Joint sensor fault detection and recovery based on virtual sensor for walking legged robots. In Proceedings of the IEEE International Symposium on Industrial Electronics (ISIE), Istanbul, Turkey, 1–4 June 2014. [Google Scholar]
- Hong, Y.; Sun, Z.; Zou, X.; Long, J. Multi-joint Industrial Robot Fault Identification using Deep Sparse Auto-Encoder Network with Attitude Data. In Proceedings of the Prognostics and Health Management Conference (PHM-Besançon), Besancon, France, 4–7 May 2020. [Google Scholar]
- Wang, H.; Pekarek, S.; Fahimi, B. Multilayer control of an induction motor drive: A strategic step for automotive applications. IEEE Trans. Power Electron. 2006, 21, 676–686. [Google Scholar] [CrossRef]
- Foo, G.H.B.; Zhang, X.; Vilathgamuwa, D.M. A sensor fault detection and isolation method in interior permanent-magnet synchronous motor drives based on an extended Kalman filter. IEEE Trans. Ind. Electron. 2013, 60, 3485–3495. [Google Scholar] [CrossRef]
- Zhou, Y.; Xu, J.; Jing, Y. Comparison of centralized multi-sensor measurement and state fusion methods with ensemble Kalman filter for process fault diagnosis. In Proceedings of the Chinese Control and Decision Conference, Xuzhou, China, 26–28 May 2010. [Google Scholar]
- Zhang, J.; Rizzoni, G. Functional safety of electrified vehicles through model-based fault diagnosis. IFAC Pap. 2015, 48, 454–461. [Google Scholar] [CrossRef]
- Bourogaoui, M.; Sethom, H.B.; Belkhodja, I.S. Real-time encoder faults detection and rotor position estimation for permanent magnet synchronous motor drives fault tolerant sensorless control using digital signal controller. Math. Comput. Simul. 2017, 1, 131. [Google Scholar] [CrossRef]
- Jeong, Y.S.; Sul, S.K.; Schulz, S.E.; Patel, N.R. Fault detection and fault-tolerant control of interior permanent-magnet motor drive system for electric vehicle. IEEE Trans. Ind. Appl. 2005, 41, 46–51. [Google Scholar] [CrossRef]
- Gaeid, K.S.; Ping, H.W.; Khalid, M.; Masaoud, A. Sensor and sensorless fault tolerant control for induction motors using a wavelet index. Sensors 2012, 12, 4031–4050. [Google Scholar] [CrossRef]
- Long, J.; Mou, J.; Zhang, L.; Zhang, S.; Li, C. Attitude data-based deep hybrid learning architecture for intelligent fault diagnosis of multi-joint industrial robots. J. Manuf. Syst. 2021, 61, 736–745. [Google Scholar] [CrossRef]
- Wang, J.; Wang, D.; Wang, S.; Li, W.; Song, K. Fault diagnosis of bearings based on multi-sensor information fusion and 2D convolutional neural network. IEEE Access 2021, 9, 23717–23725. [Google Scholar] [CrossRef]
- Blank, M.; Staroswiecki, M.; Wu, N.E. Concepts and methods in fault-tolerant control. In Proceedings of the 2001 American Control Conference, Arlington, TX, USA, 25–27 June 2001. [Google Scholar]
- Fazlollahtabar, H.; Niaki, S. Integration of fault tree analysis, reliability block diagram and hazard decision tree for industrial robot reliability evaluation. Ind. Robot. 2017, 44, 754–764. [Google Scholar] [CrossRef]
- Huang, C.; Li, L. Architectural design and analysis of a steer-by-wire system in view of functional safety concept. Reliab. Eng. Syst. Saf. 2020, 198, 106822. [Google Scholar] [CrossRef]
- Zhao, X.; Malasse, O.; Buchheit, G. Verification of safety integrity level of high demand system based on Stochastic Petri Nets and Monte Carlo Simulation. Reliab. Eng. Syst. Saf. 2019, 184, 258–265. [Google Scholar] [CrossRef]
- Haghgoo, O.; Damchi, Y. Reliability modelling of capacitor voltage transformer using proposed Markov model. Electr. Power Syst. Res. 2022, 202, 107573. [Google Scholar] [CrossRef]
- Ge, H.; Asgarpoor, S. Reliability evaluation of equipment and substations with fuzzy Markov processes. IEEE Trans. Power Syst. 2010, 25, 1319–1328. [Google Scholar]
- Wan, Y.; Huang, H.; Das, D.; Pecht, M. Thermal reliability prediction and analysis for high-density electronic systems based on the Markov process. Microelectron. Reliab. 2016, 56, 182–188. [Google Scholar] [CrossRef]
- Azizpour, H.; Lundteigen, M.A. Analysis of simplification in Markov-based models for performance assessment of Safety Instrumented System. Reliab. Eng. Syst. Saf. 2019, 183, 252–260. [Google Scholar] [CrossRef]
- Liang, Q.; Yang, Y.; Zhang, H.; Peng, C.; Lu, J. Analysis of simplification in Markov state-based models for reliability assessment of complex safety systems. Reliab. Eng. Syst. Saf. 2022, 221, 108373. [Google Scholar] [CrossRef]
- Jiang, X.; Fan, D.; Fan, S.; Xie, X.; Chen, N. High-precision gyro-stabilized control of a gear-driven platform with a floating gear tension device. Front. Mech. Eng. 2021, 16, 487–503. [Google Scholar] [CrossRef]
- Bellotti, M.; Mariani, R. How future automotive functional safety requirements will impact microprocessors design. Microelectron. Reliab. 2010, 50, 1320–1326. [Google Scholar] [CrossRef]
- United States of Department of Defense. Reliability Prediction of Electronic Equipment, MIL-HDBK-217F; United States of Department of Defense: Washington, DC, USA, 1995. [Google Scholar]













| Failure Type | Cause | Impact |
|---|---|---|
| Phase current sensor failure |
| Causes errors in the collected current data, resulting in the following dangers:
|
| Motor encoder failure |
| Causes errors in the rotor positioning, resulting in the following dangers:
|
| Load encoder failure |
| Causes feedback velocity and position errors, resulting in the following dangers:
|
| Hazard | The Failure of Closed-Loop Control, Causing the Robot Joint to Fly | |
|---|---|---|
| Application scenario | Manufacturing and processing | |
| Potential Crash Scenario | The robot hits the workers at high velocity. | |
| SIL assessment | Severity | Irreversible: broken limb(s), losing a finger(s) |
| Frequency of exposure | ≥1 per hour | |
| Probability of occurrence | Possible | |
| Probabilities of avoiding or limiting harm | Rarely | |
| Assigned SIL value | SIL 2 | |
| Residual | A-Phase Current Sensor Failure | B-Phase Current Sensor Failure | C-Phase Current Sensor Failure | Bus Current Sensor Failure |
|---|---|---|---|---|
| R1 | ≠0 | ≠0 | ≠0 | Not care |
| R2 | ≠0 | =0 | =0 | ≠0 |
| R3 | =0 | ≠0 | =0 | ≠0 |
| R4 | =0 | =0 | ≠0 | ≠0 |
| Residual | Motor Encoder Failure | Load Encoder Failure | Hall Sensor Failure |
|---|---|---|---|
| R5 | ≠0 | ≠0 | =0 |
| R6 | >Et | <Et | >Et |
| R7 | <Et | >Et | >Et |
| Subsystem | Main Components | Quantity | Component Failure Rate (10−9/h) | Subsystem Failure Rate (10−9/h) |
|---|---|---|---|---|
| LS | Microprocessor | 1 | 553.8 | 553.8 |
| SS | High-precision resistor | 4 | 8 | 1466.8 |
| Isolated Σ-Δ modulator | 4 | 51.6 | ||
| Digital isolator | 1 | 39.4 | ||
| Differential line receiver | 1 | 40.2 | ||
| RS-485 transceiver | 1 | 48.8 | ||
| Hall sensor | 1 | 100 | ||
| Orthogonal pulse encoder | 1 | 500 | ||
| Rotary electric encoder | 1 | 500 | ||
| FS | MOSFET | 1 | 129 | 427 |
| Zener diode | 1 | 16 | ||
| Operational amplifier | 1 | 48 | ||
| Gate driver | 3 | 78 |
| Subsystem | Diagnostic Techniques/Measures | Maximum DC Considered Achievable | Estimated DC |
|---|---|---|---|
| LS | Logical monitoring of program sequence | High | 90% |
| SS | Reference sensor/and Input comparison | High | 99% |
| FS | Reference sensor | Medium | 85% |
| NO. | β | μ | TM (Year) | PFH (h−1) | SIL |
|---|---|---|---|---|---|
| 1 | 0.02 | 1/8 | 10 | 7.132 × 10−7 | SIL3 |
| 2 | 0.02 | 1/16 | 10 | 7.132 × 10−7 | SIL3 |
| 3 | 0.02 | 1/16 | 20 | 7.133 × 10−7 | SIL3 |
| 4 | 0.1 | 1/16 | 20 | 8.841 × 10−7 | SIL3 |
| 5 | 0.1 | 1/32 | 20 | 8.842 × 10−7 | SIL3 |
| 6 | 0.02 | 1/8 | 10 | 7.132 × 10−7 | SIL3 |
Publisher’s Note: MDPI stays neutral with regard to jurisdictional claims in published maps and institutional affiliations. |
© 2022 by the authors. Licensee MDPI, Basel, Switzerland. This article is an open access article distributed under the terms and conditions of the Creative Commons Attribution (CC BY) license (https://creativecommons.org/licenses/by/4.0/).
Share and Cite
Chen, L.; Fan, D.; Zheng, J.; Xie, X. Functional Safety Analysis and Design of Sensors in Robot Joint Drive System. Machines 2022, 10, 360. https://doi.org/10.3390/machines10050360
Chen L, Fan D, Zheng J, Xie X. Functional Safety Analysis and Design of Sensors in Robot Joint Drive System. Machines. 2022; 10(5):360. https://doi.org/10.3390/machines10050360
Chicago/Turabian StyleChen, Lingyu, Dapeng Fan, Jieji Zheng, and Xin Xie. 2022. "Functional Safety Analysis and Design of Sensors in Robot Joint Drive System" Machines 10, no. 5: 360. https://doi.org/10.3390/machines10050360
APA StyleChen, L., Fan, D., Zheng, J., & Xie, X. (2022). Functional Safety Analysis and Design of Sensors in Robot Joint Drive System. Machines, 10(5), 360. https://doi.org/10.3390/machines10050360

