Abstract
In recent years, pneumatic stages have attracted attention as stages for semiconductor manufacturing equipment due to their low cost and minimal maintenance requirements. However, pneumatic stages include nonlinear elements such as friction and air compressibility, making precise control challenging. To address this issue, this paper aims to achieve high-precision positioning by applying a nonlinear position control method to pneumatic stages. To achieve this, we propose a control method that combines filtered right coprime factorization and Prescribed Performance Control–Sliding Mode Control (PPC-SMC). Filtered right coprime factorization not only stabilizes and simplifies the plant but also reduces noise. Furthermore, PPC-SMC enables safer and faster control by constraining the system state within a switching surface that imposes limits on the error range. Through experiments on the actual system, it was confirmed that the proposed method achieves dramatically higher precision and faster tracking compared to conventional methods.
Keywords:
filter; nonlinear control; operator theory; pneumatic stage; position control; prescribed performance control; right coprime factorization; robust control; sliding mode control; stabilization MSC:
47J99; 93-05; 93B52; 93C10; 93D15
1. Introduction
In recent years, the development of artificial intelligence (AI) has been remarkable and shows no signs of slowing down. This progress is not only due to advances in algorithms but also largely attributed to the evolution of transistors that make up computers. The miniaturization of semiconductors has been achieved through changes in transistor structures and the introduction of new materials [1]. As a result, higher performance has also been demanded from semiconductor manufacturing equipment. The most critical component for fabricating ultra-small semiconductors at the nanometer scale is the stage, which must achieve high-speed and high-precision positioning while holding the wafer in place. There are two types of stages: electric and pneumatic [2,3,4]. Electric stages are widely used in semiconductor manufacturing equipment because of their high linearity and ease of precise positioning [2]. However, the magnetic fields and heat generated by the coils can adversely affect the semiconductors. Therefore, pneumatic stages, which do not generate magnetic fields or heat, have attracted attention [3,4]. Nevertheless, pneumatic stages have various nonlinear elements. For example, friction occurs while the stage is operating. In previous research [5], the LuGre model was proposed as a new dynamic friction model, and it has since been widely used in various studies [6,7,8,9,10] and applied to the friction characteristics of pneumatic stage cylinders [11,12]. In addition, the compressibility of air also introduces nonlinear characteristics. Therefore, many studies have been conducted on position control of cylinders used in stages [13,14,15]. Furthermore, research has progressed on position control that considers changes in the density of compressed air. In previous studies [16,17], position control systems for pneumatic cylinders were developed based on the characteristics of pneumatic valves. As described above, since pneumatic stages include various nonlinear elements, nonlinear control is important for achieving precise positioning.
Recently, the following studies have been conducted. Ishii et al. [18,19] modeled the pneumatic stage by dividing it into pneumatic and mechanical parts and aimed for high speed using a PDD2 controller. However, since the model was designed as linear without considering the friction between the pneumatic cylinder and the piston cross-section, time delay occurred. In response, Aoki et al. [20] modeled the friction and combined right coprime factorization with PI-D control to achieve high precision and high speed. Although the time delay was greatly reduced, noise superimposed on the input voltage was not considered. Therefore, the authors of [21] proposed filtered right coprime factorization to reduce noise and realized a robust control system by combining it with sliding mode control (SMC). However, in precision control, it is desirable that the deviation always remains within the allowable range, which was not guaranteed in their study. In addition, compared to Aoki et al. [20], no improvement in response speed was observed.
In this study, position control of a pneumatic stage is performed by combining filtered right coprime factorization and Prescribed Performance Control–Sliding Mode Control (PPC-SMC). The use of filtered right coprime factorization enables noise reduction, resulting in stable and more precise control. Furthermore, PPC-SMC guarantees that the tracking error remains within a designed range and achieves fast response. The effectiveness of the proposed method is demonstrated through experimental comparison with previous studies. The contributions of this study are as follows:
- By applying filtered right coprime factorization, the plant structure is simplified, allowing for the application of strict PPC-SMC to pneumatic stage systems with complex nonlinearities. This enables a more precise configuration of PPC-SMC that incorporates the nonlinearities of the pneumatic stage, resulting in a smaller performance function. Thus, the maximum error can be reduced compared to previous methods, contributing to even more precise positioning of the pneumatic stage.
- Experimental comparisons with previous studies were conducted, confirming that the proposed method achieves the smallest steady-state error.
The structure of this paper is as follows. First, Section 2 explains the control theory used in this study. Next, Section 3 describes the pneumatic stage utilized in this research and presents the problem setting. Then, Section 4 details the proposed control system. After that, Section 5 presents and discusses the experimental results. Finally, Section 6 concludes the paper.
2. Preparations
This section explains the filtered right coprime factorization and PPC-SMC.
2.1. Definition of Operator
In this study, an operator is defined as a “mapping” from an arbitrary input space to an output space [22,23]. This allows the nonlinear behavior of the controlled system to be expressed as a mapping that relates input and output signals. The notation used hereafter refers to a mapping by the operator F from the input signal space U to the output signal space Y. From this point forward, input and output signals are represented as time functions and , respectively, and the output over an arbitrary time interval is expressed as
2.2. Filtered Right Comprime Factorization Based on Operator Theory
Let the input space, quasi-state space, and output space be denoted as U, W, and Y, respectively [22,23]. Consider a nonlinear plant represented by the operator . Suppose there exist a stable operator and a stable and invertible operator such that the nonlinear plant P can be expressed as
where the operators N and D represent the right factorization of P. Let be a stable and invertible operator with filtering characteristics [21]. Then, the operators and , defined as and , also form a right factorization of P, as illustrated in Figure 1. By appropriately designing Q, noise mitigation can be effectively achieved [21]. Here, is the control input, is the quasi-state signal, and is the output signal.
Figure 1.
Filtered right factorization.
Furthermore, suppose there exist a stable operator and a stable and invertible operator satisfying the following Bezout identity:
where is a unimodular operator, and N and D are the right coprime factorizations of P. The unimodular operator M refers to an operator that is stable and has a stable inverse. When Equation (3) holds, as shown in Figure 2, BIBO stability (Bounded-Input Bounded-Output stability) from the reference input to the output is guaranteed. When the system is stabilized by right coprime factorization, the output and reference input can be expressed as
Note that, according to the Bezout identity, the operator is stabilized. Hereafter, we define the operator as .
Figure 2.
Feedback control system based on filtered right coprime factorization.
2.3. Prescribed Performance Control (PPC)
Before describing PPC-SMC, we explain PPC [24,25]. PPC is a control method that guarantees the error remains within the performance function , as illustrated in Figure 3. The performance function is given by
where are the initial value, final value, and decay constant, respectively. Now consider a function such that the error is constrained within the following range:
where are design parameters. Next, define the function as
By defining as in Equation (7), the error containing the constraint information can be directly handled. To ensure remains within the designed range, it is constructed as
From Equations (7) and (8), is given by
Figure 3.
Conceptual diagram of PPC.
2.4. Prescribed Performance Control–Sliding Mode Control (PPC-SMC)
PPC-SMC is a method in which the switching surface is designed to include the output of PPC [26,27]. In Figure 4, the operator represents PPC, and the operator represents SMC. This enables safe control by ensuring that the error does not exceed the desired range. The switching surface of PPC-SMC can be expressed, for example, as
where is defined in Equation (9).
Figure 4.
Overview diagram of PPC-SMC.
3. Pneumatic Stage and Problem Setting
This section describes the overview of the pneumatic stage used in this study and the problem setting.
3.1. Pneumatic Stage
The pneumatic stage used in the experiment is shown in Figure 5, and an overview of its operation is illustrated in Figure 6. The stage, located at the upper left in the photograph, is supported by rolling bearings and moves along a straight line. As shown in Figure 6, four double-acting pneumatic cylinders are used for actuation. Pneumatic control is achieved using two pairs of servo valves located at the front of Figure 5, with each valve appropriately piped to the cylinder ports to generate thrust to the right or left. By supplying air pressure to the right servo valve, the stage moves to the left, and by supplying air pressure to the left servo valve, the stage moves to the right. The stage position is measured using a Linear Variable Differential Transformer (LVDT) placed on the right side of the stage. Next, the overall system configuration is explained in Figure 7. The pressure supplied to the servo valves is generated by a compressor, purified and depressurized by a regulator, and then delivered to the valves. Control computation is performed by a Digital Signal Processor (DSP). The DSP receives position information from the LVDT and outputs signals to control the opening and closing of the left and right servo valves. The servo valves are not controlled independently; the voltages and supplied to each valve are determined as differential signals from the control input u calculated by the controller as follows:
where is the offset voltage of the valves and is set to in this equipment.
Figure 5.
Experimental setup.
Figure 6.
Schematic diagram of the experimental setup.
Figure 7.
Conceptual diagram of the experimental setup.
According to [20], the mathematical model of the pneumatic stage is given as
where the LuGre model is used as the friction model. A description of each parameter is provided in Table 1.
Table 1.
Parameters of pneumatic stage.
3.2. Problem Setting
Pneumatic stages contain many nonlinear elements such as friction and compressed air, and electrical noise can further degrade positioning accuracy [21].
In this study, we combine filtered right coprime factorization and PPC-SMC to achieve safe, fast, and high-precision position control of a pneumatic stage. The inner loop uses filtered right coprime factorization to guarantee stability, suppress electrical noise, and equivalently transform the system into a linear one, thereby facilitating the design of PPC-SMC. The outer loop employs PPC-SMC to constrain the tracking error within a user-defined range, enabling fast and robust control. Experimental results on the actual system demonstrate the effectiveness of the proposed control scheme in comparison with previous studies [19,20].
4. Control System Design
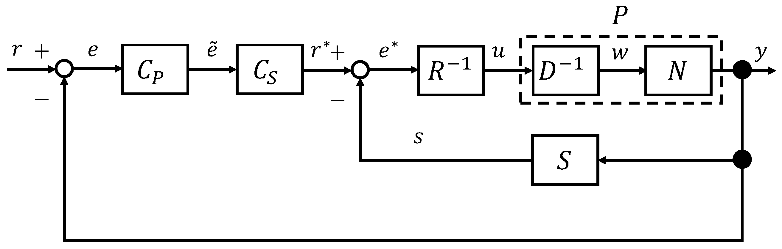
In this section, we design the control system. The overall control system is shown in Figure 8.
Figure 8.
Feedback control system based on filtered right coprime factorization and PPC-SMC.
4.1. Filtered Right Coprime Factorization
The mathematical model of the pneumatic stage is given by Equation (13). However, for simplicity, some parts of Equation (13) are omitted in the following expressions. To remove noise, the operator Q is designed as a low-pass filter:
where represents the time constant of the filter. At this time, the operators N and D are expressed as follows:
where is the coefficient of the damper system modeled as a second-order lag system in previous research [19]. Next, the operators S, R, and M are designed to satisfy the Bezout identity (3). The operator S is designed as
The unimodular operator M is designed as
where is a design parameter. From the Bezout identity (3), the operator R is derived as
From Equations (15)–(19), the operator R can be expressed as
Thus, the stability from to is guaranteed. Therefore, the operator can be expressed as
4.2. PPC-SMC Controller
Based on Equation (21), we design the PPC-SMC controller. First, we simplify the notation of Equation (21) as
Next, the operator is designed. The performance functions and are designed as
where .
In addition, SMC is designed. Then, the switching surface is designed as
where is a design parameter. Then, the function is defined as
SMC is designed so that Equation (25) serves as a Lyapunov function. Then, Equation (25) can be expressed as
At this time, and are expressed as follows:
where , , and are defined as
In addition, and are given by
where is defined as
From Equations (27)–(31), Equation (26) can be expressed as
where the variables are defined as
From Equation (32), we define , and then
We can transform it as shown in Equation (34). Therefore, we design each such that each term within the curly brackets is less than zero. Each term is designed as follows:
where are design parameters that satisfy , and sgn is the sign function. The derivations of Equations (35)–(39) are shown in Appendix A.
The control input designed according to this guideline becomes Equation (40):
where is a design parameter,. To suppress chattering, the sign function sgn is approximated by the saturation function sat shown below:
5. Experimental Results
In this section, based on the control system designed in Section 4, experiments of pneumatic stage position control are conducted to verify the effectiveness of the proposed method. The parameters for the LuGre model, the pneumatic stage, and the PPC-SMC controller are summarized in Table 2.
Table 2.
Experimental parameters.
The experiment is conducted for 3 s with a sampling period of 0.1 ms, and the reference input is applied at . Experiments are performed to compare the proposed method with previous studies [19,20]. The results when a step signal is applied to each method are shown in Figure 9 and Figure 10. Table 3 presents the quantitative evaluation of the experiments. The settling time evaluates the time required for the output to reach a steady value, and the steady-state error is used to assess the difference between the output and the reference input after settling. Furthermore, the mean absolute error (MAE) evaluates the transient response error, while the integral of time-weighted absolute error (ITAE) is used to assess the steady-state response error separately from the steady-state error.
Figure 9.
Displacement.
Figure 10.
Displacement error.
Table 3.
Experimental result comparison.
From Figure 9 and Figure 10, it can be seen that the proposed method achieves a faster response and smaller deviation. Furthermore, Table 3 shows that our proposed method outperforms the others in all evaluation metrics. The reason for this improvement is that the previous study [19] approximated the system as it as a mass–spring–damper model using frequency-domain approximation. In contrast, our study uses operator theory in the time domain to transform the system into a mass–spring–damper model, allowing us to handle the model in real time without approximation. Furthermore, compared to the previous study [20], our results are very similar. This is because both approaches employ operator theory in the time domain. The response time is almost the same in both cases, but our method shows superior steady-state error performance. This improvement is attributed to the fact that the previous study [20] used PI-D for trajectory tracking, whereas our study employs PPC-SMC.
6. Conclusions
In this paper, we proposed a control method that combines filtered right coprime factorization and PPC-SMC to achieve precise position control of a pneumatic stage. By integrating these two approaches, we achieved safe, robust, fast, and high-precision control. Experimental results demonstrated that the proposed method significantly reduced the settling time and greatly improved accuracy compared to previous studies. In future work, we plan to investigate methods for online optimization of controller parameters to further enhance control performance.
Author Contributions
Conceptualization, T.H. and Y.T.; methodology, T.H. and Y.T.; software, Y.T.; validation, T.H. and Y.T.; formal analysis, T.H. and Y.T.; investigation, Y.T.; resources, T.H.; data curation, Y.T.; writing—original draft preparation, T.H.; writing—review and editing, T.H. and M.D.; visualization, T.H.; supervision, M.D.; project administration, M.D. All authors have read and agreed to the published version of the manuscript.
Funding
This research received no external funding.
Data Availability Statement
The data presented in this study are available in this article.
Acknowledgments
We would like to thank Y. Morohoshi of Tokyo University of Agriculture and Technology for the assistance.
Conflicts of Interest
The authors declare no conflicts of interest.
Appendix A. Derivation of Each Term in Equation (34)
In this appendix, we show the calculation of each term in Equation (34). We rewrite Equation (34) as follows:
where and are defined as
and are defined as
We derive each term in Equation (A1) to show that it is less than zero.
- Derivation ofLet ; then,Here, are design parameters that satisfy . It becomes less than zero because , , and .
- Derivation ofLet ; then,
- Derivation ofLet ; then,
- Derivation ofLet ; then,
- Derivation ofLet ; then,
References
- Bohr, M. A 30 year retrospective on Dennard’s MOSFET scaling paper. IEEE Solid-State Circuits Soc. Newsl. 2009, 12, 11–13. [Google Scholar] [CrossRef]
- Wang, H.; Li, Q.; Zhou, F.; Zhang, J. High-Precision Positioning Stage Control Based on a Modified Disturbance Observer. Sensors 2024, 24, 591. [Google Scholar] [CrossRef] [PubMed]
- Kawashima, K.; Arai, T.; Tadano, K.; Fujita, T.; Kagawa, T. Development of coarse/fine dual stage using pneumatically driven bellows actuator and cylinder with air bearings. Precis. Eng. 2010, 34, 526–533. [Google Scholar] [CrossRef]
- Sato, K.; Sano, Y. Practical and intuitive controller design method for precision positioning of a pneumatic cylinder actuator stage. Precis. Eng. 2014, 38, 703–710. [Google Scholar] [CrossRef]
- De Wit, C.C.; Olsson, H.; Åstrom, K.J.; Lischinsky, P. A new model for control of systems with friction. IEEE Trans. Autom. Control 1995, 40, 419–425. [Google Scholar] [CrossRef]
- Yanada, H.; Sekikawa, Y. Modeling of dynamic behaviors of friction. Mechatronics 2008, 18, 330–339. [Google Scholar] [CrossRef]
- Tran, X.B.; Hafizah, N.; Yanada, H. Modeling of dynamic friction behaviors of hydraulic cylinders. Mechatronics 2012, 22, 65–75. [Google Scholar] [CrossRef]
- Xi, T.; Fujita, T.; Kehne, S.; Ikeda, R.; Fey, M.; Brecher, C. An extended LuGre model for estimating nonlinear frictions in feed drive systems of machine tools. Procedia CIRP 2022, 107, 452–457. [Google Scholar] [CrossRef]
- Johanastrom, K.; Canudas-De-Wit, C. Revisiting the LuGre friction model. IEEE Control Syst. Mag. 2008, 28, 101–114. [Google Scholar] [CrossRef]
- Freidovich, L.; Robertsson, A.; Shiriaev, A.; Johansson, R. LuGre-model-based friction compensation. IEEE Trans. Control Syst. Technol. 2009, 18, 194–200. [Google Scholar] [CrossRef]
- Tran, X.B.; Yanada, H. Dynamic friction behaviors of pneumatic cylinders. Intell. Control Autom. 2013, 4, 180–190. [Google Scholar] [CrossRef]
- Tran, X.B.; Dao, H.; Tran, K. A new mathematical model of friction for pneumatic cylinders. Proc. Inst. Mech. Eng. Part C J. Mech. Eng. Sci. 2016, 230, 2399–2412. [Google Scholar] [CrossRef]
- Hildebrandt, A.; Neumann, R.; Sawodny, O. Optimal system design of siso-servopneumatic positioning drives. IEEE Trans. Control Syst. Technol. 2009, 18, 35–44. [Google Scholar] [CrossRef]
- Zhao, L.; Yang, Y.; Xia, Y.; Liu, Z. Active disturbance rejection position control for a magnetic rodless pneumatic cylinder. IEEE Trans. Ind. Electron. 2015, 62, 5838–5846. [Google Scholar] [CrossRef]
- Saravanakumar, D.; Mohan, B.; Muthuramalingam, T. A review on recent research trends in servo pneumatic positioning systems. Precis. Eng. 2017, 49, 481–492. [Google Scholar] [CrossRef]
- Richer, E.; Hurmuzlu, Y. A high performance pneumatic force actuator system: Part I Nonlinear mathematical model. J. Dyn. Sys., Meas. Control 2000, 122, 416–425. [Google Scholar] [CrossRef]
- Richer, E.; Hurmuzlu, Y. A high performance pneumatic force actuator system: Part II nonlinear controller design. J. Dyn. Sys. Meas. Control 2000, 122, 426–434. [Google Scholar] [CrossRef]
- Ishii, H.; Wakui, S. Performance improvement of PDD 2 compensator embedded in position control for pneumatic stage. In Proceedings of the 2019 International Conference on Advanced Mechatronic Systems, Kusatsu, Japan, 26–28 August 2019; pp. 158–162. [Google Scholar]
- Ishii, H.; Wakui, S. Proposal of Speeding up Scheme for Pneumatic Stage. In Proceedings of the 2019 IEEE International Conference on Mechatronics, Ilmenau, Germany, 18–20 March 2019; Volume 1, pp. 79–84. [Google Scholar]
- Aoki, S.; Deng, M. Nonlinear position control of pneumatically driven stage considering friction characteristics of pneumatic cylinder. In Proceedings of the 2023 International Conference on Advanced Mechatronic Systems (ICAMechS), Melbourne, Australia, 4–7 September 2023; pp. 1–6. [Google Scholar] [CrossRef]
- Tanabata, Y.; Deng, M. Filtered Right Coprime Factorization and Its Application to Control a Pneumatic Cylinder. Processes 2024, 12, 1475. [Google Scholar] [CrossRef]
- De Figueiredo, R.J.; Chen, G. Nonlinear Feedback Control Systems: An Operator Theory Approach; Academic Press Professional, Inc.: Cambridge, MA, USA, 1993. [Google Scholar]
- Deng, M. Operator-Based Nonlinear Control Systems: Design and Applications; John Wiley & Sons: Hoboken, NJ, USA, 2014. [Google Scholar]
- Bechlioulis, C.P.; Rovithakis, G.A. Prescribed performance adaptive control of SISO feedback linearizable systems with disturbances. In Proceedings of the 2008 16th Mediterranean Conference on Control and Automation, Ajaccio, France, 25–27 June 2008; pp. 1035–1040. [Google Scholar] [CrossRef]
- Bu, X. Prescribed performance control approaches, applications and challenges: A comprehensive survey. Asian J. Control 2021, 2020, 1–24. [Google Scholar] [CrossRef]
- Yao, Y.; Zhuang, Y.; Xie, Y.; Xu, P.; Wu, C. Prescribed Performance Global Non-Singular Fast Terminal Sliding Mode Control of PMSM Based on Linear Extended State Observer. Actuators 2025, 14, 65. [Google Scholar] [CrossRef]
- Nguyen, V.C.; Kim, S.H. A novel fixed-time prescribed performance sliding mode control for uncertain wheeled mobile robots. Sci. Rep. 2025, 15, 5340. [Google Scholar] [CrossRef]
Disclaimer/Publisher’s Note: The statements, opinions and data contained in all publications are solely those of the individual author(s) and contributor(s) and not of MDPI and/or the editor(s). MDPI and/or the editor(s) disclaim responsibility for any injury to people or property resulting from any ideas, methods, instructions or products referred to in the content. |
© 2025 by the authors. Licensee MDPI, Basel, Switzerland. This article is an open access article distributed under the terms and conditions of the Creative Commons Attribution (CC BY) license (https://creativecommons.org/licenses/by/4.0/).









