Synthesis of Fly Ash-Based Geopolymers: Effect of Calcite Addition and Mechanical Activation
Abstract
1. Introduction
2. Materials and Methods
2.1. Materials
2.2. Mechanical Activation
2.3. Preparation of Geopolymers
2.4. Characterization Methods
3. Results and Discussions
3.1. Effect of Mechanical Activation on the FA + Calcite Blends
3.2. Mechanical Properties
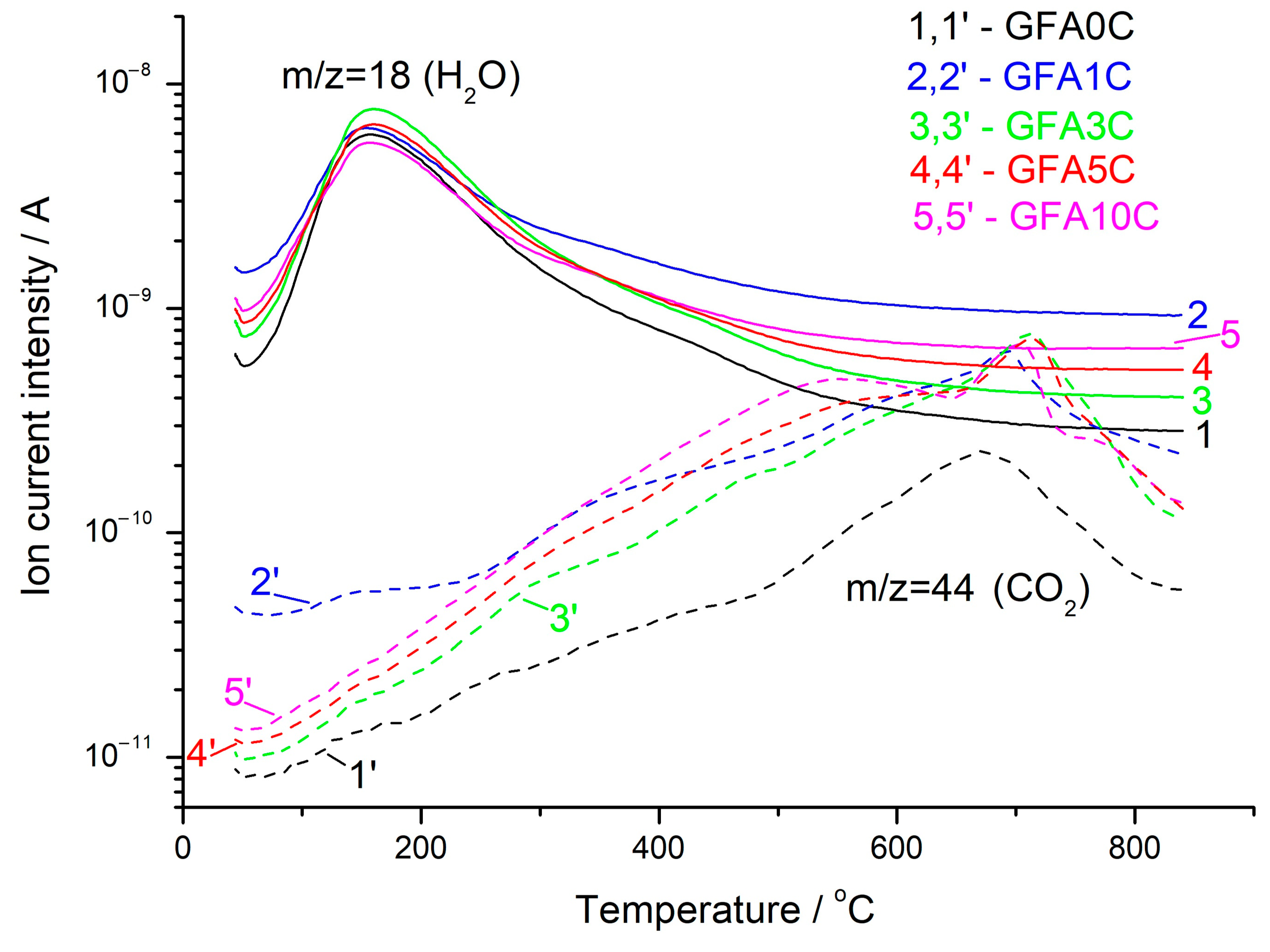
3.3. Calorimetric and TG-MS Studies
3.4. XRD and FTIR Spectroscopy Analysis
3.5. Mössbauer Spectroscopy Analysis
3.6. Microstructural Studies
4. Conclusions
- MA of the FA + calcite blends in a planetary mill resulted in a considerably larger mineral lattice disordering, and/or decrease of crystallite size, of calcite in comparison to those of quartz and mullite present in the FA, which can be explained by the difference in hardness of the minerals.
- With an increase of calcite percentage (up to 10%) in the blend and the MA time, the compressive strength of the geopolymers tended to increase, which agrees with the isothermal conduction calorimetry results and thermogravimetric, FTIR spectroscopy, and SEM microstructure data. The optimal time of MA was found to be 180 s. The beneficial influence of the calcite addition to the FA on the geopolymer strength was more apparent at an early age of curing.
- The main geopolymerization product of the mechanically activated (FA + calcite) blends was X-ray amorphous N-A-S-H gel. No new crystalline peaks in the diffractograms of the geopolymers prepared using blends containing 5% calcite or less were revealed. For the geopolymer based on the blend containing 10% calcite, the partial transformation of calcite to vaterite and calcium hydroxide was observed by X-ray diffraction and SEM/EDS, respectively.
- Only small changes in the Fe valence and coordination number due to geopolymerization were revealed using Mössbauer spectroscopy analysis. This indicates the inertness of iron in the studied geopolymer synthesis.
- The increase in the strength of the geopolymer due to the addition of calcite to the FA can be explained not only by the effect of the microfiller. Calcite particles, as well as newly formed vaterite and calcium hydroxide, are the centers of the formation of the sodium containing aluminosilicate hydrate gel—the main cementing phase of the geopolymer. The use of MA increases the reactivity of the ash with respect to the alkaline agent, and also leads to a decrease in the size of calcite particles and an increase in their surface area, which accelerates the gelation process.
- The presented results can be used for further study to prepare high performance geopolymers based on mechanically activated (FA + calcite) blends using alternative types of mills, calcite dosage, alkali agents and curing conditions.
Author Contributions
Funding
Acknowledgments
Conflicts of Interest
References
- Gollakota, A.R.K.; Volli, V.; Shu, C.-M. Progressive utilisation prospects of coal fly ash: A review. Sci. Total Environ. 2019, 672, 951–989. [Google Scholar] [CrossRef]
- Yadav, S.; Mondal, S.S. A complete review based on various aspects of pulverized coal combustion. Int. J. Energy Res. 2019, 43, 3134–3165. [Google Scholar] [CrossRef]
- Yao, Z.T.; Ji, X.S.; Sarker, P.K.; Tang, J.H.; Ge, L.Q.; Xia, M.S.; Xi, Y.Q. A comprehensive review on the applications of coal fly ash. Earth Sci. Rev. 2015, 141, 105–121. [Google Scholar] [CrossRef]
- Jayaranjan, M.L.D.; Hullebusch, E.D.; Annachhatre, A.P. Reuse options for coal fired power plant bottom ash and fly ash. Rev. Environ. Sci. Biotechnol. 2014, 13, 467–486. [Google Scholar] [CrossRef]
- Wang, N.; Sun, X.; Zhao, Q.; Yang, Y.; Wang, P. Leachability and adverse effects of coal fly ash: A review. J. Hazard. Mater. 2020, 396, 122725. [Google Scholar] [CrossRef]
- Davidovits, J. Geopolymer Chemistry and Applications, 5th ed.; Institut Géopolymère: Saint-Quentin, France, 2020; pp. 23–208. [Google Scholar]
- Provis, J.L.; Duxson, P.; Kavalerova, E.; Krivenko, P.V.; Pan, Z.; Puertas, F.; van Deventer, J.S.J. Historical aspects and overview. In Alkali-Activated Materials: State of the Art Report of RILEM TC 224-AAM; Provis, J.L., van Deventer, J.S.J., Eds.; Springer Science & Business Media: Dordrecht, The Netherlands, 2014; pp. 11–58. [Google Scholar]
- Singh, N.B.; Middendor, B. Geopolymers as an alternative to Portland cement: An overview. Constr. Build. Mater. 2020, 237, 117455. [Google Scholar] [CrossRef]
- Palomo, A.; Krivenko, P.; Garcia-Lodeiro, I.; Kavalerova, E.; Maltseva, O.; Fernández-Jiménez, A. A review on alkaline activation: New analytical perspectives. Mater. Construcción 2014, 64, e022. [Google Scholar] [CrossRef]
- Provis, J.L. Alkali-activated materials. Cem. Concr. Res. 2018, 114, 40–48. [Google Scholar] [CrossRef]
- Rivera, O.G.; Long, W.R.; Weiss, C.A., Jr.; Moser, R.D.; Williams, B.A.; Torres-Cancel, K.; Gore, E.R.; Allison, P.G. Effect of elevated temperature on alkali-activated geopolymeric binders compared to Portland cement-based binders. Cem. Concr. Res. 2016, 90, 43–51. [Google Scholar] [CrossRef]
- Lahoti, M.; Tan, K.H.; Yang, E.-H. A critical review of geopolymer properties for structural fire-resistance applications. Constr. Build. Mater. 2019, 221, 514–526. [Google Scholar] [CrossRef]
- Palomo, A.; Blanco-Varela, M.T.; Granizo, M.L.; Puertas, F.; Vazquez, T.; Grutzeck, M.W. Chemical stability of cementitious materials based on metakaolin. Cem. Concr. Res. 1999, 29, 997–1004. [Google Scholar] [CrossRef]
- Aliques-Granero, J.; Tognonvi, M.T.; Tagnit-Hamoua, A. Durability study of AAMs: Sulfate attack resistance. Constr. Build. Mater. 2019, 229, 117100. [Google Scholar] [CrossRef]
- Deng, N.; An, H.; Cui, H.; Pan, Y.; Wang, B.; Mao, L.; Zhai, J. Effects of gamma-ray irradiation on leaching of simulated 133Cs+ radionuclides from geopolymer wasteforms. J. Nucl. Mater. 2015, 459, 270–275. [Google Scholar] [CrossRef]
- Skorina, T. Ion exchange in amorphous alkali-activated aluminosilicates: Potassium based geopolymers. Appl. Clay Sci. 2014, 87, 205–211. [Google Scholar] [CrossRef]
- O’Connor, S.J.; MacKenzie, K.J.D.; Smith, M.E.; Hanna, J.V. Ion exchange in the charge-balancing sites of aluminosilicate inorganic polymers. J. Mater. Chem. 2010, 20, 10234–10240. [Google Scholar] [CrossRef]
- Shi, C.; Qu, B.; Provis, J.L. Recent progress in low-carbon binders. Cem. Concr. Res. 2019, 122, 227–250. [Google Scholar] [CrossRef]
- Komljenović, M.; Tanasijević, G.; Džunuzović, N.; Provis, J.L. Immobilization of cesium with alkali-activated blast furnace slag. J. Hazard. Mater. 2020, 388, 121765. [Google Scholar] [CrossRef]
- Wu, Y.; Lu, B.; Bai, T.; Wang, H.; Du, F.; Zhang, Y.; Cai, L.; Jiang, C.; Wang, W. Geopolymer, green alkali activated cementitious material: Synthesis, applications and challenges. Constr. Build. Mater. 2019, 224, 930–949. [Google Scholar] [CrossRef]
- Luukkonen, T.; Heponiemi, A.; Runtti, H.; Pesonen, J.; Yliniemi, J.; Lassi, U. Application of alkali-activated materials for water and wastewater treatment: A review. Rev. Environ. Sci. Biotechnol. 2019, 18, 271–297. [Google Scholar] [CrossRef]
- Tang, Z.; Li, W.; Hu, Y.; Zhou, J.L.; Tam, V.W.Y. Review on designs and properties of multifunctional alkali-activated materials (AAMs). Constr. Build. Mater. 2019, 200, 474–489. [Google Scholar] [CrossRef]
- Komnitsas, K.; Zaharaki, D. Geopolymerisation: A review and prospect for the mineral industry. Miner. Eng. 2007, 20, 1261–1277. [Google Scholar] [CrossRef]
- Fernandez-Jimenez, A.; Palomo, A. Characterization of fly ashes, potential reactivity as alkaline cements. Fuel 2003, 82, 2259–2265. [Google Scholar] [CrossRef]
- Duxson, P.; Fernández-Jiménez, A.; Provis, J.L.; Lukey, G.C.; Palomo, A.; van Deventer, J.S.J. Geopolymer technology: The current state of the art. J. Mater. Sci. 2007, 42, 2917–2933. [Google Scholar] [CrossRef]
- Provis, J.L.; Fernández-Jiménez, A.; Kamseu, E.; Leonelli, C.; Palomo, A. Binder chemistry—Low-calcium alkali-activated materials. In Alkali-Activated Materials: State of the Art Report of RILEM TC 224-AAM; Provis, J.L., van Deventer, J.S.J., Eds.; Springer Science & Business Media: Dordrecht, The Netherlands, 2014; pp. 93–123. [Google Scholar]
- Zhuang, X.Y.; Chen, L.; Komarneni, S.; Zhou, C.H.; Tong, D.S.; Yang, H.M.; Yu, W.H.; Wang, H. Fly ash-based geopolymer: Clean production, properties and applications. J. Clean. Prod. 2016, 125, 253–267. [Google Scholar] [CrossRef]
- Fernandez-Jimenez, A.; García-Lodeiro, I.; Palomo, A. Durability of alkali-activated fly ash cementitious materials. J. Mater. Sci. 2007, 42, 3055–3065. [Google Scholar] [CrossRef]
- Kumar, R.; Kumar, S.; Mehrotra, S.P. Towards sustainable solutions for fly ash through mechanical activation. Resourc. Conserv. Recyc. 2007, 52, 157–179. [Google Scholar] [CrossRef]
- Rickard, W.D.A.; Williams, R.; Temuujin, J.; van Riessen, A. Assessing the suitability of three Australian fly ashes as an aluminosilicate source for geopolymers in high temperature applications. Mater. Sci. Eng. A. 2011, 528, 3390–3397. [Google Scholar] [CrossRef]
- Cristelo, N.; Tavares, P.; Lucas, E.; Miranda, T.; Oliveira, D. Quantitative and qualitative assessment of the amorphous phase of a Class F fly ash dissolved during alkali activation reactions—Effect of mechanical activation, solution concentration and temperature. Compos. Part. B Eng. 2016, 103, 1–14. [Google Scholar] [CrossRef]
- Kumar, R.; Kumar, S.; Alex, T.C.; Singla, R. Mapping of calorimetric response for the geopolymerisation of mechanically activated fly ash. J. Therm. Anal. Calorim. 2019, 136, 1117–1133. [Google Scholar] [CrossRef]
- Nath, S.K.; Kumar, S. Reaction kinetics of fly ash geopolymerization: Role of particle size controlled by using ball mill. Adv. Powder Technol. 2019, 30, 1079–1088. [Google Scholar] [CrossRef]
- Rees, C.A.; Provis, J.L.; Lukey, G.C.; van Deventer, J.S.J. In situ ATR-FTIR study of the early stages of fly ash geopolymer gel formation. Langmuir 2007, 23, 9076–9082. [Google Scholar] [CrossRef] [PubMed]
- Zhang, Z.; Provis, J.L.; Zou, J.; Reid, A.; Wang, H. Toward an indexing approach to evaluate fly ashes for geopolymer manufacture. Cem. Concr. Res. 2016, 85, 163–173. [Google Scholar] [CrossRef]
- Shekhovtsova, J.; Zhernovsky, I.; Kovtun, M.; Kozhukhova, N.; Zhernovskaya, I.; Kearsley, E. Estimation of fly ash reactivity for use in alkali-activated cements—A step towards sustainable building material and waste utilization. J. Clean. Prod. 2018, 178, 22–33. [Google Scholar] [CrossRef]
- Sanalkumar, K.U.A.; Lahoti, M.; Yang, E.H. Investigating the potential reactivity of fly ash for geopolymerization. Constr. Build. Mater. 2019, 225, 283–291. [Google Scholar] [CrossRef]
- Kumar, S.; Kumar, R.; Alex, T.C.; Bandopadhyay, A.; Mehrotra, S.P. Influence of reactivity of fly ash on geopolymerisation. Adv. Appl. Ceram. 2007, 106, 120–127. [Google Scholar] [CrossRef]
- Kumar, S.; Kumar, R. Mechanical activation of fly ash: Effect on reaction, structure and properties of resulting geopolymer. Ceram. Int. 2011, 37, 533–541. [Google Scholar] [CrossRef]
- Mucsi, G.; Molnar, Z.; Kumar, S. Geopolymerisation of mechanically activated lignite and brown coal fly ash. Acta Phys. Pol. A. 2014, 126, 994–998. [Google Scholar] [CrossRef]
- Matsuoka, M.; Yokoyama, K.; Okura, K.; Murayama, N.; Ueda, M.; Naito, M. Synthesis of geopolymers from mechanically activated coal fly ash and improvement of their mechanical properties. Minerals 2019, 9, 791. [Google Scholar] [CrossRef]
- Temuujin, J.; Williams, R.P.; van Riessen, A. Effect of mechanical activation of fly ash on the properties of geopolymer cured at ambient temperature. J. Mater. Process. Technol. 2009, 209, 5276–5280. [Google Scholar] [CrossRef]
- Chu, Y.-S.; Davaabal, B.; Kim, D.-S.; Seo, S.-K.; Kim, Y.; Ruescher, C.; Temuujin, J. Reactivity of fly ashes milled in different milling devices. Rev. Adv. Mater. Sci. 2019, 58, 179–188. [Google Scholar] [CrossRef]
- Mucsi, G.; Kumar, S.; Csoke, B.; Kumar, R.; Molnar, Z.; Racz, A.; Mádai, F.; Debreczeni, Á. Control of geopolymer properties by grinding of land filled fly ash. Int. J. Min. Proc. 2015, 143, 50–58. [Google Scholar] [CrossRef]
- Kumar, S.; Mucsi, G.; Kristály, F.; Pekker, P. Mechanical activation of fly ash and its influence on micro and nano-structural behaviour of resulting geopolymers. Adv. Powder Technol. 2017, 28, 805–813. [Google Scholar] [CrossRef]
- Marjanovic, N.; Komljenovic, M.; Bascarevic, Z.; Nikolic, V. Improving reactivity of fly ash and properties of ensuing geopolymers through mechanical activation. Constr. Build. Mater. 2014, 57, 151–162. [Google Scholar] [CrossRef]
- Kato, K.; Xin, Y.; Hitomi, T.; Shirai, T. Surface modification of fly ash by mechano-chemical treatment. Ceram. Int. 2019, 45, 849–853. [Google Scholar] [CrossRef]
- Fernández-Jiménez, A.; Garcia-Lodeiro, I.; Maltseva, O.; Palomo, A. Mechanical-chemical activation of coal fly ashes: An effective way for recycling and make cementitious materials. Front. Mater. 2019, 6, 51. [Google Scholar] [CrossRef]
- Mucsi, G. Mechanical activation of power station fly ash by grinding: A review. J. Silic. Based Compos. Mater. 2016, 68, 56–61. [Google Scholar] [CrossRef]
- Boldyrev, V.V. Mechanochemistry and mechanical activation of solids. Russ. Chem. Rev. 2006, 75, 177–189. [Google Scholar] [CrossRef]
- Butyagin, P.Y. Problems in mechanochemistry and prospects for its development. Russ. Chem. Rev. 1994, 63, 965–976. [Google Scholar] [CrossRef]
- Baláž, P.; Achimovičová, M.; Baláž, M.; Billik, P.; Cherkezova-Zheleva, Z.; Criado, J.M.; Delogu, F.; Dutková, E.; Gaffet, E.; Gotor, F.H.; et al. Hallmarks of mechanochemistry: From nanoparticles to technology. Chem. Soc. Rev. 2013, 42, 7571–7637. [Google Scholar] [CrossRef]
- Avvakumov, E.G. Mechanical Methods for Activation of Chemical Processes; Nauka: Novosibirsk, Russia, 1986; p. 305. (In Russian) [Google Scholar]
- Juhasz, Z.; Opoczky, L. Mechanical Activation of Minerals by Grinding: Pulverizing and Morphology of Particles; Ellis Horwood Ltd.: Chichester, UK, 1990; p. 234. [Google Scholar]
- Alghamdi, H.; Nair, S.A.; Neithalath, N. Insights into material design, extrusion rheology, and properties of 3D-printable alkali-activated fly ash-based binders. Mater. Design 2019, 167, 107634. [Google Scholar] [CrossRef]
- Mermerdaş, K.; Manguri, S.; Nassani, D.E.; Oleiwi, S.M. Effect of aggregate properties on the mechanical and absorption characteristics of geopolymer mortar. Eng. Sci. Technol. Int. J. 2017, 20, 1642–1652. [Google Scholar] [CrossRef]
- Embong, R.; Kusbiantoro, A.; Shafiq, N.; Nuruddin, M.F. Strength and microstructural properties of fly ash based geopolymer concrete containing high-calcium and water-absorptive aggregate. J. Clean. Prod. 2016, 112, 816–822. [Google Scholar] [CrossRef]
- Azimi, E.A.; Abdullah, M.M.A.B.; Vizureanu, P.; Salleh, M.A.A.M.; Sandu, A.V.; Chaiprapa, J.; Yoriya, S.; Hussin, K.; Aziz, I.H. Strength development and elemental distribution of dolomite/fly ash geopolymer composite under elevated temperature. Materials 2020, 13, 1015. [Google Scholar] [CrossRef] [PubMed]
- Aboulayt, A.; Riahi, M.; Touhami, M.O.; Hannache, H.; Gomina, M.; Moussa, R. Properties of metakaolin based geopolymer incorporating calcium carbonate. Adv. Powder Technol. 2017, 28, 2393–2401. [Google Scholar] [CrossRef]
- Yip, C.; Provis, J.; Lukey, G.; van Deventer, J. Carbonate mineral addition to metakaolin-based geopolymers. Cem. Concr. Compos. 2008, 30, 979–985. [Google Scholar] [CrossRef]
- Qian, J.; Song, M. Study on influence of limestone powder on the fresh and hardened properties of early age metakaolin based geopolymer. In Calcined Clays for Sustainable Concrete; Scrivener, K., Favier, A., Eds.; RILEM Book Series; Springer: Lausanne, Switzerland, 2015; Volume 10, pp. 253–259. [Google Scholar] [CrossRef]
- Cwirzen, A.; Provis, J.L.; Penttala, V.; Habermehl-Cwirzen, K. The effect of limestone on sodium hydroxide-activated metakaolin-based geopolymers. Constr. Build. Mater. 2014, 66, 53–62. [Google Scholar] [CrossRef]
- Perez-Cortes, P.; Escalante-Garcia, J.I. Alkali activated metakaolin with high limestone contents—Statistical modeling of strength and environmental and cost analyses. Cem. Concr. Compos. 2020, 106, 103450. [Google Scholar] [CrossRef]
- Bayiha, B.N.; Billong, N.; Yamb, E.; Kaze, R.C.; Nzengwa, R. Effect of limestone dosages on some properties of geopolymer from thermally activated halloysite. Constr. Build. Mater. 2019, 217, 28–35. [Google Scholar] [CrossRef]
- Rakhimova, N.; Rakhimov, R.; Morozov, V.; Gaifullin, A.R.; Potapova, L.; Gubaidullina, A.M.; Osin, Y.N. Marl-based geopolymers incorporated with limestone: A feasibility study. J. Cryst. Solids 2018, 492, 1–10. [Google Scholar] [CrossRef]
- Ortega-Zavala, D.E.; Santana-Carrillo, J.L.; Burciaga-Díaz, O.; García, J.I.E. An initial study on alkali activated limestone binders. Cem. Concr. Res. 2019, 120, 267–278. [Google Scholar] [CrossRef]
- Kalinkin, A.M.; Gurevich, B.I.; Pakhomovskii, Y.A.; Kalinkina, E.V.; Tyukavkina, V.V. Effect of mechanical activation of magnesia-ferriferous slags in CO2 on their properties. Russ. J. Appl. Chem. 2009, 82, 1346–1350. [Google Scholar] [CrossRef]
- Kalinkina, E.V.; Gurevich, B.I.; Kalinkin, A.M. Alkali-activated binder based on milled antigorite. Minerals 2018, 8, 503. [Google Scholar] [CrossRef]
- Lide, D.R. (Ed.) CRC Handbook of Chemistry and Physics, 89th ed.; CRC Press, Taylor and Francis Group: Boca Raton, FL, USA, 2008; p. 2736. [Google Scholar]
- Samantasinghar, S.; Singh, S. Effects of curing environment on strength and microstructure of alkali-activated fly ash-slag binder. Constr. Build. Mater. 2020, 117481. [Google Scholar] [CrossRef]
- Palomo, A.; Alonso, S.; Fernández-Jiménez, A.; Sobrados, I.; Sanz, J. Alkaline activation of fly ashes: NMR study of the reaction products. J. Am. Ceram. Soc. 2004, 87, 1141–1145. [Google Scholar] [CrossRef]
- Alonso, S.; Palomo, A. Alkaline activation of metakaolin and calcium hydroxide mixtures: Influence of temperature, activator concentration and solids ratio. Mater. Lett. 2001, 47, 55–62. [Google Scholar] [CrossRef]
- Puligilla, S.; Mondal, P. Co-existence of aluminosilicate and calcium silicate gel characterized through selective dissolution and FTIR spectral subtraction. Cem. Concr. Res. 2015, 70, 39–49. [Google Scholar] [CrossRef]
- Chen, X.; Sutrisno, A.; Struble, L.J. Effects of calcium on setting mechanism of metakaolin-based geopolymer. J. Am. Ceram. Soc. 2018, 101, 957–968. [Google Scholar] [CrossRef]
- Gao, X.; Yu, Q.L.; Brouwers, H.J.H. Properties of alkali activated slag-fly ash blends with limestone addition. Cem. Concr. Compos. 2015, 59, 119–128. [Google Scholar] [CrossRef]
- Puligilla, S.; Mondal, P. Role of slag in microstructural development and hardening of fly ash-slag geopolymer. Cem. Concr. Res. 2013, 43, 70–80. [Google Scholar] [CrossRef]
- Duxson, P.; Lukey, G.C.; van Deventer, J.S.J. Physical evolution of Na-geopolymer derived from metakaolin up to 1000 °C. J. Mater. Sci. 2007, 42, 3044–3054. [Google Scholar] [CrossRef]
- Rodríguez, E.D.; Bernal, S.A.; Provis, J.L.; Paya, J.; Monzo, J.M.; Borrachero, M.V. Effect of nanosilica-based activators on the performance of an alkali-activated fly ash binder. Cem. Concr. Compos. 2013, 35, 1–11. [Google Scholar] [CrossRef]
- Bernal, S.A.; Provis, J.L.; Walkley, B.; San Nicolas, R.; Gehman, J.D.; Brice, D.G.; Kilcullen, A.R.; Duxson, P.; van Deventer, J.S.J. Gel nanostructure in alkali-activated binders based on slag and fly ash, and effects of accelerated carbonation. Cem. Concr. Res. 2013, 53, 127–144. [Google Scholar] [CrossRef]
- Lee, W.K.W.; Deventer, J.S.J.V. Use of infrared spectroscopy to study geopolymerization of heterogeneous amorphous aluminosilicates. Langmuir 2003, 19, 8726–8734. [Google Scholar] [CrossRef]
- Navrotsky, A. Energetic clues to pathways to biomineralization: Precursors, clusters, and nanoparticles. Proc. Natl. Acad. Sci. USA 2004, 101, 12096–12101. [Google Scholar] [CrossRef] [PubMed]
- Konno, H.; Nanri, Y.; Kitamura, M. Crystallization of aragonite in the causticizing reaction. Powder Technol. 2002, 123, 33–39. [Google Scholar] [CrossRef]
- Fernandez-Jimenez, A.; Palomo, A. Mid-infrared spectroscopic studies of alkali activated fly ash structure. Microporous Mesoporous Mater. 2005, 86, 207–214. [Google Scholar] [CrossRef]
- Alvarez-Ayuso, E.; Querol, X.; Plana, F.; Alastuey, A.; Moreno, N.; Izquierdo, M.; Font, O.; Moreno, T.; Diez, S.; Vázquez, E.; et al. Environmental, physical and structural characterisation of geopolymer matrixes synthesised from coal (co-) combustion fly ashes. J. Hazard. Mater. 2008, 154, 175–183. [Google Scholar] [CrossRef]
- Nakamoto, K. Infrared and Raman Spectra of Inorganic and Coordination Compounds: Part A: Theory and Applications in Inorganic Chemistry, 5th ed.; Wiley: New York, NY, USA, 1997; p. 387. [Google Scholar]
- White, W.B. The carbonate minerals. In The Infrared Spectra of Minerals; Farmer, W.C., Ed.; Mineralogical Society: London, UK, 1974; pp. 227–284. [Google Scholar]
- Nath, S.K.; Maitra, S.; Mukherjee, S.; Kumar, S. Microstructural and morphological evolution of fly ash based geopolymers. Constr. Build. Mater. 2016, 111, 758–765. [Google Scholar] [CrossRef]
- Rozek, P.; Krol, M.; Mozgawa, W. Spectroscopic studies of fly ash-based geopolymers. Spectrochim. Acta A. Mol. Biomol. Spectrosc. 2018, 198, 283–289. [Google Scholar] [CrossRef]
- Sato, M.; Matsuda, S. Structure of vaterite and infrared spectra. Z. Cristallogr. 1969, 129, 405–410. [Google Scholar] [CrossRef]
- Criado, M.; Palomo, A.; Fernandez-Jimenez, A. Alkali activation of fly ashes. Part 1. Effect of curing conditions on the carbonation of the reaction products. Fuel 2005, 84, 2048–2054. [Google Scholar] [CrossRef]
- Zyryanov, V.V.; Petrov, S.A.; Matvienko, A.A. Characterization of spinel and magnetospheres of coal fly ashes collected in power plants in the former USSR. Fuel 2011, 90, 486–492. [Google Scholar] [CrossRef]
- Szumiata, T.; Brzozka, K.; Gorka, B. Iron speciation in coal fly ashes-chemical and Mossbauer analysis. Hyperfine Interact. 2014, 226, 483–487. [Google Scholar] [CrossRef][Green Version]
- Lloyd, R.R.; Provis, J.L.; van Deventer, J.S.J. Microscopy and microanalysis of inorganic polymer cements. 1: Remnant fly ash particles. J. Mater. Sci. 2009, 44, 608–619. [Google Scholar] [CrossRef]
- Lemougna, P.N.; MacKenzie, K.J.D.; Jameson, G.N.L.; Rahier, H.; Chinje Melo, U.F. The role of iron in the formation of inorganic polymers (geopolymers) from volcanic ash: A 57Fe Mossbauer spectroscopy study. J. Mater. Sci. 2013, 48, 5280–5286. [Google Scholar] [CrossRef]
- Van Deventer, J.S.J.; Provis, J.L.; Duxson, P.; Lukey, G.C. Reaction mechanisms in the geopolymeric conversion of inorganic waste to useful products. J. Hazard. Mater. 2007, 139, 506–513. [Google Scholar] [CrossRef]
- Provis, J.L.; Rose, V.; Bernal, S.A.; van Deventer, J.S.J. High-resolution nanoprobe X-ray fluorescence characterization of heterogeneous calcium and heavy metal distributions in alkali-activated fly ash. Langmuir 2009, 25, 11897–11904. [Google Scholar] [CrossRef]
- Lee, W.K.W.; van Deventer, J.S.J. The effect of ionic contaminants on the early-age properties of alkali-activated fly ash-based cements. Cem. Conc. Res. 2002, 32, 577–584. [Google Scholar] [CrossRef]
















| Raw Material | SiO2 | Al2O3 | Fe2O3 | FeO | CaO | MgO | SO3 | Na2O | K2O | C | P2O5 | TiO2 | LOI * |
|---|---|---|---|---|---|---|---|---|---|---|---|---|---|
| FA | 56.26 | 18.39 | 8.58 | 0.69 | 2.14 | 2.60 | 0.18 | 4.04 | 1.32 | 0.88 | 0.32 | 1.13 | 2.28 |
| Calcite | 0.24 | 0.47 | 0.67 | - | 52.1 | 1.44 | 0.15 | 1.76 | 0.56 | - | 0.05 | 0.05 | 43.0 |
| Mixture Code | FA (wt.%) | Calcite (wt.%) | NaOH (mol/L) | Na2O/S Ratio | w/s Ratio (30 s MA) | w/s Ratio (180 s MA) | w/s Ratio (400 s MA) |
|---|---|---|---|---|---|---|---|
| FA0C | 100 | 0 | 8.3 | 0.06 | 0.23 | 0.25 | 0.28 |
| FA1C | 99 | 1 | 8.3 | 0.06 | 0.23 | 0.22 | 0.25 |
| FA3C | 97 | 3 | 8.3 | 0.06 | 0.23 | 0.23 | 0.26 |
| FA5C | 95 | 5 | 8.3 | 0.06 | 0.23 | 0.23 | 0.26 |
| FA10C | 90 | 10 | 8.3 | 0.06 | 0.23 | 0.23 | 0.26 |
| Sample | Components | IS, mm/s | QS, mm/s | Heff, T | FWHM, mm/s | G, % |
|---|---|---|---|---|---|---|
| FA0C | Sx1-α-Fe2O3 | 0.36 | −0.19 | 51.4 | 0.26 | 10 |
| Sx2-Fe3−xO4 | 0.30 | 0.02 | 48.6 | 0.66 | 17 | |
| Sx3-Fe3−xO4 | 0.65 | 0.01 | 42.9 | 1.20 | 14 | |
| Sx4-α-Fe | 0.02 | 0.01 | 32.9 | 0.56 | 10 | |
| Db1-Fe3+ | 0.33 | 0.99 | - | 0.85 | 35 | |
| Db2-Fe2+ | 0.90 | 2.20 | - | 1.09 | 15 | |
| GFA0C | Sx1-α-Fe2O3 | 0.37 | −0.20 | 51.5 | 0.28 | 10 |
| Sx2-Fe3−xO4 | 0.30 | 0.01 | 48.3 | 0.78 | 17 | |
| Sx3-Fe3−xO4 | 0.65 | 0.00 | 43.9 | 1.47 | 15 | |
| Sx4-α-Fe | 0.02 | 0.01 | 32.7 | 0.66 | 10 | |
| Db1-Fe3+ | 0.33 | 0.80 | - | 0.68 | 35 | |
| Db2-Fe2+ | 0.90 | 2.24 | - | 1.16 | 13 | |
| FA5C | Sx1-α-Fe2O3 | 0.37 | −0.20 | 51.3 | 0.28 | 10 |
| Sx2-Fe3−xO4 | 0.30 | 0.01 | 48.4 | 0.60 | 14 | |
| Sx3-Fe3−xO4 | 0.61 | 0.01 | 43.4 | 1.36 | 18 | |
| Sx4-α-Fe | 0.00 | 0.01 | 32.6 | 0.45 | 8 | |
| Db1-Fe3+ | 0.34 | 0.99 | - | 0.84 | 35 | |
| Db2-Fe2+ | 0.90 | 2.24 | - | 1.05 | 15 | |
| GFA5C | Sx1-α-Fe2O3 | 0.37 | −0.22 | 51.5 | 0.28 | 11 |
| Sx2-Fe3−xO4 | 0.30 | 0 | 48.8 | 0.70 | 14 | |
| Sx3-Fe3−xO4 | 0.63 | 0 | 43.9 | 1.27 | 17 | |
| Sx4-α-Fe | 0.02 | 0.01 | 32.5 | 0.41 | 5 | |
| Db1-Fe3+ | 0.32 | 0.88 | - | 0.68 | 40 | |
| Db2-Fe2+ | 0.90 | 2.12 | - | 1.13 | 13 |
© 2020 by the authors. Licensee MDPI, Basel, Switzerland. This article is an open access article distributed under the terms and conditions of the Creative Commons Attribution (CC BY) license (http://creativecommons.org/licenses/by/4.0/).
Share and Cite
Kalinkin, A.M.; Gurevich, B.I.; Myshenkov, M.S.; Chislov, M.V.; Kalinkina, E.V.; Zvereva, I.A.; Cherkezova-Zheleva, Z.; Paneva, D.; Petkova, V. Synthesis of Fly Ash-Based Geopolymers: Effect of Calcite Addition and Mechanical Activation. Minerals 2020, 10, 827. https://doi.org/10.3390/min10090827
Kalinkin AM, Gurevich BI, Myshenkov MS, Chislov MV, Kalinkina EV, Zvereva IA, Cherkezova-Zheleva Z, Paneva D, Petkova V. Synthesis of Fly Ash-Based Geopolymers: Effect of Calcite Addition and Mechanical Activation. Minerals. 2020; 10(9):827. https://doi.org/10.3390/min10090827
Chicago/Turabian StyleKalinkin, Alexander M., Basya I. Gurevich, Mikhail S. Myshenkov, Mikhail V. Chislov, Elena V. Kalinkina, Irina A. Zvereva, Zara Cherkezova-Zheleva, Daniela Paneva, and Vilma Petkova. 2020. "Synthesis of Fly Ash-Based Geopolymers: Effect of Calcite Addition and Mechanical Activation" Minerals 10, no. 9: 827. https://doi.org/10.3390/min10090827
APA StyleKalinkin, A. M., Gurevich, B. I., Myshenkov, M. S., Chislov, M. V., Kalinkina, E. V., Zvereva, I. A., Cherkezova-Zheleva, Z., Paneva, D., & Petkova, V. (2020). Synthesis of Fly Ash-Based Geopolymers: Effect of Calcite Addition and Mechanical Activation. Minerals, 10(9), 827. https://doi.org/10.3390/min10090827

