Abstract
A low-grade copper ore from an Australian mine was processed under continuous steady state conditions using the REFLUX™ Flotation Cell (RFC™), and the performance was quantified with reference to a batch mechanical cell and the plant circuit, at the plant feed concentration. In the RFC™, the variation in the copper grade and the recovery were determined using feed fluxes ranging from 0.5 to 3.0 cm/s, with a strong positive bias flux to achieve cleaning. The RFC™ experiments showed an increasing product grade with increasing feed flux, increasing to 23% copper in a single stage. The result exceeded the grade of 14% produced by a laboratory-scale, two-stage mechanical cell and was comparable to the multi-stage plant circuit. The RFC™ recoveries increased with increasing feed flux, peaking at 81.7% for a feed flux of 2.0 cm/s before declining. Moreover, for equivalent copper recovery, the laboratory-scale RFC™ throughput performance was more than five times higher than for the rougher circuit of the industrial plant. It is noted the RFC™ product grade was nearly three times higher than for the rougher cells. For similar recoveries and product grades, the RFC™ throughput was about eight times higher than that observed for the rougher and cleaner circuits of the industrial plant. This work demonstrates the potential for the process footprint to be significantly minimised.
1. Introduction
The physicochemical variables in froth flotation include the hydrophobicity of the particles, hydrophilicity of the gangue particles, bubble size, froth stability, surface charge, and surface oxidation, amongst many others [1,2,3]. By maintaining the flotation chemistry of the feed and the impacts of the hydrodynamics on the flotation kinetics, the recovery and concentrate grade can then be explored with some level of independence. The hydrodynamics can impact the efficiency of the interactions between the bubbles and the mineral particles, cell residence time, bubble carrying capacity, surface loading, and entrainment [4,5,6,7]. The changes in the hydrodynamics can be specific to the technology and the feed being processed, as well as the methods used to maximise the flotation performance, such as the use of downcomers, turbines, pneumatics, aeration, fluid recirculation, or shockwaves [8].
Conventional flotation is hydrodynamically constrained; this has led to an exponential growth in cell sizes to meet the necessary economy of scale, especially in the recovery and concentration of copper [9]. Across the mineral processing industry, feed fluxes up to 1.0 cm/s, gas fluxes from 0.5 to 2.0 cm/s, and wash water fluxes below 0.5 cm/s are standard operating parameters [10]. Higher bubble surface area is beneficial for increasing bubble carrying capacity, achieved using either a higher gas flux or smaller bubble size [11]. However, at higher gas fluxes, water is entrained into the froth phase with fine particles. Under more extreme conditions, the gas fraction of the pulp zone approaches that of the froth zone [12], causing the loss of the interface between the two zones. Here, the combined gas, feed, and wash water fluxes impact the bubble rise relative to the vessel, causing a form of flooding, entrainment to the overflow, and loss of material, including bubbles to the tailings stream.
From an industrial perspective, the ability to increase the fluxes, or at least the range of fluxes, which can be applied to a flotation process is desirable. An increase in throughput, while maintaining the desired product recovery and grade, can have significant economic benefits. This benefit arises because more material is processed using the same number of cells in a bank. With the optimal hydrodynamic conditions changing between mineral feeds and even between ores at the same plant, a wider range of feed, gas, and wash water fluxes and control of the product and tailings permit greater flexibility and control for operators in the process optimisation. The wash water flux, however, is also limited by operational costs, environmental considerations, and scarcity of water [13]; so, it is important to maximise its effectiveness.
The REFLUX™ Flotation Cell (RFC™) offers an alternative to these constraints, allowing for greater flexibility over the system hydrodynamics. The feed undergoes mixing in a feed tank. But the RFC™ device does not have an internal impeller. The device uses a downcomer approach to contact the bubbles and the feed slurry. In the extreme, feed fluxes up to 10 cm/s, gas fluxes up to 6 cm/s, and wash water fluxes up to 2.5 cm/s have all been reported [14,15]. These fluxes are possible due to the inclined channel design of the RFC™, which utilise the Boycott effect to increase the segregation of the air bubbles [16]. Importantly, the RFC™ can decouple the conventional link between the input gas flux and the liquid flux reporting to the product concentrate, permitting the product liquid flux to be reduced, if necessary, which in turn reduces the entrainment [17]. The stainless-steel sparger has a nominal 10 micron pore size, which, together with the high shear forces within the tube, leads to the generation of relatively fine bubbles of ~500 μm [14]; these are smaller than those observed in the conventional column flotation and mechanical cells in industrial-scale processing [18,19,20,21]. The RFC™ has a singular bubbly zone, instead of a conventional pulp and froth zone, with a gas volume fraction of the order of 0.5. This bubbly zone is highly permeable to wash water, allowing efficient counter-current washing of the emerging concentrate [22,23].
The systematic effects of the hydrodynamic throughput on the performance of the RFC™ have been reported for two-phase systems, a model, and industrial coal feeds [14,15,24]. Jiang et al. [15] investigated the kinetics of fast flotation of fine coal, with an extreme range of feed fluxes up to ~10 cm/s. The analysis revealed effective bubble–particle contact within the downcomer. For one model coal feed, combustible recoveries and product ash increased with increasing gas flux up to 4.7 cm/s and both decreased with increasing wash water fluxes up to 2.0 cm/s [25]. A full-scale RFC™ was used to upgrade the cyclone overflow from a coal preparation facility at feed, gas, and wash water fluxes up to 1.9, 1.6, and 0.6 cm/s, respectively, delivering combustible recoveries and product ashes that were better than the tree curve [26]. This work confirmed the direct scale-up of the technology.
For copper minerals, the RFC™ has been used to investigate the effects of collectors on copper and silver flotation, the aim being to replace xanthates with eco-friendly collectors [27]. We have investigated model feeds of pure chalcopyrite, binary hydrophobic and hydrophilic feeds, and industrial low-grade copper ores [28,29]. In all these studies, we were limited by the quantity which could be ground in the laboratory; hence, the feed concentrations were typically relatively low. The purpose of this new study was to establish, for the first time, the RFC™ performance under well-controlled laboratory conditions using an industrial feed at a high concentration of 30 wt.% solids, sourced directly from a mine site, covering a broad range of single-stage feed fluxes ranging from 0.5 to 3.0 cm/s. This performance was in turn assessed against the volumetric feed flux of the multi-stage plant circuit. The aim was to secure a realistic and reliable assessment of the RFCTM technology against a conventional operation. The work was also benchmarked in accordance with our previous work against a laboratory-scale mechanical cell.
2. Experimental
2.1. Materials, Reagents, and Feed Preparation
A sample, 2500 L of a low-grade copper feed slurry, was sourced from Evolution Mining’s Northparkes Operations, located in New South Wales, Australia. The average copper feed grade was 0.50 wt.%. This grade was consistent across several full-stream feed samples and consistent with the information provided by the mine site. The P80 of the feed was 89.2 µm, and the pulp density was 33.7 wt.% solids. The main copper-containing minerals in the feed were bornite and chalcopyrite, at a ratio of 0.8:1. Figure 1 shows the cumulative particle size distribution. Elemental analysis of the feed can be found in Appendix A.
Figure 1.
The cumulative volume fraction passing a given particle size of the feed measured using the Malvern Mastersizer 3000 (Malvern Panalytical, Malvern, UK). Error bars indicate the standard error of the measurements.
On Day 0, the feed slurry was dosed with chemicals in a conditioning tank and sampled directly from the feed to the flotation circuit. Chemicals were added in the following order: (1) The collector, Hostaflot-26293 from Clariant Australia (Melbourne, Australia), was added at 45 g/copper metal unit. A copper metal unit is the metal feed grade multiplied by the solids rate. (2) The frother, Flotanol-16319 from Clariant Australia, was dosed at 23 g/t of solids. (3) Sodium hydrosulfide (NaHS), a sulphidiser from Redox Ltd. (Sydney, Australia), was dosed at 36 g/t.
The dosed pre-ground feed slurry arrived at the laboratory on Day 4, 5 days after being sampled at the site. The ambient temperatures at the mine site on Day 0, covering 24 h, ranged from 3 to 17 °C. Between Day 0 and the day on which all the material was processed (Day 9), the ambient temperatures at the university site ranged from 7 to 21 °C.
Due to the large volume of the feed, ~2500 L, half the feed was prepared at a time. The majority of the liquid in each IBC container was decanted and the feed solids and remaining liquid were agitated and added to a 1300 L tank. The decanted water was used to remove any remaining solids from the IBC, meaning it was not necessary to dilute the feed or the reagents. Following advice from Northparkes Operations, an additional 4.5 g/t of collector, sodium isobutyl xanthate (SIBX) from Senmin Pty Ltd. (Johannesburg, South Africa), was added before feed preparation. This was carried out to minimise the impact of the degradation of the collector, Hostaflot-26293, in the slurry. The wash water was dosed with frother, Flotanol-16319, at the same concentration as that used for the feed slurry. The chemicals were industrial-grade purity, and the conditioning time used for each chemical was 5 min.
The “bucket method” [30] was then applied by discharging the feed into ~180 buckets and then randomising the sequence for the addition of the buckets of feed into a smaller 300 L feed mixing tank. On Day 8, the remaining feed was then prepared using the same procedure, including additional collector dosing, to be used on the following day (Day 9). The feed preparation and experiments were completed as efficiently as possible to minimise any impacts of the ambient conditions, oxidation, and degradation of the reagents on the resulting flotation performance.
2.2. Mechanical Flotation Cell Experiments
Mechanical cell tests were completed using an Essa model FTM101 mechanical cell from FLSmidth (Copenhagen, Denmark). It is noted that the same feed slurry was applied to the mechanical cell and the RFC™ and that the tests were conducted on the same day. Across all tests, a fixed mixing speed of 700 rpm was used, and wash water, dosed with frother, was applied consistently to reduce entrainment of the gangue material. Initial tests determined the range of gas fluxes to maximise the flotation kinetics, without risking entrainment. The gas flux was increased with time in response to the weakening froth behaviour.
The procedure and flowsheet for the flotation kinetic tests were explained in detail in the authors’ previous work [22,28]. Kinetic tests performed at the mine site followed the same procedure, with a mixing speed of 750 rpm, for a similar mechanical cell. These tests provided a measure of change in floatability across the study.
Measurement of Hydrophobic Particle Recovery
Mechanical cell tests were also completed on the feed, product, and tailings samples from the REFLUX™ Flotation Cell (RFC™), directly after sampling. These tests sought to determine an ultimate recovery of the hydrophobic material by floating and refloating the generated product. The cell volume was maintained using frother-dosed wash water. These tests aimed to prevent any entrainment of hydrophilic material. Hence, the product was collected slowly, with constant washing of the froth and minimal gas flux. Further detail is given in Parkes et al. [28].
For all the mechanical cell tests, the masses of the product and tailings samples were measured, followed by the determination of the particle size distributions using a Malvern Mastersizer 3000.
2.3. Continuous REFLUX™ Flotation Cell Experiments
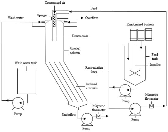
Figure 2 shows a schematic of the REFLUX™ Flotation Cell (RFC™) in a continuous experimental set-up. The feed passed downwards through the 10 mm internal diameter of a 300 mm long stainless steel sparger tube. The wall of the tube was formed from a 10 μm pore size. Air passed through the wall, creating air bubbles within the flowing feed slurry, which then collided with the particles in the feed. The bubbly mix then flowed into a 1030 mm vertical section via a downcomer. The wash water entered via a distributor at the top of the vertical section, delivering counter-current washing to the rising product overflow. The tailings exited via the base of the 920 mm inclined channels. These inclined channels had an 18 mm perpendicular spacing at 70° to the horizontal.
Figure 2.
The REFLUX™ Flotation Cell in a continuous experimental set-up, showing the input streams and output streams, the addition of randomised feed buckets, and the recirculation loop. Adapted from Parkes et al. [28].
As noted, the “bucket method” was used to supply the feed to the RFC™ on a continuous steady state basis to minimise the variability of the feed. The level of the 300 L tank was maintained throughout the experiments by adding buckets of feed as required. The feed was suspended via a stirrer, baffles, and a recirculation loop running at 30 L/min, taking care to ensure negligible air entrainment. The actual feed to the RFC™ was sourced using a pump directly from the flow loop. This procedure delivered a consistent feed in terms of solids rate, particle size distribution, and hydrophobicity. The consistency of the results and, hence, the experimental uncertainty, are shown in Appendix B.
Masterflex peristaltic pumps were used to control the feed, wash water, and tailings rates, thus setting the product rate by default. All pumps were calibrated prior to the experiments. The feed and tailings flowrates were monitored with Yokogawa magnetic flowmeters. Steady state conditions were determined through consistent product and tailings flow and mass rates and a constant bubbly zone–liquid interface position in the inclined channels. Multiple simultaneous product and tailings samples were taken, and once completed, the feed was sampled. External X-ray fluorescence analysis was used to obtain the copper grades for the overall streams and as a function of particle size, further confirming steady state conditions and assisting in the mass balancing of the results. Additional analysis completed by the Northparkes site laboratory used inductively coupled plasma optical emission spectroscopy (ICP-OES) for the low-grade samples and titration when the copper grade was above 5%.
Table 1 shows the operating conditions for these continuous experiments. The pH and temperature of the feed were 8.4 ± 0.1 and 14 ± 2 °C respectively. The pH and temperature of the wash water were 7.8 ± 0.1 and 12.6 ± 0.4 °C respectively. The gas temperature was 19 ± 1 °C. The external gas fraction, defined as the gas flux () divided by the sum of the gas and product fluxes (), , was maintained at ~0.83 to prevent coalescence [31]. A fixed positive bias flux of 0.42 cm/s, given by subtracting the product flux from the wash water flux, was set to reduce bulk entrainment.
Table 1.
The operating conditions for each RFC™ continuous steady state experiment.
3. Results and Discussion
3.1. Mechanical Cell Results
Kinetic tests were completed on the day the feed slurry arrived (Day 4), and following all the REFLUX™ Flotation Cell (RFC™) experiments on Days 7 and 9. A kinetic test was also completed on Day 0 by staff at the mine site. These results are compared in Appendix C and confirm no appreciable decline in floatability across the campaign. Two-stage ultimate recovery tests were also conducted to maximise both grade and recovery.
3.2. REFLUX™ Flotation Cell Results
The effect of the feed flux on the performance of the REFLUX™ Flotation Cell (RFC™) was investigated. The fixed gas to feed ratio, bias flux, and product to feed ratio were based on previous experience with low-grade chalcopyrite ores [29]. These conditions caused the bubbly zone to extend down into the inclined channels, reflecting the strong hydrodynamic feed, wash water, and gas fluxes [29]. The gas fluxes applied to the RFC™, up to 3.0 cm/s, were significantly higher than the gas fluxes used in the laboratory-scale mechanical cell, which ranged from 0.3 to 1.0 cm/s. The ability of the RFC™ to accommodate these higher gas fluxes offers a kinetic advantage. Three to four sets of steady state samples were collected during each RFC™ run.
Figure 3 shows the variation in the copper recovery, grade, and solids yield versus the feed flux. The error bar for the copper grade is taken to be 1% based on the feed data given later. Amplification in the errors via the two-product formula [32] gives an uncertainty in the recovery of 0.5% and uncertainty in the yield of 2%. These small errors lead to strong continuity across the experiments. Overall, the optimum feed flux was 2.0 cm/s, corresponding to the highest recovery and a relatively high copper grade.

Figure 3.
Continuous steady state separations conducted using the REFLUX™ Flotation Cell showing the (A) copper recovery (as a fraction) with error of ~0.5%, (B) copper grade with error of ~1%, and (C) yield with error of ~2%. The error bars are expressed as relative standard deviations, as percentages.
The copper recovery and grade were also quantified as a function of the particle size, up to 180 µm. Above 180 µm, there was insufficient product mass to measure copper concentrations. Figure 4 shows the fractional copper recovery as a function of particle size for each feed flux. The highest recoveries for all cases occurred at 27 µm, with recoveries between 92.8 and 95.4%. Below 27 µm, a slight decrease in recovery was evident, likely due to the reduced overall recoveries for particles at these ultrafine sizes. Above 27 µm, the copper recovery decreased with increasing particle size, most likely due to the declining liberation with increasing size. Interestingly, the lowest copper recovery was consistently achieved at a feed flux of 3.0 cm/s. A previous study on the RFC™ sparger showed that a higher shear rate and longer residence times were beneficial for fine (10–100 µm) and ultrafine particles (1–10 µm) [15]. The lower recoveries for the 3.0 cm/s feed flux could be explained by a combination of the lower residence time, reducing the time for successful bubble–particle attachment, and the extreme shear rates, which are known to be detrimental to coarse particle recovery [33,34]. The overall losses in recovery at coarser particle sizes also reflects the low surface liberation, or locked copper within particles. Tescan Integrated Mineral Analyser (TIMA) analysis from the mine site showed that for particles >106 µm, over 98% of the copper sulphide present was less than 40% liberated. The average copper grade increased from 0.14 to 0.18%, from 180 to 250 µm, across the different feed fluxes. These results suggest that the decreasing recovery seen in the product is likely to continue at coarser sizes.
Figure 4.
The recovery of copper in the product concentrate as a function of particle size for the different feed fluxes applied to the RFC™.
Figure 5 shows the copper grade as a function of the particle size for each feed flux. The two main copper minerals in the feed, chalcopyrite and bornite, have maximum copper grades of 34.6% and 63.3%, respectively. The grade of particles in the product concentrate decreased with increasing particle size. This is shown in more detail in Table 2 for the 2.0 cm/s RFC™ continuous steady state experiment. It is unusual to achieve the highest grade at the finest particle size. Usually, gangue entrainment is dominated by the ultrafine particles; hence, the ultrafine particles normally exhibit a relatively poor grade. The particles below 20 µm reached a maximum copper grade of 35.7% (at 2.0 cm/s), with the minimum grade, 3.8% (at 0.5 cm/s), achieved at 180 µm. The lower grade achieved here is again likely due to the decreasing levels of liberation, hence the composite particles containing both copper and gangue minerals. The TIMA data indicated that 93% of the particles above 76 µm were less than 40% liberated. Comparatively, 80% of the particles finer than 20 µm were more than 80% liberated. The RFC™ is known to achieve extreme levels of cleaning in a single separation stage; therefore, these data arguably represent the limits of cleaning.
Figure 5.
The grade of copper in the product concentrate as a function of particle size for the different feed fluxes applied to the RFC™.
Table 2.
The copper grade by particle size for the 2.0 cm/s RFC™ continuous steady state experiment for the feed, product, and reject streams. nd refers to no data, meaning the percentage in the sample was below the detection limit or the mass was insufficient for the analysis.
3.3. Hydrophobic and Hydrophilic Recoveries in the RFC™
Figure 6 shows the fractional hydrophobic recovery as a function of the particle size for the different feed fluxes. It is emphasised that these recoveries are concerned with the hydrophobic portions of the feed and not the copper; so, they are impacted by the presence of other minerals, including pyrite. Figure 7 shows the fractional hydrophilic recovery as a function of the particle size for the different feed fluxes. Across all feed fluxes, a very low hydrophilic recovery was obtained, with a maximum of 0.59% for any size fraction and 0.24% overall. These low values are attributed to the high bias flux in the RFC™ applied through counter-current washing to remove the entrained gangue material.
Figure 6.
The fractional hydrophobic recovery as a function of particle size for the different feed fluxes applied to the RFC™. The sub 10 µm portion consists of 31.69 vol.% of the feed. It is noted that the copper recovery greatly exceeds the hydrophobic recovery because much of the hydrophobic material consists of slow-floating material other than copper. Thus, copper recovery and copper selectivity are kinetically favourable.
Figure 7.
The fractional hydrophilic recovery as a function of particle size for the different feed fluxes applied to the RFC™.
Figure 8 shows the selectivity as a function of particle size based on the hydrophobic–hydrophilic separations. The selectivity was quantified using the expression derived by Galvin et al. [35]:
where and refer to the recovery of the two species of interest, and refers to the selectivity. The separation favours the recovery of Species 1 over 2 when . The selectivity trend was consistent across all feed fluxes applied to the RFC™; generally, it increases with increasing particle size and exceeds 100 for particles larger than 10 µm at all feed fluxes. Table 3 shows the overall selectivity values of the hydrophobic versus hydrophilic components and the copper versus the silica. Silica was selected for comparison against copper recovery as it was the predominant gangue mineral present in the feed. These data were substituted into Equation (1) to obtain overall measures of the selectivity.
Figure 8.
The selectivity as a function of particle size for the different feed fluxes applied to the RFC™.
Table 3.
The hydrophobic and hydrophilic particle recoveries, and the copper versus silica recoveries achieved in the series of continuous steady state experiments conducted using the REFLUX™ Flotation Cell. H refers to hydrophobic and L refers to hydrophilic materials. Silica was selected for comparison against copper recovery as it was the predominant gangue material present in the feed.
3.4. Comparison Between RFC™ and Batch Mechanical Cell
Table 4 provides the average copper and silica grade results for the feed, product, and reject samples for the RFC™ continuous steady state experiments. The copper and silica grades were consistent across the feed samples for each of the IBCs. The uncertainty in the copper grade is taken to be 1% based on the first three assays from the first IBC sample. The relative uncertainty in the silica is significantly lower. The single-stage separations achieved using the RFC™ achieved concentrate grades significantly higher than the one- and even two-stage laboratory-based mechanical cell tests. Table 5 provides the average copper and silica grade results for the mechanical cell ultimate recovery tests. This includes the results from a mechanical cell test completed at the mine site on Day 0, referred to as MC-0, where only the copper grade results were shared. The results of the two-stage ultimate recovery mechanical cell tests were completed on Day 7 (labelled as MC-7,1 stage and MC-7,2 stage) and on Day 9 (MC-9,1 stage and MC-9,2 stage). These results are discussed further below.
Table 4.
The average copper and silica grades obtained for each RFC™ continuous steady state experiment for the feed, product, and reject streams.
Table 5.
The average copper and silica grades obtained for the mechanical cell kinetic and ultimate recovery tests. MC-0 refers to the kinetic test completed on Day 0. MC-7 and -9 were two-stage ultimate recovery tests completed on Days 7 and 9. The 1 and 2 refer to the 1st- and 2nd-stage float.
Figure 9 shows the copper grade versus the fractional copper recovery in the product from the RFC™. The results from a kinetic mechanical cell test completed on the mine site on Day 0, referred to as MC-0, and a two-stage ultimate recovery mechanical cell test completed on Day 7 (MC-7,1 and MC-7,2) and on Day 9 (MC-9,1 and MC-9,2), where 1 and 2 refer to the first- and second-stage float, are also included as a comparison.
Figure 9.
The grade of copper in the product concentrate as a function of the recovery (as a fraction) for the different feed fluxes applied to the RFC™. The three or four points show the scatter in the results from samples collected periodically during steady state operation. Also included are the results from a mechanical cell kinetic test, MC-0, and two mechanical cell 2-stage refloats, MC-7,1, MC-7,2, MC-9,1, and MC-9,2 as a comparison. The first-stage tests had a residence time of 16 min. The second stage was refloated for a further 10 min. Thus, the effective feed fluxes were exceedingly low.
For the RFC™ results in Figure 9, the graph shows a clear trend of increasing grade with increasing feed flux, from 19.4 to 23.0% copper at 0.5 and 3.0 cm/s, respectively (Table 4). Interestingly, the recovery continues to slightly increase for 0.5 to 2.0 cm/s, before decreasing for 3.0 cm/s. Usually, the grade of the product decreases with increasing recovery; however, higher grades were obtained here with little change in the recovery.
The MC-0 test achieved a higher ultimate recovery than any RFC™ test, at 88.32%. However, the product grade was only 5.79% copper, suggesting that gangue material was entrained into the product concentrate during the test. The two-stage ultimate recovery tests had consistent washing of the froth and a gas flux that sought to maximise the flotation kinetics while preventing entrainment. MC-7,1 indicates the results after the first-stage float, with an ultimate copper recovery of 87.62% and a copper grade of 5.67%. The refloat of this product, MC-7,2, achieved an 85.16% copper ultimate recovery and a 14.08% grade. MC-9,1 achieved an ultimate copper recovery of 87.80% and a copper grade of 5.44%. The refloat of this product, MC-9,2, resulted in an 85.16% copper recovery and 13.19% copper grade. The MC-7,1 and MC-9,1 results were very close to those of MC-0. Moreover, the results of MC-7,2 and MC-9,2 had almost identical recoveries, although there was a 0.89% reduction in copper grade on Day 9. The consistency of these results indicates that the time between feed sampling and testing, and hence any reagent decomposition and oxidation, had little impact on the behaviour of the feed in the mechanical cell. The results also indicate the difficulty involved in achieving a high-grade product from the mechanical cell.
The ultimate recoveries in all the mechanical cell tests are clearly and unsurprisingly higher than the continuous steady state recoveries achieved in the RFC™. These differences are readily attributed to the vastly higher feed flux in the RFC™ experiments relative to the effective feed flux of the mechanical cell. However, the single-stage RFC™ achieved significantly higher grades. The continued strong performance at higher feed fluxes, for the copper recovery and the grade compared to the mechanical cell benchmark, indicates that the hydrodynamic limits of the RFC™ for this feed have not yet been reached. During the experiments the bubbly zone interface remained within the first one-third of the inclined channels; thus, the hydrodynamic loading could be increased further. A higher feed flux could result in lower copper recoveries, but also a higher product grade, due to a reduction in the recovery of the relatively coarse, poorly liberated particles.
3.5. Comparison with the Northparkes Operations Circuit
It should be noted that Evolution Mining’s Northparkes Operations achieves its final product utilising a flotation circuit with rougher, scavenger, and cleaner stages. Northparkes Operations operates with a nominal feed flux of 1.17 cm/s to a pair of primary rougher cells, achieving a copper recovery of about 67% and a nominal grade of 15.5 wt.% copper (based on data from the most recent Northparkes Operations flotation circuit survey). In this analysis, the feed grade of the copper is assumed to be the average of the values in this study, 0.493 wt.%. Further processing through four rougher flotation cells increases the copper recovery to 82.2%, resulting in an overall rougher copper grade of 8.4 wt.%. Across the primary roughers and the four additional roughers, the effective feed flux (feed volumetric rate to circuit divided by the total combined flotation cell area) reduces to 0.37 cm/s. The rougher concentrates then report to a cleaner circuit, which combines specific cleaner cells and cleaner scavenger cells. This final phase increases the overall product grade to 27.7 wt.% copper. The combined effective feed flux for the entire circuit is 0.26 cm/s. It is noted the circuit also includes additional scavenger stages to capture the more poorly liberated coarser particles, which are then subjected to grinding and cleaner flotation, assisting with some additional recovery and a higher grade. This final portion of the circuit footprint has been neglected in the analysis.
Additional data were provided by Northparkes Operations for the overall copper grades and recoveries across the same month as the feed samples were processed in the RFC™. These data are shown alongside the RFC™ data in Figure 10. The Northparkes Operations results are referred to as NPO. The Northparkes Operations copper recoveries vary from 75.4 to 86.8%, and the copper grade in the product concentrate ranges from 21.6 to 28.4 wt.% copper. The majority of these data achieve a higher product grade for similar or higher copper recoveries when compared to the RFC™ results. However, these data are a result of the material passing through the circuit of six roughers, two scavengers, three cleaners, and eight cleaner–scavengers. Interestingly, some of the results are quite comparable to the RFC™ results, with the 2 cm/s feed flux run achieving higher copper grades and recoveries than some of the Northparkes Operations results.
Figure 10.
The grade of copper in the product concentrate as a function of the recovery (as a fraction) for the different feed fluxes applied to the RFC™. The three or four points show the scatter in the results from samples collected periodically during steady state operation. Also included are the results from the Northparkes Operations (NPO) over a month as a comparison.
The performance of the RFC™ can be compared directly with the overall plant performance. The results indicate an optimum RFC™ performance at a feed flux of 2.0 cm/s, achieving a product grade of 23 wt.% copper, just below the target for the plant, and a recovery of 81.7%. Thus, the throughput advantage of the RFC™ based on vessel area is 2.0/0.37~5 compared to the rougher circuit. With this throughput advantage, the RFC™ achieved an upgrade that was 22/8.4~2.6 times higher than the rougher circuit. The RFC™ throughput advantage relative to the combined rougher and cleaner circuits was 2.0/0.26~8. Clearly, the plant circuit delivered higher grades of up to 28.4 wt.% copper and similar or higher recoveries of the copper. However, the cleaning achieved by the RFC™ was arguably close to theoretical limits. This view is based on the detailed analysis of the concentrate described in Figure 4 and Figure 5. This view on extreme levels of cleaning is also supported by previous studies on coal tailings with reference to detailed coal grain analysis [31].
4. Conclusions
The performance of the REFLUX™ Flotation Cell (RFC™) was investigated across a wide range of hydrodynamic conditions using an industrial porphyry copper feed. The feed flux was increased from 0.5 to 3.0 cm/s, well beyond the fluxes used in conventional circuits [9,10]. Copper recovery increased as the feed flux increased from 0.5 up to 2.0 cm/s. However, a strong decrease in recovery at 3.0 cm/s was observed. The product copper grade increased with increased feed flux, up to 23 wt.% copper. Interestingly, the recovery of hydrophobic particles increased with increasing particle size. A remarkably low hydrophilic recovery was observed in all tests, reaching a maximum of 0.6%, due to the counter-current washing with positive bias flux. The selectivity of the hydrophobic to hydrophilic particle recovery was high across all experiments, increasing with particle size.
All the grades achieved using the RFC™ were significantly higher than those achieved using the laboratory-scale mechanical cell. For copper recovery versus particle size, recoveries of over 90% were attained by the RFC™ from 27 to 45 µm for all feed fluxes. With increasing particle size, the copper recovery then decreased. As expected, the grade of the product decreased with increasing particle size; this was likely due to lower liberation at coarser sizes. The performance of the RFC™ was compared directly with the overall plant performance consisting of multiple rougher, scavenger, and cleaner stages. At a feed flux of 2.0 cm/s, the throughput advantage of the RFC™ is ~5 compared to the rougher circuit; this is in addition to an upgrade that is 2.6 times higher than the rougher circuit. The RFC™ throughput advantage relative to the combined rougher and cleaner circuits is ~8. Moreover, the RFC™ copper grade and recovery results at 2 cm/s are comparable to some of the Northparkes Operations data.
Author Contributions
S.P.: methodology, writing—original draft, writing—review and editing, formal analysis; P.W.: methodology, writing—review and editing, supervision; K.P.G.: writing—review and editing, supervision, funding acquisition. All authors have read and agreed to the published version of the manuscript.
Funding
This research was funded by the Australian Research Council via the ARC Centre of Excellence for Enabling Eco-Efficient Beneficiation of Minerals, grant number CE200100009. The authors also acknowledge the funding support from FLSmidth.
Data Availability Statement
The raw data supporting the conclusions of this article will be made available by the authors on request.
Acknowledgments
The authors acknowledge the contributions of Joshua Sutherland in the feed preparation and running of the experiments for this study and the staff at Evolution Mining’s Northparkes Operations for their assistance in sourcing the feed and conducting kinetic and ICP-OES analysis.
Conflicts of Interest
The authors declare no conflict of interest. Declaration: Kevin Galvin has a patent held by his University and is a beneficiary of his University’s IP policy. The technology is licensed by the University to FLSmidth. Kevin Galvin’s remuneration is entirely through his employer, University of Newcastle. Kevin Galvin, Section Board member of Minerals, section Minerals Processing and Extractive Metallurgy.
Appendix A. Elemental Feed Analysis
Table A1.
XRF analysis of the feed, indicating the detection limit and percentage in the feed for each element. Nd refers to no data, meaning the percentage in the feed was below the detection limit.
Table A1.
XRF analysis of the feed, indicating the detection limit and percentage in the feed for each element. Nd refers to no data, meaning the percentage in the feed was below the detection limit.
| Element | Detection Limit (%) | Feed (%) |
|---|---|---|
| Aluminium as Al2O3 | 0.02 | 16.42 |
| Arsenic | 0.01 | nd |
| Barium | 0.01 | 0.08 |
| Calcium as CaO | 0.02 | 3.89 |
| Chlorine | 0.01 | 0.07 |
| Chromium as Cr2O3 | 0.02 | nd |
| Copper | 0.01 | 0.50 |
| Iron | 0.01 | 3.16 |
| Lead | 0.01 | nd |
| Magnesium as MgO | 0.05 | 1.97 |
| Manganese as MnO | 0.02 | 0.08 |
| Molybdenum | 0.02 | nd |
| Nickel | 0.01 | nd |
| Phosphorus as P2O5 | 0.02 | 0.28 |
| Potassium as K2O | 0.02 | 4.61 |
| Silicon as SiO2 | 0.02 | 57.08 |
| Sodium as Na2O | 0.05 | 3.80 |
| Strontium | 0.01 | 0.09 |
| Sulphur as SO3 | 0.02 | 3.88 |
| Titanium as TiO2 | 0.02 | 0.48 |
| Zinc | 0.01 | nd |
Appendix B. Feed Consistency and Error Analysis
The “bucket method” was applied to ensure a consistent feed to the REFLUX™ Flotation Cell (RFC™) in the experimental work [30]. Hence, any variation in the resulting product and reject slurry and solid rates, hydrophobic and hydrophilic recoveries, particle size distributions and assay results could be attributed to a change in the hydrodynamic conditions being applied to the cell, rather than because of a random variation in the feed.
Figure A1 shows the feed grade measured throughout one experiment, with samples taken over several hours. The grade consistently sits at approximately 0.5 wt.% copper.
Figure A1.
The feed grade over time, highlighting the consistency delivered by the method described by Crompton et al. [30].
Figure A2 shows the cumulative particle size distributions of the different feed samples. The distributions are very similar across the four different samples. These results, combined with the consistent mass flow rates of the feed, confirm the benefit of the “bucket method” for delivering feed consistency.
Figure A2.
The particle size distribution of the feed as a function of particle size entering the REFLUX™ Flotation Cell at the different feed fluxes tested. The data show the consistency delivered by the method described by Crompton et al. [30].
Figure A3 shows the slurry, solids, and copper mass rates in the feed across the experimental work. The consistent slurry and solids mass rates indicate a consistent pulp density was delivered to the RFC™. The constant copper mass rate indicates that not only was a steady mass of feed being delivered, but that the composition of this feed was also steady. The analysis of other components in the feed from external X-ray florescence (XRF) results, such as iron and silica, confirmed this trend. These data, and the data collected across many other experimental campaigns using the bucket method, assist in validating its use in improving the reliability and confidence in the resulting data collected from the RFC™ and the mechanical cell.
Figure A3.
The slurry, solids, and copper mass rates entering the REFLUX™ Flotation Cell, normalised to the mass rate of the 0.5 cm/s feed flux case.
Appendix C. Mechanical Cell—Kinetic Analysis
Table A2 shows the cumulative mass recovery as a function of time for four different kinetic tests. Day 0 was completed on the mine site as the feed slurry was sampled for shipping. Day 4 was completed when the feed slurry arrived on site. Day 7 was completed after the initial REFLUX™ Flotation Cell (RFC™) experiments were conducted and on Day 9 after the final RFC™ experiment was completed. The test completed on Day 0 at the mine site lab had a very precise reagent dosage and a well-controlled P80. It is common for the lab tests to have increased fines produced compared to the plant size distribution; hence, the lower mass pull was not surprising.
Data shared from the mine site showed that the typical kinetic tests recovered 8 to 10 wt.% of the initial feed mass; hence, all the tests completed are within the normal range. These yields are significantly higher than the yields produced under continuous steady state conditions using the RFC™. However, the yields decreased significantly when the product concentrate was refloated. This suggests the ultimate recovery includes slower floating pyrite and other gangue minerals.
Table A2.
Cumulative solids yield for each feed kinetic test.
Table A2.
Cumulative solids yield for each feed kinetic test.
| Cumulative Solids Yield (%) | ||||
|---|---|---|---|---|
| Time (s) | Day 0 | Day 4 | Day 7 | Day 9 |
| 15 | 1.25 | 0.46 | 1.13 | 1.10 |
| 30 | 2.35 | 1.15 | 1.60 | 1.46 |
| 60 | 2.73 | 1.87 | 2.36 | 2.08 |
| 120 | 3.55 | 2.50 | 3.52 | 3.33 |
| 240 | 4.17 | 3.84 | 5.09 | 4.88 |
| 480 | 6.09 | 5.81 | 7.09 | 6.33 |
| 960 | 7.19 | 8.35 | 9.65 | 8.97 |
| Reject | 100 | 100 | 100 | 100 |
References
- Bulatovic, S.M. Handbook of Flotation Reagents: Chemistry, Theory and Practice: Volume 1: Flotation of Sulfide Ores; Elsevier Science: Amsterdam, The Netherlands, 2007. [Google Scholar]
- Cao, J.; Hu, X.-Q.; Luo, Y.-C.; Qi, L.; Xu, G.-Q.; Xu, P.-F. The role of some special ions in the flotation separation of pentlandite from lizardite. Colloids Surf. A Physicochem. Eng. Asp. 2016, 490, 173–181. [Google Scholar] [CrossRef]
- Senior, G.D.; Trahar, W.J. The influence of metal hydroxides and collector on the flotation of chalcopyrite. Int. J. Miner. Process. 1991, 33, 321–341. [Google Scholar] [CrossRef]
- Cole, M.J.; Dickinson, J.E.; Galvin, K.P. Recovery and cleaning of fine hydrophobic particles using the Reflux™ Flotation Cell. Sep. Purif. Technol. 2020, 240, 116641. [Google Scholar] [CrossRef]
- Massinaei, M.; Kolahdoozan, M.; Noaparast, M.; Oliazadeh, M.; Yianatos, J.; Shamsadini, R.; Yarahmadi, M. Hydrodynamic and kinetic characterization of industrial columns in rougher circuit. Miner. Eng. 2009, 22, 357–365. [Google Scholar] [CrossRef]
- Parkes, S.; Wright, B.; Wang, P.; Stiller, E.; Firouzi, M.; Galvin, K.P. Hydropho-bic-hydrophilic bubble-particle kinetics in a downcomer. Miner. Eng. 2024, 210, 108646. [Google Scholar] [CrossRef]
- Wang, L.; Runge, K.; Peng, Y.; Vos, C. An empirical model for the degree of entrainment in froth flotation based on particle size and density. Miner. Eng. 2016, 98, 187–193. [Google Scholar] [CrossRef]
- Farrokhpay, S.; Filippov, L.; Fornasiero, D. Flotation of Fine Particles: A Review. Miner. Process. Extr. Metall. Rev. 2021, 42, 473–483. [Google Scholar] [CrossRef]
- Mesa, D.; Brito-Parada, P.R. Scale-up in froth flotation: A state-of-the-art review. Sep. Purif. Technol. 2019, 210, 950–962. [Google Scholar] [CrossRef]
- Fuerstenau, M.C.; Jameson, G.J.; Yoon, R.H. Froth Flotation: A Century of Innovation; Society for Mining, Metallurgy, and Exploration: Englewood, CO, USA, 2007. [Google Scholar]
- Neethling, S.J.; Brito-Parada, P.R.; Hadler, K.; Cilliers, J.J. The transition from first to zero order flotation kinetics and its implications for the efficiency of large flotation cells. Miner. Eng. 2019, 132, 149–161. [Google Scholar] [CrossRef]
- Galvin, K.; Harvey, N.; Dickinson, J. Fluidized bed desliming in fine particle flotation–Part III flotation of difficult to clean coal. Miner. Eng. 2014, 66, 94–101. [Google Scholar] [CrossRef]
- Yianatos, J.; Finch, J.; Laplante, A. Cleaning action in column flotation froths. Trans. Inst. Min. Metall. Sect. C-Miner. Process. Extr. Metall. 1987, 96, C199–C205. [Google Scholar]
- Jiang, K.; Dickinson, J.; Galvin, K. Maximizing bubble segregation at high liquid fluxes. Adv. Powder Technol. 2014, 25, 1205–1211. [Google Scholar] [CrossRef]
- Jiang, K.; Dickinson, J.E.; Galvin, K.P. The kinetics of Fast Flotation using the Reflux Flo-tation Cell. Chem. Eng. Sci. 2019, 196, 463–477. [Google Scholar] [CrossRef]
- Boycott, A. Sedimentation of blood corpuscles. Nature 1920, 104, 532. [Google Scholar] [CrossRef]
- Baynham, S.; Ireland, P.; Galvin, K. Enhancing Ion Flotation through Decoupling the Overflow Gas and Liquid Fluxes. Minerals 2020, 10, 1134. [Google Scholar] [CrossRef]
- Diaz-Penafiel, P.; Dobby, G.S. Kinetic studies in flotation columns: Bubble size effect. Miner. Eng. 1994, 7, 465–478. [Google Scholar] [CrossRef]
- Dobby, G.S.; Finch, J.A. Column flotation: A selected review, part II. Miner. Eng. 1991, 4, 911–923. [Google Scholar] [CrossRef]
- Ireland, P.; Neville, F.; Dickinson, J.; Galvin, K. Enhancing extraction in ion flotation using the boycott effect. Chem. Eng. Process.-Process Intensif. 2019, 145, 107678. [Google Scholar] [CrossRef]
- Sarkar MS, K.A.; Evans, G.M.; Donne, S.W. Bubble size measurement in electroflotation. Miner. Eng. 2010, 23, 1058–1065. [Google Scholar] [CrossRef]
- Wang, P.; Yvon, M.; Parkes, S.; Galvin, K.P. Enhancing nickel grade and recovery with counter-current washing of the concentrated bubbly-zone of a single stage REFLUX™ Flotation Cell. Miner. Eng. 2024, 206, 108506. [Google Scholar] [CrossRef]
- Wang, P.; Yvon, M.; Parkes, S.; Galvin, K.P. Improving flotation hydrodynamics to max-imize nickel recovery from tailings. Miner. Eng. 2024, 216, 108880. [Google Scholar] [CrossRef]
- Guner, M.K.; Hassanzadeh, A.; Vinnett, L.; Yianatos, J.; Kowalczuk, P.B. Effects of operating parameters on residence time distribution in a REFLUX flotation cell. Miner. Eng. 2023, 204, 108439. [Google Scholar] [CrossRef]
- Galvin, K.; Dickinson, J. Fluidized bed desliming in fine particle flotation–part II: Flotation of a model feed. Chem. Eng. Sci. 2014, 108, 299–309. [Google Scholar] [CrossRef]
- Iveson, S.M.; Sutherland, J.L.; Cole, M.J.; Borrow, D.J.; Zhou, J.; Galvin, K.P. Full-Scale trial of the REFLUX™ flotation cell. Miner. Eng. 2022, 179, 107447. [Google Scholar] [CrossRef]
- Guner, M.K.; Lode, S.; Malafeevskiy, N.; Aasly, K.; Kowalczuk, P. Mixed thiol collector system in the flotation of copper ore using the REFLUX Flotation Cell (RFC). Miner. Eng. 2024, 216, 108843. [Google Scholar] [CrossRef]
- Parkes, S.; Wang, P.; Galvin, K.P. Investigating the System Flotation Kinetics of Fine Chalcopyrite in a REFLUX™ Flotation Cell using a Standardised Flotation Cell Reference Method. Miner. Eng. 2022, 178, 107411. [Google Scholar] [CrossRef]
- Parkes, S.; Wang, P.; Galvin, K.P. Investigating the system flotation kinetics of fine chal-copyrite in a REFLUX™ flotation cell: Part II low-grade ores. Miner. Eng. 2024, 207, 108548. [Google Scholar] [CrossRef]
- Crompton, L.J.; Islam, M.T.; Galvin, K.P. Investigation of Internal Classification in Coarse Particle Flotation of Chalcopyrite Using the CoarseAIRTM. Minerals 2022, 12, 783. [Google Scholar] [CrossRef]
- Cole, M.J.; Galvin, K.P.; Dickinson, J.E. Maximizing recovery, grade and throughput in a single stage Reflux Flotation Cell. Miner. Eng. 2021, 163, 106761. [Google Scholar] [CrossRef]
- Iveson, S.M.; Galvin, K.P. Amplification in the Uncertainty of the Yield and Recovery for a Steady-State Mineral Separator calculated using the Two-Product Formula. Miner. Eng. 2024, 212, 108729. [Google Scholar] [CrossRef]
- Jameson, G.J.; Emer, C. Coarse chalcopyrite recovery in a universal froth flotation machine. Miner. Eng. 2019, 134, 118–133. [Google Scholar] [CrossRef]
- Sutherland, J.L.; Dickinson, J.E.; Galvin, K.P. Flotation of coarse coal particles in the Reflux™ Flotation Cell. Miner. Eng. 2020, 149, 106224. [Google Scholar] [CrossRef]
- Galvin, K.P.; Nichol, S.K.; Waters, A.G. Selective ion flotation of gold. Colloids Surf. 1992, 64, 21–33. [Google Scholar] [CrossRef]
Disclaimer/Publisher’s Note: The statements, opinions and data contained in all publications are solely those of the individual author(s) and contributor(s) and not of MDPI and/or the editor(s). MDPI and/or the editor(s) disclaim responsibility for any injury to people or property resulting from any ideas, methods, instructions or products referred to in the content. |
© 2025 by the authors. Licensee MDPI, Basel, Switzerland. This article is an open access article distributed under the terms and conditions of the Creative Commons Attribution (CC BY) license (https://creativecommons.org/licenses/by/4.0/).