You are currently viewing a new version of our website. To view the old version click .
Minerals
  • Review
  • Open Access

11 October 2025

Coal-Based Direct Reduction for Dephosphorization of High-Phosphorus Iron Ore: A Critical Review

,
,
,
,
,
,
and
1
School of Resources and Safety Engineering, University of Science and Technology Beijing, Beijing 100083, China
2
Changsha Research Institute of Mining and Metallurgy Company Limited, Changsha 410012, China
*
Author to whom correspondence should be addressed.
This article belongs to the Section Mineral Processing and Extractive Metallurgy

Abstract

Conventional separation methods often prove ineffective for complex, refractory high-phosphorus iron ores. Recent advances propose a coal-based direct reduction dephosphorization-magnetic separation process, achieving significant dephosphorization efficiency. This review systematically analyzes phosphorus occurrence states in high-phosphorus oolitic iron ores across global deposits, particularly within iron minerals. We categorize contemporary research and elucidate dephosphorization mechanisms during coal-based direct reduction. Key factors influencing iron mineral phase transformation, iron enrichment, and phosphorus removal are comprehensively evaluated. Phosphorus primarily exists as apatite and collophane gangue m horization agents function by: (1) inhibiting phosphorus-bearing mineral reactions or binding phosphorus into soluble salts to prevent incorporation into metallic iron; (2) enhancing iron oxide reduction and coal gasification; (3) disrupting oolitic structures, promoting metallic iron particle growth, and improving the intergrowth relationship between metallic iron and gangue. Iron mineral phase transformations follow the sequence: Fe2O3 → Fe3O4 → FeO (FeAl2O4, Fe2SiO4) → Fe. Critical parameters for effective dephosphorization under non-reductive phosphorus conditions include reduction temperature, duration, reductant/dephosphorization agent types/dosages. Future research should focus on: (1) investigating phosphorus forms in iron minerals for targeted ore utilization; (2) reducing dephosphorization agent consumption and developing sustainable alternatives; (3) refining models for metallic iron growth and improving energy efficiency; (4) optimizing reduction atmosphere control; (5) implementing low-carbon emission strategies.

1. Introduction

With the rapid development of the steel industry, high-grade and easily treated mineral resources are being depleted at an accelerating rate. As these non-renewable high-grade minerals become increasingly scarce, the proportion of complex and refractory iron ores in total iron ore reserves continues to rise [1]. To address the challenges posed by the decline in high-quality mineral reserves, the development and utilization of complex and widely distributed refractory mineral resources has become an important solution [2], High-phosphorus iron ore resources are widely distributed and abundant in reserves [3,4,5,6,7,8]. However, the unique structure and high phosphorus content of high-phosphorus oolitic iron ore make it difficult to beneficiate, which has hindered its effective development and utilization to date [5,9,10,11].
Owing to the fact that the phosphorus content in high-phosphorus iron ore frequently exceeds 0.1%, the efficient utilization of such ores poses a significant challenge for researchers in the fields of mineral processing and metallurgy [3,12]. Extensive research has been conducted on the treatment of high-phosphorus iron ore, a refractory type of iron resource. Various dephosphorization techniques have been explored, including flotation and combined flotation–magnetic or gravity separation processes [13], dephosphorization via magnetic or suspension roasting [14,15,16,17,18], bioleaching methods [19], and direct reduction–melting separation processes [20].
Among the available methods, each has its own advantages and disadvantages. Flotation and combined flotation–magnetic or gravity separation are advantageous for their simplicity. However, they often yield concentrates with low iron grade and recovery, while retaining high phosphorus content. Significant iron losses also occur in the phosphorus-rich flotation froth. Additionally, the use of multiple reagents can leave residual chemicals in both the concentrate and tailings, complicating filtration. Magnetic or suspension roasting is similarly simple but fails to break the oolitic structure. The intimate intergrowth of iron minerals and apatite results in low concentrate quality, poor recovery, and elevated phosphorus levels. Bioleaching offers the benefits of low energy consumption and environmental friendliness, but is limited by a long processing cycle. The direct reduction smelting separation process features a short flowsheet, straightforward smelting operations, low energy use, and reduced environmental impact. However, apatite may be reduced to elemental phosphorus during smelting, which dissolves into molten iron and complicates phosphorus removal. Moreover, the reduction–smelting process remains relatively energy-intensive. These approaches have generally struggled to produce concentrate products with phosphorus contents meeting the required standards. Although acid leaching is capable of producing iron concentrates with phosphorus content below 0.1%, it faces significant challenges such as high grinding energy consumption, serious equipment corrosion, and high acid consumption [21,22,23,24,25].
When conventional beneficiation methods prove ineffective in achieving satisfactory separation efficiency for high-phosphorus iron ore, researchers have proposed the direct dephosphorization reduction–magnetic separation process as an alternative approach [26,27,28,29]. This process enables the production of direct reduced iron (DRI) products with phosphorus content reduced to below 0.1%, making them directly applicable as feedstock for electric arc furnace (EAF) steelmaking [30,31,32,33]. The coal-based direct reduction of high-phosphorus iron ore is a typical beneficiation–metallurgical process. In this method, high-phosphorus iron ore is mixed with coal (as a reductant) and a dephosphorization agent, and subjected to high-temperature reduction to facilitate iron metallization and phosphorus migration. Subsequently, magnetic separation is employed to recover metallic iron and effectively separate impurities.
The short-process steelmaking route is considered one of the most promising pathways for achieving carbon neutrality in the iron and steel industry [34]. In recent years, with the advancement of direct reduction–magnetic separation technologies, gas-based reduction processes have become predominant globally. However, such processes are mainly deployed in regions with abundant and low-cost natural gas resources, such as the Middle East and Latin America. Despite the environmental and energy efficiency advantages of natural gas over coal, its application is limited in countries that are rich in coal but lack oil and natural gas. In these regions, gas-based direct reduction is constrained by insufficient gas supply and high operational costs. Therefore, for coal-rich, oil- and gas-deficient countries, coal-based direct reduction for DRI offers significant economic and practical advantages [35]. In response to the challenges posed by high-phosphorus iron ore, extensive research has been conducted on coal-based direct reduction followed by magnetic separation for dephosphorization. The majority of these studies focus on achieving both iron enrichment and phosphorus removal [36,37,38,39]. This paper reviews recent progress in understanding the modes of occurrence of phosphorus in high-phosphorus iron ore, the dephosphorization mechanisms during the direct reduction process, and the iron phase transformations that occur under reduction conditions. In addition, key factors influencing dephosphorization efficiency are discussed, and future research directions are proposed.

2. Form of Phosphorus in High-Phosphorus Iron Ore

2.1. Occurrence Forms of Phosphorus and Iron in High-Phosphorus Iron Ore

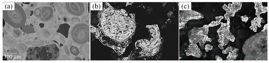
The valuable minerals in high-phosphorus iron ore mainly include hematite, limonite, siderite, and goethite, while the predominant gangue minerals are quartz, chlorite, marble, dolomite, apatite, and silicate clays. These ores are typically characterized by extremely fine-grained intergrowth between iron-bearing minerals and gangue phases, with a complex mineralogical association. The oolitic particles commonly exhibit concentric, alternating lamellar structures, which further complicate the beneficiation process [35,40]. The evolution and formation mechanism of ooids in oolitic iron ores is shown in Figure 1.
Figure 1. The evolution and formation mechanism of ooids oolitic iron ores [41]. (a) Seawater is saturated with cations and anions especially Fe, Si and Al. (b) Precipitation of these cations and anions as hematite and chamosite over nucleus at the water-sediments interface. (c) Development of the hematite and chamosite as discontinuous laminae. (d) Complete formation of ooids in concentric (elliptical and spherical shapes) or eccentric textures. (e) Some ooliths were broken by local currents before they were buried in the sediment. (Reprinted with permission from Ref. [41]. Copyright 2017 Elsevier).
The phosphorus content and its modes of occurrence in high-phosphorus iron ore vary across different regions, and these factors are critical in determining whether such ores can be effectively developed and utilized [12,42,43,44,45]. Studies indicate that phosphorus minerals in nature mainly exist in the following forms: apatite, monazite, eosphorite, lazulite, vivianite, wavellite, xenotime, strengite, goyazite and lazulite [46]. Researchers have conducted extensive studies on the occurrence forms of phosphorus and iron in high-phosphorus iron ore and have made notable progress. The occurrence characteristics of phosphorus and iron in high-phosphorus iron ore from various regions are summarized in Table 1.
Table 1. Forms of phosphorus-iron in high-phosphorus iron ore across different regions.
As shown in Table 1, the main phosphorus-bearing minerals in high-phosphorus iron ore are apatite and collophane, with apatite being the most prevalent. Based on the form of phosphorus occurrence, high-phosphorus oolitic iron ore can be classified into three categories: (1) ores in which phosphorus occurs independently as gangue minerals; (2) Phosphorus in iron ore contained in iron minerals (3) Phosphorus in iron ore contained in high-phosphorus oolitic iron ore in various forms. In this type of iron ore, phosphorus is not only contained in the form of separate gangue, but also a considerable portion of phosphorus is contained in iron minerals.

2.2. Forms of Phosphorus in Iron Minerals

For high-phosphorus oolitic iron ore in which phosphorus exists as a single gangue, partial phosphorus can be removed by flotation or other methods. However, for high-phosphorus oolitic iron ore containing phosphorus in iron minerals, it is difficult to remove phosphorus from iron minerals in such high-phosphorus oolitic iron ore using conventional methods. Therefore, it is necessary to research the form in which phosphorus exists in iron minerals, which may play a decisive role in how to remove that phosphorus. Therefore, it is necessary to research the form in which phosphorus exists in iron minerals, which may play a decisive role in how to remove that phosphorus.
Li et al. [47] examined a high-phosphorus iron ore from a locality in Australia by means of optical microscopy and scanning electron microscopy with energy-dispersive spectroscopy (SEM-EDS) analysis, and did not observe any individual mineral phases occurring as discrete phases. Li et al. [47] proposed that during the formation of limonite, phosphorus was adsorbed by positively charged ferric hydroxide colloids from the surrounding medium. This hypothesis is based on the fact that limonite formation is closely associated with the generation of colloidal ferric hydroxides, which possess positively charged surfaces capable of adsorbing various anions, including P O 4 3 , from the medium. Thus, under favorable weathering and sedimentary conditions, it is plausible that phosphorus could be adsorbed from the environment and incorporated into limonite in trace amounts. However, this conclusion is based solely on surface chemistry considerations of colloids and has not been experimentally validated.
Barbour [63] suggested that the presence of phosphorus in goethite ore is a result of the substitution of surface hydroxyl groups in the goethite structure by phosphate ions ( P O 4 3 ) prior to the dehydration of iron-hydroxides into goethite. MacRae et al. [64] found that phosphorus atoms can enter the goethite structure through co-substitution with aluminum atoms. Early theories proposed that phosphorus might exist via surface hydroxyl substitution (phosphate adsorption on goethite before dehydration) or sol adsorption mechanisms, but experiments have not confirmed their dominance. Ofoegbu [54] conducted a study on the modes of phosphorus occurrence in high-phosphorus oolitic goethite ores from the Agbaja region of Nigeria. The research revealed that phosphorus in iron minerals primarily exists in two distinct forms: as independent crystalline phases and adsorbed or amorphous forms. However, despite the elevated phosphorus content in high-phosphorus oolitic iron ores, the specific mineral phases hosting phosphorus within the iron minerals have not yet been definitively identified.
The occurrence forms of phosphorus in iron ore directly determine its chemical activity and removal difficulty. If phosphorus within iron minerals crystal lattices, high-temperature reduction is required to destroy the mineral structure and release phosphorus. If phosphorus occurs as independent apatite phases, it can be directly removed via acid leaching. Identifying the specific occurrence forms provides critical theoretical support for developing targeted phosphorus removal processes (e.g., optimizing acid leaching conditions or setting reduction temperatures). With the advancement of detection equipment, scholars have gained a more advanced understanding of phosphorus in iron minerals.
Ward et al. [65] employed electron probe microanalysis (EPMA) to investigate the relationship between phosphorus and iron content in goethite. The results demonstrated a positive correlation between P and Fe content, where a decrease in iron content within goethite was accompanied by a proportional reduction in phosphorus content. Pownceby et al. [66] employed EPMA to investigate the form of phosphorus in goethite ore. The results indicated that no discrete phosphorus-bearing minerals were present in the goethite. A correlation was observed between the concentrations of elements, with phosphorus content being directly proportional to aluminum content and inversely proportional to silicon content. Moreover, as the sum of aluminum and phosphorus contents increased, the silicon content first decreased and then remained relatively stable. Based on these observations, Pownceby et al. [66] concluded that phosphorus does not exist in an adsorbed form, but rather in a lattice-substitution form, with P5+ co-substituting with Al3+ to replace Si4+ in the goethite structure.
Wu et al. [57] investigated the forms of phosphorus in iron minerals from high-phosphorus oolitic iron ore in Algeria. Transmission electron microscopy (TEM) observations revealed that phosphorus was uniformly distributed within the iron mineral particles. Even at the nanoscale, no phosphorus enrichment zones were observed, confirming that phosphorus does not exist as discrete minerals in the iron ore. The results are shown in Figure 2. Following the approach of Pownceby et al. [66], Wu et al. utilized EPMA to study the phosphorus content in the iron minerals of the samples. The results confirmed that phosphorus in magnetite and hematite also exists in a lattice-substitution form. In this substitution mechanism, Si4+ initially replaces a small amount of Fe3+ in magnetite and hematite, and P5+ co-substitutes with Al3+ to replace Si4+ in the iron minerals. The results are shown in Figure 3.
Figure 2. TEM image of a single iron mineral particle [57]: (a,d)—TEM images of iron mineral particles; (b,c)—Elemental maps of iron and phosphorus corresponding to (a); (e,f)—Elemental maps of iron and phosphorus corresponding to (d). (Reprinted with permission from Ref. [57]. Copyright 2023 University of Science and Technology Beijing).
Figure 3. Relationship of element contents in iron minerals of high-phosphorus iron ore from Algeria [36]: (a) Phosphorus content and aluminum content, (b) Phosphorus content and silicon content, (c) Silicon content and aluminum content, (d) Silicon content and aluminum + phosphorus content. (Reprinted with permission from Ref. [36]. Copyright 2023 Elsevier).
Understanding the exact mineral phases hosting phosphorus in high-phosphorus oolitic iron ores is essential because it directly influences the choice of phosphorus removal methods. Once researchers have a comprehensive understanding of the ore properties, it provides critical insights for developing more efficient and targeted phosphorus removal processes, thereby significantly improving the efficiency of ore beneficiation and metallurgy.

3. Mechanism of Dephosphorization Agent

Excessive phosphorus content in steel significantly increases cold brittleness under low-temperature conditions, leading to a sharp decline in plasticity and impact toughness. Therefore, it is critical to reduce phosphorus content in steel products [35]. In the absence of a dephosphorization agent, the coal-based direct reduction of high-phosphorus oolitic iron ore may lead to the reduction of fluorapatite in the presence of quartz. The generated elemental phosphorus tends to combine with metallic iron to form iron–phosphorus alloys, resulting in an increased phosphorus content in the product after grinding and magnetic separation [67]. To obtain a final product with a phosphorus content below 0.1%, dephosphorization agents are commonly added during the direct reduction process of high-phosphorus iron ore. Typical dephosphorization agents include Na2CO3, Na2O, Na2SO4, CaO, CaCO3, Ca(OH)2 and CaF2 [68,69,70,71,72]. In the subsequent section of this work, the mechanisms of action of these dephosphorization agents are summarized and reviewed.

3.1. Indirect Inhibition of Phosphorus-Containing Mineral Reduction

High-phosphorus iron ore usually contains components such as Ca5(PO4)3F, SiO2 and Al2O3 [73]. Rao et al. [74] used thermodynamic software to calculate the conditions for the reduction reactions of apatite and verified them experimentally. The results indicated that under carbothermic reduction conditions, the reduction of apatite requires temperature of 1327 °C, suggesting that apatite is difficult to reduce. However, in the presence of SiO2, Al2O3, and Fe2O3, the minimum thermodynamic reduction temperature of fluorapatite by carbon is lowered to 850 °C. In the absence of dephosphorization agents, the reduction of apatite or fluorapatite produces gaseous P2, which readily reacts with metallic iron at high temperatures to form Fe–P alloys, resulting in an elevated phosphorus content in the DRI [71].
Studies have shown that the addition of dephosphorization agents results in reactions with SiO2 and Al2O3, thereby weakening their promotive effect on the reduction of Ca5(PO4)3F [32,70,75,76,77,78,79]. It has also been reported that SiO2 exhibits a higher reactivity with Ca5(PO4)3F compared to Al2O3 [79]. Yu et al. [71] investigated the inhibitory effects of Ca(OH)2 and Na2CO3 on the reduction of fluorapatite in high-phosphorus oolitic hematite. Their results demonstrated that both Ca(OH)2 and Na2CO3 react with SiO2 and Al2O3 present in the ore, thereby hindering the reduction of apatite. Furthermore, the Ca(OH)2 increases the melting point and viscosity of slag which in turn deteriorates the conditions of solid–liquid reaction in the slag and thereby restrains the reduction of fluorapatite.
When Na2SO4 is employed as a dephosphorization agent, it reacts with Al2O3 and SiO2 in the ore to form NaAlSiO4, which further hinders the reduction of fluorapatite [71]. However, the introduction of Na2SO4 also promotes the formation of FeS, which is subsequently oxidized to Fe–S–O compounds during the magnetic separation process. These compounds exhibit a strong intergrowth with metallic iron particles, making their separation by magnetic means challenging and leading to an undesirably high sulfur content in the final product [69]. Nevertheless, it has been reported that the combined use of Na2SO4 and Na2CO3 as dephosphorization agents enables the production of DRI from high-phosphorus oolitic hematite via direct reduction followed by magnetic separation, achieving the DRI with an iron grade of 91.13%, iron recovery of 78.87%, sulfur content of 0.03%, and phosphorus content of 0.09%. These results indicate that the final product meets the quality standards required for EAF steelmaking feedstock [80].
A lower reduction temperature results in lower P contents of the alloy via suppressing the formation of Fe-P, the suppression of Fe–P alloy formation is not only due to slower migration of metallic iron caused by reduced reduction temperature (as suggested by Zhang et al. [76], which limits Fe-P2 interaction), but more likely attributed to the inherently poor reducibility of apatite (fluorapatite exhibits particularly low reducibility under low-temperature conditions [81,82]) and restricted mobility of phosphorus within solid iron particles (where gaseous P2 rapidly reacts with surface iron, but inward diffusion into the particle core proceeds slowly, becoming the rate-limiting step).
Zhang et al. [76] suggested that reducing the reduction temperature can slow down the migration of metallic iron, thereby limiting its interaction with P2 gas and suppressing the formation of Fe–P alloys. But the author thinks that much more likely fluorapatite exhibits inherently poor reducibility under low-temperature conditions, consequently leading to diminished phosphorus mobility within solid Fe matrices [81,82].

3.2. Reaction with Phosphorus-Containing Minerals

Xu et al. [29] identified that phosphorus in Nigerian high-phosphorus oolitic iron ore occurs as discrete minerals such as herderite and wavellite, as well as being isomorphously substituted and uniformly distributed within the lattice of iron-bearing minerals. Xu et al. [29] though investigating the dephosphorization mechanism using Na2CO3 as the dephosphorization agent, they concluded that the process involves two main pathways: a portion of the phosphorus-bearing minerals reacts with Na2CO3 and gangue components to form water-soluble phosphates, which dissolve during the magnetic separation stage; the remaining phosphorus-bearing minerals, not reduced under the influence of Na2CO3, are separated into the tailings after magnetic separation.
Yang et al. [83] reported that after the addition of Na2CO3, approximately 38.78% of the phosphorus reacts with sodium carbonate to form soluble phosphates, which are dissolved during the grinding process; around 56.87% of the phosphorus combines with sodium salts and gangue components to form complex, low-melting-point phosphate-bearing aluminosilicates that are removed in the tailings during magnetic separation; and the remaining 4.35% of phosphorus is retained in unreduced fluorapatite.

3.3. Promote the Reduction of Iron Oxides

Owing to the presence of gangue minerals such as SiO2 and Al2O3 in high-phosphorus oolitic hematite ores, a solid-state reaction takes place during the direct reduction process in the absence of a dephosphorization agent: 3FeO + Al2O3 + SiO2 = FeAl2O4 + Fe2SiO4, where wüstite reacts with silicon- and aluminum-bearing gangue minerals to form iron spinel and fayalite [68]. When a dephosphorization agent is introduced, it can either react with SiO2 and Al2O3 to suppress the formation of FeAl2O4 and Fe2SiO4 or promote the reduction of FeAl2O4 and Fe2SiO4 to metallic iron. This highlights the role of the dephosphorization agent in promoting the reduction of iron oxides to metallic iron [84,85], thereby improving the iron recovery rate.

3.4. Promote the Gasification Reaction of Coal

Studies [86,87] have demonstrated that dephosphorization agents can enhance the Boudouard reaction, thereby increasing the partial pressure of CO and improving the thermodynamic driving force for iron oxide reduction. This enhancement in CO generation facilitates the reduction kinetics and contributes to improved overall process efficiency. Zhao et al. [70] further reported that the decomposition of CaCO3 produces CaO and CO2, which collectively reinforce the reducing atmosphere. CaO formed by the decomposition of CaCO3 plays a dual role: On the one hand, it modifies the slag composition, promoting the formation of stable phosphate-containing phases; on the other hand, it enhances the generation of CO by promoting the gasification reaction, thus reinforcing the reducing atmosphere indirectly. Nevertheless, the contribution of reducing gas produced by the reaction of carbon dioxide released from the decomposition of limestone with reducing agents to the reduction of iron oxides was thermodynamically insignificant, whereas CaO was identified as the dominant phase contributor in promoting the reduction reactions.

3.5. Destruction of Oolitic Structure

One of the primary challenges in the dephosphorization of high-phosphorus oolitic iron ores lies in the extremely fine intergrowth between iron minerals and gangue, often exhibiting a complex, multi-layered wrapping structure. This intricate texture makes it difficult to achieve complete liberation of iron-bearing phases. When the temperature reaches a certain threshold, direct reduction can partially disrupt the oolitic structure of the ore. However, at excessively high temperatures, although the oolitic texture may be further destroyed, phosphorus tends to be reduced to elemental phosphorus and subsequently incorporated into the metallic iron phase [88].
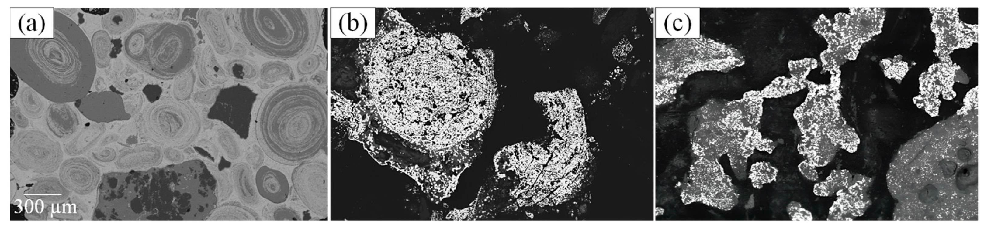
It has been demonstrated that the introduction of dephosphorization agents during the direct reduction process can significantly disrupt the oolitic structure, thereby promoting the liberation of metallic iron from the gangue minerals [88,89]. Figure 4 compares the influence of the dephosphorization agent on the oolitic structure during the direct reduction process.
Figure 4. Microstructures of raw ore and reduced products [68,88]: (a) raw ore; (b) microstructure of reduced products without addition of dephosphorization agent; (c) microstructure of reduced products with addition of Na2CO3. ((a) Reprinted with permission from Ref. [68]. Copyright 2024 Oficyna Wydawnicza Politechniki Wrocławskiej. (b,c) Reprinted with permission from Ref. [88]. Copyright 2014 University of Science and Technology Beijing).

3.6. Promote the Growth of Metallic Iron Particles

During the direct reduction process, dephosphorization agents can react with SiO2 and Al2O3 to form low-melting-point gangue phases, such as gehlenite, anorthite, nepheline, and albite. Under high-temperature conditions, these gangue phases typically exist in the molten state, which facilitates the crystallization and diffusion of metallic iron, thereby accelerating the nucleation and growth of metallic iron grains [39,75,90,91,92,93]. Li et al. [28] reported that the addition of sodium salts promoted the coarsening of metallic iron particles, increasing their size from the initial 10–20 μm to approximately 50 μm, as illustrated in Figure 5. While an appropriate amount of dephosphorization agent promotes metallic iron grain growth, excessive addition may lead to severe encapsulation of iron oxides by molten gangue, thereby inhibiting reduction reactions. This results in a decrease in both the particle size of metallic iron and the overall iron recovery rate [71]. Meanwhile, the particle size of metallic iron should be controlled within a certain range. This is primarily because metallic iron is plastic in nature, and overly large iron particles tend to encapsulate phosphorus-bearing gangue minerals during the grinding process, leading to poor liberation rather than the formation of iron–phosphorus alloys. In other words, both excessively large and overly fine iron particles are detrimental to the subsequent beneficiation, particularly the monomer dissociation of iron and gangue phases. This differs from natural iron ores, in which larger mineral particles generally promote better liberation.
Figure 5. Effects of dephosphorization agents on metallic iron particles [28]: (a) without dephosphorization agent; (b) 7.5% sodium sulfate 1.5% borax. (Reprinted with permission from Ref. [28]. Copyright 2013 Elsevier).

3.7. Improve the Intergrowth Relationship Between Metallic Iron Particles and Gangue Minerals

Li et al. [94] found that the addition of dephosphorization agents smooths the interface between metallic iron particles and gangue minerals, which facilitates the liberation of individual phases during grinding and the subsequent separation of metallic iron from gangue during magnetic separation. Improves the quality of DRI. Wu et al. [33] studying high-phosphorus oolitic iron ore from Algeria, which contains phosphorus in its iron minerals, demonstrated that the addition of calcium carbonate enhances the intergrowth relationship between metallic iron particles and gangue. In the direct reduction products, phosphorus was primarily distributed in the slag phase, with a clear boundary between the iron particles. This not only improved grinding efficiency but also facilitated the separation of metallic iron from gangue through grinding and magnetic separation.

3.8. Improve Process Indicators

The research results indicate that dephosphorization agents can improve process parameters. The impact of dephosphorization agents on the coal-based direct reduction and magnetic separation process of high-phosphorus iron ore is summarized in Table 2.
Table 2. Effect of dephosphorization agent to improve the index of coal-based direct reduction-magnetic separation process of high-phosphorus iron ore.

3.9. Mechanism of Combined Dephosphorization Agent

Although the coal-based direct reduction–magnetic separation process for high-phosphorus iron ore can produce final products with phosphorus content below 0.1%, studies have indicated that achieving such a level of dephosphorization often requires a high dosage of a single dephosphorization agent. In some cases, the addition amount has been reported to reach up to 28% [99]. The excessive use of dephosphorization agents increases the overall processing burden of the direct reduction–magnetic separation system, including higher thermal energy demand during the reduction stage and greater energy consumption in the grinding and magnetic separation processes.
To reduce the dosage of dephosphorization agents, some researchers have proposed the use of combined dephosphorization agents. Wu [57] found that a qualified phosphorus content could not be achieved in DRI when using a single dephosphorization agent at a lower dosage. However, when Na2CO3 and CaCO3 were used in combination, the total dosage could be reduced to 15% (the dosage of dephosphorization agent was expressed as a percentage relative to the ore), resulting in a DRI product with a phosphorus content of 0.09%. Wu compared the use of CaCO3 alone with the combined use of Na2CO3 and CaCO3, and concluded that the high dosage required for CaCO3 as a single agent is attributable to the following reasons: the reason for the high dosage of calcium carbonate when used alone is that its role is divided into two parts—about 9% of calcium carbonate is used to inhibit the reduction of phosphate minerals, and the remaining 19% of calcium carbonate is used to increase the amount of liquid phase in the calcined ore, so that the distribution relationship between metallic iron and gangue particles is simpler, and the monomer dissociation is easier during grinding. The action mechanism of the combined dephosphorization agent is similar to that of calcium carbonate. 9% of the combined dephosphorization agent inhibits the reduction of apatite, which has the same effect as that of calcium carbonate. The remaining combined dephosphorization agent produces a liquid phase ratio similar to 19% of calcium carbonate in the roasted ore, which simplifies the distribution relationship between metallic iron and phosphorous gangue, and makes metallic iron particles more easily dissociate during grinding, thus reducing its dosage.
In summary, the addition of dephosphorization agents is essential in the coal-based direct reduction process of high-phosphorus iron ore. The mechanism of action of dephosphorization agents is illustrated in Figure 6. The dephosphorization agents function by: (1) indirectly suppressing the reactions of phosphorus-bearing minerals or directly reacting with phosphorus to form soluble compounds, thereby preventing the incorporation of phosphorus into metallic iron; (2) promoting the reduction of iron oxides and enhancing coal gasification, which increases iron recovery; (3) disrupting the oolitic structure, facilitating the growth of metallic iron particles, and improving the intergrowth relationship between metallic iron and gangue, thereby enhancing iron grade. In general, the addition of dephosphorization agents contributes to improvements in three key process indicators: phosphorus content, iron recovery, and iron grade.
Figure 6. Mechanism of dephosphorization agent in direct reduction of high-phosphorus iron ores.

4. Iron Phase Transformation and Phosphorus Removal

The reduction of iron oxides to metallic iron is a prerequisite for the growth of metallic iron particles. Unlike naturally occurring valuable minerals, metallic iron is ductile, and therefore, effective separation from gangue relies on achieving an appropriate particle size and morphology of the metallic iron [100]. The formation, growth, and morphology of metallic iron particles are primarily influenced by several factors, including the ore properties, particle size of raw materials, reduction temperature, reduction time, type and dosage of reductant, and type and dosage of dephosphorization agent. These parameters affect not only the efficiency of iron recovery but also the effectiveness of phosphorus removal [68].

4.1. Influencing Factors of Iron Mineral Transformation

It is generally accepted that the direct reduction of iron oxides involves the simultaneous occurrence of gas–solid and solid–solid reactions [101,102]. The gas–solid reaction follows the pathway: FeOx + CO → FeOx−1 + CO2, while the solid–solid reaction proceeds as: FeOx + C → FeOx−1 + CO. In practical direct reduction processes, the reduction of high-phosphorus oolitic hematite typically occurs in the sequence: Fe2O3 → Fe3O4 → FeO (with the formation of intermediate phases such as FeAl2O4 and Fe2SiO4) → Fe [103,104,105].
During the reduction process, the reduction rate largely depends on the type of reductant used. Ahmed et al. [106] conducted isothermal kinetic studies on the reduction of hematite using three different reductants—graphite, charcoal, and coke. The results showed that the reduction rate of Fe2O3 to Fe3O4 was relatively low and exhibited a nonlinear trend. The reduction of Fe2O3 to Fe3O4 was mainly controlled by the gasification rate and was highly dependent on the reductant type. A significant increase in the reduction rate was observed during the conversion of FeO to Fe, which was attributed to the catalytic effect of FeO on the carbon gasification reaction, thereby enhancing the overall reduction of iron oxides.
The dosage of the reductant has a significant influence on the degree of metallization. When the reductant dosage is insufficient, the reducing atmosphere is too weak to fully reduce iron oxides, resulting in the formation of compounds such as hercynite (FeAl2O4) and fayalite (Fe2SiO4), which lowers the recovery rate of DRI. When an appropriate amount of reductant is used, iron oxides can be effectively reduced to metallic iron; however, further increasing the reductant dosage beyond this point does not lead to a higher metallic iron yield. Excessive reductant creates an overly strong reducing atmosphere, which may lead to the formation of small amounts of low-melting-point phases that hinder the liberation of metallic iron from gangue during grinding. This negatively affects both the iron grade and recovery rate of the DRI. Moreover, an excessively strong reducing atmosphere may promote the reaction between metallic iron and phosphorus, leading to the formation of iron–phosphorus alloys [107].
In general, under conditions of moderate reductant dosage, the reduction rate is significantly influenced by the particle size of raw materials, reduction temperature, and reduction time. Elevated reduction temperatures, prolonged reduction times, and finer raw material particle sizes have all been shown to enhance the reduction rate, while also promoting the gradual growth of metallic iron particles [104]. The experimental results of Li et al. [108,109] are consistent with this trend. Their study further reveals that the growth of metallic iron particles proceeds through the nucleation and coarsening of discrete spherical particles, followed by their aggregation, interconnection, progressive fusion, and homogenization, ultimately resulting in the formation of large and stable metallic iron particles.
Li et al. [104] proposed that the reduction of iron ore proceeds progressively from the outer surface of the particle toward the core, during which the iron oxides are gradually converted into metallic iron. The newly formed metallic iron then grows into spherical particles. As the reduction reaction proceeds, neighboring metallic iron particles tend to coalesce, forming structures that appear quasi-spherical, chain-like, blocky, or rod-shaped. The interfaces between individual particles gradually diminish, ultimately resulting in metallic iron particles with relatively uniform sizes. Consistent observations have been made by other researchers, who have proposed that the metallization of iron ores occurs in two distinct stages: an initial growth stage, during which the metallic iron content increases continuously, followed by a stabilization stage where further growth slows and the system approaches equilibrium [110,111,112].
During the coal-based direct reduction of high-phosphorus oolitic hematite, the reduction reaction typically proceeds from the outer surface of the ore particles inward. A number of studies have investigated the kinetics of this process, revealing that the rate-controlling mechanisms vary across different stages of reduction, the stochastic formation of metallic iron nuclei during the initial phase of reduction occurs only at or near the surface of the particle. In the initial stage, CO produced via coal gasification reacts with Fe2O3 in the hematite matrix, leading to the stochastic formation of metallic iron nuclei. At this stage, the reduction rate is primarily limited by gas diffusion and the random nucleation of metallic iron. As the reduction progresses and metallic iron particles grow, gas diffusion through the solid product layer becomes the predominant rate-controlling factor [113,114,115,116,117].
The two-step nucleation theory of direct reduction of iron oxides provides further insight into the rate-controlling factors at different stages of the reduction process. Since the CO and CO2 generated during reduction cannot be directly removed from the reaction system, the overall process consists of a combination of indirect reduction reactions and the gasification reaction of carbon. In the early stage of reduction, the iron oxides are in close contact with the reductant, and the reaction is dominated by solid–solid interactions. As the reaction proceeds, this contact weakens, and gas–solid reactions become predominant. Therefore, in the initial stage, the rate of carbon gasification is lower than that of the gas–solid reduction of iron oxides, making carbon gasification the rate-limiting step. With continued reduction, the diffusion of reducing gases through the solid phase becomes the dominant rate-controlling factor [118,119]. A schematic diagram illustrating the two-step nucleation mechanism for the direct reduction of iron oxides is presented in Figure 7.
Figure 7. Two-step nucleation theory schematic for direct reduction of iron oxides.
During the reduction of iron oxides to metallic iron, the growth of iron particles generally proceeds through three distinct stages [120]: (1) Nucleation stage, characterized by solid–solid interfacial reactions between iron-bearing minerals on the ore surface and solid carbon. Through mutual contact and reaction, fine Fe and FeO particles are formed, serving as the nuclei for subsequent crystal growth. (2) Reaction stage, dominated by solid–gas interface reactions. Solid carbon reacts with Fe2O3 to produce CO, which further reduces Fe2O3 on the mineral surface, generating a large number of Fe atoms. These atoms diffuse to the surfaces of the Fe or FeO nuclei formed in the first stage and then begin to aggregate. (3) Coarsening stage, in which metallic iron particles progressively grow and coalesce through aggregation. In the coal-based direct reduction and dephosphorization process, conventional reduction kinetics and the two-step nucleation theory of direct reduction can effectively explain the nucleation and reaction stages. However, they are insufficient to account for the particle coarsening stage observed in the later phases of metallic iron growth.
Although Zhang et al. [121] provided a comprehensive discussion on the kinetics of the reduction process, the authors argue that there is currently no suitable kinetic model that fully captures the growth process of metallic iron. This is primarily due to the fact that the later stages of metallic iron growth are significantly influenced by both the amount of dephosphorization agent added and the specific properties of the ore. This represents a key scientific challenge for future research, with suggested directions including multi-scale kinetic modeling and advanced in situ characterization to address these limitations.

4.2. Influencing Factors on Iron Removal and Phosphorus Reduction Effects

The properties of iron ore have a significant influence on the direct reduction behavior of high-phosphorus oolitic hematite. In this study, our research group investigated two types of high-phosphorus oolitic hematite ores from western Hubei Province, China, which differ in their mineralogical characteristics. Sample 1 contains 43.18% total iron (TFe), 0.83% phosphorus (P), 17.10% SiO2, and 3.58% CaO; while Sample 2 contains 49.37% TFe, 0.88% P, 11.15% SiO2, and 6.35% CaO. The objective was to study the effect of ore properties on the reduction roasting performance of high-phosphorus oolitic hematite. The results show that, under identical reduction conditions, the iron in Sample 1 is more easily reduced than that in Sample 2. Ore properties have a pronounced impact on the role of calcium carbonate. The addition of calcium carbonate has limited influence on the iron grade and iron recovery rate of the DRI from Sample 2, but it significantly enhances the iron recovery rate of the DRI from Sample 1. Moreover, calcium carbonate demonstrates good effectiveness in phosphorus removal for both samples. After adjusting the basicity of the two samples to the same level, the differences in DRI between the two samples were notably reduced following reduction roasting and magnetic separation.
Ore particle size has a significant influence on the dephosphorization performance. Appropriately reducing the particle size of the ore can enhance both the iron recovery rate and iron grade. However, excessively fine grinding may result in elevated phosphorus content in the DRI. This is because particle size affects the distribution of collophane within the reduction material, which in turn influences the phosphorus content in the reduced product. Specifically, once the grinding fineness reaches a certain level, further grinding may lead to the fragmentation of collophane, causing it to distribute more finely within the ore and increasing its contact with hematite. During the reduction process, finely distributed collophane becomes more susceptible to reduction, thereby facilitating the reduction and migration of phosphorus into metallic iron. As a result, overgrinding can cause a sharp increase in phosphorus content in the DRI. For example, with the same high-phosphorus oolitic hematite ore from western Hubei, when the ore particle size was −13 mm, direct reduction followed by grinding and magnetic separation under optimal conditions yielded a DRI with an iron grade of 93.39%, a recovery rate of 83.58%, and a phosphorus content of 0.094% [37]. When the particle size was reduced to −1 mm, improved results were obtained, with an iron grade of 94.03%, a recovery rate of 92.90%, and a phosphorus content of 0.064%. However, under the same reduction conditions, reducing the ore particle size to −0.1 mm led to a significantly higher phosphorus content in the DRI, reaching 0.45% [75].
Some studies have also reported that the particle size of raw materials has no significant effect on the phase composition of the reduction products, but it does affect the morphology of metallic iron particles in the reduced product [67], as shown in Figure 8. Among the raw materials, limestone particle size has the most significant influence on the morphology of metallic iron particles, followed by ore particle size, with anthracite particle size having the least effect. The metallic iron particles in the reduced products from different raw material particle size combinations mainly exist in the form of fine dots, larger dot-like particles, stripes, and the largest band-like structures. Among these, the larger dot-like metallic iron particles are the most likely to achieve monomeric liberation from gangue minerals.
Figure 8. Raw material particle size combinations on the microstructures of the reduction products [67]. (Reprinted with permission from Ref. [67]. Copyright 2025 Elsevier).
The differences in the above research results are mainly attributed to two factors. Firstly, ore particle size influences the distribution of phosphorus-bearing minerals in direct reduction products. Excessively fine particles increase the contact area between phosphorus-bearing minerals and iron minerals during reduction, leading to the formation of iron-phosphorus alloys through reduction reactions. Secondly, raw material particle size affects the morphology of metallic iron. The morphology of metallic iron particles determines their monomer liberation degree during grinding. Due to the plasticity of metallic iron particles, if phosphorus-bearing minerals are embedded within the metallic iron during grinding, it will result in elevated phosphorus content in the direct-reduced iron. The second scenario can be mitigated by additional grinding to remove phosphorus, whereas the first scenario remains irreversible.
Generally, increasing the temperature facilitates the reduction of iron ore by disrupting the oolitic structure, improving reduction conditions, and promoting the growth of metallic iron particles, thereby enhancing iron recovery. However, when the temperature becomes excessively high, apatite may also undergo reduction and incorporate into the metallic iron, forming Fe–P alloys, which is detrimental to phosphorus removal [122,123]. Ji et al. [124,125] employed in situ observation using confocal laser scanning microscopy (CLSM) to monitor the destruction of the oolitic structure with increasing temperature, as illustrated in Figure 9.
Figure 9. Effect of reduction temperature on oolitic structure [125]. (Reprinted with permission from Ref. [125]. Copyright 2024 Elsevier).
At a constant reduction temperature, the duration of reduction plays a critical role in determining whether iron oxides can be fully reduced. Typically, the iron recovery rate increases with prolonged reduction time, reaching a plateau once reduction approaches completion. However, excessively long reduction times can have detrimental effects. Firstly, prolonged reduction promotes the growth of metallic iron particles. Due to the ductility of metallic iron, these enlarged particles may not fully dissociate from the gangue during grinding, leading to elevated phosphorus content in the DRI. Secondly, at high temperatures, extended reduction time may lead to the depletion of the reductant, resulting in the partial reoxidation of the reduced product. This reoxidation can lower the metallization degree and slightly reduce the iron grade of the final product. Sun et al. [126] investigated the influence of reduction time on the metallization degree of the reduced product. Their results showed that the metallization degree increased from 88.37% at 30 min to 95.09% at 60 min, but declined to 93.96% when the reduction time was extended to 70 min.
A wide variety of reductants are available, but no standardized classification system has been established thus far. In the direct reduction of high-phosphorus oolitic hematite, research has primarily focused on coal (or carbon) as the main reductant. Among various types of coal, bituminous coal has the highest ash content, lignite contains the highest volatile matter, and anthracite has the highest fixed carbon content [26]. Xu et al. [127] argued that different components of coal exert distinct effects on the properties of DRI. Fixed carbon and volatile matter are beneficial for increasing the iron grade and recovery rate, whereas ash content is unfavorable for phosphorus removal. Regardless of the type of reductant used, the metallic iron content in the DRI increases with the amount of reductant. Cao et al. [128] reported that the volatile matter in coal can suppress the formation of iron-bearing gangue minerals. However, both volatile matter and fixed carbon, while improving the recovery rate of DRI, may also lead to increased phosphorus content.
A wide variety of dephosphorization agents are currently available, and selecting an appropriate agent for a specific ore is essential to obtain a qualified product with a phosphorus content below 0.1%. This is primarily due to the variation in the occurrence state of phosphorus, as well as differences in gangue content and its association within high-phosphorus oolitic hematite, which lead to different dephosphorization performances among various agents [96]. In addition, the dosage of the dephosphorization agent must be carefully controlled. Excessive addition may result in a rebound of phosphorus content after an initial decrease. Wu et al. [36] found that as the dosage of the dephosphorization agent increased, the phosphorus content in the reduced product decreased accordingly, reaching its lowest value when the dosage reached 30%. However, further increasing the dosage led to a gradual increase in phosphorus content. The effect of dephosphorization agents on the transformation of iron–phosphorus phases has been discussed in Section 3 and will not be repeated here.
In the direct reduction–magnetic separation process of high-phosphorus oolitic hematite, the size and morphology of metallic iron particles in the reduced product significantly affect the grinding–magnetic separation performance. If phosphorus-bearing gangue is encapsulated within metallic iron particles, grinding may not achieve complete monomeric liberation between the metallic iron and the gangue. As a result, part of the phosphorus-rich gangue may be recovered during magnetic separation, leading to elevated phosphorus content in the DRI. In addition, if the metallic iron particles formed during reduction are too fine, magnetic separation may not effectively recover the DRI, resulting in a low recovery rate. Moreover, ultrafine particles may undergo magnetic aggregation, thereby decreasing the iron grade of the concentrate. The effectiveness of grinding–magnetic separation largely depends on the morphology of metallic iron particles and the phase relationship between iron and phosphorus. In other words, the success of iron–phosphorus separation by grinding and magnetic separation is determined by the quality of the direct reduction process. If Fe–P alloys are formed during reduction, even complete liberation between metallic iron and gangue cannot yield DRI with a phosphorus content below 0.1% [129].
In summary, the factors influencing iron phase transformation and the efficiency of iron enrichment and dephosphorization are complex and multifaceted. These factors are summarized in Figure 10. There are six primary aspects affecting iron phase transformation and the removal of phosphorus: (1) ore properties; (2) raw material particle size; (3) type and dosage of reductant; (4) type and dosage of dephosphorization agent; (5) reduction temperature; and (6) reduction time. To achieve optimal reduction performance, it is essential to adjust the type and dosage of both reductant and dephosphorization agent, as well as reduction temperature and reduction time, based on the specific ore properties and particle size. These parameters must be maintained within appropriate ranges to obtain favorable iron recovery and phosphorus removal. Additionally, the conditions of the grinding–magnetic separation process also significantly influence the overall effectiveness of iron enrichment and dephosphorization.
Figure 10. Factors affecting iron phase transformation and phosphorus removal.

5. Conclusions

(1)
The main iron-bearing minerals in high-phosphorus iron ore include goethite, hematite, limonite, magnetite, and hydrohematite. The phosphorus-bearing minerals primarily occur in the form of apatite and collophane. Phosphorus in iron minerals is mainly present through isomorphic substitution within the mineral lattice; however, the specific phosphorus-bearing mineral phases within the iron minerals have not yet been clearly identified.
(2)
During the coal-based direct reduction process of high-phosphorus iron ore, the addition of dephosphorization agent is essential. The mechanism of the dephosphorization agent includes: indirectly inhibiting the reaction of phosphorus-containing minerals or reacting with phosphorus to form soluble salts, the reby preventing phosphorus from entering metallic iron; promoting the reduction of iron minerals and enhancing coal gasification, which improves iron recovery; disrupting the oolitic structure, facilitating the growth of metallic iron particles; and improving the distribution relationship between metallic iron and gangue, thereby increasing the iron grade. Through the action of the dephosphorization agent, the technological indicators such as phosphorus content, iron recovery, and iron grade are significantly improved.
(3)
In the coal-based direct reduction of high-phosphorus oolitic iron ores, the phase transformation of iron minerals proceeds in the sequence of Fe2O3 → Fe3O4 → FeO (FeAl2O4, Fe2SiO4) → Fe. The factors influencing the transformation of iron phases and the efficiency of iron enrichment and phosphorus removal are complex. Under the condition that phosphorus-containing phases are not reduced, favorable results in terms of iron enrichment and phosphorus removal can only be achieved by controlling the reduction temperature, reduction time, and types and dosages of reductants and dephosphorization agents, as well as grinding–magnetic separation parameters within appropriate ranges.
(4)
Future research should focus on investigating ore properties, particularly the forms of phosphorus in iron minerals, to enable more targeted development and utilization of ores. A key area for improvement is reducing the consumption of dephosphorization agents, which will not only optimize the dephosphorization process but also help lower resource and energy consumption. Additionally, refining models for metallic iron growth, especially in later stages, and improving energy efficiency during the reduction process are essential. These efforts aim to enhance mineral processing and metallurgy efficiency and establish sustainable pathways for high-phosphorus iron ore utilization.

Author Contributions

Conceptualization, H.X. and T.S.; methodology, R.L. and T.S.; validation, R.L. and J.Y.; formal analysis, H.X.; investigation, H.X. and X.W.; resources, T.S. and J.K.; data curation, J.L. and X.W.; writing—original draft preparation, H.X.; writing—review and editing, H.X. and J.K.; supervision, H.X. and T.S.; project administration, H.X. and C.S.; funding acquisition, J.K. and C.S. All authors have read and agreed to the published version of the manuscript.

Funding

This research was funded by National Key Research and Development Program of China (grant number 2021YFC2902404).

Data Availability Statement

The data that support the findings of this study are available from the corresponding author upon reasonable request.

Conflicts of Interest

Author Rui Li was employed by Changsha Research Institute of Mining and Metallurgy Company Limited. The remaining authors declare that the research was conducted in the absence of any commercial or financial relationships that could be construed as a potential conflict of interest. The authors declare that this study was supported by National Key Research and Development Program of China (Grant No. 2021YFC2902404). The funder was not involved in the study design, collection, analysis, interpretation of data, the writing of this article, or the decision to submit it for publication.

Abbreviations

The following abbreviations are used in this manuscript:
DRIDirect reduced iron
SEM-EDSScanning electron microscopy with energy-dispersive spectroscopy
EPMAElectron probe microanalysis
TEMTransmission electron microscopy
CLSMConfocal laser scanning microscopy
TFeTotal iron
PPhosphorus
EAFElectric arc furnaces

References

  1. Huang, J.B.; Liu, J.; Zhang, H.W.; Guo, Y.Q. Sustainable risk analysis of China's overseas investment in iron ore. Resour. Policy 2020, 68, 101771. [Google Scholar] [CrossRef]
  2. Jiang, H.D.; Liu, Y.X.; Wang, H.X.; Li, H.J.; Jiang, Y.T. An economy-wide and environmental assessment of an imported supply shortage for iron ore: The case of China. Econ. Anal. Policy 2024, 83, 606–617. [Google Scholar] [CrossRef]
  3. Cheng, C.Y.; Misra, V.N.; Clough, J.; Muni, R. Dephosphorisation of western australian iron ore by hydrometallurgical process. Miner. Eng. 1999, 12, 1083–1092. [Google Scholar] [CrossRef]
  4. Durães, N.; Silva, E.F.D.; Bobos, I.; Ávila, P. Rare Earth Elements Fractionation in Native Vegetation from the Moncorvo Iron Mines, NE Portugal. Procedia Earth Planet. Sci. 2014, 10, 376–382. [Google Scholar] [CrossRef]
  5. Song, S.X.; Campos-Toro, E.F.; Zhang, Y.M.; Lopez-Valdivieso, A. Morphological and mineralogical characterizations of oolitic iron ore in the Exi region, China. Int. J. Miner. Metall. Mater. 2013, 20, 113–118. [Google Scholar] [CrossRef]
  6. Abro, M.I.; Pathan, A.G.; Mallah, A.H.M. Liberation of oolitic hematite grains from iron ore, Dilband Mines Pakistan. Mehran Univ. Res. J. Eng. Technol. 2011, 30, 329–338. [Google Scholar]
  7. Wu, J.; Wen, Z.J.; Cen, M.J. Development of Technologies for High Phosphorus Oolitic Hematite Utilization. Steel Res. Int. 2011, 82, 494–500. [Google Scholar] [CrossRef]
  8. Yu, Y.F.; Qi, C.Y. Magnetizing Roasting Mechanism and Effective Ore Dressing Process for Oolitic Hematite Ore. J. Wuhan Univ. Technol.-Mater. 2011, 26, 177–181. [Google Scholar] [CrossRef]
  9. Hao, X.Y.; Dai, H.X.; Zhao, Z.Q. State Quo of Phosphorous Reduction of High Phosphorus Iron Ore and Discussion on Its Problems. Met. Mine 2007, 1, 7–10. [Google Scholar] [CrossRef]
  10. Quast, K. A review on the characterisation and processing of oolitic iron ores. Miner. Eng. 2018, 126, 89–100. [Google Scholar] [CrossRef]
  11. Xiao, J.H.; Zou, K.; Wang, Z. Studying on mineralogical characteristics of a refractory high-phosphorous oolitic iron ore. SN Appl. Sci. 2020, 2, 1051. [Google Scholar] [CrossRef]
  12. Fisher-White, M.J.; Lovel, R.R.; Sparrow, G.J. Phosphorus Removal from Goethitic Iron Ore with a Low Temperature Heat Treatment and a Caustic Leach. Isij Int. 2012, 52, 797–803. [Google Scholar] [CrossRef]
  13. Nunes, A.P.L.; Pinto, C.L.L.; Valadão, G.E.S.; Viana, P.R.D.M. Floatability studies of wavellite and preliminary results on phosphorus removal from a Brazilian iron ore by froth flotation. Miner. Eng. 2012, 39, 206–212. [Google Scholar] [CrossRef]
  14. Zhang, H.Q.; Wang, F.L.; Li, H. Study on magnetic roasting-magnetic separation-inverse flotation for phosphorus reduction of oolitic hematite. J. Wuhan Inst. Technol. 2011, 33, 29–32. [Google Scholar] [CrossRef]
  15. Li, Y.J.; Yuan, S.; Liu, J.; Zhou, Z.; Wang, S.X. Study on magnetizing roasting—Magnetic separation—Reverse flotation of a high-phosphorus oolitic hematite ore in hubei. Min. Metall. 2015, 24, 72–75. [Google Scholar] [CrossRef]
  16. Zhang, R.; Li, Y.J.; Liu, J.; Nie, C.M.; Zhang, Y.S. Suspension calcination of oolitic hematite ore from Donganshan. Met. Mine 2015, 12, 55–57. [Google Scholar] [CrossRef]
  17. Yuan, S.; Liu, J.; Zhang, S.M.; Li, Y.J. Research on flotation dephosphorization of iron concentrate from suspended roasting-magnetic separation. Met. Mine 2018, 5, 72–75. [Google Scholar] [CrossRef]
  18. Zhu, D.Q.; Chun, T.J.; Pan, J.; Wei, X.M. Upgrading iron and removing phosphorus from high-phosphorus iron ore. J. Cent. South Univ. (Nat. Sci. Ed.) 2011, 42, 568–573. [Google Scholar]
  19. Hu, C.; Gong, W.Q.; Li, Y.B.; Zhong, L.L.; Xin, Z.K.; Wan, J.; Liu, X.H. Experiments on reduction roasting and bio-dephosphorization of high phosphorus oolitic hematite. J. Chongqing Univ. (Nat. Sci. Ed.) 2013, 36, 133–139. [Google Scholar]
  20. Bao, Q.P.; Guo, L.; Guo, Z.C. A novel direct reduction-flash smelting separation process of treating high phosphorous iron ore fines. Powder Technol. 2021, 377, 149–162. [Google Scholar] [CrossRef]
  21. Xia, W.T.; Ren, Z.D.; Gao, Y.F. Removal of Phosphorus From High Phosphorus Iron Ores by Selective HCl Leaching Method. J. Iron Steel Res. Int. 2011, 18, 1–4. [Google Scholar] [CrossRef]
  22. Wang, H.H.; Li, G.Q.; Zhao, D.; Ma, J.H.; Yang, J. Dephosphorization of high phosphorus oolitic hematite by acid leaching and the leaching kinetics. Hydrometallurgy 2017, 171, 61–68. [Google Scholar] [CrossRef]
  23. Zhou, W.T.; Han, Y.X.; Sun, Y.S.; Li, Y.J. Strengthening iron enrichment and dephosphorization of high-phosphorus oolitic hematite using high-temperature pretreatment. Int. J. Miner. Metall. Mater. 2020, 27, 443–453. [Google Scholar] [CrossRef]
  24. Yang, M.; Zhu, Q.S.; Fan, C.L.; Xie, Z.H.; Li, H.Z. Roasting-induced phase change and its influence on phosphorus removal through acid leaching for high-phosphorus iron ore. Int. J. Miner. Metall. Mater. 2015, 22, 346–352. [Google Scholar] [CrossRef]
  25. Chen, W.X.; Hu, W.M.; Wang, B. Research on the Combined Beneficiation Process for Dephosphorization of High Phosphorus Oolitic Hematite Ore from Wushan Taohua. Met. Miner. 2009, 3, 50–53+136. [Google Scholar] [CrossRef]
  26. Xu, C.Y.; Sun, T.C.; Kou, J.; Yu, W.; Cao, Y.Y.; Wang, Z.P. Effects of Reductants on the Reduction Roasting and Fe-P Separation of High Phosphorus Oolitic Hematite. Chin. J. Eng. 2016, 38, 26–33. [Google Scholar] [CrossRef]
  27. He, Y.; Wang, H.J. Research on the Reduction Roasting and Synchronous Dephosphorization of Huimin High Phosphorus Iron Ore. Met. Mine 2011, 3, 60–62. [Google Scholar] [CrossRef]
  28. Li, G.H.; Zhang, S.H.; Rao, M.J.; Zhang, Y.B.; Jiang, T. Effects of sodium salts on reduction roasting and Fe–P separation of high-phosphorus oolitic hematite ore. Int. J. Miner. Process. 2013, 124, 26–34. [Google Scholar] [CrossRef]
  29. Xu, Y.; Sun, T.C.; Liu, Z.G.; Xu, C.Y. Phosphorus Occurrence State and Phosphorus Removal Research of a High Phosphorus Oolitic Hematite by Direct Reduction Roasting Method. J. Northeast. Univ. (Nat. Sci.) 2013, 34, 1651–1655. [Google Scholar] [CrossRef]
  30. Long, Q.; Li, J.; Chen, C.; Lan, Y.; Wei, G. Optimization of iron and aluminum recovery in bauxite. J. Iron Steel Res. Int. 2020, 27, 310–318. [Google Scholar] [CrossRef]
  31. Yuan, S.; Zhou, W.T.; Li, Y.J.; Han, Y.X. Efficient enrichment of nickel and iron in laterite nickel ore by deep reduction and magnetic separation. Trans. Nonferrous Met. Soc. China 2020, 30, 812–822. [Google Scholar] [CrossRef]
  32. Yu, W.; Sun, T.C.; Cui, Q.; Xu, C.Y.; Kou, J. Effect of Coal Type on the Reduction and Magnetic Separation of a High-phosphorus Oolitic Hematite Ore. ISIJ Int. 2015, 55, 536–543. [Google Scholar] [CrossRef]
  33. Wu, S.C.; Sun, T.C.; Yang, H.F. Study on Phosphorus Removal of High-Phosphorus Oolitic Hematite Abroad by Direct Reduction and Magnetic Separation. Met. Mine 2019, 11, 109–114. [Google Scholar] [CrossRef]
  34. Wei, C.Z.; Zhang, X.; Zhang, J.; Xu, L.P.; Li, G.H.; Jiang, T. Development of Direct Reduced Iron in China: Challenges and Pathways. Engineering 2024, 41, 93–109. [Google Scholar] [CrossRef]
  35. Xu, H.D.; Sun, T.C.; Wu, S.C.; Lian, X.X.; Han, W.L.; DENG, Z.Y. Research Progress on the Effects of Reducing Agents and Dephosphorization Agents on Direct Reduction-Magnetic Separation of High-Phosphorus Oolitic Hematite. Multipurpose Util. Miner. Resour. 2024, 45, 176–184. [Google Scholar] [CrossRef]
  36. Wu, S.C.; Sun, T.C.; Xu, H.D. A new way to efficient utilization of eggshell waste: As green dephosphorization agent and accelerator for reduction roasting of high-phosphorus oolitic iron ore. Process Saf. Environ. 2023, 173, 702–714. [Google Scholar] [CrossRef]
  37. Guo, Q.; Sun, T.C.; Li, Y.L.; Zhai, D.; Zhang, S.Y.; Liu, Z.G. Effects of Particle Size of Raw Ore on Direct Reduction Roasting and Synchronous Dephosphorization of High Phosphorus Oolitic Hematite from Western Hubei. Min. Metall. Eng. 2013, 33, 60–64. [Google Scholar] [CrossRef]
  38. Liu, F.; Zhang, Y.C.; Zeng, W.; Ni, J.; Si, Y.P.; Zhou, H.; Zhang, T.X.; Wu, S.L.; Kou, M.Y. Iron recovery and dephosphorization behaviors from high-phosphorus oolitic hematite by gas-based direct reduction and magnetic separation. J. Iron Steel Res. Int. 2024, 32, 550–563. [Google Scholar] [CrossRef]
  39. Gao, P.; Zhou, W.T.; Han, Y.X.; Li, Y.J.; Zhang, C.W. Influence Mechanisms of Additives on Coal-based Reduction of Complex Refractory Iron Ore. Min. Proc. Extr. Met. Rev. 2022, 43, 1–12. [Google Scholar] [CrossRef]
  40. Zhang, J.R.; Hu, L.K.; Liang, Y.Y.; Yang, H.P.; Sun, D. The research on refractory oolitic hematite and expectation. China Min. Mag. 2007, 16, 74–76. [Google Scholar]
  41. Baioumy, H.; Omran, M.; Fabritius, T. Mineralogy, geochemistry and the origin of high-phosphorus oolitic iron ores of Aswan, Egypt. Ore Geol. Rev. 2017, 80, 185–199. [Google Scholar] [CrossRef]
  42. Pereira, A.C.; Papini, R.M. Processes for phosphorus removal from iron ore—A review. Rem Rev. Esc. Minas 2015, 68, 331–335. [Google Scholar] [CrossRef]
  43. Omran, M.; Fabritius, T.; Elmahdy, A.M.; Abdel-Khalek, N.A.; El-Aref, M.; Elmanawi, A.E. XPS and FTIR spectroscopic study on microwave treated high phosphorus iron ore. Appl. Surf. Sci. 2015, 345, 127–140. [Google Scholar] [CrossRef]
  44. Fisher-White, M.J.; Lovel, R.R.; Sparrow, G.J. Heat and Acid Leach Treatments to Lower Phosphorus Levels in Goethitic Iron Ores. ISIJ Int. 2012, 52, 1794–1800. [Google Scholar] [CrossRef]
  45. Cai, X.Y.; Qian, G.M.; Zhang, B.; Chen, Q.S.; Hu, C.Q. Selective Liberation of High-Phosphorous Oolitic Hematite Assisted by Microwave Processing and Acid Leaching. Minerals 2018, 8, 245. [Google Scholar] [CrossRef]
  46. Ofoegbu, S.U. Technological Challenges of Phosphorus Removal in High-Phosphorus Ores: Sustainability Implications and Possibilities for Greener Ore Processing. Sustainability 2019, 11, 6787. [Google Scholar] [CrossRef]
  47. Li, Y.M.; Guo, W.J.; Liu, Z.T.; An, H. Research on phosphorous-reduction technology for a Australian high-phosphorous iron ore. Contrib. Geol. Miner. Resour. Res. 2011, 26, 229–234. [Google Scholar]
  48. Tohry, A.; Dehghani, A. Effect of sodium silicate on the reverse anionic flotation of a siliceous–phosphorus iron ore. Sep. Purif. Technol. 2016, 164, 28–33. [Google Scholar] [CrossRef]
  49. Sparks, B.D.; Sirianni, A.F. Beneficiation of a phosphoriferous iron ore by agglomeration methods. Int. J. Miner. Process. 1974, 1, 231–241. [Google Scholar] [CrossRef]
  50. Peng, T.F.; Gao, X.C.; Li, Q.B.; Xu, L.J.; Luo, L.Q.; Xu, L.H. Phase transformation during roasting process and magnetic beneficiation of oolitic-iron ores. Vacuum 2017, 146, 63–73. [Google Scholar] [CrossRef]
  51. Xiang, X.Y.; Xia, W.T.; Yuan, X.L.; Yin, J.G.; An, J. Removal of Phosphorus from High Phosphorus Iron Ores in Wushan Mountain by Crosscurrent Acid Leaching. Solid State Phenom. 2018, 279, 222–229. [Google Scholar] [CrossRef]
  52. Lovel, R.R.; Sparrow, G.J.; Fisher-White, M.J. Developments in chemical separation of iron ore. In Iron Ore; Elsevier: Amsterdam, The Netherlands, 2015; pp. 357–372. [Google Scholar]
  53. Maximov, P.; Rudmin, M. Origin of Upper Cretaceous marine ironstones of Ayat Formation (Turgay depression, Northern Kazakhstan). Solid Earth Sci. 2023, 8, 1–11. [Google Scholar] [CrossRef]
  54. Ofoegbu, S.U. Characterization studies on Agbaja iron ore: A high-phosphorus content ore. SN Appl. Sci. 2019, 1, 204. [Google Scholar] [CrossRef]
  55. Jin, Y.S.; Jiang, T.; Yang, Y.B.; Li, Q.; Li, G.H.; Guo, Y.F. Removal of phosphorus from iron ores by chemical leaching. J. Cent. South Univ. Technol. 2006, 13, 673–677. [Google Scholar] [CrossRef]
  56. Zhang, G.F.; Liu, J.L.; Zhang, Z.H. Experiments on segregation technological conditions of iron increase and dephosphorization from high-phosphorus hematite-limonite ore. China Min. Mag. 2010, 19, 67–70. [Google Scholar]
  57. Wu, S.C. Effect and Mechanism of Combined Dephosphorization Agent on Dephosphorization of High-Phosphorus Oolitic Iron Ore by Direct Reduction Roasting. Ph.D. Dissertation, University of Science and Technology, Beijing, China, December 2023. [Google Scholar]
  58. Omran, M.; Fabritius, T.; Abdel-Khalek, N.; El-Aref, M.; Elmanawi, A.E.H.; Nasr, M.; Elmahdy, A. Microwave assisted liberation of high phosphorus oolitic iron ore. J. Miner. Mater. Charact. Eng. 2014, 2, 414–427. [Google Scholar] [CrossRef]
  59. Gomes, M.; Ramos, J. Recursos minerais de Trás-os-Montes e Alto Douro. In Recursos Geológicos de Trás-Os-Montes–Passado, Presente e Perspetivas Futuras; Instituto Politécnico de Bragança: Bragança, Portugal, 2018. [Google Scholar]
  60. Edström, J.O. Optimized steelmaking from high phosphorus ores. Trans. Iron Steel Inst. Jpn. 1986, 26, 679–696. [Google Scholar] [CrossRef]
  61. Rudmin, M.A.; Mazurov, A.K. Oolitic ores in the Bakchar iron-ore cluster (Tomsk Oblast). Dokl. Earth Sci. 2016, 471, 1238–1241. [Google Scholar] [CrossRef]
  62. Nekipelova, A.V.; Sokol, E.V.; Kokh, S.N.; Khvorov, P.V. Rare Earth Phosphates in the Kerch Caviar Ironstones. Russ. Geol. Geophys. 2021, 62, 1189–1207. [Google Scholar] [CrossRef]
  63. Barbour, A.P. Distribution of phosphorus in the iron ore deposits of Itabira, Minas Gerais, Brazil. Econ. Geol. 1973, 68, 52–64. [Google Scholar] [CrossRef]
  64. MacRae, C.M.; Wilson, N.C.; Pownceby, M.I.; Miller, P.R. The occurrence of phosphorus and other impurities in Australian iron ores. In Proceedings of the Iron Ore Conference, Perth, Australia, 11–13 July 2011; pp. 281–289. [Google Scholar]
  65. Ward, D.F.; Coles, I.G.; Carr, W. Jimblebar and Western Ridge iron ore deposits, Hamersley Iron Province. Econ. Geol. Aust. Papua New Guin. 1975, 1, 916–923. [Google Scholar]
  66. Pownceby, M.I.; Hapugoda, S.; Manuel, J.; Webster, N.A.S.; MacRae, C.M. Characterisation of phosphorus and other impurities in goethite-rich iron ores—Possible P incorporation mechanisms. Miner. Eng. 2019, 143, 106022. [Google Scholar] [CrossRef]
  67. Xu, H.D.; Wen, X.J.; Kou, J.; Zhang, J.; Yu, K.X.; Sun, T.C. Preparation of powdery reduced iron from high-phosphorus iron ore: Effects of raw material particle size combination. Miner. Eng. 2025, 229, 109380. [Google Scholar] [CrossRef]
  68. Xu, H.D.; Li, R.; Kou, J.; Wen, X.J.; Zhang, J.; Geng, C.; Sun, T.C. Effect of Na2CO3 and CaCO3 on deep dephosphorization by the direct reduction of high-phosphorus oolitic hematite. Physicochem. Probl. Miner. Process. 2024, 60, 195249. [Google Scholar] [CrossRef]
  69. Yu, W.; Sun, T.C.; Cui, Q. Can sodium sulfate be used as an additive for the reduction roasting of high-phosphorus oolitic hematite ore? Int. J. Miner. Process. 2014, 133, 119–122. [Google Scholar] [CrossRef]
  70. Zhao, Y.Q.; Sun, T.C.; Zhao, H.Y.; Li, X.H.; Wang, X.P. Effects of CaCO3 as Additive on Coal-based Reduction of High-phosphorus Oolitic Hematite Ore. ISIJ Int. 2018, 58, 1768–1774. [Google Scholar] [CrossRef]
  71. Yu, W.; Sun, T.C.; Kou, J.; Wei, Y.X.; Xu, C.Y.; Liu, Z.Z. The Function of Ca(OH)2 and Na2CO3 as Additive on the Reduction of High-Phosphorus Oolitic Hematite-coal Mixed Pellets. ISIJ Int. 2013, 53, 427–433. [Google Scholar] [CrossRef]
  72. Tang, H.Q.; Qi, T.F.; Qin, Y.Q. Production of Low-Phosphorus Molten Iron from High-Phosphorus Oolitic Hematite Using Biomass Char. JOM 2015, 67, 1956–1965. [Google Scholar] [CrossRef]
  73. Sun, Y.S.; Li, Y.F.; Han, Y.X.; Li, Y.J. Migration behaviors and kinetics of phosphorus during coal-based reduction of high-phosphorus oolitic iron ore. Int. J. Miner. Metall. Mater. 2019, 26, 938–945. [Google Scholar] [CrossRef]
  74. Rao, M.J.; Ouyang, C.Z.; Li, G.H.; Zhang, S.H.; Zhang, Y.B.; Jiang, T. Behavior of phosphorus during the carbothermic reduction of phosphorus-rich oolitic hematite ore in the presence of Na2SO4. Int. J. Miner. Process. 2015, 143, 72–79. [Google Scholar] [CrossRef]
  75. Yu, W.; Sun, T.C.; Liu, Z.Z.; Kou, J.; Xu, C.Y. Effects of Particle Sizes of Iron Ore and Coal on the Strength and Reduction of High Phosphorus Oolitic Hematite-coal Composite Briquettes. ISIJ Int. 2014, 54, 56–62. [Google Scholar] [CrossRef]
  76. Zhang, Y.Y.; Xue, Q.G.; Wang, G.; Wang, J.S. Gasification and Migration of Phosphorus from High-phosphorus Iron Ore during Carbothermal Reduction. ISIJ Int. 2018, 58, 2219–2227. [Google Scholar] [CrossRef]
  77. Sun, Y.S.; Zhang, Q.; Han, Y.X.; Gao, P.; Li, G.F. Comprehensive Utilization of Iron and Phosphorus from High-Phosphorus Refractory Iron Ore. Jom 2018, 70, 144–149. [Google Scholar] [CrossRef]
  78. Ji, G.H.; Xiao, C.H.; Gao, X.; Zhou, Y.; Wang, W.L. Direct Reduction of High-Phosphorus Oolitic Hematite: Quantifying Phosphorus Migration and Recovery. Metall. Mater. Trans. B Process Metall. Mater. Process. Sci. 2024, 55, 3107–3121. [Google Scholar] [CrossRef]
  79. Sun, Y.S.; Zhou, W.T.; Han, Y.X.; Li, Y.J. Effect of Different Additives on Reaction Characteristics of Fluorapatite During Coal-Based Reduction of Iron Ore. Metals 2019, 9, 923. [Google Scholar] [CrossRef]
  80. Jiang, M.; Wang, Y.F.; Zhang, L.; Fan, J.; Yu, F.S.; Dong, F.Z. Preparation of direct reduction iron by coal-based reduction of high phosphorus oolitic hematite. J. Shandong Univ. Technol. (Nat. Sci.) 2020, 34, 1–4. [Google Scholar]
  81. Bai, S.J.; Wen, S.M.; Liu, D.W.; Zhang, W.B.; Xian, Y.J. Catalyzing Carbothermic Reduction of Siderite Ore with High Content of Phosphorus by Adding Sodium Carbonate. ISIJ Int. 2011, 51, 1601–1607. [Google Scholar] [CrossRef]
  82. Peng, C.; Cao, Z.C.; Liu, C.Z.; Cui, H.J. Direct Reduction of High-Phosphorus Oolitic Hematite with Rotary Hearth Furnace for Iron Increase and Phosphorus Reduction. Min. Metall. Eng. 2020, 40, 102–106. [Google Scholar] [CrossRef]
  83. Yang, D.W.; Sun, T.C.; Yang, H.F.; Xu, C.Y.; Qi, C.Y.; Li, Z.X. Dephosphorization mechanism in a roasting process for direct reduction of high phosphorus oolitic hematite in west Hubei Province, China. J. Univ. Sci. Technol. 2010, 32, 968–974. [Google Scholar]
  84. Han, Y.X.; Zhang, C.W.; Sun, Y.S.; Gao, P. Mechanism Analysis on Deep Reduction of Complex Refractory Iron Ore Promoted by Na2CO3. J. Northeast. Univ. (Nat. Sci.) 2012, 33, 1633–1636. [Google Scholar]
  85. Jiang, T.; Guan, S.F.; Xia, Y.; Yu, S.W.; Xue, X.X.; Bai, R.G.; Chen, D.H.; Chang, F.Z. Research on the Coal-Based Direct Reduction of Vanadium Titanomagenetite. Adv. Mater. Res. 2013, 753–755, 16–19. [Google Scholar] [CrossRef]
  86. Bai, S.J.; Wen, S.M.; Liu, D.W.; Zhang, W.B.; Cao, Q.B. Beneficiation of High Phosphorus Limonite Ore by Sodium-carbonate-added Carbothermic Reduction. ISIJ Int. 2012, 52, 1757–1763. [Google Scholar] [CrossRef]
  87. Bai, S.J.; Lv, C.; Wen, S.M.; Liu, D.W.; Zhang, W.B.; Cao, Q.B. Effects of sodium carbonate on the carbothermic reduction of siderite ore with high phosphorus content. Miner. Metall. Process. 2013, 30, 100–107. [Google Scholar] [CrossRef]
  88. Xu, Y. Study on Upgrading Iron and Removing Phosphorus by Direct Reduction Roasting for the Nigeria High Phosphorus Iron Ore. Ph.D. Dissertation, University of Science and Technology Beijing, Beijing, China, 2014. [Google Scholar]
  89. Fan, D.C.; Ni, W.; Wang, J.Y.; Wang, K. Effects of CaO and Na2CO3 on the reduction of high silicon iron ores. J. Wuhan Univ. Technol.-Mater. Sci. Ed. 2017, 32, 508–516. [Google Scholar] [CrossRef]
  90. Long, H.; Meng, Q.; Chun, T.; Wang, P.; Li, J. Preparation of metallic iron powder from copper slag by carbothermic reduction and magnetic separation. Can. Met. Q. 2016, 55, 338–344. [Google Scholar] [CrossRef]
  91. Sun, Y.S.; Gao, P.; Han, Y.X.; Ren, D.Z. Reaction Behavior of Iron Minerals and Metallic Iron Particles Growth in Coal-Based Reduction of an Oolitic Iron Ore. Ind. Eng. Chem. Res. 2013, 52, 2323–2329. [Google Scholar] [CrossRef]
  92. Gao, P.; Sun, Y.S.; Ren, D.Z.; Han, Y.X. Growth of metallic iron particles during coal-based reduction of a rare earths-bearing iron ore. Miner. Metall. Process. 2013, 30, 74–78. [Google Scholar] [CrossRef]
  93. Chen, C.; Wu, S.C. Calcium Carbonate as Dephosphorization Agent in Direct Reduction Roasting of High-Phosphorus Oolitic Iron Ore: Reaction Behavior, Iron Recovery, and Dephosphorization Mechanism. Minerals 2024, 14, 1023. [Google Scholar] [CrossRef]
  94. Li, Y.L.; Sun, T.C.; Xu, C.Y.; Liu, Z.H. New dephosphorizing agent for phosphorus removal from high-phosphorus oolitic hematite ore in direct reduction roasting. J. Cent. South Univ. (Nat. Sci. Ed.) 2012, 43, 827–834. [Google Scholar]
  95. Wu, S.C.; Sun, T.C.; Kou, J.; Xu, H.D. A new iron recovery and dephosphorization approach from high-phosphorus oolitic iron ore via oxidation roasting-gas-based reduction and magnetic separation process. Powder Technol. 2023, 413, 118043. [Google Scholar] [CrossRef]
  96. Wu, S.C.; Sun, T.C.; Kou, J.; Li, X.H.; Xu, C.Y.; Chen, Z.K. Influence of Sodium Salts on Reduction Roasting of High-Phosphorus Oolitic Iron Ore. Min. Proc. Extr. Met. Rev. 2022, 43, 947–953. [Google Scholar] [CrossRef]
  97. Wu, S.C.; Li, Z.Y.; Sun, T.C.; Kou, J.; Li, X.H. Effect of additives on iron recovery and dephosphorization by reduction roasting-magnetic separation of refractory high-phosphorus iron ore. Int. J. Miner. Metall. Mater. 2021, 28, 1908–1916. [Google Scholar] [CrossRef]
  98. Wu, S.C.; Li, Z.Y.; Sun, T.C.; Li, X.H.; Xu, C.Y. Effect of calcium compounds on direct reduction and phosphorus removal of high-phosphorus iron ore. J. Cent. South. Univ. 2022, 29, 443–454. [Google Scholar] [CrossRef]
  99. Wu, S.C.; Sun, T.C.; Kou, J.; Li, X.H. Pilot-scale Study on Direct Reduction-Magnetic Separation for Iron Upgrading and Phosphorus Removal from High-phosphorus Oolitic Iron Ore. Chin. J. Eng. 2022, 44, 849–856. [Google Scholar] [CrossRef]
  100. Leißner, T.; Mütze, T.; Bachmann, K.; Rode, S.; Gutzmer, J.; Peuker, U.A. Evaluation of mineral processing by assessment of liberation and upgrading. Miner. Eng. 2013, 53, 171–173. [Google Scholar] [CrossRef]
  101. Zhao, H.Y.; Chen, Y.L.; Duan, X.Q. Study on the factors affecting the deep reduction of coal gangue containing high contents of iron and sulfur. Fuel 2021, 288, 119571. [Google Scholar] [CrossRef]
  102. Ji, G.; Gao, X.; Sohn, I.L.; Ueda, S.; Wang, W. Review of beneficiation techniques and new thinking for comprehensive utilization of high-phosphorus iron ores. Miner. Eng. 2025, 223, 109176. [Google Scholar] [CrossRef]
  103. Li, G.F.; Han, Y.X.; Gao, P.; Sun, Y.S. The Growth Characteristics of Iron Particle during Coal-based Reduction of Oolitic Hematite Ore. Miner. Resour. Utiliz. 2015, 4, 35–38. [Google Scholar]
  104. Li, Y.F.; Han, Y.X.; Sun, Y.S.; Gao, P.; Li, Y.J.; Gong, G.C. Growth Behavior and Size Characterization of Metallic Iron Particles in Coal-Based Reduction of Oolitic Hematite–Coal Composite Briquettes. Minerals 2018, 8, 177. [Google Scholar] [CrossRef]
  105. Zhou, Z.; Li, Y.J.; Chen, B.Y.; Zhang, Y.S.; Chen, C. Present Situation and Prospects of Research on Kinetics Study of Iron Ore Roasting. Met. Mine 2015, 8, 100–105. [Google Scholar] [CrossRef]
  106. Ahmed, H.M.; Viswanathan, N.N.; Björkman, B. Isothermal reduction kinetics of self-reducing mixtures. Ironmak. Steelmak. 2017, 44, 66–75. [Google Scholar] [CrossRef]
  107. Tang, H.Q.; Qin, Y.Q.; Qi, T.F.; Dong, Z.L.; Xue, Q.G. Application of Wood Char in Processing Oolitic High-phosphorus Hematite for Phosphorus Removal. J. Iron Steel Res. Int. 2016, 23, 109–115. [Google Scholar] [CrossRef]
  108. Li, Y.F.; Han, Y.X.; Sun, Y.S.; Gao, P.; Gong, G.C. Characteristic Analysis of Iron Particle Size and Microtopography of Oolitic Hematite in Coal-Based Reduction Process. J. Cent. South. Univ. 2018, 49, 779–785. [Google Scholar] [CrossRef]
  109. Li, Y.F.; Han, Y.X.; Sun, Y.S.; Li, Y.J. Influence of Ore Granularity of Oolitic Hematite on Coal-Based Reduction Indexes and Morphology of Iron Particles. J. China Univ. Min. Technol. 2017, 46, 622–627. [Google Scholar]
  110. Sun, Y.S.; Han, Y.X.; Gao, P.; Yu, J.W. Size Distribution Behavior of Metallic Iron Particles in Coal-Based Reduction Products of an Oolitic Iron Ore. Min. Proc. Extr. Met. Rev. 2015, 36, 249–257. [Google Scholar] [CrossRef]
  111. Yu, J.W.; Qin, Y.H.; Gao, P.; Sun, Y.S.; Ma, S.B. The Growth Characteristics and Kinetics of Metallic Iron in Coal-Based Reduction of Jinchuan Ferronickel Slag. Minerals 2021, 11, 876. [Google Scholar] [CrossRef]
  112. Jin, G.L.; Zhang, J.Z.; Xu, B.J.; Yang, S. Study on the Reduction of Oolitic Hematite Ores in N2-CO Atmosphere. Adv. Mater. Res. 2014, 968, 198–201. [Google Scholar] [CrossRef]
  113. Hammam, A.; Cao, Y.; El-Geassy, A.A.; El-Sadek, M.H.; Li, Y.; Wei, H.; Omran, M.; Yu, Y. Non-Isothermal Reduction Kinetics of Iron Ore Fines with Carbon-Bearing Materials. Metals 2021, 11, 1137. [Google Scholar] [CrossRef]
  114. Sun, Y.S.; Han, Y.X.; Wei, X.C.; Gao, P. Non-isothermal reduction kinetics of oolitic iron ore in ore/coal mixture. J. Therm. Anal. Calorim. 2016, 123, 703–715. [Google Scholar] [CrossRef]
  115. Sun, Y.S.; Han, Y.X.; Gao, P.; Wei, X.C.; Li, G.F. Thermogravimetric study of coal-based reduction of oolitic iron ore: Kinetics and mechanisms. Int. J. Miner. Process. 2015, 143, 87–97. [Google Scholar] [CrossRef]
  116. Sun, Y.S.; Han, Y.X.; Gao, P.; Li, Y.J. Prediction Model of Metallic Iron Particle Size during Coal-Based Reduction of Oolitic Hematite Ore. J. Cent. South. Univ. 2017, 48, 282–288. [Google Scholar] [CrossRef]
  117. Sun, Y.S.; Han, Y.X.; Li, Y.F.; Li, Y.J. Formation and characterization of metallic iron grains in coal-based reduction of oolitic iron ore. Int. J. Miner. Metall. Mater. 2017, 24, 123–129. [Google Scholar] [CrossRef]
  118. Huang, Z.; Deng, Z.B.; Chen, D.Z.; He, F.; Liu, S.; Zhao, K.; Wei, G.Q.; Zheng, A.Q.; Zhao, Z.L.; Li, H.B. Thermodynamic analysis and kinetic investigations on biomass char chemical looping gasification using Fe-Ni bimetallic oxygen carrier. Energy 2017, 141, 1836–1844. [Google Scholar] [CrossRef]
  119. Man, Y.; Feng, J.X. Effect of iron ore-coal pellets during reduction with hydrogen and carbon monoxide. Powder Technol. 2016, 301, 1213–1217. [Google Scholar] [CrossRef]
  120. Li, K.Q.; Ni, W.; Zhu, M.; Zheng, M.J.; Li, Y. Iron Extraction From Oolitic Iron Ore by a Deep Reduction Process. J. Iron Steel Res. Int. 2011, 18, 9–13. [Google Scholar] [CrossRef]
  121. Zhang, Q.; Sun, Y.; Han, Y.; Li, Y.; Gao, P. Review on coal-based reduction and magnetic separation for refractory iron-bearing resources. Int. J. Miner. Metall. Mater. 2022, 29, 2087–2105. [Google Scholar] [CrossRef]
  122. Wang, G.; Liu, J.; Wang, J.S.; Xue, Q.G. Dephosphorisation of high phosphorus oolitic hematite by carbon composite pre-reduction and fast melting separation. Ironmak. Steelmak. 2015, 42, 689–697. [Google Scholar] [CrossRef]
  123. Peng, C.; Cao, Z.C.; Liu, C.Z.; Cui, H.J. Pilot-Scale Study on Direct Reduction of High Phosphorus Oolitic Hematite by Rotary Hearth Furnace. Conserv. Util. Miner. Resour. 2020, 40, 119–124. [Google Scholar] [CrossRef]
  124. Ji, G.H.; Xiao, C.H.; Gao, X.; Zhou, Y.; Wang, W.L. In-Situ Investigation of Phosphorus Transformation and Distribution During Gas-Based Reduction of High-Phosphorus Oolitic Hematite. Metall. Mater. Trans. B Process Metall. Mater. Process. Sci. 2024, 6, 1–16. [Google Scholar] [CrossRef]
  125. Ji, G.H.; Xiao, C.H.; Gao, X.; Zhou, Y.; Sohn, I.L.; Ueda, S.; Wang, W.L. Mechanistic insight into phosphorus migration pathways from oolitic hematite using in-situ observations during roasting and reduction process. Sep. Purif. Technol. 2024, 348, 127696. [Google Scholar] [CrossRef]
  126. Sun, Y.S.; Han, Y.X.; Gao, P.; Wang, Q. Exploratory Tests on Deep Reduction of High-Phosphorus Oolitic Hematite Ore. Min. Metall. Eng. 2015, 35, 68–71. [Google Scholar] [CrossRef]
  127. Xu, C.Y.; Sun, T.C.; Qi, C.Y.; Li, Y.L.; Mo, X.L.; Yang, D.W.; Li, Z.X.; Xing, B.L. Effects of Reductants on Direct Reduction and Synchronous Dephosphorization of High-Phosphorous Oolitic Hematite. Chin. J. Nonferr. Met. 2011, 21, 680–686. [Google Scholar]
  128. Cao, Y.Y.; Sun, T.C.; Gao, E.X.; Xu, C.Y. Effects of Volatile Component in Coal on High-Phosphorus Oolitic Hematite in Direct Reduction Roasting Process. J. Northeast. Univ. 2014, 35, 1346–1349 + 1355. [Google Scholar] [CrossRef]
  129. Li, G.Q.; Yang, J.; Wang, H.H.; Ma, J.H. Effect of Hematite Particle Size and Reaction Temperature on the Preparation of Iron Carbide from High Phosphorus Oolitic Hematite. J. Chongqing Univ. 2015, 38, 1–10. [Google Scholar] [CrossRef]
Disclaimer/Publisher’s Note: The statements, opinions and data contained in all publications are solely those of the individual author(s) and contributor(s) and not of MDPI and/or the editor(s). MDPI and/or the editor(s) disclaim responsibility for any injury to people or property resulting from any ideas, methods, instructions or products referred to in the content.

Article Metrics

Citations

Article Access Statistics

Multiple requests from the same IP address are counted as one view.