Studying the Flotation of Gold-Bearing Ores Using Carrier Minerals
Abstract
1. Introduction
2. Materials and Equipment
2.1. Research Object
2.2. Flotation Equipment
2.3. Flotation Mode
3. Results and Discussion
3.1. Studying the Hydrodynamic Interaction of Polydisperse Solid Particles with Carrier Minerals under Flotation Conditions
3.2. Flotation of Gold Microdispersions Using Carrier Minerals
- Molecular attraction VA
- Electrostatic repulsion VR
- Hydrophobic attraction VS
4. Conclusions
Author Contributions
Funding
Institutional Review Board Statement
Informed Consent Statement
Data Availability Statement
Conflicts of Interest
References
- Marinin, M.; Marinina, O.; Wolniak, R. Assessing of Losses and Dilution Impact on the Cost Chain: Case Study of Gold Ore Deposits. Sustainability 2021, 13, 3830. [Google Scholar] [CrossRef]
- Litvinenko, V.S.; Petrov, E.I.; Vasilevskaya, D.V.; Yakovenko, A.V.; Naumov, I.A.; Ratnikov, M.A. Assessment of the role of the state in the management of mineral resources. J. Min. Inst. 2023, 259, 95–111. [Google Scholar] [CrossRef]
- Boduen, A.; Zalesov, M.; Melamud, V.; Grigorieva, V.; Bulaev, A. Combined Bacterial and Pressure Oxidation for Processing High-Sulfur Refractory Gold. Processes 2023, 11, 3062. [Google Scholar] [CrossRef]
- Ivanik, S.A.; Ilyukhin, D.A. Flotation extraction of elemental sulfur from gold-bearing cakes. J. Min. Inst. 2020, 242, 202–208. [Google Scholar] [CrossRef]
- Fedotov, P.K.; Senchenko, A.E.; Fedotov, K.V.; Burdonov, A.E. Studies of enrichment of sulfide and oxidized ores of gold deposits of the Aldan shield. J. Min. Inst. 2020, 242, 218–227. [Google Scholar] [CrossRef]
- Duryagina, A.M.; Talovina, I.V.; Lieberwirth, H.; Ilalova, R.K. Morphometric parameters of sulphide ores as a basis for selective ore dressing. J. Min. Inst. 2022, 256, 527–538. [Google Scholar] [CrossRef]
- Aleksandrova, T.N.; Nikolaeva, N.V.; Lvov, V.V.; Romashev, A.O. Ore processing efficiency improvements for precious metals based on process simulations. Obogashchenie Rud 2019, 2, 8–13. [Google Scholar] [CrossRef]
- Alexandrova, T.N.; Nikolaeva, N.V.; Kuznetsov, V.V. Study of the strength properties of gold ore from the Bam deposit. Gorn. Zhurnal 2021, 11, 851. [Google Scholar] [CrossRef]
- Yakovleva, T.A.; Romashev, A.; Mashevsky, G.N. Digital technologies for optimizing the dosing of flotation reagents during flotation of non-ferrous metal ores. Min. Informational Anal. Bull. 2022, 175–188. [Google Scholar] [CrossRef]
- Wang, D.; Lin, Q. Hydrodynamics of froth flotation and its effects on fine and ultrafine mineral particle flotation: A literature review. Miner. Eng. 2021, 173, 107220. [Google Scholar] [CrossRef]
- Xie, L.; Wang, J.; Lu, Q.; Hu, W.; Zeng, H. Surface interaction mechanisms in mineral flotation: Tals, measurements, and perspectives. Adv. Colloid Interface Sci. 2021, 295, 102491. [Google Scholar] [CrossRef] [PubMed]
- Yin, W.Z.; Tang, Y. Interactive effect of minerals on complex ore flotation: A brief review. Int. J. Miner. Metall. Mater. 2020, 27, 571–601. [Google Scholar] [CrossRef]
- Kiventera, J.; Golek, L.; Yliniemi, J.; Ferreira, V.; Dejce, J.; Llikainen, M. Utilization of sulphidictailinds from gold mine as a raw material in geopolymerization. Int. J. Miner. Process. 2016, 149, 104–110. [Google Scholar] [CrossRef]
- Zhang, J.; Zhang, Y.; Richmond, W.; Wang, H.-P. Processing technologies for gold-telluride ores. Int. J. Miner. Met. Mater. 2010, 17, 1–10. [Google Scholar] [CrossRef]
- Long, Q.; Wang, H.; Jiang, F.; Tan, W.; Xu, Z. Enhancing flotation separation of fine copper oxide from silica by microbubble assisted hydrophobic aggregation. Miner. Eng. 2020, 189, 107863. [Google Scholar] [CrossRef]
- Li, Z.; Yoon, R.-H. AFM force measurements between gold and silver surface treated in ethyl xanthate solutions: Effect of applied potentials. Miner. Eng. 2012, 36–38, 126–131. [Google Scholar] [CrossRef]
- Nguyen, A.V.; Nalaskowski, J.; Miller, J.D.; Butt, H.-J. Attraction between hydrophobic surface studied by atomic microscopy. Int. J. Miner. Process. 2003, 72, 215–225. [Google Scholar] [CrossRef]
- Gillies, G.; Kappl, M.; Butt, H.-J. Direct measurements of particle-bubble interactions. Adv. Colloid Interface Sci. 2005, 114–115, 165–172. [Google Scholar] [CrossRef]
- Skvarla, J. Hydrophobic interaction between macroscopic and microscopic surfaces. Unification using surface thermodynamics. Adv. Colloid Interface Sci. 2001, 91, 335–390. [Google Scholar] [CrossRef]
- Capponi, F.; Azevedo, A.; Oliveira, H.; Rubio, J. Column rougher flotation of fine niobium-bearing particles assisted with micro and nanobubbles. Miner. Eng. 2023, 199, 108119. [Google Scholar] [CrossRef]
- Zhang, Z.; Ren, L.; Zhang, Y. Role of nanobubbles in the flotation of fine rutile particles. Miner. Eng. 2021, 172, 107140. [Google Scholar] [CrossRef]
- Li, C.; Li, D.; Zhang, H. Surface nanobubbles on the hydrophobic surface and their implication to flotation. Int. J. Miner. Metall. Mater. 2022, 29, 1491–1492. [Google Scholar] [CrossRef]
- Jadhav, A.J.; Barigou, M. Bulk nanobubbles: That is the question. Langmuir 2020, 36, 1699–1708. [Google Scholar] [CrossRef] [PubMed]
- Sviridov, V.V.; Sviridov, A.V.; Nikiforov, A.F. Physico-Chemical Bases of Microflotation Processes; Lan: St. Petersburg, Russia, 2018. [Google Scholar]
- Bryk, P.; Bryk, M. Effective interactions in polydisperse colloidal suspensions investigated using Ornstkin-Zernike integral equations. J. Colloid Interface Sci. 2009, 338, 92–98. [Google Scholar] [CrossRef]
- Xue, J.; Ren, D.; Chen, T.; Bu, X.; Wan, X.; Song, Z.; Zhao, C. Hydrophobic agglomeration flotation of oxidized digenite fine particles induced by Na2S and butyl xanthate. Miner. Eng. 2021, 168, 106932. [Google Scholar] [CrossRef]
- Hu, Y.; Qiu, G.; Miller, J.D. Hydrodynamic interactions between particles in aggregation and flotation. Int. J. Miner. Process. 2003, 70, 157–170. [Google Scholar] [CrossRef]
- Verrelli, D.I.; Albijanic, B. A comparison of methods for measuring the induction time. Miner. Eng. 2015, 80, 8–13. [Google Scholar] [CrossRef]
- Xia, W. Role of surface roughness in the attachment time between air bubble and flat ultra-low-ash coal surface. Int. J. Miner. Process. 2017, 168, 19–24. [Google Scholar] [CrossRef]
- Evdokimov, S.I.; Panshin, A.M.; Solodenko, A.A. Mineralurgy. In Successes of Flotation; OOO NPKP “MAVR”: Vladikavkaz, Russia, 2010; Volume 2, p. 2109. [Google Scholar]
- Chorru, F.; Larrieu, E. Motion of a particle near a rough wall in a viscous shear flow. J. Fluid Mech. 2007, 570, 431453. [Google Scholar]
- Yahiaoui, S.; Feuillebois, F. Lift on a sphere moving near a wall in a parabolie flow. J. Fluid Mech. 2010, 662, 447–474. [Google Scholar] [CrossRef]
- Asmolov, E.S.; Feuillebois, F. Far-field disturbance flow induced by a small non-neutrally buoyant sphere in a linear shear flow. J. Fluid Mech. 2010, 643, 449–470. [Google Scholar] [CrossRef]
- Lebedeva, N.A.; Asmolov, E.S. Migration of settling particles in a horizontal viscous flow through a vertical slot with porous walls. Int. J. Multiph. Flow. 2011, 27, 453–461. [Google Scholar] [CrossRef]
- Maximov, R.N. Interaction of particles with the wall of the concentrator channel with a screw pulp flow. Min. Inf. Anal. Bull. 2008, 344–347. [Google Scholar]
- Protodiakonov, I.O.; Lyublinskaya, I.E.; Ryzhkov, A.E. Hydrodynamics and Mass Transfer in Disperse Liquid-Solid Systems; Chemistry: Leningrad, Russia, 1987; 336p. [Google Scholar]
- Nasyrov, V.V.; Nasyrova, M.G. On the applicability of Stokes’ law. Math. Struct. Model. 2020, 2, 40–48. [Google Scholar] [CrossRef]
- Zuo, H.; Javadpour, F.; Deng, S.; Jiang, X.; Li, Z.; Li, H. Reassessing water slippage in hydrophobic nanostructures. J. Chem. Phys. 2020, 153, 191101. [Google Scholar] [CrossRef]
- Malkin, A.Y.; Patlazhan, S.A. Wall slip for complex liquids—Phenomenon and its canses. Adv. Colloid Interface Sci. 2018, 257, 42–57. [Google Scholar] [CrossRef]
- Wu, Y.; Cai, M.; Li, Z.; Song, X.; Wang, H.; Pei, X.; Zhou, F. Slip flow of diverse liquids on robust super omniphobic surface. J. Colloid Interface Sci. 2014, 414, 9–13. [Google Scholar] [CrossRef]
- Pan, L.; Jung, S.; Yoon, R.-H. A fundamental study on the role of collector in the kinetics of bubble-particle interaction. International. J. Miner. Process. 2012, 106–109, 37–41. [Google Scholar] [CrossRef]
- Wang, J.; Yoon, R.-H.; Morris, J. AFM surface force measurements conducted between gold surface treated in xanthate solutions. Int. J. Miner. Process. 2013, 122, 13–21. [Google Scholar] [CrossRef]
- Kemppinen, J.; Aaltonen, A.; Sihvonen, T.; Leppinen, J.; Siren, H. Xanthate degradation occurring in flotation process waters of a gold concentrator plant. Miner. Eng. 2015, 80, 1–7. [Google Scholar] [CrossRef]
- Golik, V.I.; Klyuev, R.V.; Martyushev, N.V.; Kondratiev, V.V.; Tynchenko, V.S.; Gladkikh, V.A.; Iushkova, L.V.; Brigida, V. Reuse and Mechanochemical Processing of Ore Dressing Tailings Used for Extracting Pb and Zn. Materials 2023, 16, 7004. [Google Scholar] [CrossRef] [PubMed]
- Gul, A.; Kangal, O.; Sirkeci, A.A.; Onal, G. Beneficiation of the goldbearing ore le gravity and flotation. Int. J. Miner. Metall. Mater. 2012, 19, 106–110. [Google Scholar] [CrossRef]
- Afanasova, A.V.; Aburova, V.A.; Prokhorova, E.O.; Lushina, E.A. Investigation of the influence of depressors on flotation-active rock-forming minerals in sulphide gold-bearing ore flotation. Min. Informational Anal. Bull. 2022, 161–174. [Google Scholar] [CrossRef]
- Valderrama, L.; Rubio, J. High intensity conditioning and the carrier flotation of gold fine particles. Int. J. Miner. Process. 1998, 52, 273–285. [Google Scholar] [CrossRef]
- Arriagada, S.; Acuna, C.; Vera, M. New technology to improve the recovery of fine particles in froth flotation based on using hydrophobized glass bubbles. Miner. Eng. 2020, 156, 106364. [Google Scholar] [CrossRef]
- Liu, S.; Xie, L.; Liu, G.; Zhang, H.; Zeng, H. Understanding the hetero-aggregation mechanism among sulfide and oxide mineral particles driven by bifuctional surfactants: Intensification flotation of oxide minerals. Miner. Eng. 2021, 169, 106928. [Google Scholar] [CrossRef]
- McKee, C.; Walz, J.Y. Interactionforcesbetweencolloidalparticlesinasolutionoflike-charged, adsorbing nanoparticles. J. Colloid Interface Sci. 2012, 365, 72–80. [Google Scholar] [CrossRef]
- Evdokimov, S.I.; Golik, V.I.; Gerasimenko, T.E.; Rubtsov, A.S. Flotationregime of gold-bearing ores with acirculationof therougher concentrate. News Tula State Univ. Geosci. 2023, 1, 382–404. (In Russian) [Google Scholar]
- Evdokimov, S.I.; Gerasimenko, T.E. Development of the flotation mode of gold-bearing ores by an air mixture and water vapor. Phys.-Tech. Probl. Dev. Miner. Resour. 2021, 2, 162–177. [Google Scholar]
- Bal, V. Stability characteristics of nanoparticles in a laminar linear shear flow in the presence of DLVO and non-DLVO forces. Langmuir 2019, 35, 11175–11187. [Google Scholar] [CrossRef]
- Grasso, D.; Subramaniam, K.; Butkus, M.; Strevett, K.; Bergendahl, J. A review of non-DLVO interactions in environmental colloidal systems. Environ. Sci. Biotechnol. 2002, 1, 17–38. [Google Scholar] [CrossRef]
- Li, K.; Wang, W.; Xiao, F.; Ge, Y.; Jin, H.; Yu, Z.; Gong, J.; Gao, W.; Peng, Z. Atomic force microscopy study of non-DLVO interactions between drops and bubbles. Langmuir 2021, 37, 6830–6837. [Google Scholar] [CrossRef] [PubMed]
- Ojaniemi, U.; Riihimaki, M.; Manninen, M.; Pattikangas, T. Wall function model for particulate fouling applying XDLVO theory. Chem. Eng. Sci. 2012, 84, 57–69. [Google Scholar] [CrossRef]
- Brant, J.A.; Childress, A.E. Membrane–colloid interactions: Comparison of extended DLVO predictions with AFM force measurements. Environ. Eng. Sci. 2002, 19, 413–427. [Google Scholar] [CrossRef]
- Gomez-Flores, A.; Solongo, S.K.; Heyes, G.W.; Ilyas, S.; Kim, H. Bubble−particle interactions with hydrodynamics, XDLVO theory, and surface roughness for flotation in an agitated tank using CFD simulations. Miner. Eng. 2020, 152, 106368. [Google Scholar] [CrossRef]
- Wu, Z.; Wang, X.; Liu, H.; Zhang, H.; Miller, J.D. Some physicochemical aspects of water-soluble mineral flotation. Adv. Colloid Interface Sci. 2016, 235, 190–200. [Google Scholar] [CrossRef]
- Pan, L.; Yoon, R.-H. Measurement of hydrophobic forces in thin liquid films of water between bubbles and xanthate-treated gold surfaces. Miner. Eng. 2016, 98, 240–250. [Google Scholar] [CrossRef]
- Liu, J.; Cui, X.; Xie, L.; Huang, J.; Zeng, H. Probing effects of molecular-level heterogeneity of surface hedrophobicity on hydrophobic interactions in air/water/solid systems. J. Colloid Interface Sci. 2019, 557, 438–449. [Google Scholar] [CrossRef]
- Ong, Q.K.; Sokolov, I. Attachment of nanoparticles to the AFM tips for direct measurements of interaction between a single nanoparticle and surface. J. Colloid Interface Sci. 2000, 310, 385–390. [Google Scholar] [CrossRef]
- Miller, J.D.; Wang, X.; Jin, J.; Shrimali, K. Interfacial water structure and the wetting of mineral surfaces. Int. J. Miner. Process. 2016, 156, 62–68. [Google Scholar] [CrossRef]
- Nizkaya, T.V.; Dubov, A.L.; Mourran, A.; Vinogradova, O.I. Probing effective slippage on superhydrophobic stripes by atomic force microscopy. Soft Matter. R. Soc. Chem. 2016, 12, 6910–6917. [Google Scholar] [CrossRef] [PubMed]
- Zhou, J.; Smiatek, J.; Asmolov, E.S.; Vinogradova, O.I.; Schmid, F. Application of Tunable-Slip Boundary Conditions in Particle-Based Simulations. High Perform. Comput. Sci. Eng. 2015, 13, 19–30. [Google Scholar]
- Theodorakis, P.E.; Che, Z. Surface nanobubbles: Theory, simulation, and experiment. A review. Adv. Colloid Interface Sci. 2019, 272, 47–61. [Google Scholar] [CrossRef]
- Sukharev, I.S. Experimental determination of the size of gas bubbles during effluence in the air/water system. Bull. Volga State Acad. Sports 2016, 46, 198–204. [Google Scholar]
- Lu, S.T. On the role of hydrophobic interaction in flotation and flocculation. Colloid J. 1990, 52, 858–864. [Google Scholar]
- Vigdergauz, V.E.; Schrader, E.A.; Sarkisoa, L.M.; Kuznetsova, I.N. Evaluation of long-range interactions between hydrophobic surfaces as applied to the flotation of sulfide minerals. Phys.-Tech. Probl. Miner. Dev. 2006, 5, 107–114. [Google Scholar]
- Zhang, N.; Pang, T.; Han, R.; Chen, S.; Li, Z.; Yu, Y.; Shi, Z.; Liu, L.; Qu, J.; Zhou, A. Interactions between bubble and particles of key minerals of diasporic bauxite through the extended DLVO theory. Int. J. Min. Sci. Technol. 2022, 32, 201–214. [Google Scholar] [CrossRef]
- Churaev, N.V. Surface forces and physicochemistry of surface phenomena. Success Chem. 2004, 73, 26–38. [Google Scholar]
- Ficeriova, J.; Balaz, P. Leaching of gold from a mechanically and mechanochemically activated waste. Acta Montan. Slovaca 2010, 15, 183–187. [Google Scholar]








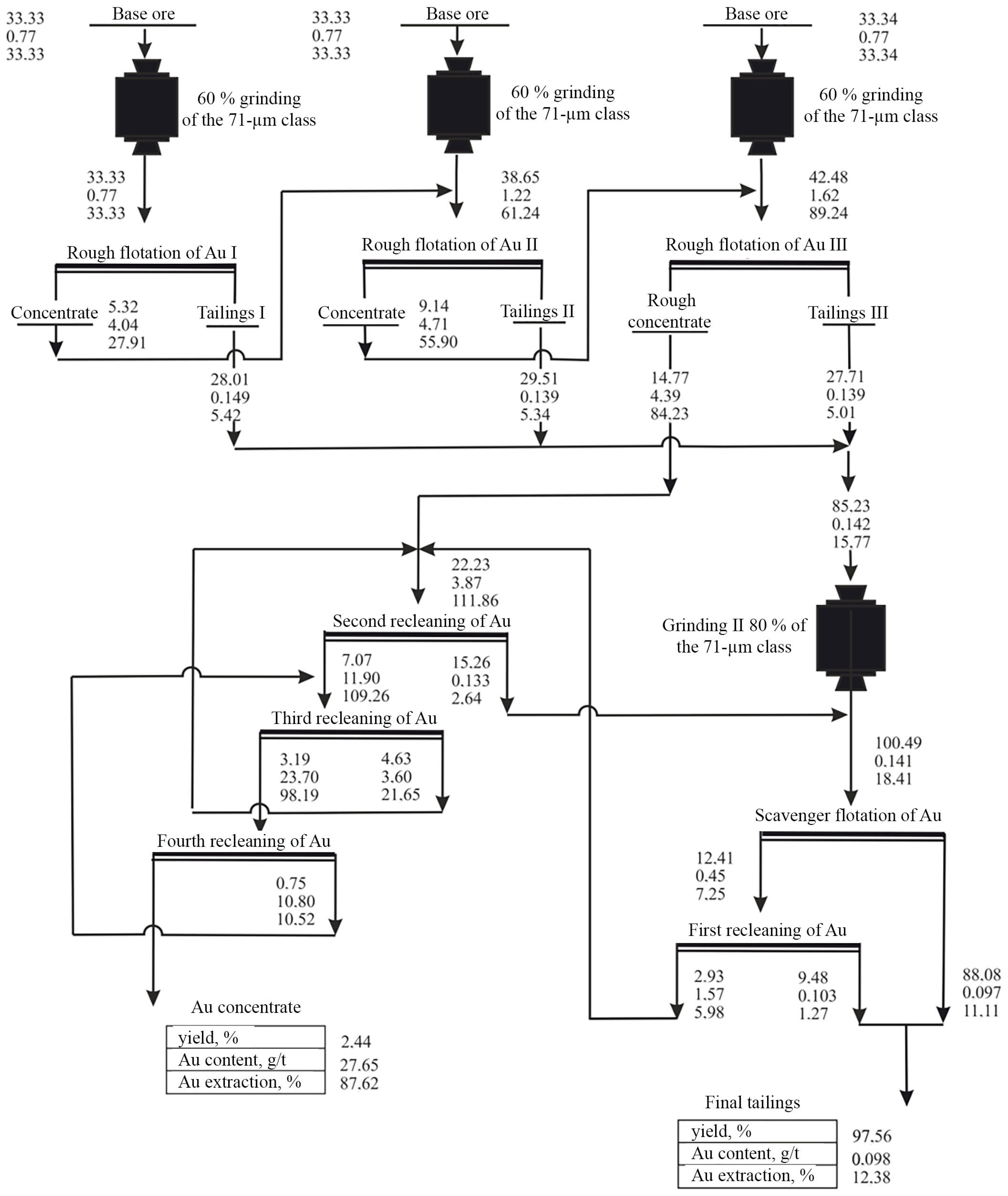
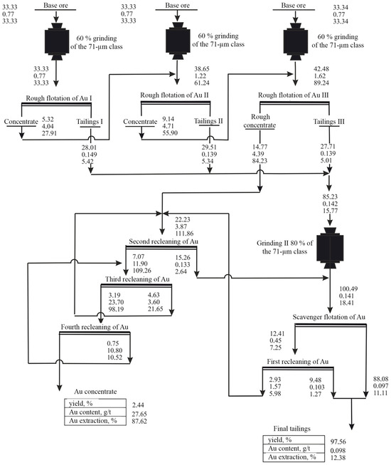
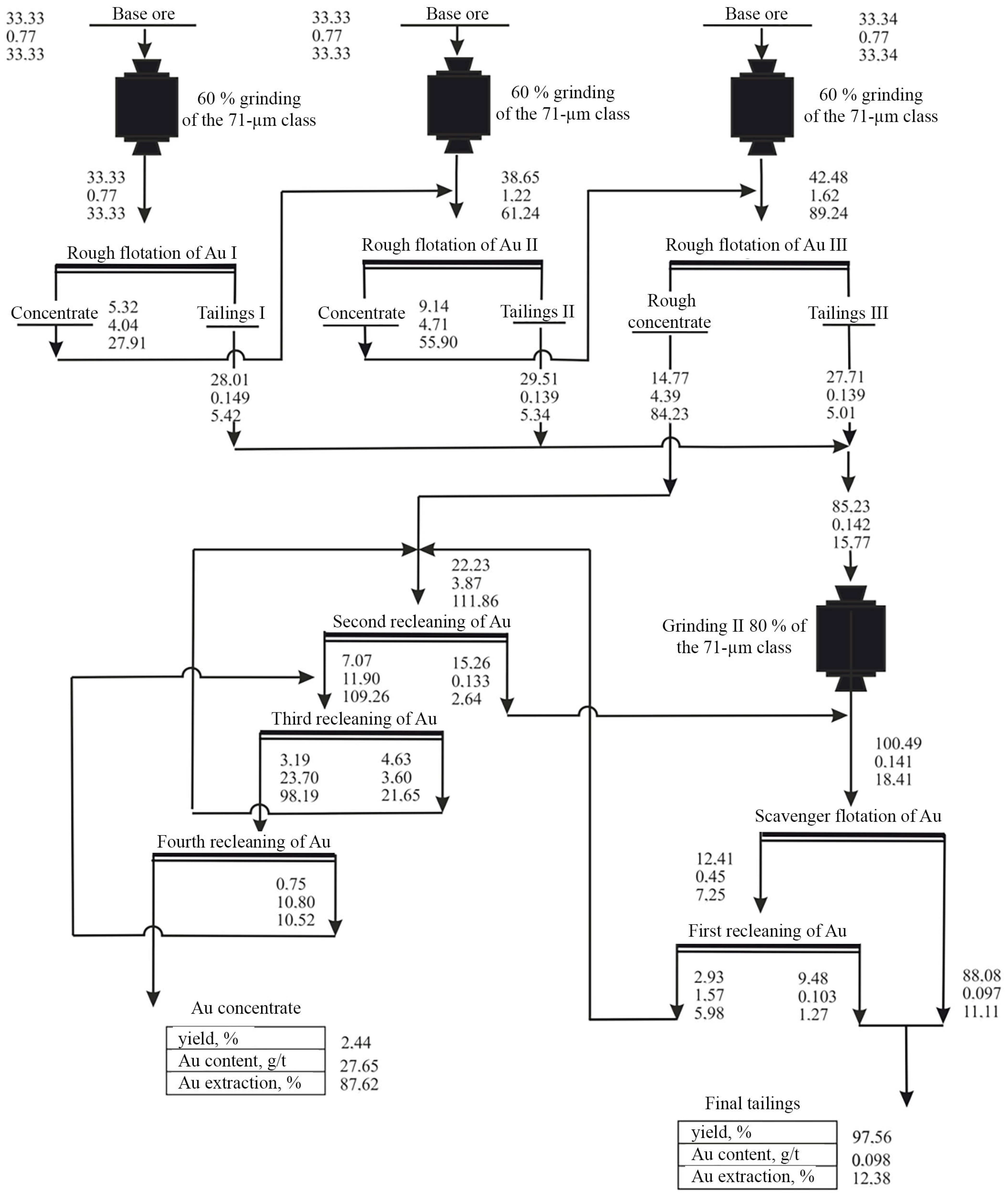
| No. Item | Product Name | Yield, % | Au Content, g/t | Au Extraction, % |
|---|---|---|---|---|
| Sample-2 flotation in the factory mode | ||||
| 1 | Rougher concentrate | 14.417 | 4.97 | 74.95 |
| 2 | Flotation tailings | 85.583 | 0.280 | 25.05 |
| 3 | Base ore | 100.0 | 0.956 | 100.0 |
| Sample-2 flotation using carrier minerals | ||||
| 4 | Rougher concentrate | 11.40 | 6.29 | 74.95 |
| 5 | Tailings-1 | 29.76 | 0.297 | 9.24 |
| 6 | Tailings-2 | 29.42 | 0.274 | 8.43 |
| 7 | Tailings-3 | 29.42 | 0.240 | 7.38 |
| 8 | General tailings | 88.60 | 0.270 | 25.05 |
| 9 | Base ore | 100.0 | 0.956 | 100.0 |
Disclaimer/Publisher’s Note: The statements, opinions and data contained in all publications are solely those of the individual author(s) and contributor(s) and not of MDPI and/or the editor(s). MDPI and/or the editor(s) disclaim responsibility for any injury to people or property resulting from any ideas, methods, instructions or products referred to in the content. |
© 2024 by the authors. Licensee MDPI, Basel, Switzerland. This article is an open access article distributed under the terms and conditions of the Creative Commons Attribution (CC BY) license (https://creativecommons.org/licenses/by/4.0/).
Share and Cite
Evdokimov, S.I.; Golikov, N.S.; Zadkov, D.A.; Voitovich, E.V.; Kondratiev, V.V.; Petrovskiy, A.A.; Konyukhov, V.Y.; Gladkikh, V.A. Studying the Flotation of Gold-Bearing Ores Using Carrier Minerals. Minerals 2024, 14, 88. https://doi.org/10.3390/min14010088
Evdokimov SI, Golikov NS, Zadkov DA, Voitovich EV, Kondratiev VV, Petrovskiy AA, Konyukhov VY, Gladkikh VA. Studying the Flotation of Gold-Bearing Ores Using Carrier Minerals. Minerals. 2024; 14(1):88. https://doi.org/10.3390/min14010088
Chicago/Turabian StyleEvdokimov, Sergei Ivanovich, Nikolay S. Golikov, Denis A. Zadkov, Elena V. Voitovich, Viktor V. Kondratiev, Aleksey A. Petrovskiy, Vladimir Yu. Konyukhov, and Vitaliy A. Gladkikh. 2024. "Studying the Flotation of Gold-Bearing Ores Using Carrier Minerals" Minerals 14, no. 1: 88. https://doi.org/10.3390/min14010088
APA StyleEvdokimov, S. I., Golikov, N. S., Zadkov, D. A., Voitovich, E. V., Kondratiev, V. V., Petrovskiy, A. A., Konyukhov, V. Y., & Gladkikh, V. A. (2024). Studying the Flotation of Gold-Bearing Ores Using Carrier Minerals. Minerals, 14(1), 88. https://doi.org/10.3390/min14010088

