Strata Movement of Gangue Grouting Filling in Subsequent Space for Coal Mining and Analysis of Its Practical Effects
Abstract
1. Introduction
2. GGFSS Technique
2.1. Principle of GGFSS
2.2. Technological Key to GGFSS
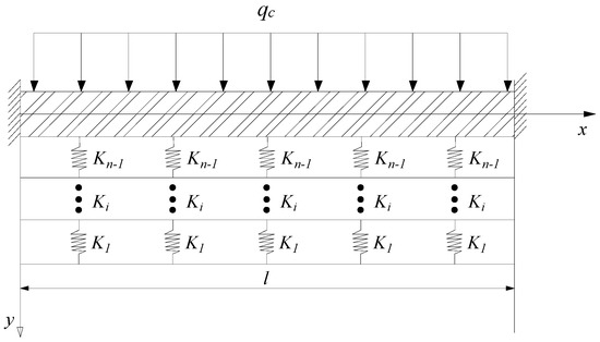
3. Ground Control Mechanical Model of GGFSS
3.1. EBR Mechanical Model
3.2. The EBR-Based Strata Movement Mechanical Model
3.2.1. The EBR of Different Backfill Grouting Zones
3.2.2. Displacement Analysis of Key Strata
3.2.3. Bending Moment of Key Strata
4. Surface Deformation When Using GGFSS
4.1. Prediction of Surface Deformation
4.1.1. The EMH of GGFSS
4.1.2. Key Parameters of Surface Deformation
4.2. Surface Deformation Characteristics
4.2.1. Prediction Scheme and Parameter Selection of Surface Deformation
4.2.2. Predicted Results of Surface Deformation Characteristics
5. Engineering Application of GGFSS
5.1. Design of Gangue Backfilling Schemes
5.1.1. Backfill Grouting Layer
5.1.2. Arrangement of Backfill Grouting Boreholes
5.2. Monitoring of Backfilling Effect
5.2.1. Monitoring of Slurry Preparation
5.2.2. Grouting Monitoring
5.2.3. Surface Deformation Monitoring
5.3. Field Measurement Analysis of Backfilling Effect
5.3.1. Field Measurement of Slurry Preparation Effect
5.3.2. Field Measurement of Backfill Grouting Effect
5.3.3. Field Measurement of Surface Deformation
6. Conclusions
- (1)
- This research elucidated technical principles and advantages of the GGFSS technique. Based on the general concept underpinning this technique, the connotation, and a formula for the calculation, of the EBR were proposed to explore the primary factors influencing the EBRs. On this basis, an EBR mechanical model was established based on the Winkler foundation theory.
- (2)
- The analysis of the established EBR-based strata movement mechanical model indicates that: the subsidence and bending moment of key strata both are decreased with increasing EBR; and when the EBR is greater than 74.44%, key strata remain free from rupture and their subsidence is significantly reduced.
- (3)
- Based on the EBR, a predictive model of surface deformation when using GGFSS was constructed. The surface deformation predictions show that: as the EBR is increased from 70% to 75%, deformation indices including surface subsidence show significant and rapid reductions. Thereafter, with the increase in the EBR, the decrease of surface deformation slows, given a certain allowance coefficient, the EBR was designed to be 85% herein.
- (4)
- The designed backfill grouting layer in the subsequent space is located at the water-resisting key stratum 131 m above coal seams, with a backfill grouting borehole spacing of 300 m. The designed slurry mass concentration is 60%, one-third of the gangue crushed to a diameter below 2 mm, and two-thirds of the gangue crushed to a diameter below 0.15 mm. Field measurement results indicate that: the surface subsidence is close to that predicted using the proposed model, with an average rate of grouting of 156.9 t/h, sustained for a long time and delivering a large volume of grouting slurry; the grouting pressure shows no rapid increases at the grouting wellhead, implying that key strata remain largely free from rupture. The surface deformation results indicated that GGFSS significantly reduces surface subsidence.
Author Contributions
Funding
Data Availability Statement
Conflicts of Interest
References
- Yao, Y.; Deng, Q.; Li, Y.; Lu, H.; Zou, R. Comprehensive treatment of coal gangue and its development and utilization status. China Resour. Compr. Util. 2019, 37, 83–85. [Google Scholar]
- Chen, Q.; Zhang, Q.; Qi, C.; Fourie, A.; Xiao, C. Recycling phosphogypsum and construction demolition waste for cemented paste backfill and its environmental impact. J. Clean. Prod. 2018, 186, 418–429. [Google Scholar] [CrossRef]
- Zhang, J.; Zhang, J.; Spearinga, A.J.S.; Miao, X.; Guo, S.; Sun, Q. Green coal mining technique integrating mining-dressing-gas draining-backfilling-mining. Int. J. Min. Sci. Technol. 2017, 27, 17–27. [Google Scholar] [CrossRef]
- Hu, B.; Liu, P.; Cui, F.; Wang, H. Review and development status of backfill coal mining technology in China. Coal Sci. Technol. 2020, 40, 18. [Google Scholar]
- Sun, Q.; Zhang, J.; Zhou, N.; Huang, Y. Key Aquiclude Strata Reconstruction and Fluid-Solid Coupled Deformation Mechanism Study for Backfill Coal Mining. Mine Water Environ. 2021, 40, 793–802. [Google Scholar] [CrossRef]
- Yan, H.; Zhang, J.; Zhou, N.; Zhang, S.; Dong, X. Shaft failure characteristics and the control effects of backfill body compression ratio at ultra-contiguous coal seams mining. Environ. Earth Sci. 2018, 77, 458. [Google Scholar] [CrossRef]
- Liu, Y.; Liu, J.; Yang, B.; Yuan, S. Assessing Water and Sand Inrushes Hazard Reductions due to Backfill Mining by Combining GIS and Entropy Methods. Mine Water Environ. J. Int. Mine Water Assoc. 2021, 40, 956–969. [Google Scholar] [CrossRef]
- Zhou, N.; Zhang, J.; Yan, H.; Li, M. Deformation Behavior of Hard Roofs in Solid Backfill Coal Mining Using Physical Models. Energies 2017, 10, 557. [Google Scholar] [CrossRef]
- Gu, W.; Zhu, L.; Liu, Z.; Song, T.; Pan, H.; Zhang, X.; Qiu, F.; Zhao, M.; Huang, J. Fluidization slurry backfilling technology of coal mine solid waste. Coal Sci. Technol. 2021, 49, 83–91. [Google Scholar] [CrossRef]
- Yang, K.; Zhao, X.; Wei, Z.; Zhang, J. Development overview of paste backfill technology in China’s coal mines: A review. Environ. Sci. Pollut. Res. 2021, 28, 67957–67969. [Google Scholar] [CrossRef]
- Deng, X.; Yuan, Z.; Lan, L.; Wit, B.D.; Zhang, J. Roof Movement and Failure Behavior When Mining Extra-Thick Coal Seams Using Upward Slicing Longwall-Roadway Cemented Backfill Technology. Adv. Mater. Sci. Eng. 2020, 2020, 5828514. [Google Scholar] [CrossRef]
- Zhang, J.; Li, M.; Taheri, A.; Zhang, W.; Wu, Z.; Song, W. Properties and Application of Backfill Materials in Coal Mines in China. Minerals 2019, 9, 53. [Google Scholar] [CrossRef]
- Xu, Y.; Ma, L.; Ngo, I.; Zhai, J. Continuous Extraction and Continuous Backfill Mining Method Using Carbon Dioxide Mineralized Filling Body to Preserve Shallow Water in Northwest China. Energies 2022, 15, 3614. [Google Scholar] [CrossRef]
- Deng, X.; Li, Y.; Wang, F.; Shi, X.; Yang, Y.; Xu, X.; Huang, Y.; Wit, B.D.; University, T. Experimental study on the mechanical properties and consolidation mechanism of microbial grouted backfill. Int. J. Min. Sci. Technol. 2022, 32, 271–282. [Google Scholar] [CrossRef]
- Zhang, J.; Zhang, Q.; Zhou, N.; Li, M.; Huang, P.; Li, B. Research progress and prospect of coal based solid waste backfilling mining technology. J. China Coal Soc. 2022, 47, 4167–4181. [Google Scholar] [CrossRef]
- Li, B.; Zhang, J.; Ghoreishi-Madiseh, S.A.; Brito, M.; Kuyuk, A.F. Energy performance of seasonal thermal energy storage in underground backfilled stopes of coal mines from China. J. Clean. Prod. 2020, 275, 122647. [Google Scholar] [CrossRef]
- Qi, C.; Tang, X.; Dong, X.; Chen, Q.; Fourie, A.; Liu, E. Towards Intelligent Mining for Backfill: A genetic programming-based method for strength forecasting of cemented paste backfill. Miner. Eng. 2019, 133, 69–79. [Google Scholar] [CrossRef]
- Huang, Y.; Li, J.; Song, T.; Kong, G.; Li, M. Analysis on Filling Ratio and Shield Supporting Pressure for Overburden Movement Control in Coal Mining with Compacted Backfilling. Energies 2016, 10, 31. [Google Scholar] [CrossRef]
- Huang, P. Study on control effect of roof based on backfilling body cooperating with support. J. Min. Sci. 2020, 37, 128–136. [Google Scholar]
- Zhang, Q.; Chang-Long, D.U.; Zhang, J.X.; Wang, J.Q.; Meng, L.I.; Wen-Yue, Q.I. Backfill support’s backfill and operation properties and evaluation. J. Cent. South Univ. 2018, 25, 1524–1534. [Google Scholar] [CrossRef]
- Vu, T.T. Solutions to prevent face spall and roof falling in fully mechanized longwall at underground mines, Vietnam. Min. Miner. Depos. 2022, 16, 127–134. [Google Scholar] [CrossRef]
- Dychkovskyi, R.; Shavarskyi, I.; Saik, P.; Lozynskyi, V.; Falshtynskyi, V.; Cabana, E. Research into stress-strain state of the rock mass condition in the process of the operation of double-unit longwalls. Min. Miner. Depos. 2020, 14, 85–94. [Google Scholar] [CrossRef]
- Smoliński, A.; Malashkevych, D.; Petlovanyi, M.; Rysbekov, K.; Lozynskyi, V.; Sai, K. Research into Impact of Leaving Waste Rocks in the Mined-Out Space on the Geomechanical State of the Rock Mass Surrounding the Longwall Face. Energies 2022, 15, 9522. [Google Scholar] [CrossRef]
- Malashkevych, D.; Petlovanyi, M.; Sai, K.; Zubko, S. Research into the coal quality with a new selective mining technology of the waste rock accumulation in the mined-out area. Min. Miner. Depos. 2022, 16, 103–114. [Google Scholar] [CrossRef]
- Yan, H.; Wang, W.; Zhang, J.; Ma, D.; Zhou, N.; Wan, Z. Experimental study on the influence of coal-rock interface strength on crack propagation law of supercritical carbon dioxide fracturing. Gas Sci. Eng. 2023, 112, 204943. [Google Scholar] [CrossRef]
- Xu, J.L.; Xuan, D.Y.; Zhu, W.B.; Wang, X.Z.; Teng, H. Study and application of coal mining with partial backfilling. Meitan Xuebao/J. China Coal Soc. 2015, 40, 1303–1312. [Google Scholar]
- Chang, Q.L.; Zhou, H.Q.; Bai, J.B.; Duan, C.R.; Li, Y.W. Stability study and practice of overlying strata with paste backfilling. J. Min. Saf. Eng. 2011, 28, 279–282. [Google Scholar]
- Meng-Tang, H.U.; Zhang, D.S.; Li-Jiang, M.A.; Wang, X.F.; Zhang, W. Roof control technology for longwall filling mining of superhigh-water material. Meitan Xuebao J. China Coal Soc. 2014, 39, 410–416. [Google Scholar]
- Guo, G.-L.; Zhu, X.-J.; Zha, H.-F.; Wang, Q. Subsidence prediction method based on equivalent mining height theory for solid backfilling mining. Trans. Nonferr. Met. Soc. China 2014, 24, 3302–3308. [Google Scholar] [CrossRef]
- Zhu, X.; Guo, G.; Liu, H.; Yang, X. Surface subsidence prediction method of backfill-strip mining in coal mining. Bull. Eng. Geol. Environ. 2019, 78, 6235–6248. [Google Scholar] [CrossRef]
- Wang, L.; Zhang, X.N.; Guo, G.L.; Zha, J.F. Research on surface subsidence prediction model of coal mining with solid compacted backfilling. Yantu Lixue/Rock Soil Mech. 2014, 35, 1973–1978. [Google Scholar]
- Yin, W.; Bao, X.; Liu, H.; Zhang, Q. Research on overlying strata structure and ground control in transition area of fully mechanized mining working face. Caikuang Yu Anquan Gongcheng Xuebao J. Min. Saf. Eng. 2018, 35, 86–93. [Google Scholar] [CrossRef]
- Zhang, Q.; Cui, P.; Zhang, J.; Zhang, H.; Chang, T.; Yang, J. Condition state characterization and self-identification control method of key equipment for intelligent solid backfilling. Meitan Xuebao 2022, 47, 4237–4249. [Google Scholar] [CrossRef]
- Tran, V. Using Artificial Intelligence Approach for Investigating and Predicting Yield Stress of Cemented Paste Backfill. Sustainability 2023, 15, 2892. [Google Scholar] [CrossRef]
- Behera, S.K.; Mishra, D.P.; Singh, P.; Mishra, K.; Mandal, S.K.; Ghosh, C.N.; Kumar, R.; Mandal, P.K. Utilization of mill tailings, fly ash and slag as mine paste backfill material: Review and future perspective. Constr. Build. Mater. 2021, 309, 125120. [Google Scholar] [CrossRef]
- Qi, C.C.; Fourie, A. Cemented paste backfill for mineral tailings management: Review and future perspectives. Miner. Eng. 2019, 144, 106025. [Google Scholar] [CrossRef]
- Li, L.; Huang, Q.; Zuo, X.; Wu, J.; Wei, B.; He, Y.; Zhang, W.; Zhang, J. Study on the Slurry Diffusion Law of Fluidized Filling Gangue in the Caving Goaf of Thick Coal Seam Fully Mechanized Caving Mining. Energies 2022, 15, 8164. [Google Scholar] [CrossRef]
- Zhu, L.; Pan, H.; Gu, W.; Zhao, M.; Zhang, X.; Xu, K. Experimental study on flow and diffusion law of gangue filling slurry in caving zone. Meitan Xuebao 2021, 46, 629–638. [Google Scholar] [CrossRef]



















| Strata | Filling Height/m | Foundation Coefficient/kN/m3 | EBR/% | Theoretical Grouting Volume/m3 |
|---|---|---|---|---|
| Coarse-grained sandstone | 26.07 | 1502 | = 21.67 | 21,689.54 |
| Siltstone | 38.65 | 2515 | = 30.25 | 30,277.27 |
| Medium-grained sandstone | 55.02 | 3012 | = 38.83 | 38,865.01 |
| Siltstone | 73.52 | 3555 | = 47.41 | 47,452.74 |
| Coarse-grained sandstone | 92.76 | 4089 | = 55.98 | 56,030.46 |
| Medium-grained conglomerate | 121.71 | 5080 | = 75.34 | 75,407.92 |
| Caving zone | 136.97 | 53,605 | = 95.07 | 95,155.71 |
| Roof Type | Lithology | Average Thickness/m | UCS/MPa |
|---|---|---|---|
| Immediate roof | Sandy mudstone | 2.09 | 31.99 |
| Siltstone | 3.6 | ||
| Main roof | Medium-grained sandstone | 5.695 | 17.14 |
| Grit sandstone | 25.85 | ||
| Medium-grained sandstone | 16.36 |
| EBR/% | Maximum Subsidence/mm | Area of Subsidence Basin/km2 |
|---|---|---|
| 0 | 1506 | 1.89 |
| 20 | 1408 | 1.88 |
| 40 | 1289 | 1.79 |
| 60 | 1083 | 1.69 |
| 70 | 928 | 1.58 |
| 75 | 553 | 0.95 |
| 80 | 383 | 0.72 |
| 85 | 289 | 0.56 |
| 90 | 227 | 0.49 |
| EBR/% | Slope Deformation I (mm/m) | |
|---|---|---|
| Horizontal Direction | Vertical Direction | |
| 0 | 4.4 | 3.2 |
| 20 | 4.2 | 3.1 |
| 40 | 3.9 | 2.9 |
| 60 | 3.5 | 2.6 |
| 70 | 3.0 | 2.3 |
| 75 | 2.0 | 1.8 |
| 80 | 1.6 | 1.3 |
| 85 | 1.3 | 1.0 |
| 90 | 1.1 | 0.8 |
| EBR/% | Horizontal Deformation i mm/m | |
|---|---|---|
| Horizontal Direction | Vertical Direction | |
| 0 | 2.9 | 1.9 |
| 20 | 2.7 | 1.8 |
| 40 | 2.5 | 1.7 |
| 60 | 2.3 | 1.5 |
| 70 | 2.0 | 1.4 |
| 75 | 1.3 | 0.9 |
| 80 | 1.0 | 0.8 |
| 85 | 0.8 | 0.6 |
| 90 | 0.7 | 0.5 |
Disclaimer/Publisher’s Note: The statements, opinions and data contained in all publications are solely those of the individual author(s) and contributor(s) and not of MDPI and/or the editor(s). MDPI and/or the editor(s) disclaim responsibility for any injury to people or property resulting from any ideas, methods, instructions or products referred to in the content. |
© 2023 by the authors. Licensee MDPI, Basel, Switzerland. This article is an open access article distributed under the terms and conditions of the Creative Commons Attribution (CC BY) license (https://creativecommons.org/licenses/by/4.0/).
Share and Cite
An, T.; Wu, Z.; Zhang, J.; Liu, Y.; Duan, G.; Zhou, N.; Yan, H. Strata Movement of Gangue Grouting Filling in Subsequent Space for Coal Mining and Analysis of Its Practical Effects. Minerals 2023, 13, 609. https://doi.org/10.3390/min13050609
An T, Wu Z, Zhang J, Liu Y, Duan G, Zhou N, Yan H. Strata Movement of Gangue Grouting Filling in Subsequent Space for Coal Mining and Analysis of Its Practical Effects. Minerals. 2023; 13(5):609. https://doi.org/10.3390/min13050609
Chicago/Turabian StyleAn, Tailong, Zhongya Wu, Jixiong Zhang, Yexian Liu, Gang Duan, Nan Zhou, and Hao Yan. 2023. "Strata Movement of Gangue Grouting Filling in Subsequent Space for Coal Mining and Analysis of Its Practical Effects" Minerals 13, no. 5: 609. https://doi.org/10.3390/min13050609
APA StyleAn, T., Wu, Z., Zhang, J., Liu, Y., Duan, G., Zhou, N., & Yan, H. (2023). Strata Movement of Gangue Grouting Filling in Subsequent Space for Coal Mining and Analysis of Its Practical Effects. Minerals, 13(5), 609. https://doi.org/10.3390/min13050609

