Abstract
To address the issues of DC-side voltage fluctuation and three-phase current distortion in rectifier systems under pulsed load conditions, this paper proposes a control strategy that integrates Model Predictive Control (MPC) with a Luenberger observer for the Power Pulsation Buffer (PPB). The observer parameters are adaptively tuned using a gradient descent method. First, the pulsed current generated by the load is decomposed into dynamic and average components, and a mathematical model of the PPB is established. Considering the negative impact of DC voltage ripple and lumped disturbances such as parasitic parameters on model accuracy, a Luenberger observer is designed to estimate these disturbances. To overcome the dependence of traditional Luenberger observers on empirically tuned gains, an adaptive gradient descent algorithm based on gradient direction consistency is introduced for online gain adjustment. Simulation and experimental results demonstrate that the proposed control strategy—combining the Luenberger observer with gradient descent and MPC—effectively reduces current tracking overshoot and improves tracking accuracy. Furthermore, it enables sustained decoupling of the PPB from the system, significantly mitigating DC-side voltage ripple and three-phase current distortion under pulsed load conditions, thereby validating the effectiveness of the proposed approach.
1. Introduction
With the continuous increase in variety and quantity of information-based equipment, the requirements for power supply assurance systems have become increasingly stringent. In particular, applications demanding high reliability and stability drive a growing interest in hybrid-energy complementary power supply systems. In recent years, pulsed loads in shipboard power systems have become increasingly prevalent, making their load characteristics a focal point of the current research. Pulsed loads are referred to as loads characterized by periodic and instantaneous power demand spikes which quickly return to their initial state after a short duration. These loads exhibit high peak power while maintaining low average power. The pulse duration typically ranges from tens to hundreds of milliseconds. Such rapidly changing power demands pose significant challenges to conventional electromechanical control systems, which often struggle to respond in a timely manner. As a result, power quality issues often arise within the power supply system. Among the most common issues are harmonic current distortion and voltage fluctuations or flicker caused by a reactive power imbalance [1,2,3,4].
In shipboard rectifier systems, the objective of managing pulsed loads is to ensure their reliable operation while minimizing the impact on both the DC-side output voltage and the AC-side current [5]. The pulsed load current can be decomposed into two components: a pulsating current component and an average current component [6]. When a rectifier is solely responsible for supplying power to pulsed loads, it must meet the dual requirements of high power density and high energy density to deliver both current components, which poses significant challenges for conventional rectifier systems. In contrast, a composite system comprising multiple circuit topologies can divide the task according to demand: one part supplies the average current, while the other part provides the pulsating current required by the pulsed load. This approach enables the full utilization of the functional advantages of different circuit structures, thereby achieving improved overall system performance. Current international research predominantly focuses on hybrid systems formed by integrating conventional power systems with capacitors [7,8]. In such systems, capacitors are mainly responsible for delivering rapidly varying pulsating current, while the original system supplies the relatively stable average current. Large capacitor arrays are typically introduced on the DC side to decouple the pulsed power via energy storage. Although this method is relatively simple, it requires substantial capacitance, resulting in high manufacturing costs and large size, which makes it unsuitable for space-constrained applications [9].
To achieve pulsed power decoupling in limited-space environments and reduce the physical size of capacitors, a mainstream approach in recent years has been to use power electronic converters to replace bulky energy storage capacitors for balancing instantaneous power differences. On the AC side, active power filters (APFs) are widely employed in three-phase AC systems [10,11] to compensate for high-frequency harmonics and improve power quality. The fundamental principle involves decoupling high-frequency harmonics, generated by nonlinear loads, from the AC grid side [12]. Ref. [13] investigates an APF capable of supporting active power and smoothing reactive power. By integrating energy storage devices such as supercapacitors, the system suppresses power fluctuations over longer time scales. On the DC side [14,15], in addition to simply paralleling large capacitors, bidirectional DC–DC converters can be connected in parallel with energy storage capacitors to increase allowable voltage ripple, thereby significantly reducing capacitor size [16]. Among these methods, the Power Pulse Buffer (PPB) with a bidirectional converter is one of the most commonly adopted solutions. The PPB is controlled such that its input current tracks the pulsating current component, allowing ripple power to be entirely absorbed by the buffer’s energy storage capacitor. According to [17], a discontinuous conduction mode (DCM) is used to calculate the duty cycle of a bidirectional buck/boost converter in real time, which helps reduce capacitor volume. According to [18], an Active Capacitor Converter (ACC) is proposed to replace traditional energy storage capacitors. The control scheme is based on feedforward current reference, further simplified to avoid inverse and square root circuits. Ref. [19] applies model predictive control to a four-switch buck-boost converter to ensure accurate tracking of the reference current through four-channel switching signal coordination.
In pulsed current tracking, due to limitations in switching frequency and hardware conditions, it is difficult for a single-phase bidirectional buck-boost DC–DC converter to accurately track the reference pulsed current through its inductor current. In contrast, multiphase interleaved bidirectional DC–DC converters are widely used between the DC bus and energy storage batteries in distributed generation systems and DC microgrids [20,21,22,23], owing to their advantages such as lower current stress on switching devices, reduced switching losses, and higher power density. When dealing with the rapidly varying pulsed currents, multiphase interleaved bidirectional DC–DC converters respond faster in current variation than single-phase converters, thus enabling better tracking of pulsed currents and facilitating system-level power decoupling. The authors of [24] propose a three-phase interleaved buck converter in which the gate signals of each phase are phase-shifted to reduce output current ripple. However, this work does not consider the effects of parasitic parameters in the inductors. The authors of [25] introduce a control strategy combining an inner-loop model predictive control with outer-loop sliding mode control for a three-phase interleaved buck-boost bidirectional DC–DC converter, enhancing the stability of the output voltage. According to [26], a Luenberger observer is applied to estimate system disturbances, and the resulting observations are integrated with model predictive control to generate precise switching signals, thereby improving the system’s disturbance rejection capability. However, the control strategies presented in the aforementioned literature for three-phase interleaved buck-boost bidirectional DC–DC converters do not provide accurate regulation of the reference current; instead, they rely on reference signals derived from output voltage stabilization.
Recent research has proposed various current sharing strategies to enhance the performance of interleaved boost converters. Chae et al. [27] introduced a digital current-sharing method that utilizes input voltage ripple to estimate inductor current differences, enabling improved current balance without additional current sensors. Building on this concept, Min et al. [28] developed a master–slave-based current-sharing technique, which adjusts the voltage reference to reduce thermal stress and enhance system reliability. Liu et al. [29] further advanced sensorless control by proposing a current-balancing approach based on output voltage ripple diagnosis, significantly reducing sensing costs and implementation complexity. Moreover, Shan et al. [30] extended the application of model predictive control (MPC) to bidirectional DC–DC and AC/DC interlinking converters within PV–wind–battery hybrid microgrids, achieving superior energy coordination and dynamic control of multiple energy storage units. These contributions provide a strong foundation for advancing control strategies in interleaved converters.
Recent advancements in the control of electrical and power electronic systems have introduced a range of novel strategies and applications. For instance, Li et al. [31] proposed an improved modulation technique for single-phase three-level NPC converters operating in critical conduction mode, enhancing control precision and reducing switching losses. Cheng et al. [32] developed an adaptive nonlinear active disturbance rejection controller capable of handling uncertain ripple effects in distributed generation systems, contributing to more robust current control. Wang et al. [33] demonstrated a Ga-doped Ge2Sb2Te5-based long-term synaptic device, enabling controllable resistance switching for neuromorphic computing, which opens new opportunities for intelligent control in power electronics. Moreover, Wang et al. [34] introduced a continuous reactive power control strategy for hybrid DC transmission systems, ensuring higher control accuracy in complex grid configurations. These works provide valuable insights into emerging control methodologies and demonstrate the expanding frontier of electronic systems control.
Based on the framework of [26], this paper proposes a reference current tracking control strategy that integrates a Luenberger observer with MPC. The observer gain is adaptively optimized using a gradient-descent method with directional consistency, and the stability of the observer error under the proposed scheme is verified through Lyapunov-based analysis. Compared with the conventional PI control in [17] and standard MPC in [19], the proposed approach—combining a gradient-based adaptive Luenberger observer with MPC—significantly improves current tracking accuracy under pulsed load conditions. While fixed-gain observers are limited in adapting to system dynamic variations and parameter uncertainties, the proposed method introduces an online adaptive mechanism based on gradient descent that enables real-time adjustment of the observer gain. This mechanism enhances disturbance estimation accuracy and reduces overall tracking error. The proposed current tracking control strategy is particularly well-suited for shipboard radar power systems, which are characterized by high-power, periodic pulsed loads. For instance, modern naval radar systems typically operate with average power levels around 25 kW, pulse repetition frequencies near 150 Hz, and duty cycles of approximately 50%. These characteristics align closely with the pulse load conditions considered in this study. In such systems, accurate current tracking and rapid disturbance rejection are essential to maintain the stability of the onboard power supply and prevent voltage sag or overshoot that could compromise radar performance. As a result, the proposed method achieves superior dynamic response and steady-state performance under severe pulsed load scenarios. Finally, the effectiveness of the proposed control strategy is validated through both simulation and experimental tests, in comparison with conventional double-loop PI control and MPC approaches. In Table 1, the key parameters adopted in this paper are listed, including their corresponding symbols and physical interpretations.
Table 1.
Annotation of key parameters.
2. Analysis of the Impact of Pulsed Loads
As shown in Figure 1, a three-phase voltage source is connected to a rectifier system, which outputs a DC voltage signal. The three-phase line currents , , follow the corresponding phase voltages , , to achieve power factor correction (PFC). A pulsed load is connected to the DC side of the rectifier system. According to the operating principle of the pulsed load, the pulsed load current is expressed as
where is the pulse period, is the pulse duty cycle, and is the peak current of the pulsed load.
Figure 1.
Rectifier system with external pulse load schematic diagram.
For ease of analysis, it is assumed that the DC output voltage of the rectifier system remains constant. Under this condition, the output power is given by
where denotes the average output power, and represents the pulsating power associated with the pulsed load. Based on the relationship between the three-phase sinusoidal input voltages and currents, let
From the symmetry relationship, it can be inferred that
By controlling the rectifier system, the three-phase currents can be maintained in phase with the three-phase voltages, resulting in a phase shift of zero. Therefore, the parameter is set to 0. The instantaneous input power is then calculated as
According to Equation (5), the instantaneous input power remains constant. Therefore, under pulsed load conditions, there exists an instantaneous power difference as illustrated in Figure 2. To satisfy instantaneous power balance, this power difference must be compensated by a power converter or a capacitor, as shown in Figure 3.
Figure 2.
Illustration of instantaneous power difference.
Figure 3.
Schematic diagram of energy storage capacitor connected on the DC side.
When the energy storage capacitor is directly connected in parallel on the DC side for power decoupling, the instantaneous power at both the input and output terminals remains balanced. According to Equations (2) and (5), the energy absorbed by the DC bus capacitor (also serving as the energy storage capacitor here) during one storage cycle is given by
where is the maximum voltage across during one energy storage cycle, and is the minimum voltage. Since is directly connected in parallel across the load, let the reference DC-side voltage be denoted as , and the maximum allowable voltage deviation across the load be denoted as . Therefore, Equation (6) can be rewritten as
where
According to the mathematical relationship, can be expressed as
From Equation (7), when the pulsed load and the DC-side reference voltage are fixed, the magnitude of depends solely on the allowable voltage error . For the rectifier system, to ensure the stability of the DC-side voltage, is set to be very small. Since is negatively correlated with , maintaining system stability during pulsed load operation requires a large energy storage capacitor , which results in high manufacturing costs and bulky size, making it impractical for applications with limited space.
If a DC–DC auxiliary compensation circuit is connected in parallel on the DC side as a power pulsation buffer (PPB), as shown in Figure 4, one terminal of the converter is connected in parallel with the system output, while the other is connected in parallel with the energy storage capacitor . The time-varying instantaneous power difference is transferred from to . Since is not directly connected across the output terminals, it is not constrained by the allowable voltage deviation on the DC side, allowing for a larger voltage ripple across it. According to Equation (9), a larger voltage ripple results in a smaller required capacitance. Theoretically, is only responsible for filtering switching ripple, and thus its capacitance can be kept relatively small.
Figure 4.
Schematic diagram of a DC–DC converter connected in parallel on the DC side.
For an ideal, lossless PFC converter, the current in Figure 4 is expressed as
For a rectangular pulsed load, consists of a DC component and an AC component . Thus, Equation (1) can be rewritten as
where is
Based on the current reference directions shown in Figure 4 and applying Kirchhoff’s current law, the following relationship can be derived:
In the equation, represents the input current of the PPB. If is set to zero, i.e., , since no current flows through the capacitor , the capacitor voltage remains constant, and can be made very small. Therefore, the ideal current of the PPB is given by
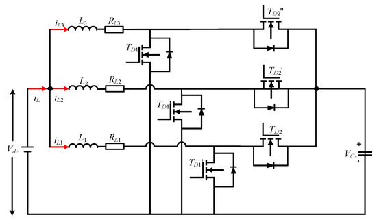
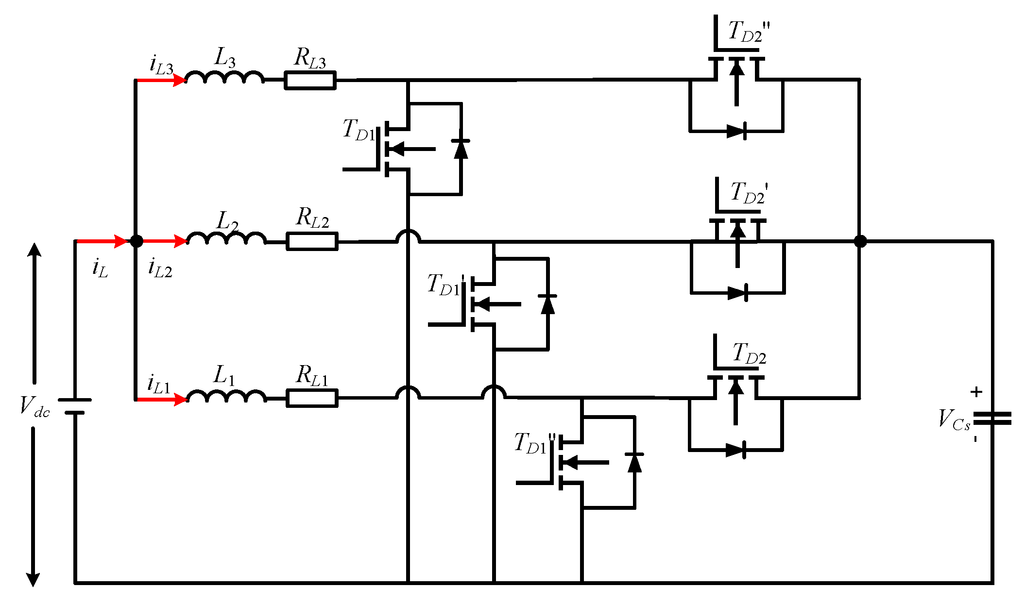
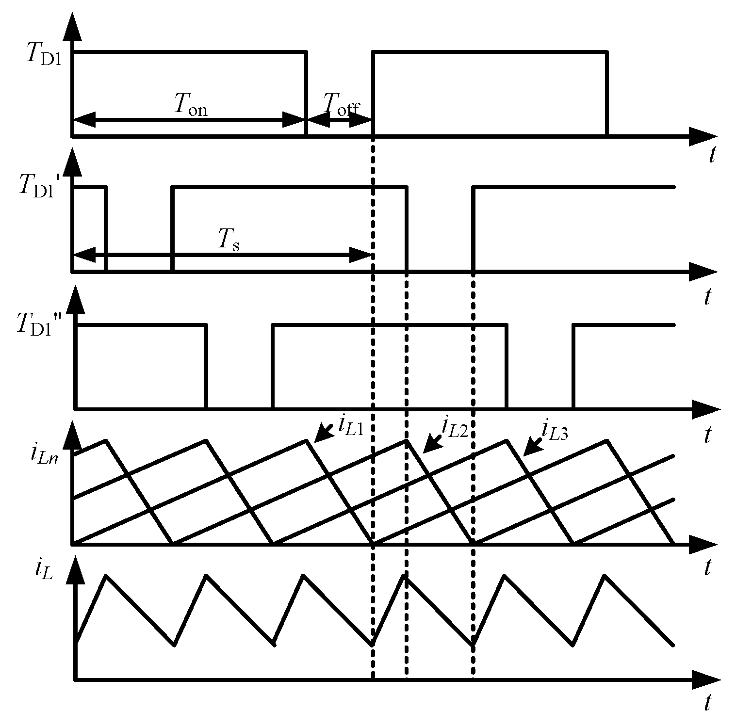
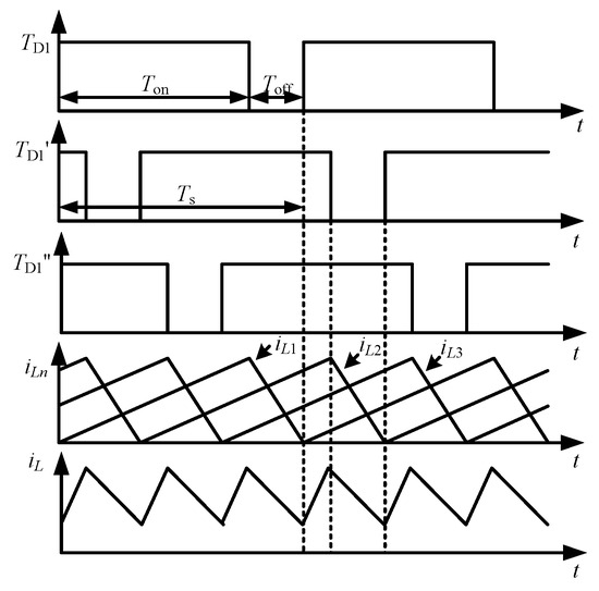
For ease of analysis, Figure 5 shows the reference current waveform of the PPB when is 50%. During segment (AB interval), the PPB absorbs the excess current from the system output; segment corresponds to the energy storage phase, during which the capacitor voltage rises. When segment (CD interval) occurs, the PPB and the system jointly supply power to the pulsed load; is the energy release phase where the capacitor voltage decreases. To reduce inductor current stress and achieve higher precision in pulsating current tracking, the PPB employs a three-phase interleaved parallel buck-boost bidirectional DC–DC converter to realize effective tracking of . The circuit topology is illustrated in Figure 6, where denotes the auxiliary energy storage inductor (hereafter referred to as the storage inductor), is the parasitic resistance, represents the MOSFET switching devices, where and , and , and are alternately turned on in pairs, and is the energy storage capacitor. Clearly, the voltage must always be higher than to ensure normal operation of the PPB. The switch conduction states and the three-phase inductor current waveforms are depicted in Figure 7. It can be observed that the drive signals for switches , , and are phase-shifted by 120° relative to each other. The input current is the sum of the three-phase inductor currents, resulting in a ripple frequency three times the switching frequency. Therefore, using a three-phase interleaved parallel buck-boost bidirectional DC–DC converter for pulsating current tracking effectively reduces current ripple and improves tracking accuracy [25].
Figure 5.
Illustrative waveform of the PPB reference current.
Figure 6.
Structure of the three-phase interleaved parallel buck-boost bidirectional DC–DC converter.
Figure 7.
Switching states and illustrative waveforms of three-phase interleaved inductor currents.
The PPB and the rectifier are controlled independently. The control objective is that, when a pulsed load occurs, the rectifier only needs to supply the average current, while the PPB delivers the pulsating current , thereby decoupling the pulsed power and ensuring system stability.
3. Model Predictive Control
To enable real-time tracking of the reference pulsating current by the PPB, this paper develops a mathematical model of the three-phase interleaved parallel buck-boost bidirectional DC–DC converter and employs Model Predictive Control (MPC) to achieve the PPB’s current tracking control objective.
MPC is a control algorithm based on the mathematical model of the converter, which regulates the system by predicting the future behavior of control variables. The predictive control method based on the buck-boost model obtains the current system state variables and uses the prediction model to compute the current value at the next time step. The PPB switching action is then selected to minimize the deviation between the predicted current and the reference current. This approach adopts active predictive control rather than passive feedback regulation, effectively avoiding the lag associated with traditional PI-based control methods, and is thus well suited for applications requiring fast dynamic response.
The proposed scheme is based on the Continuous Control Set Model Predictive Control (CCS-MPC) method, which requires the establishment of both continuous-time and discrete-time models to accurately represent the system dynamics. It is assumed that the converter operates in Continuous Conduction Mode (CCM). Based on Kirchhoff’s laws and the state-space averaging method, the continuous-time model is given as follows [26]:
In the equation, represents the system inputs, specifically the duty cycle signals of switches , , and , while denotes the energy storage inductor current.
Defining a fourth-order system model composed of the state variables , the discrete-time model of the converter can be derived as follows:
where represents the natural evolution of the system in the absence of control, reflects the modulation effect of duty cycle control on the inductor current and related variables, ensures that the output directly corresponds to the system state, enabling observation and control feedback, indicates the impact of input voltage fluctuations on the inductor current, , , represents the sampling period.
Traditional MPC methods often neglect variations in the input voltage and the presence of parasitic parameters such as the equivalent series resistance (ESR) . Parasitic resistance refers to the unintended resistance inherently present in electrical components or circuits due to non-ideal factors such as physical structure and material properties. Although not deliberately introduced in the design, it can have a significant impact on system performance. However, in practical applications, fluctuates in an unknown manner, and the presence of introduces modeling uncertainties. These factors lead to model mismatch, causing dynamic performance fluctuations and significant deviations between actual and expected outcomes, which severely affect system stability. Therefore, this paper proposes a gradient-adaptive Luenberger observer to detect and compensate for these disturbances, effectively enhancing system reliability and stability.
If the measurable outputs of a system can uniquely determine all internal state variables within a finite time, the system is said to be observable. A state observer is an algorithm or device that, based on the mathematical model of the system and the measurable input and output signals, estimates the internal state variables that cannot be directly measured in real time. The Luenberger observer is a type of state observer used in modern control theory to estimate unmeasurable state variables of dynamic systems. Its core concept is to construct an observer system isomorphic to the original system, which utilizes the original system’s input signals and measurable outputs to achieve asymptotic reconstruction of the system states. This provides implementable state estimates for state feedback control and addresses the challenge that some states in practical systems cannot be measured directly.
4. Design of the Luenberger Observer
4.1. Observation of Lumped Disturbances
According to Equation (15), the lumped disturbance term is defined as
In this paper, is measurable while the lumped disturbance is unknown. Assuming that and remain constant within one sampling period, the state equation can be written as
where , , , , , . Therefore, the Luenberger observer can be expressed as
In the equation, , where and represent the observer gains, which reflect the degree to which the observer corrects the observation error, and they are constant values. According to Equations (18) and (19), at time , the estimation error between the state variable and the observed value is defined as
In the equation, . Let . According to the asymptotic stability condition of the observer, when the matrix is a Hurwitz matrix (i.e., all its eigenvalues have negative real parts) [26], the estimation error can asymptotically converge to zero, ensuring the stability of the observer. The corresponding characteristic equation can be expressed as
To ensure stability, the eigenvalues must lie within the unit circle. Let the desired eigenvalue be , i.e., . Substituting into the equation yields the allowable range of values for and :
Figure 8 shows the state flow diagram of the Luenberger observer. As shown in Figure 9, four sets of closed-loop pole distributions are plotted for analysis, with taking values of 0.2, 0.3, 0.4, and 0.5, while increases from 100 to 1000 in steps of 100. When is fixed and increases, the poles initially move away from the real axis, indicating a slower dynamic response, reduced damping ratio, and increased overshoot. As continues to increase and the poles evolve into complex conjugate pairs—moving away from the real axis toward either side—the dynamic response further deteriorates. Eventually, as the poles approach the boundary of the unit circle, system oscillations become apparent.
Figure 8.
State flow diagram of the Luenberger observer.
Figure 9.
Closed-loop pole trajectories under varying gain parameters.
4.2. Adaptive Tuning of the Observer
In conventional designs, the observer gains and are typically predetermined as fixed values based on engineering experience, with the only requirement being that the matrix is a Hurwitz matrix. However, such fixed-parameter approaches heavily depend on the designer’s intuition and fail to adapt to the system’s real-time operating conditions. As a result, it becomes difficult to simultaneously ensure both observation accuracy and response speed under varying operating scenarios. To address this limitation, this paper proposes an adaptive gradient descent method based on gradient direction consistency to enable real-time adjustment of the observer gains and . The gradient descent algorithm is an iterative optimization method that updates parameters by computing the gradient of the objective function and moving in the negative gradient direction, thereby driving the objective function toward its minimum. Its core significance lies in enabling dynamic parameter optimization with relatively low computational cost, providing an efficient and easily implementable solution for system self-adaptive adjustment.
According to the observer model in the literature, the current estimation error is defined as and the disturbance estimation error as , which are expressed as
According to (20), the error dynamics can be expressed as
The Lyapunov function is defined as
According to the Lyapunov stability criterion, is required. The gain update direction is set to be consistent with the negative gradient direction, which is expressed as
where denotes the learning rate, which determines the step size of the parameter update along the negative gradient direction in each iteration. The expression for calculating is:
Based on Equation (27), taking partial derivatives with respect to and yields:
According to Equation (26), the expressions for and are obtained as follows:
4.3. Stability Analysis
Based on the analysis in the previous section, according to Equation (29), the variations in the observer gains and within one switching period are:
To verify the correctness of the proposed adaptive negative gradient method, the discrete Lyapunov function is expanded into a Taylor series at as follows:
where represents the higher-order terms of third order and above. In engineering practice, a small step size is typically used, i.e., , so can be neglected. According to Equation (28), the second-order partial derivatives and mixed second-order partial derivatives of with respect to and are calculated as follows:
Expanding Equation (31) and substituting Equations (28), (30), and (32) into it yields:
Since , can be considered a higher-order infinitesimal term of and therefore can be neglected. Thus, the following can be obtained:
According to the Lyapunov stability theory, if a positive definite Lyapunov function can be found and its derivative is negative definite, then the equilibrium point of the system is asymptotically stable. Therefore, the proposed gradient descent-based parameter adaptive method in this paper is feasible.
To address the issue of fixed learning rates in gradient descent methods that cannot adapt to changes in gradient direction, an improved approach is proposed that relies solely on the dot product between the current and previous gradients. A scalar adaptive parameter is introduced to dynamically adjust the learning rate by assessing gradient direction consistency: the learning rate is increased to accelerate convergence when the gradient directions in two consecutive steps are consistent, and decreased to avoid oscillations when the directions oppose each other. The gradient direction consistency factor is defined as
In the equation, is used to avoid division by zero. According to Equation (35), when the current gradient and the historical gradient directions are consistent, ; when they are opposite, . Applying to the gradient learning rate yields:
In the equation, represents the initial learning rate, and denotes the adaptive intensity coefficient. Substituting Equations (35) and (36) into Equation (26) yields the updated learning rate for as follows:
This paper adopts a small-step learning rate; therefore, substituting Equation (37) into the original learning rate still satisfies the small-step update requirement and ensures Lyapunov stability.
The system includes inductors, low-pass filters, and other inertial components, as well as sampling and modulation stages, all of which introduce an inherent two-step delay. When the duty cycle at time is applied to the system, the corresponding current can only be sampled by the ADC module at time . Meanwhile, the duty cycle calculated at time can only be output by the Carrier Phase-Shifted Pulse Width Modulation (CPS-PWM) modulation module at time . If this delay is not taken into account during controller design, it may lead to degraded control performance—such as increased current ripple—which in turn affects the accuracy of voltage and current prediction. Therefore, as shown in Figure 10, a two-step prediction method is adopted in this paper to compensate for the inherent delay, and the predicted results are incorporated into the cost function. The cost function is a mathematical expression that quantifies the control system’s performance, converting control objectives into optimizable numerical indicators. It guides the controller to determine the optimal switching duty cycle at each control step. The block diagram of the proposed control strategy is illustrated as follows: the discrete-time state-space equations serve as the core of the proposed control strategy. These equations are used both for predicting the future behavior of the system within the MPC framework and for updating the state estimates in the Luenberger observer. Specifically, the current system states—either measured or estimated—are propagated forward using the discrete model described in Equation (19). This equation is utilized at each sampling instant to forecast the system evolution over the prediction horizon. The predicted states are then used to optimize the control input by minimizing a defined cost function, enabling fast and accurate response to dynamic load variations. Current balancing and fast dynamic response are critical for interleaved DC–DC converters. In the proposed control framework, an observer-based predictive control strategy is adopted, in which a Luenberger observer is employed to estimate lumped disturbances in real time, including effects caused by parasitic parameters, thermal variations, and other model uncertainties. These estimated disturbances are compensated within the predictive control model to enhance the accuracy of current prediction and optimize the duty cycle accordingly. A unified control law is applied to all interleaved phases, and combined with a symmetrical hardware structure, the system naturally achieves current balancing without the need for additional current-sharing loops. This approach not only reduces hardware complexity and implementation cost, but also improves robustness against parameter variations and load disturbances, while maintaining fast dynamic response and effective ripple suppression. Furthermore, the use of a discrete-time predictive model allows the controller to anticipate future load changes and adjust the duty cycles accordingly, ensuring fast transient response. As a result, the system can maintain low current ripple, balanced inductor currents, and stable DC output even under dynamic pulsed load conditions.
Figure 10.
Control flowchart of the proposed strategy.
5. Experimental Validation
5.1. Preliminary Validation
To preliminarily validate the proposed strategy, simulations were conducted in the MATLAB/Simulink 2023b environment. The system parameters are listed in Table 2 and Table 3.
Table 2.
Main parameters of the pulsed load.
Table 3.
Experimental system parameters.
After building the system model, a conventional load was applied to observe the rectification performance under normal load conditions. As shown in Figure 11a, before 0.2 s, the DC-side voltage stabilizes near the reference voltage after passing through the rectifier circuit. At this time, the AC-side three-phase current waveform is shown in Figure 11b. The simulation results indicate that each phase current maintains a sinusoidal waveform. The FFT analysis of phase A current in Figure 12a shows a total harmonic distortion (THD) of 1.87%, which is below 5%, meeting the rectification requirements. At 0.2 s, the load was switched to the pulse load listed in Table 2. The DC-side voltage, shown in Figure 11a, fluctuates beyond the allowable range without the compensation circuit. Meanwhile, the three-phase current waveform in Figure 11b becomes distorted after 0.2 s. The FFT analysis of the current after 0.2 s in Figure 12b reveals a THD of 109.74%, far exceeding 5%, indicating that the impact caused by the pulse load is beyond the system’s tolerance.
Figure 11.
The variation trends of the DC voltage and AC current before and after the operation of the pulsed load: (a) DC-side voltage, (b) AC-side current.
Figure 12.
FFT analysis of phase-a current: (a) under normal load, (b) under pulsed load.
In the DC side of the system, a parallel DC–DC converter is employed to compensate for the AC component of the pulsating current. Four control strategies are implemented for the Power Pulsation Buffer (PPB) to track the pulsating current: PI control, conventional Model Predictive Control (MPC), MPC with a fixed-gain Luenberger observer, and the proposed gradient-adaptive Luenberger observer-based MPC.
PI control, as a conventional method widely used in DC–DC converters, must ensure both fast tracking response and limited overshoot to avoid degrading the tracking performance. As shown in Figure 13, a comparison of the total input current reveals that, to maintain a fast tracking response, PI control introduces a significant overshoot, resulting in visibly uneven current distribution over time. To mitigate this overshoot, MPC is adopted to improve the control performance. By predicting the current variation in the upcoming switching period, MPC enables more accurate tracking. However, conventional MPC neglects the impact of parasitic parameters, leading to a noticeable tracking offset and suboptimal decoupling performance. To address this issue, a fixed-gain Luenberger observer is integrated into the MPC algorithm to estimate lumped disturbances, including parasitic effects. While this combination improves tracking accuracy, the fixed observer gain limits the adaptability of the convergence speed, resulting in relatively large fluctuations in the actual tracking current. In contrast, the proposed control strategy incorporating a gradient-adaptive Luenberger observer achieves minimal overshoot and smoother current response, significantly enhancing the tracking performance of the pulsating reference current.
Figure 13.
Simulated inductor current waveforms under four control strategies: (a) PI control; (b) conventional MPC; (c) MPC with fixed-gain Luenberger observer; (d) proposed control strategy.
Figure 14a presents the waveform of the three-phase interleaved inductor currents under the proposed strategy. The enlarged view clearly shows each phase current shifting 120° apart, achieving effective current sharing, which initially verifies the superiority of the proposed tracking strategy over other methods.
Figure 14.
Three-phase interleaved inductor currents and energy storage capacitor voltage waveforms: (a) three-phase interleaved inductor currents; (b) energy storage capacitor voltage.
Figure 14b shows the waveform of the energy storage capacitor voltage. It can be observed that under the control flow described in Figure 10, the system not only achieves accurate tracking of the pulsating current but also maintains a periodic voltage profile. This ensures continuous decoupling and enhances overall system stability.
Figure 15a illustrates the waveform of the DC load voltage under pulsed load conditions after applying the proposed control strategy in the PPB. It can be observed that once the compensation circuit is activated, fluctuates within the allowable error margin of the reference voltage, thereby meeting the design requirements. Figure 15b presents the three-phase AC current waveforms on the rectifier side after the compensation circuit becomes active. According to the FFT analysis shown in Figure 16, the total harmonic distortion (THD) of the current is 3.97%, which is below the 5% threshold commonly accepted in engineering applications. This confirms the effectiveness and correctness of the proposed control strategy.
Figure 15.
Waveform of the DC voltage and AC current after compensation: (a) DC-side voltage waveform; (b) AC-side current waveform.
Figure 16.
FFT analysis of phase-a current after compensation.
To enhance the generalizability of the experimental results, Figure 17, Figure 18, Figure 19 and Figure 20 present the variations in DC voltage and AC current under Condition 2 (as defined in Table 2), before and after PPB compensation, as well as a comparison of current tracking performance under four different control strategies. As shown in Figure 17a, without PPB operation, the DC-side voltage exhibits significant fluctuations. Likewise, severe distortion appears in the AC current waveform in Figure 17b, indicating that Condition 2 imposes substantial adverse effects on the system in the absence of compensation. Figure 18 illustrates the current tracking performance of the PPB under four control strategies. It can be observed that the proposed method achieves the smallest current ripple and the most accurate tracking performance among all cases. Figure 19 shows the compensated waveforms of DC voltage and AC current after PPB operation. As seen in Figure 19a, the DC bus voltage fluctuates within a narrow range around 500 V, and the three-phase currents in Figure 19b approach ideal sinusoidal waveforms. Finally, Figure 20 presents the FFT analysis of the phase-A current. The total harmonic distortion (THD) is calculated to be 4.59%, which is below 5%, meeting engineering standards.
Figure 17.
DC voltage and AC current waveforms under condition 2 without PPB operation: (a) DC-side voltage; (b) AC-side current.
Figure 18.
Simulated inductor current waveforms under four control strategies under condition 2: (a) PI control; (b) conventional MPC; (c) MPC with fixed-gain Luenberger observer; (d) proposed control strategy.
Figure 19.
DC voltage and AC current waveforms under condition 2 with PPB operation: (a) DC-side voltage; (b) AC-side current.
Figure 20.
FFT analysis of phase-a current after compensation under condition 2.
Table 4 presents the current tracking performance of different control strategies under two operating conditions in the simulation environment. Through data comparison, it can be observed that the proposed control strategy achieves the lowest current ripple in both conditions, preliminarily validating its effectiveness and generalizability.
Table 4.
Current comparison under two operating conditions with different control strategies.
5.2. Experimental Validation
To further validate the effectiveness of the proposed parameter-adaptive Luenberger observer combined with model predictive control (MPC), an experimental platform with an external pulsed load was established, as shown in Figure 21. A three-phase interleaved bidirectional buck-boost DC–DC power buffer was connected in parallel at the output of the rectifier system. The experimental parameters are listed in Table 3. To ensure feasibility, the pulsed power in condition 1 and condition 2 was set to 20 kW and 11 kW, respectively, while the other parameters in both conditions remained consistent with those listed in Table 2.
Figure 21.
Experimental prototype.
The experimental platform adopts the TMS320F28377D microcontroller (Texas Instruments) as the main controller. The switching devices are IPW60R037CSFD MOSFETs. The control and sampling frequency is set to 20 kHz. A Tektronix MSO 3014 oscilloscope is used for waveform measurement. A pulse generator (model: iT6030C-80-900) is used to simulate pulsed load conditions.
When the pulsed load is applied and the power buffer (PPB) is not in operation, the DC-side voltage and AC-side current waveforms are shown in Figure 22. Due to the limited regulation capability of the rectifier system, it fails to maintain the DC-side voltage within the acceptable engineering range. Specifically, the fluctuation range of reaches 185 V, which does not meet the design requirements. Moreover, under the continuous impact of the pulsed power, the three-phase current waveforms in Figure 22 exhibit severe distortion, indicating that the pulsed load imposes a significant disturbance on the system.
Figure 22.
DC-side voltage and AC-side current waveforms under pulsed load conditions.
After the power buffer (PPB) is activated, the AC component of the pulsed current is used as the reference, and the switching states of the PPB are controlled accordingly for current tracking. Four control strategies are implemented for comparison, as illustrated in Figure 23. During the reference current steady-state period, by comparing the peak-to-valley difference in the actual current tracking process, it can be observed that when using PI control to track the pulsating current, the actual total current exhibits significant overshoot in each pulse cycle, and the current distribution is uneven, resulting in moderate tracking performance. Under conventional model predictive control (MPC), parasitic parameters lead to a steady deviation between the actual tracking current and the reference signal, along with pronounced disturbances during the tracking process, indicating unsatisfactory performance. When a fixed-gain Luenberger observer is combined with MPC for current tracking, the inability to adaptively adjust the observer’s convergence speed causes large current fluctuations during tracking. In contrast, the proposed control strategy enables uniform current distribution without noticeable overshoot. Experimental results demonstrate that among the four strategies, the proposed method achieves the most accurate current tracking and the most uniform current distribution, confirming its clear advantages over the others.
Figure 23.
Simulated inductor current waveforms under four control strategies: (a) PI control; (b) conventional MPC; (c) MPC with fixed-gain Luenberger observer; (d) proposed control strategy.
Figure 24 shows the enlarged waveforms of the three-phase interleaved inductor currents under the proposed control strategy. Each phase current is shifted by 120°, achieving effective current sharing. Figure 24 also presents the voltage waveform of the energy storage capacitor during the decoupling process, which varies periodically with the pulsed load cycle, ensuring continuous decoupling of the pulsed power.
Figure 24.
Three-phase interleaved inductor current waveforms and compensated energy storage capacitor voltage waveforms.
Figure 25 presents the DC-side voltage waveform after the proposed compensation circuit is applied under pulsed load conditions. The DC-side voltage remains within 1% of the reference voltage, indicating effective regulation. Additionally, the three-phase current waveforms shown in the figure closely approximate sinusoidal waveforms after the compensation circuit is introduced, meeting practical engineering requirements.
Figure 25.
DC-side voltage and AC-side current waveforms after compensation.
Under Condition 2, Figure 26, Figure 27 and Figure 28 illustrate the variations in DC voltage and AC current during the experiment, along with a comparison of current tracking performance under four different control strategies. As shown in Figure 26a, due to the continuous impact of the pulsed load, the system is unable to withstand the disturbance on its own, resulting in severe fluctuations in the DC current. The drastic variation in output power also leads to fluctuations in input power, causing significant distortion in the AC current waveform, as shown in Figure 26b. To alleviate the stress on the system, current tracking control is applied to the PPB. Figure 27 shows the current waveforms of the PPB under the four control strategies. It can be observed that the proposed strategy once again demonstrates superior performance, achieving the smallest current ripple. Figure 28 presents the compensated waveforms of DC voltage and AC current under Condition 2 after PPB operation. The DC voltage fluctuation range is within 5 V, and the AC current waveform is approximately sinusoidal, meeting practical engineering requirements.
Figure 26.
DC-side voltage and AC-side current waveforms under pulsed load conditions in condition 2: (a) DC-side voltage; (b) AC-side current.
Figure 27.
Simulated inductor current waveforms under four control strategies in condition 2: (a) PI control; (b) conventional MPC; (c) MPC with fixed-gain Luenberger observer; (d) proposed control strategy.
Figure 28.
DC-side voltage and AC-side current waveforms under pulsed load conditions in condition 2 with PPB operation: (a) DC-side voltage; (b) AC-side current.
Table 5 presents the current tracking performance of different control strategies under two operating conditions in the experimental environment. Through data comparison, it can be observed that the proposed control strategy consistently achieves the lowest current ripple in both conditions, demonstrating its effectiveness and generalizability.
Table 5.
Experimental comparison of currents under different control strategies in two operating conditions.
6. Discussion
Under higher pulsed power load conditions, the larger peak-to-valley current difference leads to sharper current transitions. During the rapid rise and fall of the current, the fixed parameter value of the energy storage inductor may result in the inductor current failing to promptly track the reference pulsating current, thereby causing significant voltage fluctuations on the DC bus , which may not meet engineering requirements. To mitigate this issue, the component parameters should be selected based on the worst-case scenario across all expected pulsed load conditions. Specifically, increasing the output capacitance on the DC side can provide additional voltage support and reduce DC bus voltage ripple. Furthermore, to suppress current ripple during the PPB current tracking process, the design of should take into account both the tracking speed during fast current transients and the magnitude of current ripple. Although increasing the number of phases in the DC–DC converter can improve tracking speed, it also increases the system volume and space requirements. As indicated in [26], when the number of phases exceeds three, the reduction in current ripple becomes marginal. Therefore, the three-phase configuration is considered the optimal choice for this application.
7. Conclusions
To address the issue of power disturbances caused by low-frequency, high-peak pulsed loads in power systems, this paper proposes a control strategy for the power pulsation buffer (PPB) that combines a gradient-adaptive Luenberger observer with Model Predictive Control (MPC), aiming to suppress pulse power fluctuations. The effectiveness of the proposed strategy is validated through both simulation and experimental platforms, leading to the following conclusions:
- (1)
- Low-frequency, high-peak pulsed loads result in continuous current impacts on the DC side, which in turn cause significant disturbances to the AC current waveform and DC voltage. Experimental results show that the Total Harmonic Distortion (THD) of the three-phase current increases sharply when the pulsed load is active, thereby degrading the rectification performance.
- (2)
- Compared with PI control, conventional MPC, and MPC combined with a fixed-gain Luenberger observer, the proposed strategy based on a gradient-adaptive Luenberger observer and MPC not only anticipates current changes in advance to reduce overshoot, but also adaptively adjusts the observer’s convergence speed in real time based on the estimation error, thus improving current prediction accuracy.
- (3)
- Simulation and experimental results demonstrate that the proposed control strategy achieves low current tracking error and uniform current distribution, thereby enhancing current tracking performance.
In summary, the proposed control strategy effectively mitigates the impact of pulsed loads on the rectifier system. After decoupling the pulsed power, the AC side exhibits characteristics nearly identical to those under normal loads, simplifying the controller design of the rectifier system and offering practical value for improving the stability of systems with low-frequency, high-peak pulsed loads.
Author Contributions
Conceptualization, J.Y.; methodology, J.Y. and T.W.; software, T.W.; validation, T.W.; formal analysis, F.Q. and H.H.; investigation, J.Y. and T.W.; resources, J.Y.; data curation, T.W., F.Q. and H.H.; writing—original draft preparation, T.W.; writing—review and editing, J.Y. and T.W.; visualization, F.Q. and H.H.; supervision, J.Y.; project administration, J.Y.; funding acquisition, J.Y. All authors have read and agreed to the published version of the manuscript.
Funding
This research received no external funding.
Data Availability Statement
The data presented in this study are available within the article.
Acknowledgments
The authors would like to express their sincere gratitude to Harbin University of Science and Technology for providing the experimental platform and technical support that facilitated the completion of this research. Special thanks are extended to the staff members who offered assistance during the experimental process.
Conflicts of Interest
The authors declare no conflicts of interest. The funders had no role in the design of the study; in the collection, analyses, or interpretation of data; in the writing of the manuscript; or in the decision to publish the results.
References
- Fair, H.D. The science and technology of electric launch. IEEE Trans. Magn. 2001, 37, 25–32. [Google Scholar] [CrossRef]
- Li, J.; Wang, Y.; Liu, P.; Gui, Y.; Yuan, W.; Xia, S. Experimental Results From Pseudoliquid Armatures Launched by Two-Turn Railgun. IEEE Trans. Plasma Sci. 2011, 39, 80–82. [Google Scholar] [CrossRef]
- Einat, M.; Orbach, Y. A multi-stage 130m/s reluctance linear electromagnetic launcher. Sci. Rep. 2023, 13, 218. [Google Scholar] [CrossRef] [PubMed]
- Xiang, H.; Lei, B.; Li, Z.; Zhao, K. Design and Experiment of Reluctance Electromagnetic Launcher With New-Style Armature. IEEE Trans. Plasma Sci. 2013, 41, 1066–1069. [Google Scholar] [CrossRef]
- Zhang, Y.; Ji, F.; Gao, X.; Wu, C.; Li, H.; Zhang, Q. Optimal Operation Schedule Strategy of High-power Pulsed Loads in Shipboard Power System. J. Electr. Eng. Technol. 2024, 19, 2089–2101. [Google Scholar] [CrossRef]
- Zheng, J.P.; Jow, T.R.; Ding, M.S. Hybrid Power Sources for Pulsed Current Applications. IEEE Trans. Aerosp. Electron. Syst. 2001, 37, 288–292. [Google Scholar] [CrossRef]
- Sun, Y.; Lin, S.; Lu, S.; Zhang, T.; Liu, R. A Study on Power Fluctuation Mechanism of Phased Array Radar Power System. Mod. Radar 2021, 43, 92–99. [Google Scholar]
- Yuan, H.; Li, S.; Qi, W.; Wang, J.; Zhang, M. On Nonlinear Control of Single-Phase Converters With Active Power Decoupling Function. IEEE Trans. Power Electron. 2019, 34, 5903–5915. [Google Scholar] [CrossRef]
- Zhang, Y.; Li, J.; Wang, J.; Zhao, M.; Liu, T. Research on Single-stage Isolated Micro-inverter Based on Power Decoupling. Electr. Drive 2021, 51, 28–34. [Google Scholar]
- Chen, J.; Wu, H.; Zhu, J.; Li, L.; Xing, Y. A Three-Phase AC/DC Power System with Paralleled Active and Passive Rectifiers for Low-Frequency Pulsed Load Applications. In Proceedings of the 2020 IEEE 9th International Power Electronics and Motion Control Conference (IPEMC2020-ECCE Asia), Nanjing, China, 29 November–2 December 2020; pp. 1595–1599. [Google Scholar]
- Ren, K.; Liu, B.; Lu, J.; Zhao, X.; Xu, Y. Enhanced Adaptive Linear Active Disturbance Rejection Control for Shunt APF. J. Xi’an Univ. Technol. 2025, 41, 141–150. [Google Scholar]
- Cheng, Q.; Hu, X.; Cheng, Y.; Wang, L. Current Control Strategy of Active Power Filter Based on the Indefinite Frequency Hysteresis Space Voltage Vector. Electr. Mach. Control 2014, 18, 77–85. [Google Scholar]
- Yang, F.; Li, L.; Zhu, J.; Hu, K.; Tang, Z. A Pulsed Current Compensator and Control Strategy for High Peak-to-Average-Ratio Low Frequency Pulse Load. Mod. Radar 2022, 37, 4193–4201. [Google Scholar]
- Somayajula, D.; Crow, M.L. An Integrated Active Power Filter-Ultracapacitor Design to Provide Intermittency Smoothing and Reactive Power Support to the Distribution Grid. IEEE Trans. Sustain. Energy 2014, 5, 1116–1125. [Google Scholar] [CrossRef]
- Zhu, Z.; Yang, P.; Cao, J.; Li, Q.; Huang, Y. Design and Implementation of Pulsed Load Power Supply With Fast Dynamic Response. Adv. Technol. Electr. Eng. Energy 2019, 38, 13–20. [Google Scholar]
- Meng, K.; Xie, P.; Zhang, L.; Wu, F. Photovoltaic Hybrid Energy Storage System for Pulse Load. Mod. Radar 2019, 41, 84–87. [Google Scholar]
- Wang, Q.; Sun, Y.; Huang, Y. Design of Battery-Ultracapacitor Hybrid Energy Source Applied to Pulse Current Load. J. Zhejiang Univ. (Eng. Sci.) 2015, 49, 1537–1543. [Google Scholar]
- Ren, X.; Bai, L.; Chen, Y.; Liu, Z.; Wang, M. Single-Phase AC-DC Converter With SiC Power Pulsation Buffer for Pulse Load Applications. IEEE J. Emerg. Sel. Top. Power Electron. 2020, 8, 517–528. [Google Scholar] [CrossRef]
- Huang, X.; Ruan, X.; Du, F.; Lin, J.; Wei, M. A Pulsed Power Supply Adopting Active Capacitor Converter for Low-Voltage and Low-Frequency Pulsed Loads. IEEE Trans. Power Electron. 2018, 33, 9219–9230. [Google Scholar] [CrossRef]
- Ao, W.; Chen, J. Model Predictive Control of Four-Switch Buck-Boost Converter for Pulse Power Loads. In Proceedings of the 2021 IEEE International Conference on Predictive Control of Electrical Drives and Power Electronics (PRECEDE), Jinan, China, 20–22 November 2021; pp. 904–908. [Google Scholar]
- Xu, L.; Ma, R.; Xie, R.; Liu, Y.; Chen, Q. Offset-Free Model Predictive Control of Fuel Cell DC–DC Boost Converter With Low-Complexity and High-Robustness. IEEE Trans. Ind. Electron. 2023, 70, 5784–5796. [Google Scholar] [CrossRef]
- Zhang, B.; Zhang, Z.; Wang, T.; Liu, C. An Interleaved Parallel Bidirectional DC/DC Converter for BESS. Acta Energ. Sol. Sin. 2022, 43, 277–283. [Google Scholar]
- Zhang, B.; Dong, S.; Zhu, C.; Wang, X. Composite Control to Suppress Output Fluctuation for Receiver Side of Dynamic Wireless Power Transfer System. IEEE Trans. Power Electron. 2023, 38, 6720–6733. [Google Scholar] [CrossRef]
- Duan, M.; Duan, J.; Sun, L. Sensorless Current-Sharing Scheme for Multiphase DC-DC Boost Converters. IEEE Trans. Power Electron. 2023, 38, 1398–1405. [Google Scholar] [CrossRef]
- Yue, G.; Zhang, Z.; Du, G.; Hu, X. Control Strategy of Bidirectional DC-DC Converter for Energy Storage Battery. Trans. China Electrotech. Soc. 2025, 1–12. [Google Scholar]
- Yu, X.; Yang, Y.; Xu, L.; Zhao, K. Luenberger Disturbance Observer-Based Deadbeat Predictive Control for Interleaved Boost Converter. Symmetry 2022, 14, 924. [Google Scholar] [CrossRef]
- Chae, S.; Song, Y.; Park, S.; Jeong, H. Digital Current Sharing Method for Parallel Interleaved DC–DC Converters Using Input Ripple Voltage. IEEE Trans. Ind. Inform. 2012, 8, 536–544. [Google Scholar] [CrossRef]
- Min, B.-S.; Park, N.-J.; Hyun, D.-S. A Novel Current Sharing Technique for Interleaved Boost Converter. In Proceedings of the IEEE Power Electronics Specialists Conference, Orlando, FL, USA, 17–21 June 2007; pp. 2658–2663. [Google Scholar]
- Liu, G.; Zhou, W.; Wu, Q.; Fu, Y.; Wang, M. A Sensorless Current Balance Control Method for Interleaved Boost Converter. In Proceedings of the 2020 IEEE Applied Power Electronics Conference and Exposition (APEC), New Orleans, LA, USA, 15–19 March 2020; pp. 3019–3023. [Google Scholar]
- Shan, Y.; Hu, J.; Chan, K.W.; Fu, Q.; Guerrero, J.M. Model Predictive Control of Bidirectional DC–DC Converters and AC/DC Interlinking Converters—A New Control Method for PV-Wind-Battery Microgrids. IEEE Trans. Sustain. Energy 2019, 10, 1823–1833. [Google Scholar] [CrossRef]
- Li, N.; Cao, Y.; Liu, X.; Zhang, Y.; Wang, R.; Jiang, L.; Zhang, X. An Improved Modulation Strategy for Single-Phase Three-Level Neutral-Point-Clamped Converter in Critical Conduction Mode. J. Mod. Power Syst. Clean Energy 2024, 12, 981–990. [Google Scholar] [CrossRef]
- Cheng, Z.; Li, L.; Zhong, C.; Wang, J.; Bai, X.; Liu, J. Adaptive Nonlinear Active Disturbance Rejection Current Controller for Distributed Generation System Considering Uncertain Ripples. IEEE Trans. Power Electron. 2025, 40, 4984–4996. [Google Scholar] [CrossRef]
- Wang, Q.; Luo, R.; Wang, Y.; Fang, W.; Jiang, L.; Liu, Y.; Niu, G. Set/Reset Bilaterally Controllable Resistance Switching Ga-doped Ge2Sb2Te5 Long-Term Electronic Synapses for Neuromorphic Computing. Adv. Funct. Mater. 2023, 33, 2213296. [Google Scholar] [CrossRef]
- Wang, S.; Cheng, Q.; Shangguan, B.; Ma, J.; Jiao, N.; Liu, T. Accurate and Continuous Reactive Power Control of Three-Terminal Hybrid DC Transmission System. IEEE Trans. Power Deliv. 2025, 40, 30–40. [Google Scholar] [CrossRef]
Disclaimer/Publisher’s Note: The statements, opinions and data contained in all publications are solely those of the individual author(s) and contributor(s) and not of MDPI and/or the editor(s). MDPI and/or the editor(s) disclaim responsibility for any injury to people or property resulting from any ideas, methods, instructions or products referred to in the content. |
© 2025 by the authors. Licensee MDPI, Basel, Switzerland. This article is an open access article distributed under the terms and conditions of the Creative Commons Attribution (CC BY) license (https://creativecommons.org/licenses/by/4.0/).



























