AFD-YOLOv10: A Lightweight Method for Non-Destructive Testing of Fusion Weld Seam Defects
Abstract
1. Introduction
- The traditional convolution SCDown in the backbone network of YOLOv10n is replaced with a variable kernel convolution AKConv, which enhances the adaptability to multi-scale variations of X-ray weld defects while maintaining the model’s lightweight nature.
- The lightweight C2f-Faster module is incorporated into both the backbone and neck networks, thereby reducing redundant computations and memory access, resulting in a more lightweight model.
- The DySample module is integrated into the neck network of YOLOv10n, which enhances detection speed while improving the accuracy of defect detection.
- Comparative experiments are conducted on the GDXray weld defect dataset with different models, demonstrating that the improved model can achieve efficient and high-precision X-ray WDD. Additionally, to evaluate the generalization capability of the proposed algorithm, experiments were performed using the NEU-DET public dataset for steel surface defects, which verified that the enhanced algorithm exhibits strong generalization ability.
2. Related Work
2.1. Traditional Machine Vision Methods for Weld Defects
2.2. Deep Learning-Based Weld Defect Methods
3. Basic Principles
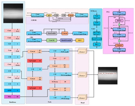
3.1. YOLOv10n Network Structure
3.2. YOLOv10n Algorithm Improvements
3.2.1. AKConv Variable Kernel Convolution
3.2.2. C2f-Faster Module
3.2.3. DySample Module
4. Experimental Results and Analysis
4.1. Dataset Collection and Processing
4.2. Experimental Configuration
4.3. Evaluation Metrics
4.4. Ablation Experiments
4.5. Comparison of the Improved Model with the Original Model
4.6. Comparison Experiments and Visualization Analysis of Different Models
4.7. Generalization Experiment
5. Conclusions
Author Contributions
Funding
Data Availability Statement
Acknowledgments
Conflicts of Interest
References
- Li, L.L.; Ren, J.; Wang, P.; Lv, Z.G.; Di, R.H.; Li, X.Y.; Gao, H.; Zhao, X.M. Defect detection method for high-resolution weld based on wandering Gaussian and multi-feature enhancement fusion. Mech. Syst. Sig. Process. 2023, 199, 110484. [Google Scholar] [CrossRef]
- Liu, X.Y.; Liu, J.H.; Zhang, H.Q.; Zhang, H.G.; Shen, X.K. DGICR-Net: Dual-Graph Interactive Consistency Reasoning Network for Weld Defect Recognition with Limited Labeled Samples. IEEE Trans. Instrum. Meas. 2024, 73, 4503612. [Google Scholar] [CrossRef]
- Zuo, F.; Liu, J.; Zhao, X.; Chen, L.; Wang, L. An X-ray-based automatic welding defect detection method for special equipment system. IEEE-ASME Trans. Mechatron. 2023, 29, 2241–2252. [Google Scholar] [CrossRef]
- Yang, D.M.; Cui, Y.R.; Yu, Z.Y.; Yuan, H.Q. Deep learning based steel pipe weld defect detection. Appl. Artif. Intell. 2021, 35, 1237–1249. [Google Scholar] [CrossRef]
- Xu, L.H.; Dong, S.H.; Wei, H.T.; Peng, D.H.; Qian, W.C.; Ren, Q.Y.; Wang, L.M.; Ma, Y.D. Intelligent identification of girth welds defects in pipelines using neural networks with attention modules. Eng. Appl. Artif. Intell. 2024, 127, 107295. [Google Scholar] [CrossRef]
- Khedr, M.; Wei, L.; Na, M.; Liu, W.Q.; Jin, X.J. Effects of increasing the strain rate on mechanical twinning and dynamic strain aging in Fe-12.5Mn-1.1C and Fe–24Mn-0.45C–2Al austenitic steels. Mat. Sci. Eng. A-Struct. 2022, 842, 143024. [Google Scholar] [CrossRef]
- Mohandas, R.; Mongan, P.; Hayes, M. Ultrasonic Weld Quality Inspection Involving Strength Prediction and Defect Detection in Data-Constrained Training Environments. Sensors 2024, 24, 6553. [Google Scholar] [CrossRef]
- Zhang, R.; Liu, D.H.; Bai, Q.F.; Fu, L.H.; Hu, J.; Song, J.L. Research on X-ray weld seam defect detection and size measurement method based on neural network self-optimization. Eng. Appl. Artif. Intell. 2024, 133, 108045. [Google Scholar] [CrossRef]
- Tang, S.Y.; Gao, X.R.; Tian, K.; Zhang, Q.; Zhang, X.; Peng, J.P.; Guo, J.Q. Non-destructive evaluation of weld defect with coating using electromagnetic induction thermography. Nondestruct. Test. Eval. 2024, 39, 347–365. [Google Scholar] [CrossRef]
- Chen, Y.H.; Chen, B.; Yao, Y.Z.; Tan, C.W.; Feng, J.C. A spectroscopic method based on support vector machine and artificial neural network for fiber laser welding defects detection and classification. NDT E Int. 2019, 108, 102176. [Google Scholar] [CrossRef]
- Wang, Y.; Guo, H. Weld defect detection of X-ray images based on support vector machine. IETE Technol. Rev. 2014, 31, 137–142. [Google Scholar] [CrossRef]
- Ajmi, C.; Zapata, J.; Elferchichi, S.; Laabidi, K. Advanced faster-RCNN model for automated recognition and detection of weld defects on limited X-ray image dataset. J. Nondestr. Eval. 2024, 43, 14. [Google Scholar] [CrossRef]
- Ren, S.Q.; He, K.M.; Girshick, R.; Sun, J. Faster R-CNN: Towards real-time object detection with region proposal networks. Adv. Neural Inf. Process. Syst. 2016, 39, 1137–1149. [Google Scholar] [CrossRef]
- Liu, W.; Anguelov, D.; Erhan, D.; Szegedy, C.; Reed, S.; Cheng, Y.F. Ssd: Single shot multibox detector. In Proceedings of the Computer Vision–ECCV 2016: 14th European Conference, Amsterdam, The Netherlands, 11–14 October 2016; pp. 21–37. [Google Scholar]
- Li, K.N.; Jiao, P.G.; Ding, J.M.; Du, W.B. Bearing defect detection based on the improved YOLOv5 algorithm. PLoS ONE 2024, 19, e0310007. [Google Scholar] [CrossRef] [PubMed]
- Szolosi, J.; Szekeres, B.J.; Magyar, P.; Adrian, B.; Farkas, G.; Ando, M. Welding defect detection with image processing on a custom small dataset: A comparative study. IET CIM. 2024, 6, e70005. [Google Scholar] [CrossRef]
- Li, X.Q.; Liu, P.Y.; Yin, G.F.; Jiang, H.H. Weld defect detection by X-ray images method based on Fourier fitting surface. Trans. China Weld. Inst. 2014, 35, 61–64. [Google Scholar]
- Malarvel, M.; Singh, H. An autonomous technique for weld defects detection and classification using multi-class support vector machine in X-radiography image. Optik 2021, 231, 166342. [Google Scholar] [CrossRef]
- Sun, J.; Li, C.; Wu, X.J.; Palade, V.; Fang, W. An effective method of weld defect detection and classification based on machine vision. IEEE Trans. Ind. Inform. 2019, 15, 6322–6333. [Google Scholar] [CrossRef]
- Chen, Y.B.; Wang, J.R.; Wang, G.T. Intelligent Welding Defect Detection Model on Improved R-CNN. IETE J. Res. 2022, 69, 9235–9244. [Google Scholar] [CrossRef]
- Xu, L.S.; Dong, S.H.; Wei, H.T.; Ren, Q.Y.; Huang, J.W.; Liu, J.Y. Defect signal intelligent recognition of weld radiographs based on YOLO V5-IMPROVEMENT. J. Manuf. Processes. 2023, 99, 373–381. [Google Scholar] [CrossRef]
- Shi, L.K.; Zhao, S.Y.; Niu, W.F. A welding defect detection method based on multiscale feature enhancement and aggregation. Nondestr. Test. Eval. 2024, 39, 1295–1314. [Google Scholar] [CrossRef]
- Han, Z.L.; Li, S.S.; Chen, X.M.; Huang, B.C.; Sun, J.; Zhang, Q.G. DFW-YOLO: YOLOv5-based algorithm using phased array ultrasonic testing for weld defect recognition. Nondestr. Test. Eval. 2024, 40, 2516–2539. [Google Scholar] [CrossRef]
- Ding, B.D.; Zhang, H.M.; Huang, Z.H.; Ding, S.Z. Data enhanced YOLOv8s algorithm for X-ray weld defect detection. Nondestructive. Nondestr. Test. Eval. 2024, 41, 1–24. [Google Scholar] [CrossRef]
- Yang, J.; Fu, B.; Zeng, J.Q.; Wu, S.X. Yolo-xweld: Efficiently detecting pipeline welding defects in x-ray images for constrained environments. In Proceedings of the International Joint Conference on Neural Networks (IJCNN), Padua, Italy, 18–23 July 2022; pp. 1–7. [Google Scholar] [CrossRef]
- Liu, M.Y.; Chen, Y.P.; Xie, J.M.; He, L.; Zhang, Y. LF-YOLO: A lighter and faster yolo for weld defect detection of X-ray image. IEEE Sens. J. 2023, 23, 7430–7439. [Google Scholar] [CrossRef]
- Zhang, Y.; Ni, Q.J. A novel weld-seam defect detection algorithm based on the s-yolo model. Axioms 2023, 12, 697. [Google Scholar] [CrossRef]
- Wang, A.; Chen, H.; Liu, L.H.; Chen, K.; Lin, Z.J.; Han, J.G.; Ding, G.G. Yolov10: Real-time end-to-end object detection. Adv. Neural Inf. Process Syst. 2024, 37, 107984–108011. [Google Scholar]
- Zhu, J.C.; Ma, C.H.; Rong, J.; Cao, Y. Bird and UAVs Recognition Detection and Tracking Based on Improved YOLOv9-DeepSORT. IEEE Access. 2024, 12, 147942–147957. [Google Scholar] [CrossRef]
- Wang, J.W.; Cao, Y.; Guo, Z.K.; Xu, C. Research on long-distance snow depth measurement Method based on improved YOLOv8. IEEE Access. 2025, 13, 55370–55380. [Google Scholar] [CrossRef]
- Chen, J.; Kao, S.H.; He, H.; Zhuo, W.; Wen, S.; Lee, C.H.; Chan, S.H.G. Run, Don’t Walk: Chasing Higher FLOPS for Faster Neural Networks. In Proceedings of the IEEE/CVF Conference on Computer Vision and Pattern Recognition, Vancouver, BC, Canada, 17–24 June 2023; pp. 12021–12031. [Google Scholar]
- Fu, R.G.; Hu, Q.Y.; Dong, X.H.; Gao, Y.H.; Li, B.; Zhong, P. Lighten CARAFE: Dynamic Lightweight Upsampling with Guided Reassemble Kernels. In Proceedings of the International Conference on Pattern Recognition, Kolkata, India, 1–5 December 2024; pp. 383–399. [Google Scholar]
- Mery, D.; Riffo, V.; Zscherpel, U.; Mondragon, G.; Lillo, L.; Zuccar, L.; Lobel, H.; Carrasco, M. GDXray: The database of X-ray images for nondestructive testing. J. Nondestr. Eval. 2015, 34, 42. [Google Scholar] [CrossRef]
- Hu, H.Y.; Tong, J.W.; Wang, H.B.; Lu, X.Y. EAD-YOLOv10: Lightweight Steel Surface Defect Detection Algorithm Research Based on YOLOv10 Improvement. IEEE Access. 2025, 13, 55382–55397. [Google Scholar] [CrossRef]
- Khedr, M.; Wei, L.; Na, M.; Yu, L.; Jin, X.J. Evolution of Fracture Mode in Nano-twinned Fe-1.1C-12.5Mn Steel. Jom 2019, 71, 1338–1348. [Google Scholar] [CrossRef]















| Name | Configuration |
|---|---|
| CPU | R7-7435H |
| GPU | NVIDIA GeForce RTX4050 |
| GPU memory | 16 G |
| Operating System | Windows11 |
| CUDNN | 8.5.0 |
| CUDA | 11.8 |
| Python | 3.11 |
| PyTorch | 2.0.1 |
| NO | Model | P (%) | R (%) | mAP@50 | Params (M) | GFLOPs | FPS (f/s) |
|---|---|---|---|---|---|---|---|
| 1 | YOLOv10n | 85.8 | 84.7 | 88.5 | 2.75 | 8.9 | 78.7 |
| 2 | YOLOv10 + AKConv | 89.1 | 88.4 | 92.4 | 2.73 | 8.6 | 79.2 |
| 3 | YOLOv10 + C2f-Faster | 85.4 | 84.2 | 88.1 | 2.54 | 7.4 | 87.9 |
| 4 | YOLOv10 + DySample | 88.9 | 87.8 | 91.6 | 2.74 | 8.8 | 79.5 |
| 5 | YOLOv10 + AKConv + C2f-Faster | 88.3 | 87.9 | 92.1 | 2.51 | 7.3 | 88.6 |
| 6 | YOLOv10 + C2f-Faster + DySample | 88.7 | 87.2 | 91.5 | 2.49 | 7.2 | 88.7 |
| 7 | YOLOv10 + AKConv + DySample | 91.8 | 88.3 | 93.9 | 2.71 | 8.4 | 80.2 |
| 8 | AFD-YOLOv10(present work) | 90.7 | 88.8 | 93.8 | 2.47 | 6.8 | 89.1 |
| Model | P (%) | R (%) | mAP@50 | Params (M) | GFLOPs/G | FPS (f/s) |
|---|---|---|---|---|---|---|
| Faster R-CNN | 87.1 | 83.6 | 90.1 | 29.6 | 87.3 | 19.5 |
| SSD | 80.1 | 74.4 | 81.4 | 10.3 | 21.6 | 57.2 |
| YOLOv3-tiny | 83.4 | 79.3 | 84.9 | 4.88 | 14.5 | 65.7 |
| YOLOv5n | 83.6 | 79.5 | 85.9 | 2.91 | 9.3 | 75.4 |
| YOLOv8n | 84.4 | 85.1 | 86.5 | 3.47 | 11.5 | 69.2 |
| YOLOv9t | 83.8 | 81.6 | 85.2 | 5.42 | 15.1 | 63.4 |
| YOLOv10n | 85.9 | 84.7 | 88.5 | 2.75 | 8.9 | 78.7 |
| AFD-YOLOv10 (present work) | 90.7 | 88.8 | 93.8 | 2.47 | 6.8 | 89.1 |
| Model | Crack | Lack of Fusion | Lack of Penetration | Porosity | Slag Inclusion |
|---|---|---|---|---|---|
| Faster R-CNN | 0.828 | 0.857 | 0.937 | 0.914 | 0.917 |
| SSD | 0.746 | 0.662 | 0.92 | 0.848 | 0.887 |
| YOLOv3-tiny | 0.884 | 0.795 | 0.771 | 0.886 | 0.908 |
| YOLOv5n | 0.842 | 0.779 | 0.912 | 0.882 | 0.878 |
| YOLOv8n | 0.775 | 0.813 | 0.925 | 0.908 | 0.912 |
| YOLOv9t | 0.829 | 0.814 | 0.907 | 0.869 | 0.884 |
| YOLOv10n | 0.784 | 0.834 | 0.95 | 0.924 | 0.936 |
| AFD-YOLOv10(present work) | 0.916 | 0.917 | 0.974 | 0.942 | 0.939 |
| Model | P (%) | R (%) | mAP@50 | Params (M) | GFLOPs/G | FPS (f/s) |
|---|---|---|---|---|---|---|
| YOLOv10n | 83.6 | 85.8 | 86.6 | 2.81 | 9.3 | 74.6 |
| AFD-YOLOv10(present work) | 88.2 | 91.1 | 92.5 | 2.57 | 7.1 | 86.3 |
Disclaimer/Publisher’s Note: The statements, opinions and data contained in all publications are solely those of the individual author(s) and contributor(s) and not of MDPI and/or the editor(s). MDPI and/or the editor(s) disclaim responsibility for any injury to people or property resulting from any ideas, methods, instructions or products referred to in the content. |
© 2025 by the authors. Licensee MDPI, Basel, Switzerland. This article is an open access article distributed under the terms and conditions of the Creative Commons Attribution (CC BY) license (https://creativecommons.org/licenses/by/4.0/).
Share and Cite
Geng, R.; Wang, H.; Hu, H.; Shi, T. AFD-YOLOv10: A Lightweight Method for Non-Destructive Testing of Fusion Weld Seam Defects. Symmetry 2025, 17, 886. https://doi.org/10.3390/sym17060886
Geng R, Wang H, Hu H, Shi T. AFD-YOLOv10: A Lightweight Method for Non-Destructive Testing of Fusion Weld Seam Defects. Symmetry. 2025; 17(6):886. https://doi.org/10.3390/sym17060886
Chicago/Turabian StyleGeng, Ranran, Haibin Wang, Haoyan Hu, and Teng Shi. 2025. "AFD-YOLOv10: A Lightweight Method for Non-Destructive Testing of Fusion Weld Seam Defects" Symmetry 17, no. 6: 886. https://doi.org/10.3390/sym17060886
APA StyleGeng, R., Wang, H., Hu, H., & Shi, T. (2025). AFD-YOLOv10: A Lightweight Method for Non-Destructive Testing of Fusion Weld Seam Defects. Symmetry, 17(6), 886. https://doi.org/10.3390/sym17060886

