Cold Chain Logistics Center Layout Optimization Based on Improved Dung Beetle Algorithm
Abstract
1. Introduction
2. Literature Review
3. Layout Optimization Modeling
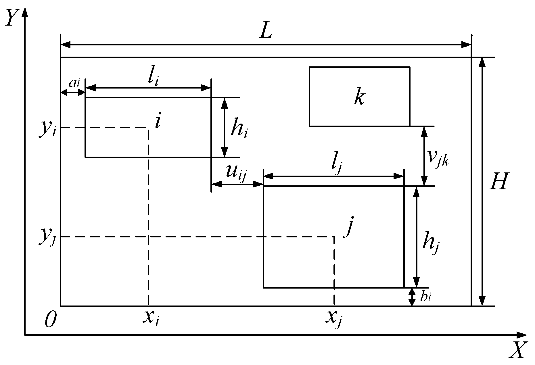
3.1. Problem Description
3.2. Objective Function
3.3. Constraints
4. Solution Algorithm of the Model
4.1. Standard DBO Algorithm
- (1)
- Rolling Behavior
- (2)
- Reproduction Behavior
- (3)
- Foraging Behavior
- (4)
- Theft Behavior
4.2. Improved DBO Algorithm
- (1)
- Chebyshev Chaos Initialization Population
- (2)
- Adaptive Gaussian–Cauchy Hybrid Mutation Disturbance Strategy
5. Case Applications
5.1. Case Overview
5.2. Optimization Solution
5.2.1. Parameter Determination
5.2.2. Comparison of Results
6. Discussion and Conclusions
Author Contributions
Funding
Data Availability Statement
Conflicts of Interest
References
- Yun, F.; Behdani, B.; Jacqueline, M.B.R. Refer logistics and cold chain transport: A systematic review and multi-actor system analysis of an un-explored domain. Eur. J. Transp. Infrastruct. Res. 2020, 20, 1–35. [Google Scholar]
- Yang, B.; Han, J.W.; Yang, L.; Ren, Q.S.; Yang, X.T. Evaluation system of China’s low-carbon cold chain logistics development level. Smart Agric. 2023, 5, 44–51. [Google Scholar]
- Wu, Y. Warehouse layout optimization based on EIQ model. Intern. Int. Core J. Eng. 2022, 8, 153–159. [Google Scholar]
- Wang, X.G.; Yin, Y.; Liang, C.; Chen, J.Q. Research on the Layout of Metro Logistics Distribution Center Based on SLP. In Proceedings of the International Conference on Smart Manufacturing, Industrial & Logistics Engineering (SMILE), Chengdu, China, 17 November 2023. [Google Scholar]
- Zhang, X.L. Optimization design of railway logistics center layout based on mobile cloud edge computing. PeerJ Comput. Sci. 2023, 9, e1298. [Google Scholar] [CrossRef]
- Chen, T.L.; Chen, J.C.; Huang, C.F.; Chang, P.C. Solving the layout design problem by simulation-optimization approach—A case study on a sortation conveyor system. Simul. Model. Pract. Theory 2021, 106, 102192. [Google Scholar] [CrossRef]
- Li, W.K.; Lim, K.Y.H.; Huynh, B.H.; Akhtar, H. Facility Layout Optimization in Fast Moving Consumer Goods (FMCG) Industry. In Implementing Industry 4.0: The Model Factory as the Key Enabler for the Future of Manufacturing; Springer: Berlin/Heidelberg, Germany, 2021; Volume 202, pp. 313–335. [Google Scholar]
- Jiang, F.; Li, L.; Tang, Y.M.; Zhang, H.L.; Liu, X.P. A Facility Layout Algorithm for Logistics Scenarios Driven by Transport Lines. Appl. Sci. 2023, 13, 7215. [Google Scholar] [CrossRef]
- Hu, X.L.; Chuang, Y.F. E-commerce warehouse layout optimization: Systematic layout planning using a genetic algorithm. Electron. Commer. Res. 2023, 23, 97–114. [Google Scholar] [CrossRef]
- Han, Q.H. Research on the construction of cold chain logistics intelligent system based on 5 g ubiquitous internet of things. J. Sens. 2021, 2021, 1–11. [Google Scholar] [CrossRef]
- He, Y.; Liu, M. Research on sustainable development of agricultural product cold chain logistics under public safety emergencies. Front. Sustain. Food Syst. 2023, 7, 1174221. [Google Scholar] [CrossRef]
- Liu, Z.; Guo, H.X.; Zhao, Y.J.; Hu, B.; Shi, L.H.; Lang, L.L.; Huang, B.T. Research on the optimized route of cold chain logistics transportation of fresh products in context of energy-saving and emission reduction. Math. Biosci. Eng. 2021, 18, 1926–1940. [Google Scholar] [CrossRef]
- Xu, B.; Sun, J.; Zhang, Z.M.; Gu, R. Research on cold chain logistics transportation scheme under complex conditional constraints. Sustainability 2023, 15, 8431. [Google Scholar] [CrossRef]
- Moghaddasi, B.; Majid, A.S.G.; Mohammadnazari, Z.; Aghsami, A.; Rabbani, M. A green routing-location problem in a cold chain logistics network design within the Balanced Score Card pillars in fuzzy environment. J. Comb. Optim. 2023, 45, 129. [Google Scholar] [CrossRef]
- Sun, D.; Hu, X.; Liu, B. Comprehensive evaluation for the sustainable development of fresh agricultural products logistics enterprises based on combination empowerment-TOPSIS method. PeerJ Comput. Sci. 2023, 9, 1–19. [Google Scholar] [CrossRef] [PubMed]
- Chen, J.X.; Liao, W.Z.; Yu, C.W. Route optimization for cold chain logistics of front warehouses based on traffic congestion and carbon emission. Comput. Ind. Eng. 2021, 161, 107663. [Google Scholar] [CrossRef]
- Mei, Q.H.; Li, J.B.; Ursavas, E.; Zhu, S.X.; Luo, X.M. Freight transportation planning in platform service supply chain considering carbon emissions. Int. J. Prod. Econ. 2021, 240, 108241. [Google Scholar] [CrossRef]
- Wei, R.; Liu, C.H. Research on carbon emission reduction in road freight transportation sector based on regulation-compliant route optimization model and case study. Sustain. Comput. Inform. Syst. 2020, 28, 100408. [Google Scholar] [CrossRef]
- Amaral, A.R.S. On the exact solution of a facility layout problem. Eur. J. Oper. Res. 2006, 173, 508–518. [Google Scholar] [CrossRef]
- Xue, J.; Shen, B. Dung beetle optimizer: A new meta-heuristic algorithm for global optimization. J. Supercomput. 2023, 79, 7305–7336. [Google Scholar] [CrossRef]
- Zhu, F.; Li, G.; Tang, H.; Li, Y.B.; Lv, X.M.; Wang, X. Dung beetle optimization algorithm based on quantum computing and multi-strategy fusion for solving engineering problems. Expert Syst. Appl. 2024, 236, 121219. [Google Scholar] [CrossRef]
- Li, Q.; Shi, H.; Zhao, W.T.; Ma, C.L. Enhanced Dung Beetle Optimization Algorithm for Practical Engineering Optimization. Mathematics 2024, 12, 1084. [Google Scholar] [CrossRef]
- Ye, M.J.; Zhou, H.; Yang, H.; Hu, B.; Wang, X. Multi-strategy improved dung beetle optimization algorithm and its applications. Biomimetics 2024, 9, 291. [Google Scholar] [CrossRef] [PubMed]
- Shen, Q.; Zhang, D.; Xie, M.; He, Q. Multi-Strategy Enhanced Dung Beetle Optimizer and Its Application in Three-Dimensional UAV Path Planning. Symmetry 2023, 15, 1432. [Google Scholar] [CrossRef]
- Li, Y.; Sun, K.; Yao, Q.; Wang, L. A dual-optimization wind speed forecasting model based on deep learning and improved dung beetle optimization algorithm. Energy 2024, 286, 129604. [Google Scholar] [CrossRef]
- Uniyal, N.; Pant, S.; Kumar, A.; Pant, P. Nature-inspired metaheuristic algorithms for optimization. In Meta-heuristic Optimization Techniques; De Gruyter: Berlin, Germany, 2022; pp. 1–10. [Google Scholar] [CrossRef]
- Kumar, A.; Pant, S.; Singh, M.K.; Chaube, S.; Ram, M.; Kumar, A. Modified wild horse optimizer for constrained system reliability optimization. Axioms 2023, 12, 693. [Google Scholar] [CrossRef]
- Jiang, X.H.; Chen, S.; Zhang, Y. Calculation method of total carbon emission and efficiency of logistics enterprises. J. Transp. Syst. Eng. Inf. Technol. 2022, 22, 313–321. [Google Scholar]
- Alrawad, M.; Lutfi, A.; Almaiah, M.A.; Alsyouf, A.; Al-Khasawneh, A.L.; Arafa, H.M.; Ahmed, N.; AboAlkhair, A.M.; Tork, M. Managers’ perception and attitude toward financial risks associated with SMEs: Analytic hierarchy process approach. J. Risk Financ. Manag. 2023, 16, 86. [Google Scholar] [CrossRef]
- De, L.M.; Felipe, A.; Atefan, S. A Delphi study examining risk and uncertainty management in circular supply chains. Int. J. Prod. Econ. 2023, 258, 108810. [Google Scholar]
- Banadkouki, M.R.Z. Selection of strategies to improve energy efficiency in industry: A hybrid approach using entropy weight method and fuzzy TOPSIS. Energy 2023, 279, 128070. [Google Scholar] [CrossRef]
- Agrawal, P.; Ganesh, T.; Mohamed, A.W. Chaotic gaining sharing knowledge-based optimization algorithm: An improved metaheuristic algorithm for feature selection. Soft Comput. 2021, 25, 9505–9528. [Google Scholar] [CrossRef]
- Chen, X.R.; Wu, L.F.; Yang, X.Z. Fractional order PID parameter tuning based on improved sparrow search algorithm. Control. Decis. 2024, 39, 1177–1184. [Google Scholar]
- Zhang, C.; Liang, Y.; Tavares, A.; Wang, L.D.; Gomes, T.; Pinto, S. An Improved Public Key Cryptographic Algorithm Based on Chebyshev Polynomials and RSA. Symmetry 2024, 16, 263. [Google Scholar] [CrossRef]
- Pan, G.; Xu, Y. Chaotic glowworm swarm optimization algorithm based on Gauss mutation. In Proceedings of the 2016 12th International Conference on Natural Computation, Changsha, China, 30 November 2016. [Google Scholar]
- Chen, Y.; Li, X.; Zhao, S. A Novel Photovoltaic Power Prediction Method Based on a Long Short-Term Memory Network Optimized by an Improved Sparrow Search Algorithm. Electronics 2024, 13, 993. [Google Scholar] [CrossRef]
- Fang, T.T.; Ma, W.K.; Yan, G.H.; Zhang, H. Optimization design based overall layout of cold chain logistics on Weihai City. In Proceedings of the International Conference on Smart Transportation and City Engineering, Chongqing, China, 14 February 2024. [Google Scholar]
- Zhu, H.L.; Liu, C.C.; Wu, G.H.; Gao, Y.J. Cold Chain Logistics Network Design for Fresh Agricultural Products with Government Subsidy. Sustainability 2023, 15, 10021. [Google Scholar] [CrossRef]
- Pan, X.Y.; Yang, J.Q. Warehousing Layout Optimization on Logistics System of Fresh Products. In Proceedings of the 2021 3rd International Academic Exchange Conference on Science and Technology Innovation (IAECST), Guangzhou, China, 10 December 2021. [Google Scholar]
- Sun, L. D Company Aquatic Product Cold-Chain Logistics Warehousing Center Layout Optimization Research. Master’s Thesis, University of Jinan, Jinan, China, 2022. [Google Scholar]
- Kovács, G. Layout design for efficiency improvement and cost reduction. Bull. Pol. Acad. Sci. Tech. Sci. 2019, 67, 547–555. [Google Scholar] [CrossRef]
- Al-Zubaidi, S.Q.D.; Fantoni, G.; Failli, F. Analysis of drivers for solving facility layout problems: A Literature review. J. Ind. Inf. Integr. 2021, 21, 100187. [Google Scholar] [CrossRef]
- Sun, X.; Hu, W.; Xue, X.; Dong, J. Multi-objective optimization model for planning metro-based underground logistics system network: Nanjing case study. J. Ind. Manag. Optim. 2023, 19, 170–189. [Google Scholar] [CrossRef]






| 1 | |
| 0.8 | |
| 0.6 | |
| 0.4 | |
| 0.2 | |
| 0 |
| Number | Name | Length × Width/() | Storage Capacity/ |
|---|---|---|---|
| 1 | Intelligent control center | 70 × 60 | — |
| 2 | Refrigerated storage | 100 × 100 | 2676 |
| 3 | Fresh-keeping storage | 140 × 100 | 3009 |
| 4 | Ambient temperature storage | 100 × 70 | 1455 |
| 5 | Circulation packaging zone | 70 × 80 | 1101 |
| 6 | Multi-temperature shared distribution zone | 120 × 80 | 1926 |
| 7 | Central kitchen | 100 × 70 | — |
| 8 | Business office zone | 64 × 40 | — |
| 9 | Comprehensive service zone | 50 × 56 | — |
| 10 | Exhibition trading zone | 60 × 50 | — |
| Number | Name | Average Daily Electricity Consumption/kWh | Carbon Emissions/kg |
|---|---|---|---|
| 2 | Refrigerated storage | 2493 | 1515.744 |
| 3 | Fresh-keeping storage | 2946 | 1791.168 |
| 4 | Ambient temperature storage | 1389 | 844.512 |
| 5 | Circulation packaging zone | 978 | 594.624 |
| 6 | Multi-temperature shared distribution zone | 1851 | 1125.408 |
| Logistics Flow Path | Cumulative Proportion/% | Grade | |
|---|---|---|---|
| 7—6 | 7 | 14.89 | A |
| 3—6 | 7 | 29.78 | A |
| 3—7 | 7 | 44.67 | E |
| 5—6 | 6 | 57.44 | E |
| 2—6 | 5 | 68.08 | E |
| 3—5 | 4 | 76.59 | I |
| 4—6 | 3 | 82.97 | I |
| 2—7 | 2 | 87.23 | I |
| 4—7 | 2 | 91.49 | O |
| 1—6 | 2 | 95.75 | O |
| 4—5 | 1 | 97.88 | O |
| 1—8 | 1 | 100.00 | O |
| Solution | DBO Optimization | IDBO Optimization | |
|---|---|---|---|
| Functional Zone | |||
| 1 | (110, 151) | (318, 35) | |
| 2 | (111, 60) | (333, 126) | |
| 3 | (363, 55) | (131, 55) | |
| 4 | (399, 202) | (55, 222) | |
| 5 | (202, 131) | (242, 45) | |
| 6 | (227, 45) | (171, 151) | |
| 7 | (293, 146) | (55, 146) | |
| 8 | (37, 141) | (391, 25) | |
| 9 | (30, 33) | (30, 33) | |
| 10 | (379, 136) | (419, 76) | |
| Layout Plan | Total Logistics Cost/Yuan | Adjacent Correlation | Carbon Emissions/kg |
|---|---|---|---|
| Original layout | 189,021.79 | 27.4 | 6312.96 |
| DBO optimized layout | 161,669.75 | 31.5 | 6089.17 |
| IDBO optimized layout | 140,740.09 | 35.6 | 5886.57 |
Disclaimer/Publisher’s Note: The statements, opinions and data contained in all publications are solely those of the individual author(s) and contributor(s) and not of MDPI and/or the editor(s). MDPI and/or the editor(s) disclaim responsibility for any injury to people or property resulting from any ideas, methods, instructions or products referred to in the content. |
© 2024 by the authors. Licensee MDPI, Basel, Switzerland. This article is an open access article distributed under the terms and conditions of the Creative Commons Attribution (CC BY) license (https://creativecommons.org/licenses/by/4.0/).
Share and Cite
Li, J.; Zhou, Q. Cold Chain Logistics Center Layout Optimization Based on Improved Dung Beetle Algorithm. Symmetry 2024, 16, 805. https://doi.org/10.3390/sym16070805
Li J, Zhou Q. Cold Chain Logistics Center Layout Optimization Based on Improved Dung Beetle Algorithm. Symmetry. 2024; 16(7):805. https://doi.org/10.3390/sym16070805
Chicago/Turabian StyleLi, Jinhui, and Qing Zhou. 2024. "Cold Chain Logistics Center Layout Optimization Based on Improved Dung Beetle Algorithm" Symmetry 16, no. 7: 805. https://doi.org/10.3390/sym16070805
APA StyleLi, J., & Zhou, Q. (2024). Cold Chain Logistics Center Layout Optimization Based on Improved Dung Beetle Algorithm. Symmetry, 16(7), 805. https://doi.org/10.3390/sym16070805

