Multi-Objective Optimization for Finding Main Design Factors of a Two-Stage Helical Gearbox with Second-Stage Double Gear Sets Using the EAMR Method
Abstract
1. Introduction
2. Optimization Problem
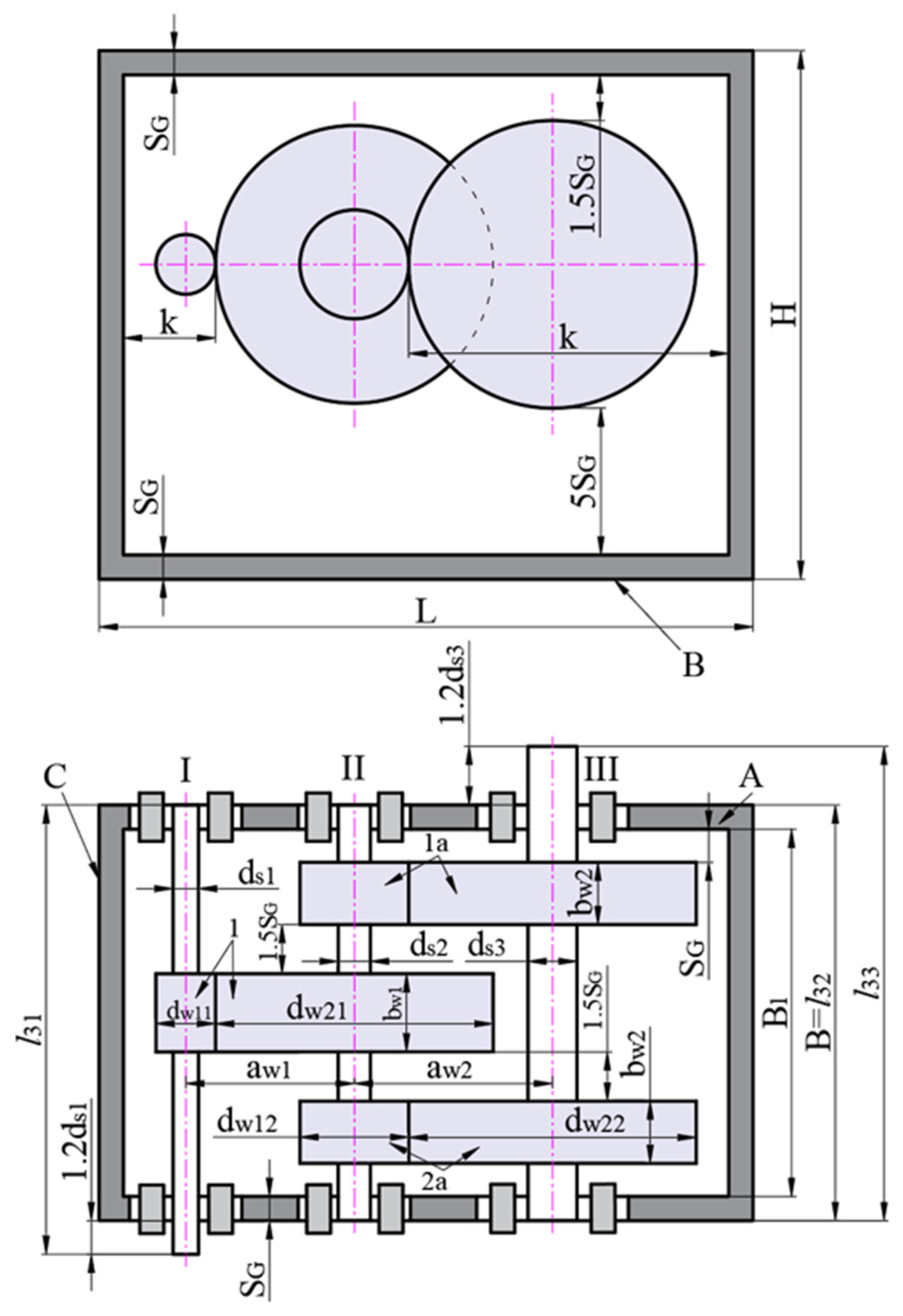
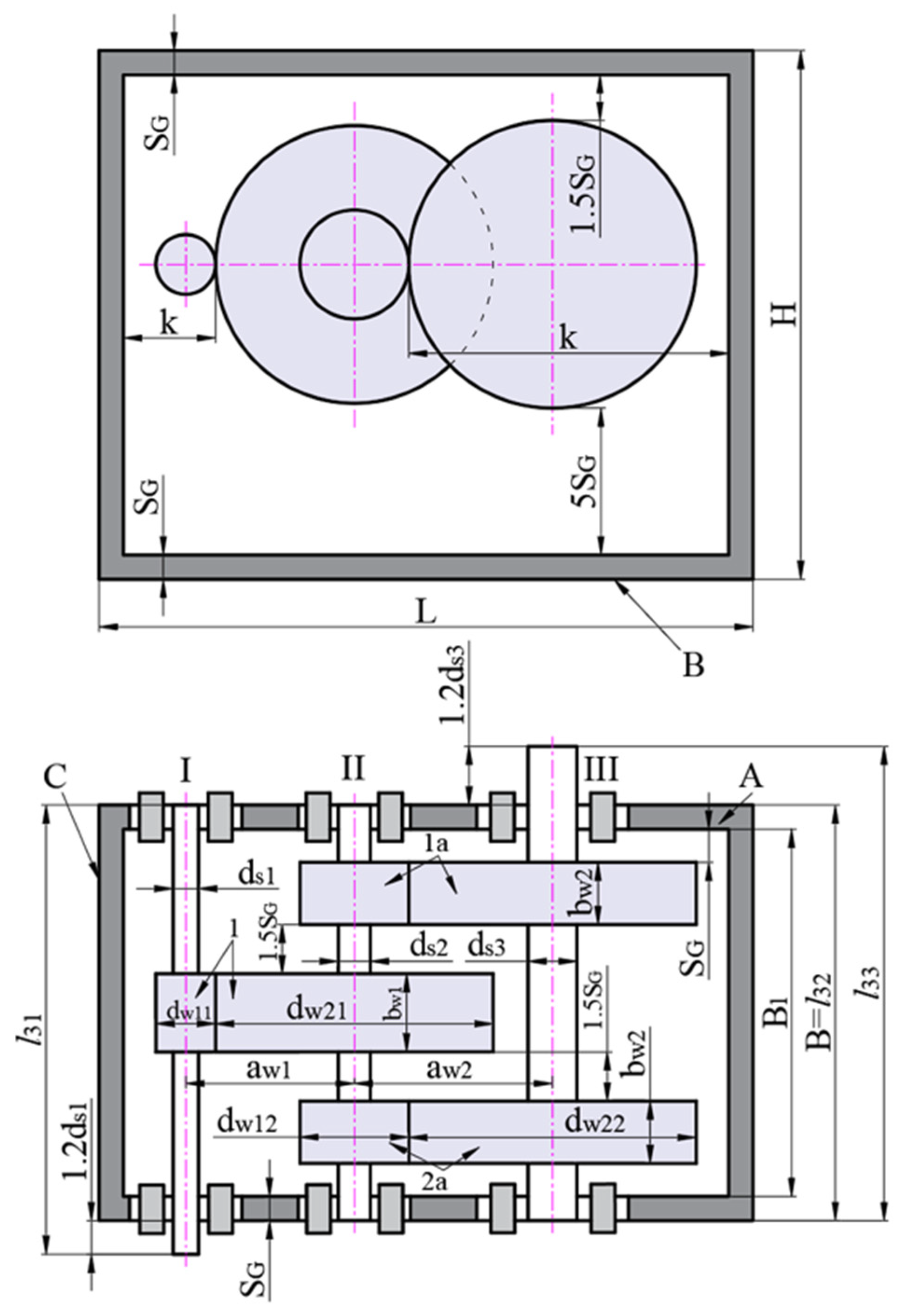
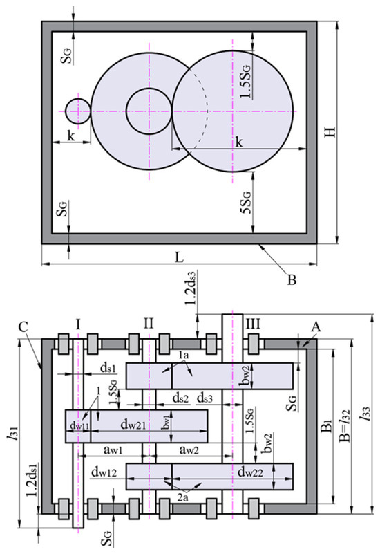
2.1. Calculation of Gearbox Mass
2.2. Calculation of Gearbox Efficiency
- -
- If v ≤ 0.424 (m/s):
- -
- If v > 0.424 (m/s):
2.3. Objective Functions and Constrains
2.3.1. Objectives Functions
- -
- Minimizing the mass of the gearbox:
- -
- Maximizing the efficiency of the gearbox:
2.3.2. Constrains
3. Methodology
3.1. Method to Solve the Multi-Objective Optimization
3.2. Method to Solve MCDM Problem:
- -
- Step 1: Creating the decision-making matrix:where 1 ≤ d ≤ k, the decision maker’s number is k, and their indication is denoted by d.
- -
- Step 2: For each criterion, ascertain the mean value of each possibility by
- -
- Step 3: Determine the weights of creation:
- -
- Step 4: Find each criterion’s weighted average:
- -
- Step 5: Calculate nij usingin which ej is determined by
- -
- Step 6: Find the normalized weight using
- -
- Step 7: Determine the criteria’s normalized score:(+) When criteria j is greater as better:(+) When criteria j is smaller as better:
- -
- Step 8: Calculate the ranking values (RVs) from Gi+ and Gi−:
- -
- Step 9: Calculate the alternatives’ evaluation score using
3.3. Method to Find the Weight of Criteria:
- -
- Calculate indicator normalized values as follows:
- -
- Determine the Entropy for each indicator as follows:
- -
- Find the weight of each indicator as follows:
4. Single-Objective Optimization
5. Multi-Objective Optimization
6. Conclusions
- -
- The single-objective optimization problem speeds up and simplifies the resolution of the MOO problem by bridging the gap between variable levels.
- -
- Equation (62) and Table 6 present the optimal values for the three main design parameters of a two-stage helical gear gearbox with second-stage double gear sets based on this study’s findings.
- -
- Two single targets were assessed concerning the principal design parameters.
- -
- By using the EAMR technique repeatedly until the required results are attained, the MOO problem can be solved more precisely (u1 has an accuracy of less than 0.02).
- -
- The experimental data’s extraordinary degree of concordance with the proposed model of u1 verifies their reliability.
- -
- The results show that the novel approach to the MOO issue outperforms the prior method (the Taguchi and GRA approaches) in terms of yielding superior results.
- -
- The proposed method of utilizing the MCDM method to solve the MOOP can be applied for the design of a gearbox when teaching mechanical students and for industry applications.
- -
- The limitation of this study is that a statistical analysis was not conducted on the experimental data. Therefore, the proposed further research direction is to use statistical methods to analyze the experimental data.
Author Contributions
Funding
Data Availability Statement
Acknowledgments
Conflicts of Interest
References
- Tudose, L.; Buiga, O.; Jucan, D.; Stefanache, C. Multi-objective optimization in helical gears design. In Proceedings of the Fifth International Symposium about Design in Mechanical Engineering-KOD, New York, NY, USA, 3–6 August 2008. [Google Scholar]
- Sanghvi, R.C.; Vashi, A.S.; Patolia, H.P.; Jivani, R.G. Multi-objective optimization of two-stage helical gear train using NSGA-II. J. Optim. 2014, 2014, 670297. [Google Scholar] [CrossRef]
- Deb, K.; Jain, S. Multi-speed gearbox design using multi-objective evolutionary algorithms. J. Mech. Des. 2003, 125, 609–619. [Google Scholar] [CrossRef]
- Maputi, E.S.; Arora, R. Multi-objective optimization of a 2-stage spur gearbox using NSGA-II and decision-making methods. J. Braz. Soc. Mech. Sci. Eng. 2020, 42, 477. [Google Scholar] [CrossRef]
- Patil, M.; Ramkumar, P.; Shankar, K. Multi-objective optimization of the two-stage helical gearbox with tribological constraints. Mech. Mach. Theory 2019, 138, 38–57. [Google Scholar] [CrossRef]
- Parmar, A.; Ramkumar, P.; Shankar, K. Optimization of Planetary Gearbox Using NSGA-II. In Recent Advances in Mechanical Engineering: Select Proceedings of the ICRAME 2020; Springer: Berlin/Heidelberg, Germany, 2021. [Google Scholar]
- Simon, V.V. Multi-objective optimization of hypoid gears to improve operating characteristics. Mech. Mach. Theory 2020, 146, 103727. [Google Scholar] [CrossRef]
- Younes, E.B.; Changenet, C.; Bruyère, J.; Rigaud, E.; Perret-Liaudet, J. Multi-objective optimization of gear unit design to improve efficiency and transmission error. Mech. Mach. Theory 2022, 167, 104499. [Google Scholar] [CrossRef]
- Sreenatha, M.; Mallikarjuna, P. A Fault Diagnosis Technique for Wind Turbine Gearbox: An Approach using Optimized BLSTM Neural Network with Undercomplete Autoencoder. Eng. Technol. Appl. Sci. Res. 2023, 13, 10170–10174. [Google Scholar] [CrossRef]
- Eremeev, P.; De Cock, A.; Devriendt, H.; Melckenbeeck, I.; Desmet, W. Single and multi-objective optimization of a gearbox considering dynamic performance and assemblability. Procedia CIRP 2022, 106, 76–83. [Google Scholar] [CrossRef]
- Kumar, A.; Ramkumar, P.; Shankar, K. Multi-objective 3-stage wind turbine gearbox (WTG) with tribological constraint. Mech. Based Des. Struct. Mach. 2023, 1–27. [Google Scholar] [CrossRef]
- Alam, J.; Panda, S. A comprehensive study on multi-objective design optimization of spur gear. Mech. Based Des. Struct. Mach. 2023, 51, 5272–5298. [Google Scholar] [CrossRef]
- Istenes, G.; Polák, J. Investigating the Effect of Gear Ratio in the Case of Joint Multi-Objective Optimi-zation of Electric Motor and Gearbox. Energies 2024, 17, 1203. [Google Scholar] [CrossRef]
- Sabarinath, P.; Thansekhar, M.R.; Jeganathan, R.; Saravanan, R. Multi objective Design Optimization of Helical gear pair using Adaptive parameter Harmony search Algorithm. Appl. Mech. Mater. 2015, 813, 1032–1036. [Google Scholar] [CrossRef]
- Wang, Y.; Qian, Q.; Chen, G.; Jin, S.; Chen, Y. Multi-objective optimization design of cycloid pin gear planetary reducer. Adv. Mech. Eng. 2017, 9, 1687814017720053. [Google Scholar] [CrossRef]
- Lagresle, C.; Guingand, M.; Vaujany, J.D.; Fulleringer, B. Optimization of tooth modifications for spur and helical gears using an adaptive multi-objective swarm algorithm. Proc. Inst. Mech. Eng. Part C J. Mech. Eng. Sci. 2019, 233, 7292–7308. [Google Scholar] [CrossRef]
- Le, X.-H.; Vu, N.-P. Multi-objective optimization of a two-stage helical gearbox using taguchi method and grey relational analysis. Appl. Sci. 2023, 13, 7601. [Google Scholar] [CrossRef]
- Tran, H.D.; Le, X.H.; Nguyen TT, N.; Hoang, X.T.; Trieu, Q.H.; Vu, N.P. Application of the Taguchi Method and Grey Relational Analysis for Multi-Objective Optimization of a Two-Stage Bevel Helical Gearbox. Machines 2023, 11, 716. [Google Scholar] [CrossRef]
- Huy, T.Q.; Van Binh, N.; Van Thanh, D.; Danh, T.H.; Van Trang, N. Optimization of a Two-stage Helical Gearbox with Second Stage Double Gear Sets to Reduce Gearbox Mass and Increase Gearbox Efficiency. WSEAS Trans. Appl. Theor. Mech. 2023, 18, 287–298. [Google Scholar] [CrossRef]
- Chat, T.; Van Uyen, L. Design and Calculation of Mechanical Transmissions Systems; Educational Republishing House: Hanoi, Vietnam, 2007; Volume 1. [Google Scholar]
- Römhild, I.; Linke, H. Gezielte Auslegung von Zahnradgetrieben mit minimaler Masse auf der Basis neuer Berechnungsverfahren. Konstruktion 1992, 44, 229–236. [Google Scholar]
- Jelaska, D.T. Gears and Gear Drives; John Wiley & Sons: Hoboken, NJ, USA, 2012. [Google Scholar]
- Buckingham, E. Analytical Mechanics of Gears; Dover Publications, Inc.: New York, NY, USA, 1988. [Google Scholar]
- Amiri, M.; Antucheviciene, J. Evaluation by an area-based method of ranking interval type-2 fuzzy sets (EAMRIT-2F) for multi-criteria group decision-making. Transform. Bus. Econ. 2016, 15, 39. [Google Scholar]
- Hieu, T.T.; Thao, N.X.; Thuy, L. Application of MOORA and COPRAS models to select materials for mushroom cultivation. Vietnam J. Agric. Sci. 2019, 17, 32–2331. [Google Scholar]













| Parameter | Nomenclature | Units |
|---|---|---|
| Allowable contact stress of stages i (i = 1 ÷ 2) | ASi | Mpa |
| Allowable shear stress of shaft material | [τ] | MPa |
| Arc of approach on i stage | - | |
| Arc of recess on i stage | - | |
| Base circle radius of the pinion | mm | |
| Base circle radius of the gear | mm | |
| Center distance of stage 1 | aw1 | mm |
| Center distance of stage 2 | aw2 | mm |
| Coefficient of wheel face width of stage 1 | Xba1 | - |
| Coefficient of wheel face width of stage 2 | Xba2 | - |
| Coefficient of gear material | ka | Mpa1/3 |
| Contacting load ratio for pitting resistance | kHβ | - |
| Diameter of shaft i | dsi | mm |
| Efficiency of a helical gearbox | ηhb | - |
| Efficiency of the i stage of the gearbox | ηgi | - |
| Efficiency of a helical gear unit | ηhg | - |
| Efficiency of a rolling bearing pair | ηb | - |
| Friction coefficient | f | - |
| Friction coefficient of bearing | fb | - |
| Gearbox ratio (or total gearbox ratio) | ugb | |
| Gear ratio of stage 1 | u1 | - |
| Gear ratio of stage 2 | u2 | - |
| Gear width of stage 1 | bw1 | mm |
| Gear width of stage 2 | bw2 | mm |
| Gearbox mass | mgb | kg |
| Gear mass | mg | kg |
| Shaft mass | ms | kg |
| Gearbox housing mass | mgh | kg |
| Gear mass of stage 1 | mg1 | kg |
| Gear mass of stage 2 | mg2 | kg |
| Hydraulic moment of power losses | TH | Nm |
| ISO Viscosity Grade number | VG40 | - |
| Length of shaft i | lsi | mm |
| Load of bearing i | Fi | N |
| Mass density of gearbox housing materials | kg/m3 | |
| Mass of shaft j (j = 1 ÷ 3) | msj | kg |
| Mass density of shaft material | kg/m3 | |
| Outside radius of the pinion | mm | |
| Outside radius of the gear | mm | |
| Output torque | Tout | Nmm |
| Pitch diameter of the pinion of stage 1 | dw11 | mm |
| Pitch diameter of the gear of stage 2 | dw21 | mm |
| Pitch diameter of the pinion of stage 2 | dw12 | mm |
| Pitch diameter of the gear of stage 2 | dw22 | mm |
| Power loss in the gears | Plg | Kw |
| Power loss in the bearings | Plb | Kw |
| Power loss in the seals | Pls | Kw |
| Power loss in the idle motion | Pzo | Kw |
| Pressure angle | α | rad. |
| Peripheral speed of bearing | vb | m/s |
| Sliding velocity of gear | v | m/s |
| Total power loss in the gearbox | Pl | - |
| Torque on the pinion of stage i (i = 1 ÷ 2) | T1i | Nmm |
| Volume coefficients of the pinion | e1 | - |
| Volume coefficients of the gear | e2 | - |
| Volume of gearbox housing | Vgh | dm3 |
| Volumes of bottom housing A | VA | dm3 |
| Volumes of bottom housing B | VB | dm3 |
| Volumes of bottom housing B | VC | dm3 |
| Weight density of gear materials | kg/m3 |
| Parameter | Symbol | Lower Limit | Upper Limit |
|---|---|---|---|
| Gearbox ratio of first stage | u1 | 1 | 9 |
| CWFW of stage 1 | Xba1 | 0.25 | 0.4 |
| CWFW of stage 2 | Xba2 | 0.25 | 0.4 |
| ut | u1 | |
|---|---|---|
| Lower Limit | Upper Limit | |
| 10 | 1.76 | 2.4 |
| 15 | 2.49 | 2.99 |
| 20 | 3.17 | 3.52 |
| 25 | 3.76 | 4.01 |
| 30 | 4.19 | 4.63 |
| 35 | 4.58 | 5.23 |
| 40 | 4.93 | 5.80 |
| Trial. | u1 | Xba1 | Xba2 | mgb (kg) | ηgb (%) |
|---|---|---|---|---|---|
| 1 | 4.29 | 0.25 | 0.25 | 222.74 | 96.04 |
| 2 | 4.29 | 0.25 | 0.29 | 226.18 | 95.97 |
| 3 | 4.29 | 0.25 | 0.33 | 229.60 | 95.92 |
| 4 | 4.29 | 0.25 | 0.36 | 232.98 | 95.86 |
| 5 | 4.29 | 0.25 | 0.40 | 236.32 | 95.79 |
| 6 | 4.29 | 0.29 | 0.25 | 223.95 | 95.45 |
| … | |||||
| 25 | 4.29 | 0.40 | 0.40 | 240.91 | 93.04 |
| 26 | 4.31 | 0.25 | 0.25 | 222.69 | 96.02 |
| 27 | 4.31 | 0.25 | 0.29 | 226.13 | 95.97 |
| … | |||||
| 51 | 4.34 | 0.25 | 0.25 | 222.65 | 96.00 |
| 52 | 4.34 | 0.25 | 0.29 | 226.08 | 95.95 |
| 53 | 4.34 | 0.25 | 0.33 | 229.50 | 95.88 |
| … | |||||
| 76 | 4.36 | 0.25 | 0.25 | 222.60 | 95.98 |
| 77 | 4.36 | 0.25 | 0.29 | 226.04 | 95.93 |
| 78 | 4.36 | 0.25 | 0.33 | 229.45 | 95.86 |
| … | |||||
| 101 | 4.38 | 0.25 | 0.25 | 222.56 | 95.95 |
| 102 | 4.38 | 0.25 | 0.29 | 225.99 | 95.91 |
| 103 | 4.38 | 0.25 | 0.33 | 229.41 | 95.84 |
| … | |||||
| 123 | 4.38 | 0.40 | 0.33 | 234.09 | 93.01 |
| 124 | 4.38 | 0.40 | 0.36 | 237.45 | 92.95 |
| 125 | 4.38 | 0.40 | 0.40 | 240.77 | 92.88 |
| Trial. | nij | vij | Gij | Ri | Rank | |||
|---|---|---|---|---|---|---|---|---|
| mgb | ηgb | mgb | ηgb | mgb | ηgb | |||
| 1 | 0.9246 | 1.0000 | 0.4517 | 0.5114 | 0.4517 | 0.5114 | 1.1322 | 3 |
| 2 | 0.9389 | 0.9993 | 0.4587 | 0.5111 | 0.4587 | 0.5111 | 1.1142 | 15 |
| 3 | 0.9531 | 0.9988 | 0.4656 | 0.5108 | 0.4656 | 0.5108 | 1.0970 | 29 |
| 4 | 0.9671 | 0.9981 | 0.4725 | 0.5105 | 0.4725 | 0.5105 | 1.0804 | 48 |
| 5 | 0.9809 | 0.9974 | 0.4793 | 0.5101 | 0.4793 | 0.5101 | 1.0644 | 75 |
| 6 | 0.9296 | 0.9939 | 0.4542 | 0.5083 | 0.4542 | 0.5083 | 1.1192 | 7 |
| … | ||||||||
| 25 | 1.0000 | 0.9688 | 0.4886 | 0.4955 | 0.4886 | 0.4955 | 1.0141 | 121 |
| 26 | 0.9244 | 0.9998 | 0.4516 | 0.5113 | 0.4516 | 0.5113 | 1.1322 | 1 |
| 27 | 0.9386 | 0.9993 | 0.4586 | 0.5111 | 0.4586 | 0.5111 | 1.1144 | 12 |
| … | ||||||||
| 51 | 0.9242 | 0.9996 | 0.4515 | 0.5112 | 0.4515 | 0.5112 | 1.1322 | 4 |
| 52 | 0.9384 | 0.9991 | 0.4585 | 0.5110 | 0.4585 | 0.5110 | 1.1144 | 11 |
| 53 | 0.9526 | 0.9983 | 0.4654 | 0.5106 | 0.4654 | 0.5106 | 1.0970 | 27 |
| … | ||||||||
| 76 | 0.9240 | 0.9994 | 0.4514 | 0.5111 | 0.4514 | 0.5111 | 1.1322 | 2 |
| 77 | 0.9383 | 0.9989 | 0.4584 | 0.5108 | 0.4584 | 0.5108 | 1.1144 | 14 |
| 78 | 0.9524 | 0.9981 | 0.4653 | 0.5105 | 0.4653 | 0.5105 | 1.0970 | 26 |
| … | ||||||||
| 101 | 0.9238 | 0.9991 | 0.4514 | 0.5110 | 0.4514 | 0.5110 | 1.1320 | 5 |
| 102 | 0.9381 | 0.9986 | 0.4583 | 0.5107 | 0.4583 | 0.5107 | 1.1144 | 13 |
| 103 | 0.9523 | 0.9979 | 0.4652 | 0.5104 | 0.4652 | 0.5104 | 1.0970 | 30 |
| … | ||||||||
| 123 | 0.9717 | 0.9685 | 0.4747 | 0.4953 | 0.4747 | 0.4953 | 1.0433 | 100 |
| 124 | 0.9856 | 0.9678 | 0.4816 | 0.4950 | 0.4816 | 0.4950 | 1.0279 | 115 |
| 125 | 0.9994 | 0.9671 | 0.4883 | 0.4946 | 0.4883 | 0.4946 | 1.0129 | 125 |
| No. | ut | ||||||
|---|---|---|---|---|---|---|---|
| 10 | 15 | 20 | 25 | 30 | 35 | 40 | |
| u1 | 2.04 | 2.74 | 3.36 | 3.85 | 4.31 | 4.76 | 5.16 |
| Xba1 | 0.25 | 0.25 | 0.25 | 0.25 | 0.25 | 0.25 | 0.25 |
| Xba2 | 0.25 | 0.25 | 0.25 | 0.25 | 0.25 | 0.25 | 0.25 |
Disclaimer/Publisher’s Note: The statements, opinions and data contained in all publications are solely those of the individual author(s) and contributor(s) and not of MDPI and/or the editor(s). MDPI and/or the editor(s) disclaim responsibility for any injury to people or property resulting from any ideas, methods, instructions or products referred to in the content. |
© 2024 by the authors. Licensee MDPI, Basel, Switzerland. This article is an open access article distributed under the terms and conditions of the Creative Commons Attribution (CC BY) license (https://creativecommons.org/licenses/by/4.0/).
Share and Cite
Dinh, V.-T.; Tran, H.-D.; Vu, D.-B.; Vu, D.; Vu, N.-P.; Do, T.-T. Multi-Objective Optimization for Finding Main Design Factors of a Two-Stage Helical Gearbox with Second-Stage Double Gear Sets Using the EAMR Method. Symmetry 2024, 16, 783. https://doi.org/10.3390/sym16070783
Dinh V-T, Tran H-D, Vu D-B, Vu D, Vu N-P, Do T-T. Multi-Objective Optimization for Finding Main Design Factors of a Two-Stage Helical Gearbox with Second-Stage Double Gear Sets Using the EAMR Method. Symmetry. 2024; 16(7):783. https://doi.org/10.3390/sym16070783
Chicago/Turabian StyleDinh, Van-Thanh, Huu-Danh Tran, Duc-Binh Vu, Duong Vu, Ngoc-Pi Vu, and Thi-Tam Do. 2024. "Multi-Objective Optimization for Finding Main Design Factors of a Two-Stage Helical Gearbox with Second-Stage Double Gear Sets Using the EAMR Method" Symmetry 16, no. 7: 783. https://doi.org/10.3390/sym16070783
APA StyleDinh, V.-T., Tran, H.-D., Vu, D.-B., Vu, D., Vu, N.-P., & Do, T.-T. (2024). Multi-Objective Optimization for Finding Main Design Factors of a Two-Stage Helical Gearbox with Second-Stage Double Gear Sets Using the EAMR Method. Symmetry, 16(7), 783. https://doi.org/10.3390/sym16070783

