Utilizing Full Degrees of Freedom of Control in Voltage Source Inverters to Support Micro-Grid with Symmetric and Asymmetric Voltage Requirements
Abstract
1. Introduction
- The DG must stay connected to the MG for up to 150 ms, even if the MG voltage drops to zero.
- The DG must support voltage recovery by injecting a reactive current into the MG.
- The DG must ramp up the active power to normal operation immediately after clearing the imbalance or fault.
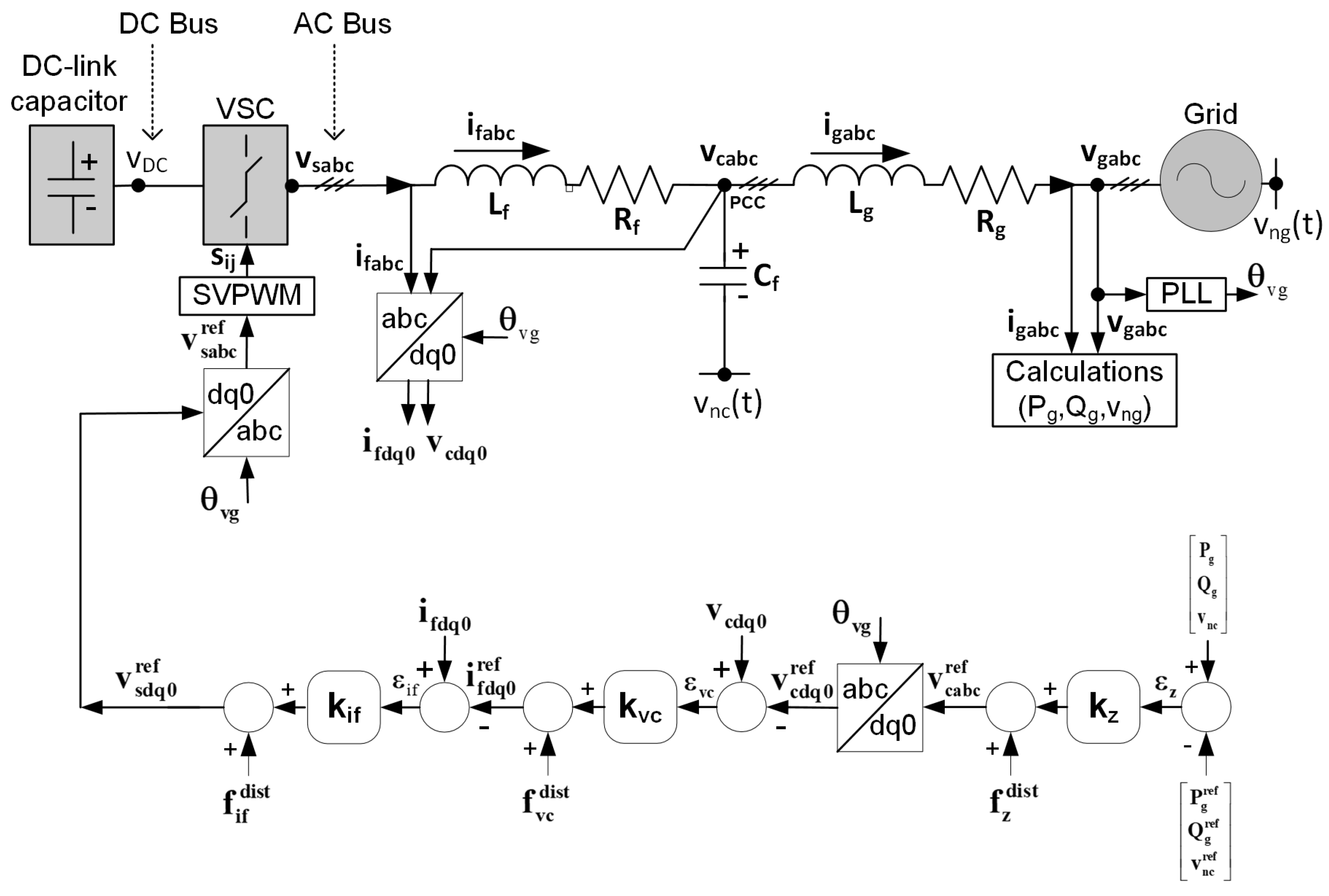
2. System’s Modeling
3. Control Formulation
4. Simulation Results
4.1. Case A: VSI Source Results with the MG in Balance Condition
4.2. Case B: VSI Source Results with the MG in Imbalanced Condition
5. Conclusions
Author Contributions
Funding
Data Availability Statement
Conflicts of Interest
Abbreviations
| VSI | Voltage Source Inverter |
| DG | Distributed Generator |
| MG | Micro-Grid |
| SG | Smart Grid |
| DOF | Degree of Freedom |
| RES | Renewable Energy Systems |
| PCC | Point of Common Coupling |
| PWM | Pulse Width Modulation |
| SMC | Sliding-Mode Control |
| FOR | Frame of Reference |
| RF | Reference Frame |
References
- Bharothu, J.N.; Sridhar, M.; Rao, R.S. A literature survey report on Smart Grid technologies. In Proceedings of the IEEE International Conference on Smart Electric Grid (ISEG), Guntur, India, 19–20 September 2014; pp. 1–8. [Google Scholar]
- Ekanayake, J.B.; Jenkins, N.; Liyanage, K.; Wu, J.; Yokoyama, A. Smart grid: Technology and applications. In Smart Grid: Technology and Applications; John Wiley & Sons: Hoboken, NJ, USA, 2012. [Google Scholar]
- Ahmad, F.; Rasool, A.; Ozsoy, E.; Sekar, R.; Sabanovic, A.; Elitaş, M. Distribution system state estimation-A step towards smart grid. Renew. Sustain. Energy Rev. 2018, 81, 2659–2671. [Google Scholar] [CrossRef]
- Kaviri, S.M.; Pahlevani, M.; Jain, P.; Bakhshai, A. A review of AC microgrid control methods. In Proceedings of the 8th IEEE International Symposium on Power Electronics for Distributed Generation Systems (PEDG), Florianópolis, Brazil, 17–20 April 2017; pp. 1–8. [Google Scholar]
- Colak, I.; Kabalci, E.; Fulli, G.; Lazarou, S. A survey on the contributions of power electronics to smart grid systems. Renew. Sustain. Energy Rev. 2015, 47, 562–579. [Google Scholar] [CrossRef]
- Teodorescu, R.; Liserre, M.; Rodriguez, P. Grid Converters for Photovoltaic and Wind Power Systems; John Wiley & Sons: Hoboken, NJ, USA, 2011. [Google Scholar]
- Benysek, G.; Kazmierkowski, M.; Popczyk, J.; Strzelecki, R. Power electronic systems as a crucial part of Smart Grid infrastructure—A survey. Bull. Pol. Acad. Sci. Tech. Sci. 2011, 59, 455–473. [Google Scholar] [CrossRef]
- Arbab-Zavar, B.; Palacios-Garcia, E.J.; Vasquez, J.C.; Guerrero, J.M. Smart Inverters for Microgrid Applications: A Review. Energies 2019, 12, 840. [Google Scholar] [CrossRef]
- Jiang, H.; Cao, S.; Soh, C.B.; Wei, F. Unbalanced load modeling and control in microgrid with isolation transformer. In Proceedings of the IEEE International Conference on Electrical Drives & Power Electronics (EDPE), Dubrovnik, Croatia, 22–24 September 2021; pp. 129–135. [Google Scholar]
- Özsoy, E.; Padmanaban, S.; Mihet-Popa, L.; Fedák, V.; Ahmad, F.; Rasool, A.; Şabanoviç, A. Control strategy for grid connected inverters under unbalanced network conditions-A DOb based decoupled current approach. Energies 2017, 47, 562–579. [Google Scholar]
- Li-Jun, J.; Miao-Miao, J.; Guang-Yao, Y.; Yi-Fan, C.; Rong-Zheng, L.; Hai-Peng, Z.; Ke, Z. Unbalanced control of grid-side converter based on DSOGI-PLL. In Proceedings of the IEEE 10th Conference on Industrial Electronics and Applications (ICIEA), Auckland, New Zealand, 15–17 June 2015; pp. 1145–1149. [Google Scholar]
- Suul, J.A. Control of Grid Integrated Voltage Source Converters under Unbalanced Conditions: Development of an on-Line Frequency-Adaptive Virtual Flux-Based Approach. Ph.D. Thesis, Norwegian University of Science and Technology, Trondheim, Norway, 2012. [Google Scholar]
- Puranik, S.; Keyhani, A.; Chatterjee, A. Control of Three-Phase Inverters in Microgrid Systems. In Smart Power Grids 2011; Springer: Berlin/Heidelberg, Germany, 2012; pp. 103–176. [Google Scholar]
- Brod, D.M.; Novotny, D.W. Current control of VSI-PWM inverters. IEEE Trans. Ind. Appl. 1985, 3, 562–570. [Google Scholar] [CrossRef]
- Tenca, P.; Lipo, T.A. Synthesis of desired AC line currents in current-sourced DC-AC converters. In Proceedings of the IEEE Second International Conference on Power Electronics, Machines and Drives (PEMD), Edinburgh, UK, 31 March–2 April 2004; pp. 656–661. [Google Scholar]
- Milosevic, M. Decoupling control of d and q current components in three-phase voltage source inverter. In Proceedings of the IEEE Power Systems Conference and Exposition (PSCE), Atlanta, GA, USA, 29 October–1 November 2006; pp. 34–44. [Google Scholar]
- Sowmmiya, U.; Jamuna, V. Voltage control scheme for three phase SVM inverter fed induction motor drive systems. In Proceedings of the IEEE 1st International Conference on Electrical Energy Systems (ICEES), Chennai, India, 3–5 January 2011; pp. 207–211. [Google Scholar]
- Sabanovic, A.; Ohnishi, K.; Sabanovic, N. Control of PWM three phase converters: A sliding mode approach. In Proceedings of the Conference Record of Power Conversion Conference, Yokohama, Japan, 19–21 April 1993; pp. 188–193. [Google Scholar]
- Fiaz, A.; Rasool, A.; Ozsoy, E.E.; Sabanoviç, A.; Elitas, M. A robust cascaded controller for DC-DC Boost and Cuk converters. World J. Eng. 2017, 14, 459–466. [Google Scholar]
- Vijay, A.S.; Doolla, S.; Chandorkar, M. Unbalance mitigation strategies in microgrids. IET Power Electron. 2020, 13, 1687–1710. [Google Scholar] [CrossRef]
- Navas-Fonseca, A.; Burgos-Mellado, C.; Gómez, J.S.; Donoso, F.; Tarisciotti, L.; Saez, D.; Cardenas, R.; Sumner, M. Distributed predictive secondary control for imbalance sharing in AC microgrids. IEEE Trans. Smart Grid 2022, 13, 20–37. [Google Scholar] [CrossRef]
- Utkin, V.; Guldner, J.; Shi, J. Sliding Mode Control in Electro-Mechanical Systems, 3rd ed.; Taylor & Francis, CRC Press: Boca Raton, FL, USA, 2017; pp. 333–374. [Google Scholar]
- Wodyk, S.; Iwanski, G. Three-phase converter power control under grid imbalance with consideration of instantaneous power components limitation. Int. Trans. Electr. Energy Syst. 2020, 30, e12389. [Google Scholar] [CrossRef]
- Rasool, A. Control of Three Phase Converters as Source for Microgrid. Ph.D. Thesis, Sabancı University, Tuzla, Istanbul, Turkey, 2017. [Google Scholar]









| Quantity (Symbol) | Magnitude Units |
|---|---|
| Grid Voltage () | 100-Volts |
| Grid Inductance () | 50-mH |
| Filter Inductance () | 22-mH |
| Filter Capacitance () | 220-F |
| Grid Resistance () | 100-m |
| Control Gains (, ) | 55 |
| Observer Gains (L) | 1200 |
Disclaimer/Publisher’s Note: The statements, opinions and data contained in all publications are solely those of the individual author(s) and contributor(s) and not of MDPI and/or the editor(s). MDPI and/or the editor(s) disclaim responsibility for any injury to people or property resulting from any ideas, methods, instructions or products referred to in the content. |
© 2023 by the authors. Licensee MDPI, Basel, Switzerland. This article is an open access article distributed under the terms and conditions of the Creative Commons Attribution (CC BY) license (https://creativecommons.org/licenses/by/4.0/).
Share and Cite
Rasool, A.; Ahmad, F.; Fakhar, M.S.; Kashif, S.A.R.; Matlotse, E. Utilizing Full Degrees of Freedom of Control in Voltage Source Inverters to Support Micro-Grid with Symmetric and Asymmetric Voltage Requirements. Symmetry 2023, 15, 865. https://doi.org/10.3390/sym15040865
Rasool A, Ahmad F, Fakhar MS, Kashif SAR, Matlotse E. Utilizing Full Degrees of Freedom of Control in Voltage Source Inverters to Support Micro-Grid with Symmetric and Asymmetric Voltage Requirements. Symmetry. 2023; 15(4):865. https://doi.org/10.3390/sym15040865
Chicago/Turabian StyleRasool, Akhtar, Fiaz Ahmad, Muhammad Salman Fakhar, Syed Abdul Rahman Kashif, and Edwin Matlotse. 2023. "Utilizing Full Degrees of Freedom of Control in Voltage Source Inverters to Support Micro-Grid with Symmetric and Asymmetric Voltage Requirements" Symmetry 15, no. 4: 865. https://doi.org/10.3390/sym15040865
APA StyleRasool, A., Ahmad, F., Fakhar, M. S., Kashif, S. A. R., & Matlotse, E. (2023). Utilizing Full Degrees of Freedom of Control in Voltage Source Inverters to Support Micro-Grid with Symmetric and Asymmetric Voltage Requirements. Symmetry, 15(4), 865. https://doi.org/10.3390/sym15040865

