Application of a Novel Synergetic Control for Optimal Power Extraction of a Small-Scale Wind Generation System with Variable Loads and Wind Speeds
Abstract
1. Introduction
2. Description and Modeling of the Investigated Wind System
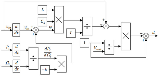
3. MPPT Technique Based on Synergetic Control
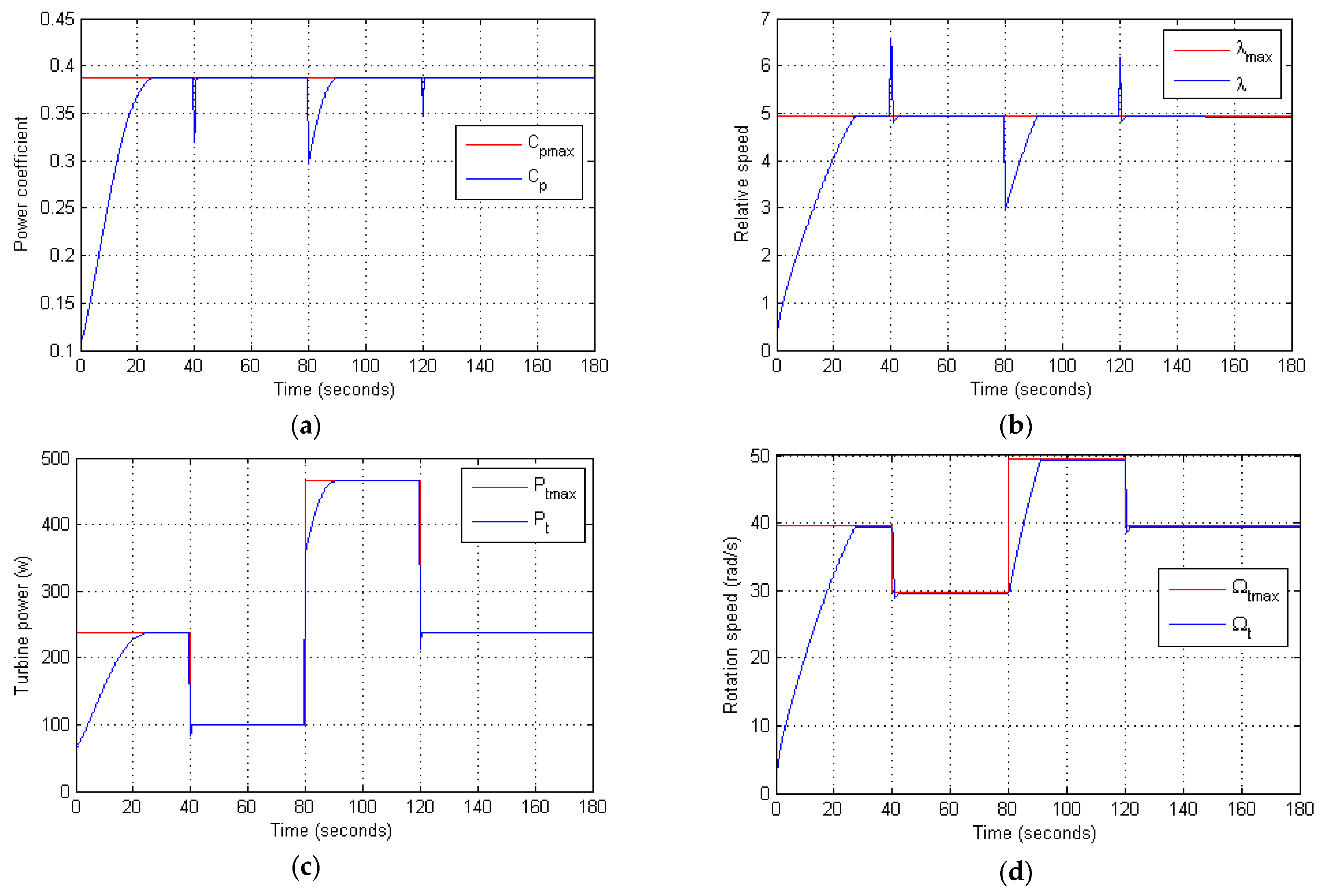
4. Discussion of Simulated Results
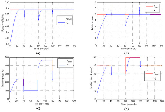
5. Discussion of Experimental Results
5.1. Consecutive Changes in Wind Speed with a Constant Electrical Load
5.2. Constant Wind Speed with Variable Electrical Load
5.3. Stochastic Change in Wind Speed with Constant Electrical Load
6. Conclusions
- Application of the proposed strategy on large-scale WTs and photovoltaic (PV) systems.
- Add the monitoring part (Diagnosis) to make the fault tolerant control, which remains an effective solution to reduce the repair costs of a WT.
- Integration of the developed wind system in microgrids.
- Compare the PV and WT operated with the SC theory to show the best option.
- Studying this control impact on power quality and frequency stability of renewable systems.
Author Contributions
Funding
Data Availability Statement
Conflicts of Interest
References
- Nimje, A.A.; Gandhi, N.M. Design and Development of Small Wind Turbine for Power Generation through High Velocity Exhaust Air. Renew. Energy 2020, 145, 1487–1493. [Google Scholar] [CrossRef]
- MacPhee, D.W.; Beyene, A. Performance Analysis of a Small Wind Turbine Equipped with Flexible Blades. Renew. Energy 2019, 132, 497–508. [Google Scholar] [CrossRef]
- Stepien, M.; Kulak, M.; Józwik, K. “Fast Track” Analysis of Small Wind Turbine Blade Performance. Energies 2020, 13, 5767. [Google Scholar] [CrossRef]
- Khaled, M.; Noby, H.; Mansor, E.S.; Elshazly, A.H.; Aissa, W.A. Waste High Impact Polystyrene (HIPS) Microfiltration Membranes for Water Treatment: A Thorough Experimental Study. Environ. Qual. Manag. 2022, 1–10. [Google Scholar] [CrossRef]
- Siddiqui, M.S.; Khalid, M.H.; Badar, A.W.; Saeed, M.; Asim, T. Parametric Analysis Using CFD to Study the Impact of Geometric and Numerical Modeling on the Performance of a Small Scale Horizontal Axis Wind Turbine. Energies 2022, 15, 505. [Google Scholar] [CrossRef]
- Aubrée, R.; Auger, F.; Macé, M.; Loron, L. Design of an Efficient Small Wind-Energy Conversion System with an Adaptive Sensorless MPPT Strategy. Renew. Energy 2016, 86, 280–291. [Google Scholar] [CrossRef]
- Aravindhan, N.; Natarajan, M.P.; Ponnuvel, S.; Devan, P.K. Recent Developments and Issues of Small-Scale Wind Turbines in Urban Residential Buildings—A Review. Energy Environ. 2022. [Google Scholar] [CrossRef]
- Ardjoun, S.A.E.M.; Denaï, M.; Chafouk, H. A Robust Control Approach for Frequency Support Capability of Grid-Tie Photovoltaic Systems. J. Sol. Energy Eng. 2023, 145, 1–11. [Google Scholar] [CrossRef]
- Aldin, N.A.N.; Abdellatif, W.S.E.; Elbarbary, Z.M.S.; Omar, A.I.; Mahmoud, M.M. Robust Speed Controller for PMSG Wind System Based on Harris Hawks Optimization via Wind Speed Estimation: A Real Case Study. IEEE Access 2023, 11, 5929–5943. [Google Scholar] [CrossRef]
- Mahmoud, M.M.; Atia, B.S.; Esmail, Y.M.; Bajaj, M.; Eutyche, D.; Wapet, M.; Ratib, M.K.; Hossain, B.; Aboras, K.M. Evaluation and Comparison of Different Methods for Improving Fault Ride-Through Capability in Grid-Tied Permanent Magnet Synchronous Wind Generators. Int. Trans. Electr. Energy Syst. 2023, 2023, 7717070. [Google Scholar] [CrossRef]
- Deng, X.; Yang, J.; Sun, Y.; Song, D.; Yang, Y.; Joo, Y.H. An Effective Wind Speed Estimation Based Extended Optimal Torque Control for Maximum Wind Energy Capture. IEEE Access 2020, 8, 65959–65969. [Google Scholar] [CrossRef]
- Yin, M.; Li, W.; Chung, C.Y.; Zhou, L.; Chen, Z.; Zou, Y. Optimal Torque Control Based on Effective Tracking Range for Maximum Power Point Tracking of Wind Turbines under Varying Wind Conditions. IET Renew. Power Gener. 2017, 11, 501–510. [Google Scholar] [CrossRef]
- Mahmoud, M.M. Improved Current Control Loops in Wind Side Converter with the Support of Wild Horse Optimizer for Enhancing the Dynamic Performance of PMSG-Based Wind Generation System. Int. J. Model. Simul. 2022, 1–15. [Google Scholar] [CrossRef]
- Yazici, I.; Yaylaci, E.K. Improving Efficiency of the Tip Speed Ratio-MPPT Method for Wind Energy Systems by Using an Integral Sliding Mode Voltage Regulator. J. Energy Resour. Technol. Trans. ASME 2018, 140. [Google Scholar] [CrossRef]
- Singh, J.; Ouhrouche, M. MPPT Control Methods in Wind Energy Conversion Systems. In Fundamental and Advanced Topics in Wind Power; Intech: Rijeka, Croatia, 2011. [Google Scholar]
- Barakati, S.M.; Kazerani, M.; Aplevich, J.D. Maximum Power Tracking Control for a Wind Turbine System Including a Matrix Converter. IEEE Trans. Energy Convers. 2009, 24, 705–713. [Google Scholar] [CrossRef]
- Abdullah, M.A.; Yatim, A.H.M.; Tan, C.W.; Saidur, R. A Review of Maximum Power Point Tracking Algorithms for Wind Energy Systems. Renew. Sustain. Energy Rev. 2012, 16, 3220–3227. [Google Scholar] [CrossRef]
- Kumar, M.B.H.; Saravanan, B.; Sanjeevikumar, P.; Blaabjerg, F. Review on Control Techniques and Methodologies for Maximum Power Extraction from Wind Energy Systems. IET Renew. Power Gener. 2018, 12, 1609–1622. [Google Scholar] [CrossRef]
- Mousa, H.H.H.; Youssef, A.R.; Mohamed, E.E.M. State of the Art Perturb and Observe MPPT Algorithms Based Wind Energy Conversion Systems: A Technology Review. Int. J. Electr. Power Energy Syst. 2021, 126, 106598. [Google Scholar] [CrossRef]
- Karabacak, M. A New Perturb and Observe Based Higher Order Sliding Mode MPPT Control of Wind Turbines Eliminating the Rotor Inertial Effect. Renew. Energy 2019, 133, 807–827. [Google Scholar] [CrossRef]
- Putri, R.I.; Pujiantara, M.; Priyadi, A.; Ise, T.; Purnomo, M.H. Maximum Power Extraction Improvement Using Sensorless Controller Based on Adaptive Perturb and Observe Algorithm for PMSG Wind Turbine Application. IET Electr. Power Appl. 2018, 12, 455–462. [Google Scholar] [CrossRef]
- Linus, R.M.; Damodharan, P. Maximum Power Point Tracking Method Using a Modified Perturb and Observe Algorithm for Grid Connected Wind Energy Conversion Systems. IET Renew. Power Gener. 2015, 9, 682–689. [Google Scholar] [CrossRef]
- Belmokhtar, K.; Doumbia, M.L.; Agbossou, K. Novel Fuzzy Logic Based Sensorless Maximum Power Point Tracking Strategy for Wind Turbine Systems Driven DFIG (Doubly-Fed Induction Generator). Energy 2014, 76, 679–693. [Google Scholar] [CrossRef]
- Sefidgar, H.; Asghar Gholamian, S. Fuzzy Logic Control of Wind Turbine System Connection to PM Synchronous Generator for Maximum Power Point Tracking. Int. J. Intell. Syst. Appl. 2014, 6, 29–35. [Google Scholar] [CrossRef]
- Zouirech, S.; Zerouali, M.; El Ougli, A.; Tidhaf, B. Maximum Power Extraction from a Wind Turbine Energy Source Based on Fuzzy and Conventional Techniques for Integration in Micro-Grid. In Proceedings of the Lecture Notes in Electrical Engineering, Saidia, Morocco, 13–15 April 2020; Volume 681, pp. 819–829. [Google Scholar]
- Mahmoud, M.M.; Aly, M.M.; Salama, H.S.; Abdel-Rahim, A.M.M. A Combination of an OTC Based MPPT and Fuzzy Logic Current Control for a Wind-Driven PMSG under Variability of Wind Speed. Energy Syst. 2022, 13, 1075–1098. [Google Scholar] [CrossRef]
- Tummala, A.; Velamati, R.K.; Sinha, D.K.; Indraja, V.; Krishna, V.H. A Review on Small Scale Wind Turbines. Renew. Sustain. Energy Rev. 2016, 56, 1351–1371. [Google Scholar] [CrossRef]
- Kumar, K.; Babu, R.N.; Prabhu, K.R. Design and Analysis of RBFN-Based Single MPPT Controller for Hybrid Solar and Wind Energy System. IEEE Access 2017, 5, 15308–15317. [Google Scholar] [CrossRef]
- Deng, F.; Liu, D.; Chen, Z.; Su, P. Control Strategy of Wind Turbine Based on Permanent Magnet Synchronous Generator and Energy Storage for Stand-Alone Systems. Chin. J. Electr. Eng. 2017, 3, 51–62. [Google Scholar] [CrossRef]
- Hansen, A.D.; Michalke, G. Modelling and Control of Variable-Speed Multi-Pole Permanent Magnet Synchronous Generator Wind Turbine. Wind Energy 2008, 11, 537–554. [Google Scholar] [CrossRef]
- Labidi, Z.R.; Schulte, H.; Mami, A. Modeling and Optimal Torque Control of Small Wind Turbines with Permanent Magnet Synchronous Generators. In Proceedings of the International Conference on Green Energy and Conversion Systems, GECS 2017, Hammamet, Tunisia, 23–25 March 2017. [Google Scholar]
- Kim, Y.; Kang, M.; Muljadi, E.; Park, J.W.; Kang, Y.C. Power Smoothing of a Variable-Speed Wind Turbine Generator in Association with the Rotor-Speed-Dependent Gain. IEEE Trans. Sustain. Energy 2017, 8, 990–999. [Google Scholar] [CrossRef]
- Haque, M.E.; Negnevitsky, M.; Muttaqi, K.M. A Novel Control Strategy for a Variable-Speed Wind Turbine with a Permanent-Magnet Synchronous Generator. IEEE Trans. Ind. Appl. 2010, 46, 331–339. [Google Scholar] [CrossRef]
- Benbouhenni, H.; Bizon, N. Terminal Synergetic Control for Direct Active and Reactive Powers in Asynchronous Generator-Based Dual-Rotor Wind Power Systems. Electronics 2021, 10, 1880. [Google Scholar] [CrossRef]
- Hagh, Y.S.; Fekih, A.; Handroos, H. Robust PI-Based Non-Singular Terminal Synergetic Control for Nonlinear Systems via Hybrid Nonlinear Disturbance Observer. IEEE Access 2021, 9, 97401–97414. [Google Scholar] [CrossRef]
- Malik, A.S.; Ahmad, I.; Rahman, A.U.; Islam, Y. Integral Backstepping and Synergetic Control of Magnetic Levitation System. IEEE Access 2019, 7, 173230–173239. [Google Scholar] [CrossRef]
- Zerroug, N.; Harmas, M.N.; Benaggoune, S.; Bouchama, Z.; Zehar, K. DSP-Based Implementation of Fast Terminal Synergetic Control for a DC–DC Buck Converter. J. Franklin Inst. 2018, 355, 2329–2343. [Google Scholar] [CrossRef]
- Hamza, B.; Sid Ahmed El Mehdi, A.; Houcine, C.; Mouloud, D. A New Method for the Parametric Identification of DC Machines Using MATLAB Identification Toolbox and Experimental Measurements. E3S Web Conf. 2022, 336, 00007. [Google Scholar] [CrossRef]
- Nouri, B.; Kocewiak, Ł.; Shah, S.; Koralewicz, P.; Gevorgian, V.; Sørensen, P. Test Methodology for Validation of Multi-Frequency Models of Renewable Energy Generators Using Small-Signal Perturbations. IET Renew. Power Gener. 2021, 15, 3564–3576. [Google Scholar] [CrossRef]













| Parameters | Value | Unit | |
|---|---|---|---|
| WT | Nominal power | 1.5 | kW |
| Air density | 1.2 | kg/m3 | |
| Blade radius | 1 | m | |
| Height | 2 | m | |
| Moment of inertia | 5 | kg·m2 | |
| Coefficient of friction | 0.00908 | N·m·s/rad | |
| Maximum power coefficient Maximum relative speed | 0.388 4.94 | --- rad | |
| MPPT | Constant k Constant T | 900 0.0038 | --- --- |
| Boost Converter | Input capacitor Output capacitor Inductance Switching frequency | 10 1100 50 1 | mF µF mH kHz |
Disclaimer/Publisher’s Note: The statements, opinions and data contained in all publications are solely those of the individual author(s) and contributor(s) and not of MDPI and/or the editor(s). MDPI and/or the editor(s) disclaim responsibility for any injury to people or property resulting from any ideas, methods, instructions or products referred to in the content. |
© 2023 by the authors. Licensee MDPI, Basel, Switzerland. This article is an open access article distributed under the terms and conditions of the Creative Commons Attribution (CC BY) license (https://creativecommons.org/licenses/by/4.0/).
Share and Cite
Boudjemai, H.; Ardjoun, S.A.E.M.; Chafouk, H.; Denai, M.; Elbarbary, Z.M.S.; Omar, A.I.; Mahmoud, M.M. Application of a Novel Synergetic Control for Optimal Power Extraction of a Small-Scale Wind Generation System with Variable Loads and Wind Speeds. Symmetry 2023, 15, 369. https://doi.org/10.3390/sym15020369
Boudjemai H, Ardjoun SAEM, Chafouk H, Denai M, Elbarbary ZMS, Omar AI, Mahmoud MM. Application of a Novel Synergetic Control for Optimal Power Extraction of a Small-Scale Wind Generation System with Variable Loads and Wind Speeds. Symmetry. 2023; 15(2):369. https://doi.org/10.3390/sym15020369
Chicago/Turabian StyleBoudjemai, Hamza, Sid Ahmed El Mehdi Ardjoun, Houcine Chafouk, Mouloud Denai, Z. M. Salem Elbarbary, Ahmed I. Omar, and Mohamed Metwally Mahmoud. 2023. "Application of a Novel Synergetic Control for Optimal Power Extraction of a Small-Scale Wind Generation System with Variable Loads and Wind Speeds" Symmetry 15, no. 2: 369. https://doi.org/10.3390/sym15020369
APA StyleBoudjemai, H., Ardjoun, S. A. E. M., Chafouk, H., Denai, M., Elbarbary, Z. M. S., Omar, A. I., & Mahmoud, M. M. (2023). Application of a Novel Synergetic Control for Optimal Power Extraction of a Small-Scale Wind Generation System with Variable Loads and Wind Speeds. Symmetry, 15(2), 369. https://doi.org/10.3390/sym15020369

