Deep Learning Method on Deformation Prediction for Large-Section Tunnels
Abstract
1. Introduction
2. Proposed Methodology
3. Project Overview and Construction Plan
3.1. Project Overview
3.2. Construction Plan
4. Determination of Construction Scheme Based on Numerical Simulation
4.1. Choice of Construction Parameters
4.2. The Establishment of Three-Dimensional Numerical Model
4.3. Steps of Numerical Simulation
4.4. Results Discussion
4.4.1. Different Excavation Sequence
4.4.2. Different Excavation Step Length
5. Tunnel Deformation Prediction Based on LSTM Algorithm
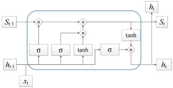
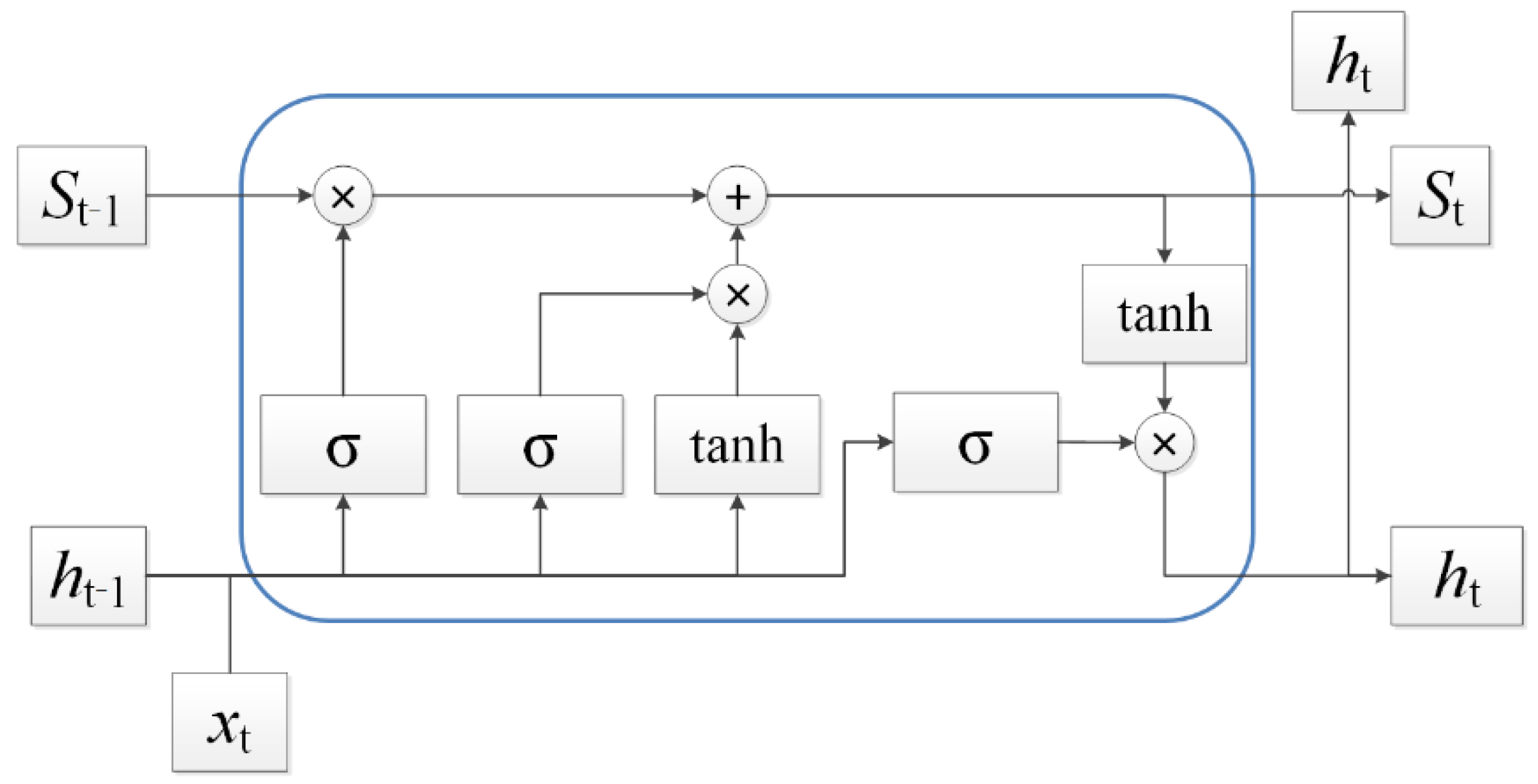
5.1. Long Short-Term Memory (LSTM)
- (1)
- The calculation formulas for the input gate, forget gate, and output gate are:where are the weight values of the input parameter and gate units, respectively; are the weight values of the input parameter and gate units; are bias vectors of three gate units; and is a sigmoid function, with values from 0 to1;
- (2)
- The update status in the neural unit cell is:where is the input value at the current moment; is the output of the previous neural unit; is the weight value of the input parameter and the memory unit; is the weight value of the and the memory unit; is the bias vector; and is the stored value at the previous moment.
- (3)
- The output value of the LSTM unit is:where is the output value of the neural unit at the current moment.
5.2. Tunnel Deformation Prediction
5.2.1. Data Preparation
5.2.2. Model Training
5.2.3. Model Prediction
5.2.4. Baseline Model
5.3. Results Discussion
5.3.1. Performance of LSTM Algorithm
5.3.2. Prediction Performance of LSTM Algorithm
5.3.3. Multi-Step Prediction Result
6. Conclusions
Author Contributions
Funding
Data Availability Statement
Conflicts of Interest
References
- Zhao, Y.; He, H.; Li, P. Key Techniques for the Construction of High-Speed Railway Large-Section Loess Tunnels. Engineering 2018, 4, 254–259. [Google Scholar] [CrossRef]
- Wang, C.; Su, Z. Feasibility Study on Step Method Excavation of Tunnels with Large Cross Section and Small Interval. Procedia Environ. Sci. 2012, 12, 550–554. [Google Scholar] [CrossRef][Green Version]
- Zhang, D.; Huang, H.; Zhang, D.; Li, Z.; Zhou, Q.; Zhang, K. Centrifuge modelling of shallow and large sectional tunnel under full pipe-jacked ring. Tunn. Undergr. Space Technol. 2019, 89, 189–204. [Google Scholar] [CrossRef]
- Wang, Q.; Xin, Z.X.; Jiang, B.; Sun, H.B.; Xiao, Y.C.; Bian, W.H.; Li, L.N. Comparative experimental study on mechanical mechanism of combined arches in large section tunnels. Tunn. Undergr. Space Technol. Inc. Trenchless Technol. Res. 2020, 99, 103386. [Google Scholar] [CrossRef]
- Luo, Y.; Chen, J.; Shi, Z.; Li, J.; Liu, W. Mechanical characteristics of primary support of large span loess highway tunnel: A case study in Shaanxi Province, Loess Plateau, NW China primary. Tunn. Undergr. Space Technol. 2020, 104, 103532. [Google Scholar] [CrossRef]
- Liu, W.; Wu, B.; Shi, P.; Xu, X. Analysis on face stability of rectangular cross-sectional shield tunneling based on an improved two-dimensional rotational mechanism. Acta Geotech. 2021, 16, 3725–3738. [Google Scholar] [CrossRef]
- Liu, W.; Zhao, Y.; Shi, P.; Li, J.; Gan, P. Face stability analysis of shield driven tunnels shallowly buried in dry sand using 1 g large-scale model tests. Acta Geotech. 2018, 13, 693–705. [Google Scholar] [CrossRef]
- Jin, A.B.; Li, L.F.; Deng, F.G.; Zhang, M.Z. Study on the Method of construction of large section tunnel crossing the ancient great wall. Appl. Mech. Mater. 2012, 226–228, 1504–1508. [Google Scholar] [CrossRef]
- Sun, Z.J. Numerical analysis of construction method in shallow-buried large-section loess tunnel. Appl. Mech. Mater. 2014, 580, 997–1000. [Google Scholar] [CrossRef]
- Cao, C.; Shi, C.; Lei, M.; Peng, L.; Bai, R. Deformation characteristics and countermeasures of shallow and large-span tunnel under-crossing the existing highway in soft soil: A case study. KSCE J. Civ. Eng. 2018, 22, 3170–3181. [Google Scholar] [CrossRef]
- Fargnoli, V.; Boldini, D.; Amorosi, A. Twin tunnel excavation in coarse grained soils: Observations and numerical back-predictions under free field conditions and in presence of a surface structure. Tunnel. Undergr. Space Technol. 2015, 49, 454–469. [Google Scholar] [CrossRef]
- Shi, S.S.; Zhao, R.J.; Li, S.C.; Xie, X.K.; Li, L.P.; Zhou, Z.Q.; Liu, H.L. Intelligent prediction of surrounding rock deformation of shallow buried highway tunnel and its engineering application. Tunn. Undergr. Space Technol. 2019, 90, 1–11. [Google Scholar] [CrossRef]
- Wang, T.Q.; Geng, P.; Li, P.S.; Wang, Q.; Wang, L.J. Deformation and failure of overburden soil subjected to normal fault dislocation and its impact on tunnel. Eng. Fail. Anal. 2022, 142, 106747. [Google Scholar] [CrossRef]
- Song, W.L.; Lai, K.P.; Liu, Y.Y.; Yang, W.H.; Zhu, Z.D. Field and laboratory study of cracking and safety of secondary lining for an existing highway tunnel in loess ground. Tunn. Undergr. Space Technol. 2019, 88, 35–46. [Google Scholar] [CrossRef]
- Wang, F.N.; Guo, Z.B.; Qiao, X.B.; Fan, J.Y.; Li, W.; Mi, M.; Tao, Z.G.; He, M.C. Large deformation mechanism of thin-layered carbonaceous slate and energy coupling support technology of NPR anchor cable in Minxian Tunnel: A case study. Tunn. Undergr. Space Technol. 2021, 117, 104151. [Google Scholar] [CrossRef]
- Zhang, H.; Zhang, G.; Pan, Y.D.; Hao, Z.H.; Chen, S.G.; Cheng, F.H. Experimental study on the mechanical behavior and deformation characteristics of lining structure of super-large section tunnels with a small clearance. Eng. Fail. Anal. 2022, 136, 106186. [Google Scholar] [CrossRef]
- Kavvadas, M.; Litsas, D.; Vazaios, I.; Fortsakis, P. Development of a 3d finite element model for shield EPB tunnelling. Tunn. Undergr. Space Technol. 2017, 65, 22–34. [Google Scholar] [CrossRef]
- Gao, C.L.; Zhou, Z.Q.; Li, Z.H.; Li, L.P.; Cheng, S. Peridynamics simulation of surrounding rock damage characteristics during tunnel excavation. Tunn. Undergr. Space Technol. 2020, 97, 103289. [Google Scholar] [CrossRef]
- Zhou, J.; Yang, X.N.; Guo, J. Stability predictions for excavations of mountain tunnels based on [BQ] method and its field verification. Eng. Fail. Anal. 2022, 141, 106727. [Google Scholar] [CrossRef]
- Hoek, E. Big Tunnels in Bad Rock. J. Geotech. Geo-Environ. Eng. 2001, 127, 726–740. [Google Scholar] [CrossRef]
- Singh, B.; Geol, R.K. Rock Mass Classification: A Practical Approach in Civil Engineering; Elsevier Science Ltd.: Amsterdam, The Netherlands, 1999; pp. 128–135. [Google Scholar]
- Hoke, E.; Marinos, P. Predicting Tunnel Squeezing Problems in Weak Heterogeneous Rock Masses. Tunn. Tunn. Int. 2000, 32, 45–51. [Google Scholar]
- Liu, R.X.; Liu, Z.K.; Liu, C.D. Double side slope method and Its optimization design in shallow and super-large section tunnels. Jiangsu Build. Mater. 2022, 3, 50–52. [Google Scholar]
- Liu, C.; Liu, H.; Zheng, H.X.; Zhou, Y.S. Numerical simulation analysis off different excavation methods in shallow buried bias section of tunnel. Constr. Technol. 2022, 51, 101–105. [Google Scholar]
- Li, X.B.; Liang, B.; Lu, S.Y. Research on construction parameters of double side heading method considering multiple factors. Hazard Control Tunn. Undergr. Eng. 2022, 4, 39–48. [Google Scholar] [CrossRef]
- Shen, Y.H. Optimization analysis of heading division for construction of super long span section by double side wall heading method. J. Munic. Technol. 2022, 40, 68–73. [Google Scholar] [CrossRef]
- Zhou, W. Analysis on the discussion on construction method of double-side-wall pilot pit method for super large cross-section rock tunnel. Jiangxi Build. Mater. 2021, 12, 180–181, 184. [Google Scholar]
- Khalid, E.; Yan, T.; Zhou, A.N.; Shen, S.L. Deep learning analysis for energy consumption of shield tunneling machine drive system. Tunn. Undergr. Space Technol. 2022, 123, 104405. [Google Scholar] [CrossRef]
- Kong, X.X.; Ling, X.Z.; Tang, L.; Tang, W.C.; Zhang, Y.F. Random forest-based predictors for driving forces of earth pressure balance (EPB) shield tunnel boring machine (TBM). Tunn. Undergr. Space Technol. 2022, 122, 104373. [Google Scholar] [CrossRef]
- Lin, S.S.; Shen, S.L.; Zhang, N.; Zhou, A.N. Modelling the performance of EPB shield tunnelling using machine and deep learning algorithms. Geosci. Front. 2021, 12, 101177. [Google Scholar] [CrossRef]
- Qin, C.J.; Shi, G.; Tao, J.F.; Yu, H.G.; Jin, Y.R.; Lei, J.B.; Liu, C.L. Precise cutterhead torque prediction for shield tunneling machines using a novel hybrid deep neural network. Mech. Syst. Signal Process. 2021, 151, 107386. [Google Scholar] [CrossRef]
- Tang, L.B.; Na, S.H. Comparison of machine learning methods for ground settlement prediction with different tunneling datasets. J. Rock Mech. Geotech. Eng. 2021, 13, 1274–1289. [Google Scholar] [CrossRef]
- Zhang, R.H.; Li, Y.Q.; Goh, A.T.C.; Zhang, W.G.; Chen, Z.X. Analysis of ground surface settlement in anisotropic clays using extreme gradient boosting and random forest regression models. J. Rock Mech. Geotech. Eng. 2021, 13, 1478–1484. [Google Scholar] [CrossRef]
- Liu, D.; Lin, P.Y.; Zhao, C.Y.; Qiu, J.J. Mapping horizontal displacement of soil nail walls using machine learning approaches. Acta Geotech. 2021, 16, 4027–4044. [Google Scholar] [CrossRef]
- Jin, Y.F.; Yin, Z.Y. An intelligent multi-objective EPR technique with multi-step model selection for correlations of soil properties. Acta Geotech. 2020, 15, 2053–2073. [Google Scholar] [CrossRef]
- Njock, P.G.; Shen, S.L.; Zhou, A.; Lyu, H.M. Evaluation of soil liquefaction using AI technology incorporating a coupled ENN/t-SNE model. Soil Dyn. Earthq. Eng. 2020, 130, 105988. [Google Scholar] [CrossRef]
- Jin, Y.F.; Yin, Z.Y.; Zhou, W.H.; Liu, X.F. Intelligent model selection with updating parameters during staged excavation using optimization method. Acta Geotech. 2020, 15, 2473–2491. [Google Scholar] [CrossRef]
- Zhang, P.; Wu, H.N.; Chen, R.P.; Dai, T.; Meng, F.Y.; Wang, H.B. A critical evaluation of machine learning and deep learning in shield-ground interaction prediction. Tunn. Undergr. Space Technol. 2020, 99, 103383. [Google Scholar] [CrossRef]
- Zhu, H.H.; Wang, X.; Chen, X.Q.; Zhang, L.L. Similarity search and performance prediction of shield tunnels in operation through time series data mining. Autom. Constr. 2020, 114, 103178. [Google Scholar] [CrossRef]
- Han, L.; Wang, L.; Zhang, W.G. Quantification of statistical uncertainties of rock strength parameters using Bayesian-based Markov Chain Monte Carlo method. IOP Conf. Ser. Earth Environ. Sci. 2020, 570, 032051. [Google Scholar] [CrossRef]
- Zhang, P.; Chen, R.P.; Wu, H.N. Real-time analysis and regulation of EPB shield steering using Random Forest. Autom. Constr. 2019, 106, 102860. [Google Scholar] [CrossRef]
- Suwansawat, S.; Einstein, H.H. Artificial neural networks for predicting the maximum surface settlement caused by EPB shield tunneling. Tunn. Undergr. Space Technol. 2006, 21, 133–150. [Google Scholar] [CrossRef]
- Chen, R.P.; Zhang, P.; Kang, X.; Zhong, Z.Q.; Liu, Y.; Wu, H.N. Prediction of maximum surface settlement caused by earth pressure balance (EPB) shield tunneling with ANN methods. Soils Found. 2019, 59, 284–295. [Google Scholar] [CrossRef]
- Pourtaghi, A.; Lotfollahi-Yaghin, M.A. Wavenet ability assessment in comparison to ANN for predicting the maximum surface settlement caused by tunneling. Tunn. Undergr. Space Technol. 2012, 28, 257–271. [Google Scholar] [CrossRef]
- Santos, O.J.; Celestino, T.B. Artificial neural networks analysis of Sao Paulo subway tunnel settlement data. Tunn. Undergr. Space Technol. 2008, 23, 481–491. [Google Scholar] [CrossRef]
- Chen, R.; Zhang, P.; Wu, H.; Wang, Z.; Zhong, Z. Prediction of shield tunneling-induced ground settlement using machine learning techniques. Front. Struct. Civ. Eng. 2019, 13, 1363–1378. [Google Scholar] [CrossRef]
- Wang, X.S. Study on Excavation Method and Construction Parameters of super Large Section Highway Tunnel of Grade IV Surrounding Rock; Beijing Jiaotong University: Beijing, China, 2019. [Google Scholar]
- Gu, X.X. Study on Mechanical Characteristics and construction Method of Supporting Structure of Super-Large Section Urban Highway Tunnel; Southwest Jiaotong University: Chengdu, China, 2018. [Google Scholar]
- Ma, K.; Chen, L.P.; Fang, Q.; Hong, X.F. Machine Learning in Conventional Tunnel Deformation in High in Situ Stress Regions. Symmetry 2022, 14, 513. [Google Scholar] [CrossRef]
- Shao, H.D.; Zhao, H.W.; Jiang, H.K.; Wang, F. An enhancement deep feature fusion method for rotating machinery fault diagnosis. Knowl.-Based Syst. 2016, 119, 200–220. [Google Scholar] [CrossRef]












| Excavation Schemes | Excavation Sequence |
|---|---|
| 1 | Ⅰ → Ⅱ→ Ⅲ→ Ⅵ→ Ⅶ→ Ⅳ→ Ⅴ |
| 2 | Ⅳ→ Ⅵ→ Ⅴ→ Ⅶ→ Ⅰ → Ⅱ→ Ⅲ |
| 3 | Ⅳ→ Ⅴ→ Ⅵ→ Ⅶ→ Ⅰ → Ⅱ→ Ⅲ |
| Excavation Schemes | Excavation Step Length |
|---|---|
| 1 | 1 m |
| 2 | 2 m |
| 3 | 3 m |
| Layer | Name | ρ/(kg/m−3) | c/(kPa) | ϕ/° | E/(GPa) | υ |
|---|---|---|---|---|---|---|
| 1 | Silty clay | 19.8 | 25 | 20 | 2.1 | 0.38 |
| 2 | Fully weathered granite | 20 | 10 | 32 | 4.2 | 0.25 |
| 3 | Strongly weathered granite | 21 | 30 | 32 | 6.4 | 0.28 |
| 4 | Medium weathered granite | 23 | 100 | 39 | 7.6 | 0.31 |
| 5 | Micro-weathered granite | 24 | 200 | 44 | 8.1 | 0.34 |
| 6 | Fully weathered quartz diorite | 23 | 26 | 28 | 4.8 | 0.35 |
| 7 | Strong weathered quartz diorite | 27.7 | 28 | 30 | 7 | 0.32 |
| 8 | Medium weathered quartz diorite | 28.9 | 5.5 × 103 | 41 | 4 | 0.30 |
| 9 | Breeze quartz diorite | 30.0 | 7.0 × 103 | 42 | 6.5 | 0.23 |
| Structural Unit | ρ/(kg/m−3) | Thickness/(m) | E/(GPa) | υ | Normal Coupling Stiffness/(Gpa) | Tangential Coupling Stiffness/(Gpa) |
|---|---|---|---|---|---|---|
| Liner | 2000 | 1 | 30 | 0.25 | 9.77 | 9.77 |
| Structural Unit | ρ/(kg/m−3) | Cross-Sectional Area/(cm2) | E/(GPa) | c/(kPa) | Grouting Perimeter/(m) | ϕ/° |
|---|---|---|---|---|---|---|
| Cable | 2000 | 5.9 | 200 | 50 | 0.157 | 35 |
| Excavation Schemes | 1 | 2 | 3 | 4 | 5 | 6 | 7 |
|---|---|---|---|---|---|---|---|
| 1 | 0.13 | 0.29 | 0.45 | 0.59 | 0.74 | 0.91 | 1.1 |
| 2 | 0.1 | 0.17 | 0.28 | 0.37 | 0.54 | 0.62 | 0.78 |
| 3 | 0.16 | 0.31 | 0.62 | 0.89 | 1.15 | 1.28 | 1.56 |
| Excavation Schemes | 1 | 2 | 3 | 4 | 5 | 6 | 7 |
|---|---|---|---|---|---|---|---|
| 1 | 0.07 | 0.11 | 0.15 | 0.21 | 0.29 | 0.36 | 0.46 |
| 2 | 0.1 | 0.17 | 0.28 | 0.37 | 0.54 | 0.62 | 0.78 |
| 3 | 0.21 | 0.89 | 2.43 | 3.69 | 4.74 | 5.42 | 6.85 |
| Input Parameters | Output Parameters |
|---|---|
| rock uniaxial compressive strength | the deformation of the tunnel vault and bottom |
| confining pressure | |
| in situ stress | |
| rock humidity | |
| joint spacing | |
| joint dip |
| Parameters | Notes |
|---|---|
| Operation system | windows 10 |
| CPU | IntelI CoITM) i7-10710U CPU @ 1.10 GHz |
| GPU | GeForce MX350 |
| Python | 3.9 |
| PyTorch | 1.9.1 |
| The Model Parameters | LSTM Layers | Units | Dense | Batch_size | Epoch | Activate Function | Optimizer | Loss |
|---|---|---|---|---|---|---|---|---|
| Number/Type | 3 | 64 | 1 | 100 | 150 | Relu | Adam | Mse |
| Algorithms | Hyperparameters |
|---|---|
| RF | Max_Features = 400, Max_Depth = 6, N_Estimators = 70, Min_Sample_Leaf = 2, Min_Sample_Split = 2, Random_State = 10 |
| RNN | RNN layer = 3, Number of the RNN units = 64, Each batch = 64, Iteration = 200, Dense = 1, Dropout rate = 0.1, Optimizer = Adam, Loss function = MSE, Activation function = ReLu |
| Algorithms | Dataset | MAE | RMSE | R2 |
|---|---|---|---|---|
| LSTM | Train | 0.104 | 0.171 | 0.946 |
| Test | 0.225 | 0.238 | 0.928 | |
| RF | Train | 0.321 | 0.472 | 0.801 |
| Test | 0.346 | 0.498 | 0.784 | |
| RNN | Train | 0.256 | 0.386 | 0.843 |
| Test | 0.286 | 0.402 | 0.822 |
| Algorithms | Dataset | MAE | RMSE | R2 |
|---|---|---|---|---|
| LSTM | Train | 0.111 | 0.178 | 0.958 |
| Test | 0.246 | 0.231 | 0.931 | |
| RF | Train | 0.335 | 0.480 | 0.793 |
| Test | 0.363 | 0.503 | 0.762 | |
| RNN | Train | 0.267 | 0.391 | 0.836 |
| Test | 0.291 | 0.433 | 0.817 |
Publisher’s Note: MDPI stays neutral with regard to jurisdictional claims in published maps and institutional affiliations. |
© 2022 by the authors. Licensee MDPI, Basel, Switzerland. This article is an open access article distributed under the terms and conditions of the Creative Commons Attribution (CC BY) license (https://creativecommons.org/licenses/by/4.0/).
Share and Cite
Xu, W.; Cheng, M.; Xu, X.; Chen, C.; Liu, W. Deep Learning Method on Deformation Prediction for Large-Section Tunnels. Symmetry 2022, 14, 2019. https://doi.org/10.3390/sym14102019
Xu W, Cheng M, Xu X, Chen C, Liu W. Deep Learning Method on Deformation Prediction for Large-Section Tunnels. Symmetry. 2022; 14(10):2019. https://doi.org/10.3390/sym14102019
Chicago/Turabian StyleXu, Wei, Ming Cheng, Xiangyang Xu, Cheng Chen, and Wei Liu. 2022. "Deep Learning Method on Deformation Prediction for Large-Section Tunnels" Symmetry 14, no. 10: 2019. https://doi.org/10.3390/sym14102019
APA StyleXu, W., Cheng, M., Xu, X., Chen, C., & Liu, W. (2022). Deep Learning Method on Deformation Prediction for Large-Section Tunnels. Symmetry, 14(10), 2019. https://doi.org/10.3390/sym14102019

