Next Article in Journal
Data-Driven Analytics Leveraging Artificial Intelligence in the Era of COVID-19: An Insightful Review of Recent Developments
Previous Article in Journal
Rolling Bearing Fault Diagnosis Based on Deep Learning and Autoencoder Information Fusion
Previous Article in Special Issue
An Infinite Family of Compact, Complete, and Locally Affine k-Symplectic Manifolds of Dimension Three
 
 
Font Type:
Arial Georgia Verdana
Font Size:
Aa Aa Aa
Line Spacing:
Column Width:
Background:
Article

Recurrent Generalization of F-Polynomials for Virtual Knots and Links

1
Department of Mathematics, Indian Institute of Technology Ropar, Rupnagar 140001, Punjab, India
2
Laboratory of Topology and Dynamics, Novosibirsk State University, 630090 Novosibirsk, Russia
3
Regional Scientific and Educational Mathematical Center, Tomsk State University, 634050 Tomsk, Russia
4
Faculty of Mathematics, National Research University “Higher School of Economics”, 109028 Moscow, Russia
5
Sobolev Institute of Mathematics, Siberian Branch of the Russian Academy of Sciences, 630090 Novosibirsk, Russia
*
Author to whom correspondence should be addressed.
Symmetry 2022, 14(1), 15; https://doi.org/10.3390/sym14010015
Submission received: 23 October 2021 / Revised: 15 December 2021 / Accepted: 16 December 2021 / Published: 23 December 2021
(This article belongs to the Special Issue Modern Geometry and Symmetries)

Abstract

F-polynomials for virtual knots were defined by Kaur, Prabhakar and Vesnin in 2018 using flat virtual knot invariants. These polynomials naturally generalize Kauffman’s affine index polynomial and use smoothing in the classical crossing of a virtual knot diagram. In this paper, we introduce weight functions for ordered orientable virtual and flat virtual links. A flat virtual link is an equivalence class of virtual links with respect to a local symmetry changing a type of classical crossing in a diagram. By considering three types of smoothing in classical crossings of a virtual link diagram and suitable weight functions, there is provided a recurrent construction for new invariants. It is demonstrated by explicit examples that newly defined polynomial invariants are stronger than F-polynomials.

1. Introduction

The theory of virtual knots and links was introduced by Kauffman in [1] as a generalization of classical knot theory. A knot K is a circle smoothly embedded in the 3-sphere S 3 . A knot diagram is a generically projected knot on a plane without triple intersection or tangent points, and it can be viewed as a regular 4-valent plane graph indicating how one strand passes over another at each vertex. For an elementary introduction to knot theory, see [2]. A virtual knot diagram is described by a decorated 4-valent graph, as before, but with a second type of crossing, a virtual crossing; see [3] for an elementary explanation. It was observed by Kuperberg in [4] that the study of virtual knots is naturally related to the study of knots and links embedded in 3-manifolds, which are thickened surfaces. Following Kauffman’s approach, we consider virtual links as equivalence classes of virtual link diagrams with the equivalence relations corresponding to generalized Reidemeister moves. Recall that a virtual knot or link diagram is a 4-regular planar graph, where each vertex is indicated as either classical or virtual crossing. Consider oriented virtual links, where each virtual crossing is depicted by placing a small circle around the vertex. In Figure 1, the fist two crossings are classical, and the third crossing is virtual.
Virtual knots are used in the topological analysis of proteins since they naturally appear as virtual closers of knotoids; see [5,6,7]. One can define invariants of knotoids analogously to invariants of virtual knots [8].
Polynomial invariants for virtual knots, based on the index values in classical crossings, were introduced by Cheng and Gao [9], known as the writhe polynomial, and by Kauffman [10], known as the affine index polynomial. The connection of the affine index polynomial with the virtual knot cobordism is described in [11]. For related polynomial invariants and their properties, see [12,13,14,15,16]. Three kinds of invariants of a virtual knot, called the first, second and third intersection polynomials, were introduced recently in [17]. F-polynomials for oriented virtual knots were constructed in [18] as a generalization of the affine index polynomial. The construction of F-polynomials is based on invariants of flat virtual knots. A flat virtual link is an equivalence class of virtual links with respect to a local symmetry changing type of classical crossing in a diagram. Two types of classical crossings are presented in Figure 1. F-polynomials were calculated for tabulated virtual knots in [19] and [20], and successfully used to distinguish some oriented virtual knots in [21]. Another approach to construct invariants of flat virtual knots can be based on the representation of flat virtual braids by automorphisms of free groups; see, for example, ref. [22].
The paper is organized as follows. Section 2 contains some preliminary information about generalized Reidemeister moves, definitions of sign and index of classical crossings, orientation revising smoothing of an oriented virtual knot diagram and F-polynomials introduced in [18]. In Section 3, we introduce weight functions associated with classical crossings (see Definitions 1 and 2). In Section 4, weight functions are used to define the I-function and flat I-function (see Definitions 5 and 6. We prove in Theorem 1 that these functions are invariants of ordered oriented virtual links and ordered oriented flat virtual links, respectively. All introduced notions are illustrated by Examples 1–4. In Section 5, by considering two more types of smoothing in classical crossings, we construct corresponding weight functions taking values in the free Z -module, generated by ordered oriented flat virtual links (see Theorem 2). Such invariants, corresponding to type-2 smoothing, are constructed in Corollary 1 and used in Example 5 to demonstrate that the virtual Kishino knot, a famous connected sum of two trivial virtual knots, is non-trivial. In Section 6, we present a recurrent construction of a sequences of invariants—see Proposition 1—and realize this method to define a multi-variable generalization of the F-polynomial in Theorem 3. In Section 7, the ( n , m ) -difference writhe of a virtual knot diagram is defined and used to construct an invariant F K n , m , k ( t , 1 , 2 ) of an oriented virtual knot in Theorem 4. Furthermore, we demonstrate that this invariant is stronger than the F-polynomial. In Section 8, we introduce an ordered virtual link invariant denoted by span n , k ( L ) and its flat version fspan n , k ( L ) , which is an ordered flat virtual link invariant; see Theorem 5. Then, we use fspan n , k ( L ) to construct a family of oriented virtual knot invariants F ˜ n , k , m ( t , , v ) on variables t, and v in Theorem 6 and demonstrate that these 3-variable polynomials are stronger than the F-polynomial.

2. Preliminaries

An n-component link L is ordered, if its components are labeled by different integers from 1 to n. Analogously, ordered virtual links and ordered flat virtual links can be defined. Ordered knots are the particular 1-component case.
In this paper, we consider ordered oriented virtual links and ordered flat virtual links. Usual oriented virtual links and oriented flat virtual links can be obtained by forgetting the ordering.
When ordering is not important in our considerations, we do not present labels of components in figures.
Two diagrams of ordered oriented virtual links are equivalent if and only if one can be obtained from another by a finite sequence of generalized Reidmeister moves. By generalized Reidemeister moves, we mean the union of classical Reidemeister moves and virtual Reidemeister moves. The non-oriented versions of these moves are presented in Figure 2, and oriented versions can be obtained by considering all possible orientations of link components.
An ordered oriented virtual link is defined as an equivalence class of link diagrams modulo generalized Reidemeister moves. For a link diagram D, we denote the set of its classical crossings by C ( D ) . D * denotes a mirror image of D that is a diagram obtained from D by changing all classical crossings, and for c C ( D ) , we denote by c * a crossing corresponding to c in C ( D * ) . An arc of a diagram is an edge of a corresponding 4-regular graph. An object (or a quantity) associated with a diagram that remains invariant under all generalized Reidemeister moves is called an ordered oriented virtual link invariant.
The sign of a classical crossing c C ( D ) , denoted by sgn ( c ) , is defined as in Figure 3.
Assign an integer value to each arc in D in such a way that the labeling around each crossing point of D follows the rule as shown in Figure 4.
The index value for a classical crossing c C ( D ) , denoted by Ind ( c ) , is defined as
Ind ( c ) = sgn ( c ) ( a b 1 ) .
Then, the affine index polynomial of a knot K is defined via its diagram D as
P K ( t ) = c C ( D ) sgn ( c ) ( t Ind ( c ) 1 ) .
For properties and applications of P K ( t ) , see [9,10,11,12].
For each n Z \ { 0 } , the n-th writhe J n ( D ) of a virtual knot diagram D is defined as the number of positive sign crossings minus the number of negative sign crossings of D with index value n. The n-th writhe is a virtual knot invariant. Using the n-th writhe, a new invariant n-th d-writhe (difference writhe) of D denoted by J n ( D ) was defined in [18] as
J n ( D ) = J n ( D ) J n ( D ) .
Thus, J n ( D ) is a flat virtual knot invariant. For a classical crossing c C ( D ) , denote by D c a diagram, obtained from D by the type-1 smoothing of the diagram D at the crossing c; see Figure 5. This smoothing was used in [18] and called a smoothing against orientation.
Values J n ( D c ) for c C ( D ) were used in [18] to construct a family of polynomial invariants F K n ( t , ) . An n-th F-polynomial of a knot K is defined via its diagram D as
F K n ( t , ) = c C ( D ) sgn ( c ) t Ind ( c ) J n ( D c ) c T n ( D ) sgn ( c ) J n ( D c ) c T n ( D ) sgn ( c ) J n ( D ) ,
where T n ( D ) consists of classical crossings of the diagram D with the following property:
T n ( D ) = { c C ( D ) J n ( D c ) = ± J n ( D ) } .
For properties and applications of F K n ( t , ) , see [18,19,20].

3. Weight Functions

Let D be a subset of all ordered oriented virtual link diagrams with the following property: if D D , then all diagrams obtained from D by generalized Reidemeister moves, crossing change operation, reversing orientation and reordering of components also belong to D . Let us call D a regular set of diagrams. The corresponding set of links is said to be a regular set of ordered oriented virtual links. A regular set of unordered oriented virtual links and a regular set of ordered oriented flat virtual links can be obtained by forgetting the ordering of components and types of classical crossings, respectively.
Denote by C ( D ) the set of all classical crossings of diagrams D D .
Definition 1. 
Let G be an abelian group and w : C ( D ) G be a function that assigns a value w ( c ) G to a classical crossing c C ( D ) for all diagrams D D . Function w is said to be a weight function; write w W G , if it satisfies weight function conditions (C1)–(C3):
(C1)
w is local, i.e., if D is obtained from D by a generalized Reidemeister move such that a crossing c D is not involved in this move and c D is the corresponding crossing, then w ( c ) = w ( c ) ;
(C2)
if diagram D is obtained from D by an RIII move and involved classical crossings, a , b , c D have weights w ( a ) , w ( b ) and w ( c ) , as well as involved crossings of a , b , c D have weights w ( a ) , w ( b ) and w ( c ) —see Figure 6—then w ( a ) = w ( a ) , w ( b ) = w ( b ) and w ( c ) = w ( c ) .
(C3)
if diagram D is obtained from D by an SV move and involved classical crossing c D has weight w ( c ) , as well as involved classical crossing c D has weight w ( c ) —see Figure 7—then w ( c ) = w ( c ) .
Definition 1 may be considered a generalization of the Chord Index axioms in [23].
Definition 2. 
Let w : C ( D ) G be a weight function. Assume that diagram D is obtained from D by an RII move and α, β are crossings involved. If w ( β ) = w ( α ) , then w is said to be an odd weight function and we write w W G o d d . If w ( β ) = w ( α ) , then w is said to be an even weight function and we write w W G e v e n .
Example 1. 
Let α and β be classical crossings involved in the RII move, as in Figure 8.
Consider two functions w 1 , w 2 : C ( D ) Z , where w 1 ( c ) = sgn ( c ) is the sign of the crossing, defined in Figure 3, and w 2 ( c ) = Ind ( c ) is the index of the crossing, defined by (1). Both of them are weight functions. Since w 1 ( α ) = 1 and w 1 ( β ) = 1 , we obtain w 1 ( β ) = w 1 ( α ) and hence w 1 W Z o d d . Since w 2 ( α ) = sgn ( α ) · ( a b 1 ) = a b 1 and w 2 ( β ) = sgn ( β ) · ( b + 1 ( a 1 ) 1 ) = a b 1 , we obtain w 2 ( β ) = w 2 ( α ) and hence w 2 W Z e v e n .
For two weight functions u , v : C ( D ) G , where G is an abelian group, define a sum and a product (if the codomain G is a ring) as follows:
( u + v ) ( c ) = u ( c ) + v ( c ) and ( u v ) ( c ) = u ( c ) v ( c ) .
Therefore, W G is an abelian group with W G o d d and W G e v e n as subgroups. The set W Z with operations (3) forms a ring, and it may be convenient to regard W G as a W Z -module with the module multiplication denoted by the same symbol “∗”.
For any w W G 1 and any homomorphism ϕ : G 1 G 2 of abelian groups, the composition w = ϕ w is a weight w W G 2 .
We also admit cases when weight functions may be not defined for some crossings of a diagram. In these cases, we adopt the following approach.
Definition 3. 
A subset C ( D ) C ( D ) is said to be consistent if the characteristic function 1 C ( D ) : C ( D ) { 0 , 1 } Z of the set C ( D ) is an even weight function.
Example 2. 
For positive integers i and j, consider the regular set D L n of all diagrams of ordered oriented virtual links with at least n-components, where n = max { i , j } . Let C i ( D L n ) be the set containing crossings only of the i-th component, and let C i j ( D L n ) be the set containing only crossings that belong to both i-th and j-th components. The characteristic functions of sets C i ( D L n ) and C i j ( D L n ) are even weight functions.
Weight functions for consistent subsets of C ( D ) can be defined in the following way.
Definition 4. 
Let C ( D ) C ( D ) be consistent. Then, w : C ( D ) G is said to be a weight function defined for C ( D ) if w satisfies weight function conditions (C1)–(C3) for all crossings in C ( D ) .
Remark 1. 
If C ( D ) C ( D ) is consistent, and w : C ( D ) G is a weight function, then w can be extended to w : C ( D ) G by defining
w ( c ) = w ( c ) , c C ( D ) , 0 , otherwise .

4. I-Functions

Let D ( L ) D be the set of all regular diagrams of an ordered oriented virtual link L, and u : C ( D ) G be some weight function, where C ( D ) is a consistent subset of C ( D ) . For a diagram D D ( L ) , denote by R ( u , D ) the set of weights u ( c ) , where c is a classical crossing in D that may be reduced by a single RI move. Then, take a union over all diagrams of L:
R ( u , L ) = D D ( L ) R ( u , D ) .
For some weight functions, the set R ( u , L ) can be easily described as in Example 3.
Example 3. 
(i) Consider the weight function u ( c ) = Ind ( c ) . If c C ( D ) can be reduced by an RI move, then, by Figure 4, the labeling around c is such that a = b 1 ; hence, by (1), Ind ( c ) = 0 . Therefore, for any oriented virtual knot K, R ( Ind , K ) = { 0 } .
(ii) Consider the weight function u ( c ) = J n ( D c ) . As above, if c C ( D ) can be reduced by an RI move, then Ind ( c ) = 0 , whence either J n ( D c ) = J n ( D ) or J n ( D c ) = J n ( D ) . Therefore, for any oriented virtual knot K, R ( u , K ) = { ± J n ( K ) } .
Let C ( D ) and C ( D ) be consistent subsets of C ( D ) . Suppose that there are weight functions v : C ( D ) G 1 and w : C ( D ) G 2 are such that v W G 1 o d d and w W G 2 e v e n . We can assume that C ( D ) is a subset of C ( D ) . Otherwise, we can replace v with its extension on C ( D ) as in Remark 1 and take C ( D ) = C ( D ) .
Definition 5. 
Let D D be a diagram of an ordered oriented virtual link L and in the above notations g G 2 be such that g R ( w , L ) or R ( v , L ) = { 0 } . Define I-function I : D G 1 by
I ( D ; v , w , g ) = c C : w ( c ) = g v ( c ) .
Hereafter, we will require that all our weight functions are local with respect to crossing change operation. Then, to every weight function w : C ( D ) G , one can associate a weight function w * : C ( D ) G induced by taking a mirror image, i.e., w * ( c ) = w ( c * ) .
Definition 6. 
Let D D be a diagram of an ordered oriented virtual link L and in the above notations g G 2 is such that g R ( w , L ) or R ( v , L ) = { 0 } . Define a flat I-function I f : D G 1 by
I f ( D ; v , w , g ) = c C : w ( c ) = g v ( c ) + c C " : w * ( c ) = g v * ( c ) .
Theorem 1. 
In the above notations,
(i)
I ( D ; v , w , g ) is an ordered oriented virtual link invariant;
(ii)
I f ( D ; v , w , g ) is an ordered oriented flat virtual link invariant.
Proof of Theorem 1. 
(i) Since I ( D ; v , w , g ) is a sum over classical crossings, it is invariant under moves VRI, VRII and VRIII, which involve virtual crossings only. Moreover, it is invariant under an RI move since the assumption g R ( w , L ) or R ( v , L ) = { 0 } implies that any crossing involved in an RI move does not participate in the sum. The invariance under the RII move follows from the assumption v W o d d . Indeed, if two crossings c 1 and c 2 in the sum are involved in the RII move, then v ( c 1 ) = v ( c 2 ) . Invariance under moves RIII and SV follows from assumptions (C2) and (C3) of Definition 1.
(ii) Note that v W G 1 o d d implies v * W G 1 o d d , and w W G 2 e v e n implies w * W G 2 e v e n . Therefore, by (i), I ( D ; v * , w * , g ) is also a virtual link invariant, and hence I f ( D ; v , w , g ) is a virtual link invariant, being a sum of invariants.
To prove that I f ( D ; v , w , g ) is an invariant of flat virtual links, it is enough to show that it is an invariant under crossing change. Let D be a diagram of L and c 0 C ( D ) . Let D be a diagram obtained from D by a crossing change in c 0 , and c 0 be a crossing in D corresponding to c 0 . Then,
I f ( D ; v , w , g ) = w ( c ) = g , c c 0 v ( c ) + w * ( c ) = g , c c 0 v * ( c ) + S ,
where
S = 0 , if w ( c 0 ) g and w * ( c 0 ) g , v ( c 0 ) , if w ( c 0 ) = g and w * ( c 0 ) g , v * ( c 0 ) , if w ( c 0 ) g and w * ( c 0 ) = g , v ( c 0 ) + v * ( c 0 ) , if w ( c 0 ) = w * ( c 0 ) = g .
Analogously,
I f ( D ; v , w , g ) = w ( c ) = g , c c 0 v ( c ) + w * ( c ) = g , c c 0 v * ( c ) + S ,
where
S = 0 , if w ( c 0 ) g and w * ( c 0 ) g , v ( c 0 ) , if w ( c 0 ) = g and w * ( c 0 ) g , v * ( c 0 ) , if w ( c 0 ) g and w * ( c 0 ) = g , v ( c 0 ) + v * ( c 0 ) , if w ( c 0 ) = w * ( c 0 ) = g .
Since weight functions v and w are local by (C1) of Definition 1, then, after the crossing change in c 0 , in expressions (6) and (7), only S and S may differ. Now, let us change all crossings in D except c 0 . Then, we obtain a mirror image D * of a diagram D. Denote by c 0 * the crossing in D * , which corresponds to c 0 Hence, v ( c 0 ) = v ( c 0 * ) and w ( c 0 ) = w ( c 0 * ) . Since, by definition, v * ( c ) = v ( c * ) and w * ( c ) = w ( c * ) , we conclude v ( c 0 ) = v * ( c 0 ) and w ( c 0 ) = w * ( c 0 ) . Similarly, we acquire v * ( c 0 ) = v * ( c 0 * ) = v ( c 0 ) and w * ( c 0 ) = w * ( c 0 * ) = w ( c 0 ) . Applying these equalities to S , we obtain S = S . Therefore, (7) is equal to (6); hence, I f is a flat virtual link invariant. □
By Theorem 1, we can use notations I ( L ; v , w , g ) and I f ( L ; v , w , g ) instead of I ( D ; v , w , g ) and I f ( D ; v , w , g ) , where D is a diagram of a virtual link L.
Example 4. 
Consider weight functions v ( c ) = sgn ( c ) W Z o d d and w ( c ) = Ind ( c ) W Z e v e n . Then,
I ( D ; v , w , n ) = w ( c ) = n v ( c ) = Ind ( c ) = n sgn ( c ) = J n ( D )
is the defined above the n-th writhe number and
I f ( D ; v , w , n ) = w ( c ) = n v ( c ) + w * ( c ) = n v * ( c ) = J n ( D ) + Ind ( c ) = n ( sgn ( c ) ) = J k ( D ) J k ( D ) = J k ( D ) ,
which is the n-th difference writhe number defined by (2).

5. Smoothings in Classical Crossings and Invariants

Type-1 smoothing, presented in Figure 5, was used to construct F-polynomials. Applying the type-1 smoothing to a classical crossing c D , which belongs to a single connected component, namely c C i ( D ) for some i as in Example 2, we obtain a link diagram with one less classical crossing and the same number of components.
Let us consider another type of smoothing of virtual link diagrams in classical crossings as below. The type-2 smoothing is presented in Figure 9. Consider a diagram of an n-component ordered oriented virtual link and assume that, in classical crossing c, two meeting arcs belong to the same, say, i-th component: c C i ( D ) . After the presented smoothing, we will obtain a diagram of an ordered ( n + 1 ) -component link. The smoothing induces the order change: one arc will preserve the orientation and the corresponding component will be the i-th, but another arc will obtain the reverse orientation and the corresponding component will be the ( n + 1 ) -th.
The type-3 smoothing is presented in Figure 10. Consider a diagram of a 2-component ordered oriented virtual link, and assume that crossing c belongs to both components. Then, after smoothing, we will obtain a diagram of the knot. Note that type-3 smoothing can be generalized to n-component ordered oriented virtual links to obtain an ( n 1 ) -component link as a result. In this case, we take c C i j ( D ) for some i , j such that 1 i , j n and i j —see Example 2.
Furthermore, for a classical crossing c D , we denote by D c , D c and D c a diagram obtained from D by smoothing of type-1, type-2 and type-3, respectively.
Let us denote by VL flat a free Z -module generated by ordered oriented flat virtual links. For a virtual link diagram D, denote by [ D ] a flat virtual link whose diagram is obtained from D by replacing all classical crossings with flat crossings. Then, [ D ] VL flat .
Theorem 2. 
Define functions S 1 ( c ) = [ D c ] and S 2 ( c ) = [ D c ] if c C i ( D ) for some i, and S 3 ( c ) = [ D c ] if c C i j ( D ) for some i j . Then, S 1 , S 2 and S 3 are even weight functions. Moreover, if crossing c D can be reduced by an RI move, then
  • [ D c ] is equivalent to either [ D ] or [ D ] , where D is obtained from D by reversing the orientation on the component, containing c;
  • [ D c ] is equivalent to [ D ] with one unknot added, where the ordering and orientation of components are induced by type-2 smoothing;
  • type-3 smoothing cannot be applied at crossing c.
Proof of Theorem 2. 
The proof is a straightforward check of Reidemeister moves with all possible orientations. For S 1 , it was done in [18] (Theorem 3.3). A proof for S 2 is provided here.
RI move: Let D be a diagram of an ordered oriented n-component virtual link. Consider crossing c D , which can be reduced by an RI move on the i-th component; see Figure 11. After type-2 smoothing, we obtain a new component, which is an unknot. If, after smoothing, the i-th component remains i-th, then its orientation is preserved. If, after smoothing, the i-th component becomes the ( n + 1 ) -th component, then its orientation is reversed.
RII move: Let D be a diagram of an ordered oriented n-component virtual link. Consider crossings c 1 , c 2 D that belong to the i-th component and can be reduced by an RII move. Depending on the orientation, there are two cases, presented in Figure 12 and Figure 13. For each case, we have two possibilities of type-2 smoothing: since the i-th component splits into two components, one of them will be either i-th or ( n + 1 ) -th, and, respectively, another will be ( n + 1 ) -th or i-th.
In the case presented in Figure 12, two diagrams, obtained by smoothing, are equivalent under one crossing change, so they are equivalent to flat diagrams. In the case presented in Figure 13, two diagrams, obtained by smoothing, are equivalent under RI moves, so they are equivalent.
RIII move: Consider the RIII move presented in Figure 14 with components enumerated by i, j and k, where some of these numbers may coincide.
Let us apply type-2 smoothings in three crossings of the initial (before RIII move) diagram and in three crossings of the terminal (after RIII move) diagram. Thus, we obtain three smoothed diagrams of virtual links on the left-hand side in Figure 15 and three smoothed diagrams of virtual links on the right-hand side in the same figure. It is clear from Figure 15 that smoothed diagrams for corresponding crossings are flat equivalent (for crossing of components i and k ) or equivalent (for crossing of components i and j and crossing of components j and k).
SV move: Consider the SV move presented in Figure 16, where link components are enumerated by i, j and k, where some of these numbers may coincide.
Let us apply type-3 smoothing in a crossing of the initial (before SV move) diagram and a crossing of the terminal (after SV move) diagram; see Figure 17. It is clear that the smoothed diagrams are equivalent.
Hence, S 2 satisfies the weight function conditions.
For S 3 , the proof follows by analogous considerations. □
Since, by Theorem 2, function S 2 is an even weight function, according to Theorem 1, the following invariants can be constructed.
Corollary 1. 
Consider function B i : D VL flat , defined by
B i ( D ) = c C i ( D ) : [ D c ] R ( S 2 , D ) sgn ( c ) [ D c ] ,
and flat virtual link invariant B flat i : D VL flat , defined by
B flat i ( D ) = c C i ( D ) : [ D c ] R ( S 2 , D ) sgn ( c ) ( [ D c ] [ D c * ] ) ,
where c C i ( D ) means that, in the crossing c, both arcs belong to the i-th component of a link. Then, B i is an ordered oriented virtual link invariant and B flat i is an ordered oriented flat virtual link invariant.
Invariants B i and B flat i appear to be useful for studying the connected sums of virtual knots. Example 5 demonstrates how these invariants can be used to prove that a Kishino knot, the famous connected sum of two trivial virtual knots [24] (p. 23), is non-trivial.
Example 5. 
Let K be an oriented virtual Kishino knot, as presented in Figure 18. We will show that B 1 ( K ) 0 ; hence, K is distinguished from the unknot by B 1 .
Denote the classical crossings by a, b, c and d as shown in Figure 18. To calculate B 1 ( K ) , we find signs of these crossings:
sgn ( a ) = sgn ( d ) = 1 a n d sgn ( b ) = sgn ( c ) = 1 .
Since K is a knot, according to the definition of B 1 , we consider smoothings in all crossings:
B 1 ( K ) = [ K a ] + [ K b ] + [ K c ] [ K d ] .
Each smoothing provides an ordered oriented 2-component virtual link. One can check that
[ K a ] = [ K d ] a n d [ K b ] = [ K c ] ,
so we only need to prove that [ K a ] and [ K b ] , presented in Figure 19, are distinct.
To simplify the notations, say K 1 = K a and K 2 = K b . It is easy to see that only crossings c and d correspond to the 2-nd component of K 1 . Then,
B flat 2 ( K 1 ) = [ K 1 c ] [ K 1 c * ] [ K 1 d ] + [ K 1 d * ] a n d B flat 2 ( K 2 ) = 0 ,
where c * and d * are crossing changes of c and d, respectively. Smoothed diagrams of K 1 are presented in Figure 20, and smoothed diagrams corresponding to c * and d * are presented in Figure 21.
In B flat 2 ( K 1 ) , there are two summands with “+” and two with “−”. Note that, in K 1 c and in K 1 d * , the 3-rd component is non-trivially linked with two other components, but for K 1 c * and K 1 d , this is not true. Hence, there are no cancelations and B flat 2 ( K 1 ) 0 . Therefore, the Kishino knot is not equivalent to the unknot.

6. Recurrent Construction of a Sequence of Invariants

In this section, we will describe a recurrent construction of invariants based on Theorem 1 and using recurrently defined odd and even weight functions. Below, we consider the case of ordered links, and analogous statements hold for the case of unordered links.
As well as above, VL flat denotes a free Z -module generated by ordered oriented flat virtual links. Any invariant A 1 of ordered oriented flat virtual links taking values in a group G may be extended to a homomorphism A 1 : VL flat G . Similarly, any even weight function F 1 W VL flat e v e n defines a weight function A 1 F 1 W G e v e n .
Suppose that there is given an even weight function w 1 W H 1 e v e n for some abelian group H 1 . Consider an odd weight function u 1 such that u 1 W Z o d d if G is a group, and u 1 W G o d d if G is a ring. Then, according to Definitions 5 and 6, we can define the I-function (see Formula (4)) and flat I f -function (see Formula (5)) by using even weight w 1 and odd weight v 1 = u 1 ( A 1 F 1 ) , where the product ∗ of weights is defined by Formula (3):
I ( D ; v 1 , w 1 , h 1 ) = w 1 ( c ) = h 1 v 1 ( c )
and
I f ( D ; v 1 , w 1 , h 1 ) = w 1 ( c ) = h 1 v 1 ( c ) + w 1 ( c * ) = h 1 v 1 ( c * ) ,
for h 1 H 1 such that h 1 R ( w 1 , L ) or R ( v 1 , L ) = { 0 } , where D is a diagram of an ordered oriented virtual link L.
The procedure can be repeated by taking odd weights u i W G o d d , even weights F i W VL flat e v e n and even weights w i W H i e v e n for abelian groups H i , where i = 2 , 3 , . By Theorem 1, we obtain a family of ordered oriented flat virtual link invariants A i : VL flat G defined by
A i ( D ) = I f ( D ; v i 1 , w i 1 , h i 1 ) , for i > 1 ,
where v i 1 = u i 1 ( A i 1 F i 1 ) . Continuing the process, for i > 1 , we will obtain I-functions
I ( D ; v i , w i , h i ) = w i ( c ) = h i v i ( c )
and flat I-functions
I f ( D ; v i , w i , h i ) = w i ( c ) = h i v i ( c ) + w i ( c * ) = h i v i ( c * ) .
Note that, in general, h i cannot be arbitrary elements of H i , since
I f ( D ; u i ( A i F i ) , w i , h i )
is guaranteed to be an invariant only for h i R ( w i , D ) . Finding proper elements h i to make A i + 1 F i + 1 a well-defined weight function seems a difficult problem. To avoid this problem, we require R ( u i , D ) = { 0 } for all D. Then, we can take h i equal to any element of the group H i and we obtain the following proposition.
Proposition 1. 
Assume that there is an ordered oriented flat virtual link invariant A 1 taking values in a group G and a sequence { ( F i , w i , h i , u i ) } i N such that F i W VL flat e v e n , w i W H i e v e n , h i H i , and u i W Z o d d (or u i W G o d d if G is a ring) such that R ( u i , D ) = { 0 } for all link diagrams. Then, there are even weight functions A i F i and corresponding sequences of invariants
I ( D ; u i ( A i F i ) , w i , h i ) and A i + 1 = I f ( D ; u i ( A i F i ) , w i , h i ) .
The sequence that we obtain is useful when ( F i , w i , h i , u i ) = ( F 1 , w 1 , h 1 , u 1 ) for all i.
Corollary 2. 
Given three weight functions v W H o d d , w W G e v e n and F W VL flat e v e n such that R ( w , L ) = { 0 } for all links L and a sequence { g i G } i N , there is an infinite sequence of weight functions { v i } i N generated by them.
Proof. 
Let A 1 ( D ) = I f ( D , v , w , g ) . By taking F i = F , w i = w , u i = sgn w and applying Proposition 1, we obtain the desired sequence. □
Remark 2. 
At each step, we may substitute VL flat by a module generated by a regular set of flat links D flat and consider the weight functions and invariants that are defined for these links. Proposition 1 and Corollary 2 will remain true, with some obvious changes.
Furthermore, we will restrict ourselves to the case where F i are smoothings and provide some examples, generalizing already known invariants. Before providing examples, let us define a polynomial invariant associated with these sequences. For simplicity, suppose that G = H i = Z .
Theorem 3. 
Let S = { s 1 , , s k } be a finite set of weight functions where s i = A m i F m i for some m i N , w W Z o d d and v W Z e v e n such that R ( v , D ) = { 0 } for all D. Then,
F ( t , 1 , , k ) = c C ( D ) w ( c ) t v ( c ) 1 s 1 ( c ) k s k ( c ) c T ( D ) w ( c ) 1 s 1 ( c ) k s k ( c ) c T ( D ) w ( c ) 1 A m 1 ( D ) k A m k ( D )
is a link invariant, where T ( D ) = { c C ( D ) | s i ( c ) R ( s i , L ) for all i } .
Proof of Theorem 3. 
The proof is analogous to the proof of invariance of F-polynomials in [18] (Theorem 3.3). □
Example 6. 
F D n ( t , ) = c C ( D ) w ( c ) t v ( c ) s 1 ( c ) c T ( D ) w ( c ) s 1 ( c ) c T ( D ) w ( c ) A 1 ( D ) ,
where T ( D ) is a set of crossings of D having the following property:
T n ( D ) = { c D J n ( D c ) = ± J n ( D ) } .

7. (n,m)-Difference Writhe and Invariants of Virtual Knots

By continuing with the recursive procedure, we define new invariants generalizing F-polynomials. Take F 1 to be a type-1 smoothing, and let F i = F 1 for i 2 . Recall that sgn W Z o d d and Ind W Z e v e n , and similar to Example 4 (Formula (9)), define A 1 = I f ( D ; sgn , Ind , n ) = J n . Denoting u i = sgn Ind for i 1 , define
J n , m ( D ) = A 2 ( D ) = I f ( D ; u 2 ( A 1 F 1 ) , w 1 , m ) = = Ind ( c ) = m sgn ( c ) Ind ( c ) J n ( D c ) Ind ( c ) = m sgn ( c ) Ind ( c ) J n ( D c ) = m Ind ( c ) = m sgn ( c ) J n ( D c ) .
By Theorem 1, J n , m ( D ) is an oriented flat virtual knot invariant, and we call it the (n,m)-dwrithe (difference writhe) of an oriented virtual knot K whose diagram is D.
Theorem 4. 
(i) The polynomial
F D n , m , k ( t , 1 , 2 ) = c C ( D ) sgn ( c ) t Ind ( c ) 1 J n ( D c ) 2 J m , k ( D c ) c T ( D ) sgn ( c ) 1 J n ( D c ) 2 J m , k ( D c ) c T ( D ) sgn ( c ) 1 J n ( D ) 2 J m , k ( D ) ,
where
T ( D ) = { c C ( D ) | A 2 F 2 R ( A 2 F 2 , L ) and A 3 F 3 R ( A 3 F 3 , L ) } ,
is an oriented virtual knot invariant.
(ii) The family of invariants F D n , m , k ( t , 1 , 2 ) is stronger than invariants F D n ( t , ) .
Proof of Theorem 4. 
(i) By letting S = { A 2 F 2 , A 3 F 3 } , w = sgn W Z o d d and v = Ind W Z e v e n in Theorem 3, we obtain the desired polynomial invariant.
(ii) It follows from the definition that F D n , m , k coincide with F D n for large enough k. Thus, it suffices to find a knot that cannot be distinguished from the unknot by F–polynomials, but can be distinguished by F D n , m , k –polynomials.
Firstly, let us consider an oriented virtual knot K = 4.31 from the Green’s table (see also [19]) as presented in Figure 22. The diagram has four classical crossings: α , β , γ and δ . Denote by K α and K β oriented virtual knots obtained by type-1 smoothing at classical crossings α and β , respectively. Figure 22 presents labelings of arcs of diagrams of K, K α and K β satisfying the rule from Figure 4.
Values of sign and index for classical crossings, and of n-dwrithe for knots K, K α and K β , are presented in Table 1.
To calculate the (1,1)-dwrithe of K, we observe that the index equals 1 for only two classical crossings: Ind ( α ) = 1 and Ind ( β ) = 1 . Therefore,
J 1 , 1 ( K ) = 1 · Ind ( c ) = 1 sgn ( c ) J 1 ( D c ) = sgn ( α ) J 1 ( K α ) + sgn ( β ) J 1 ( K β ) = ( 1 ) · 2 + 1 · ( 2 ) = 4 .
Consider an oriented virtual knot K with the diagram presented in Figure 23.
Virtual knot K has five classical crossings: α , β , γ , δ 1 and δ 2 . By direct calculations, we obtain
sgn ( β ) = sgn ( δ 1 ) = sgn ( δ 2 ) = 1 , sgn ( α ) = sgn ( γ ) = 1 , Ind ( γ ) = Ind ( δ 1 ) = Ind ( δ 2 ) = 0 , Ind ( α ) = Ind ( β ) = 1 .
Therefore, J 1 ( K ) = J 2 ( K ) = 0 .
It is easy to see that K δ 1 is flat equivalent to the above considered K = 4.31 and K δ 2 is flat equivalent to K . Therefore, J n ( K δ 1 ) = J 2 ( K δ 1 ) = 0 for n = 1 , 2 . Moreover, all other smoothings, K α , K β and K γ , are flat equivalent to the unknot. Hence, we have J 1 ( K c ) = J 2 ( K c ) = 0 for all classical crossings c in the diagram. Since J 1 ( K ) = J 2 ( K ) = 0 , we obtain sets T 1 ( K ) = T 2 ( K ) = { α , β , γ , δ 1 , δ 2 } . Therefore,
F K n ( t , ) = c C ( D ) sgn ( c ) t Ind ( c ) 1 J n ( K c ) = P K ( t ) = sgn ( α ) ( t 1 ) + sgn ( β ) ( t 1 ) = 0
for any n N . Thus, polynomials F n cannot distinguish K from the unknot.
At the same time, we have J 1 , 1 ( K ) = 0 by straightforward calculations, and J 1 , 1 ( K δ 1 ) = 4 and J 1 , 1 ( K δ 2 ) = 4 since K δ 1 is flat equivalent to K and K δ 2 is flat equivalent to K . Therefore, T 1 , 1 ( D ) = { α , β , γ } and
F K 1 , 1 , 1 ( t , 1 , 2 ) = c { α , β , γ } sgn ( c ) t Ind ( c ) 1 2 J 1 , 1 ( K c ) + c { δ 1 , δ 2 } sgn ( c ) t Ind ( c ) 2 J 1 , 1 ( K c ) 2 J 1 , 1 ( K ) = ( 1 ) ( t 0 2 4 1 ) + ( 1 ) ( t 0 2 4 1 ) = 2 4 2 4 + 2 .
Thus, the polynomial F 1 , 1 , 1 does distinguish virtual knot K from the unknot. □

8. Flat Span and Invariants for 2-Component Virtual Links

Let L = K 1 K 2 be an ordered oriented virtual 2-component link, where K 1 is the first component, and K 2 is the second component. Suppose that L is presented by its diagram. Denote by O ( L ) the set of crossings where K 1 passes over K 2 . Define the over-linking number O k for L as follows:
O k ( L ) = c O ( L ) sgn ( c ) .
Analogously, denote by U ( L ) the set of crossings where K 1 passes under K 2 and define the under-linking number U k for L as follows:
U k ( L ) = c U ( L ) sgn ( c ) .
In virtual links, the two linking numbers O k ( L ) and U k ( L ) may be not equal, as can be seen for the ordered oriented virtual Hopf link H shown in Figure 24. It is easy to see that O k ( H ) = 1 and U k ( H ) = 0 . One should also note that with the reversing order of components in H , the two linking numbers will exchange.
Definition 7. 
For an ordered oriented virtual 2-component link L, define its span by
span ( L ) = O k ( L ) U k ( L ) .
Lemma 1. 
span ( L ) is an invariant of ordered oriented 2-component virtual link L.
Proof. 
Since O k ( L ) and U k ( L ) are invariants, span ( L ) is an invariant as their difference. □
Lemma 2. 
Let L be an ordered oriented virtual link, and L is obtained from L by reversing the orientation on both components and preserving the order of its components. Then, span ( L ) = span ( L ) .
Proof. 
Changing the orientation on both components does not change the signs of classical crossings; hence, span ( L ) does not change. □
Definition 8. 
Let D be a diagram of an ordered oriented virtual 2-component link L = K 1 K 2 , and C 12 ( D ) be the set of all classical crossings in D in which K 1 and K 2 meet. For c C 12 ( D ) , let D c be a knot diagram obtained by type-3 smoothing at c D (see Figure 10). For n , k Z , consider set
I n , k = { c D : J n ( D c ) = k } .
Define (n,k)-span for L as follows:
span n , k ( L ) = c O ( L ) I n , k sgn ( c ) c U ( L ) I n , k sgn ( c ) .
Definition 9. 
For a 2-component link L, define the flat span of L as follows:
fspan n , k ( L ) = span n , k ( L ) + span n , k ( L ) .
Theorem 5. 
Let D be a diagram of an ordered oriented virtual 2-component link. Then, span n , k ( D ) is a link invariant and fspan n , k ( D ) is a flat link invariant.
Proof of Theorem 5. 
Let us consider two weight functions
w 1 ( c ) = sgn ( c ) , c O ( D ) , sgn ( c ) , c U ( D ) , 0 , otherwise ,
and
w 2 , n ( c ) = J n ( D c ) , c O ( D ) , 0 , otherwise .
Then, w 1 W Z o d d , w 2 , n W Z e v e n , and by Theorem 1 (Formula (8)), the function
I ( D ; w 1 , w 2 , n , k ) = w 2 , n ( c ) = k w 1 ( c ) = c O ( D ) I n , k sgn ( c ) + c U ( D ) I n , k ( sgn ( c ) ) = span n , k ( D ) ,
where I n , k = { c D : w 2 , n ( c ) = J n ( D c ) = k } is an ordered oriented virtual link invariant.
Note that w 2 , n * ( c ) = w 2 , n ( c * ) = w 2 , n ( c ) since crossing change leads to a change in orientation induced after smoothing, and w 1 * ( c ) = w 1 ( c * ) = w 1 ( c ) since sgn ( c ) = sgn ( c * ) . Moreover, c O ( D ) if and only if c * U ( D ) . Therefore, the value
I f ( K ; w 1 , w 2 , n , k ) = w 2 , n ( c ) = k w 1 ( c ) + w 2 , n * ( c ) = k w 1 * ( c ) = w 2 , n ( c ) = k w 1 ( c ) + w 2 , n ( c ) = k w 1 ( c ) = span n , k ( D ) + span n , k ( D ) = fspan n , k ( L ) ,
is an ordered oriented flat virtual link invariant by Theorem 1. □
Lemma 3. 
Let L = K 1 K 2 be a 2-component link, and L = K 2 K 1 be obtained from L by exchanging the order of its components. Then, fspan n , k ( L ) = fspan n , k ( L ) .
The following theorem gives a 3-parameter family of 3-variable polynomials that are invariants of oriented virtual knots.
Theorem 6. 
(i) The polynomial
F ˜ K n , k , m ( t , , v ) = c C ( D ) sgn ( c ) t Ind ( c ) J n D c v fspan k , m D c c T ( D ) sgn ( c ) J n D c v fspan k , m D c c T ( D ) sgn ( c ) J n ( D ) v fspan k , m D c ,
where
T ( D ) = { c C ( D ) | J n ( D c ) = ± J n ( D ) and fspan k , m ( D c ) = 0 }
is an oriented virtual knot invariant.
(ii) The family of polynomial invariants F ˜ D n , k , m ( t , , v ) is stronger than polynomial invariants F D n ( t , ) .
Proof of Theorem 6. 
(i) Consider weight functions s 1 = J n F 1 and s 2 = fspan k , m F 2 , where F 1 is a type-1 smoothing and F 2 is a type-2 smoothing. Suppose w = sgn W Z o d d and v = Ind W Z e v e n . Then, the statement follows from Theorem 3.
(ii) It is easy to see from the definition of polynomials F ˜ K n , k , m ( t , , v ) that substituting v = 1 gives back polynomials F K n ( t , ) . Therefore, if two virtual knots K and K can be distinguished by F K n ( t , ) for some n, then K and K can also be distinguished by F ˜ K n , k , m ( t , , v ) for any values k and m.
However, in the case when F K n ( t , ) fails to distinguish virtual knots K and K , it may be possible to find a pair ( k , m ) such that K and K can be distinguished by polynomials F ˜ K n , k , m ( t , , v ) .
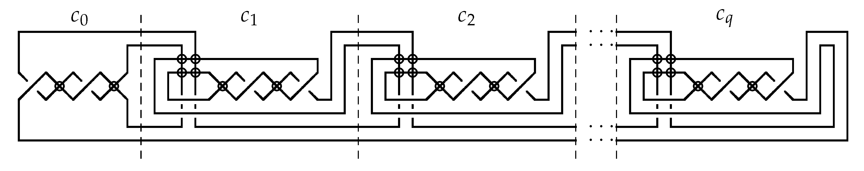
Indeed, consider an infinite family of virtual knots V K q , for positive integer q, presented in Figure 25, where c j , j = 1 , , q , are repeating blocks separated by dashed lines. These virtual knots were constructed in [21] to provide examples of q-simplexes in the Gordian complex of virtual knots corresponding to the arc shift move defined in [25]. It was shown in [25] that the arc shift move together with generalized Reidemeister moves is an unknotting operation for virtual knots. By using the Kauffman F-polynomial, it was shown in [21] that virtual knots V K q are distinct for distinct q.
For q 10 , polynomials F V K q n ( t , ) were computed in [21]. It turns out that each of the polynomials F 2 ( t , ) , F 4 ( t , ) and F 6 ( t , ) is able to distinguish virtual knots V K 1 , V K 2 and V K 3 but not able to distinguish virtual knots V K 3 , , V K 10 .
It is shown in Table 2 that virtual knots V K 3 and V K 4 can be distinguished by each of the polynomials F ˜ 2 , k , m ( t , , v ) for ( k , m ) = ( 2 , 0 ) and ( k , m ) = ( 2 , 2 ) .
This observation completes the proof. □

9. Conclusions

In this paper, we define odd and even weight functions associated with classical crossings in diagrams of virtual knots. The weight functions are used to define I-functions and flat I-functions, which are shown to be invariants of ordered oriented virtual links and ordered oriented flat virtual links, respectively. By using three types of smoothing in classical crossings and suitable weight functions, we provide a recurrent construction for invariants of virtual knots and links. It is demonstrated by explicit examples that newly defined polynomial invariants are stronger than F-polynomials.

Author Contributions

Investigation, A.G., M.I., M.P. and A.V.; Methodology, A.G., M.I., M.P. and A.V.; Writing—original draft, A.G., M.I., M.P. and A.V.; Writing—review and editing, A.G., M.I., M.P. and A.V. The authors contributed equally to this work. All authors have read and agreed to the published version of the manuscript.

Funding

A.G. and M.P. were supported by DST (project number DST/INT/RUS/RSF/P-02), M.I. was supported by RFBR (grant number 19-01-00569), and A.V. was supported by RSF (grant number 20-61-46005).

Conflicts of Interest

The authors declare no conflict of interest.

References

  1. Kauffman, L.H. Virtual knot theory. Eur. J. Combin. 1999, 20, 663–690. [Google Scholar] [CrossRef]
  2. Adams, C. The Knot Book: An Elementary Introduction to the Mathematical Theory of Knots; W. H. Freeman and Company: New York, NY, USA, 1994. [Google Scholar]
  3. Silver, D.; Williams, S. What is a virtual knot? Notes AMS 2017, 64, 461–464. [Google Scholar] [CrossRef]
  4. Kuperberg, G. What is a virtual knot? Algebr. Geom. Topol. 2003, 3, 587–591. [Google Scholar] [CrossRef]
  5. Alexander, K.; Taylor, A.; Dennis, M. Proteins analysed as virtual knots. Sci. Rep. 2017, 7, 42300. [Google Scholar] [CrossRef]
  6. Goundaroulis, D.; Gügümcü, N.; Lambropoulou, S.; Dorier, J.; Stasiak, A.; Kauffman, L. Topological models for open-knotted protein chains using the concepts of knotoids and bounded knotoids. Polymers 2017, 9, 444. [Google Scholar] [CrossRef] [PubMed]
  7. Gügümcü, N.; Lambropoulou, S. Knotoids, braidoids and applications. Symmetry 2017, 9, 315. [Google Scholar] [CrossRef]
  8. Gügümcü, N.; Kauffman, L. New invariants of knotoids. Eur. J. Comb. 2017, 65, 186–229. [Google Scholar] [CrossRef]
  9. Cheng, Z.; Gao, H. A polynomial invariant of virtual links. J. Knot Theory Ramif. 2013, 22, 1341002. [Google Scholar] [CrossRef]
  10. Kauffman, L.H. An affine index polynomial of virtual knots. J. Knot Theory Ramif. 2013, 22, 1340007. [Google Scholar] [CrossRef]
  11. Kauffman, L.H. Virtual knot cobordism and the affine index polynomial. J. Knot Theory Ramif. 2018, 27, 1843017. [Google Scholar] [CrossRef]
  12. Kauffman, L.H. The affine index polynomial and the Sawollek polynomial. arXiv 2020, arXiv:2012.01738. [Google Scholar]
  13. Mellor, B. Alexander and writhe polynomials for virtual knots. J. Knot Theory Ramif. 2016, 27, 1650050. [Google Scholar] [CrossRef]
  14. Satoh, S.; Taniguchi, K. The writhes of a virtual knot. Fundam. Math. 2014, 225, 327–341. [Google Scholar] [CrossRef]
  15. Petit, N. The multi-variable affine index polynomial. Topol. Its Appl. 2020, 274, 107145. [Google Scholar] [CrossRef]
  16. Sakurai, M. An affine index polynomial and the forbidden move of virtual knots. J. Knot Theory Ramif. 2016, 25, 1650040. [Google Scholar] [CrossRef]
  17. Higa, R.; Nakamura, T.; Nakanishi, Y.; Satoh, S. The intersection polynomials of a virtual knot. arXiv 2021, arXiv:2102.12067. [Google Scholar]
  18. Kaur, K.; Prabhakar, M.; Vesnin, A. Two-variable polynomial invariants of virtual knots arising from flat virtual knot invariants. J. Knot Theory Ramif. 2018, 27, 1842015. [Google Scholar] [CrossRef]
  19. Ivanov, M.; Vesnin, A. F-polynomials of tabulated virtual knots. J. Knot Theory Ramif. 2020, 29, 2050054. [Google Scholar] [CrossRef]
  20. Vesnin, A.; Ivanov, M. The polynomials of prime virtual knots of genus 1 and complexity at most 5. Sib. Math. J. 2020, 61, 994–1001. [Google Scholar] [CrossRef]
  21. Gill, A.; Prabhakar, M.; Vesnin, A. Gordian complexes of knots and virtual knots given by region crossing changes and arc shift moves. J. Knot Theory Ramif. 2020, 29, 2042008. [Google Scholar] [CrossRef]
  22. Bardakov, V.; Chuzhinov, B.; Emel’yanenkov, I.; Ivanov, M.; Markhinina, E.; Nasybulov, T.; Panov, S.; Singh, N.; Vasyutkin, S.; Yakhin, V.; et al. Representations of flat virtual braids which do not preserve the forbidden relations. arXiv 2020, arXiv:2010.03162. [Google Scholar]
  23. Cheng, Z. The Chord Index, its Definitions, Applications, and Generalizations. Can. J. Math. 2021, 73, 597–621. [Google Scholar] [CrossRef]
  24. Fenn, R.; Ilyutko, D.; Kauffman, L.; Manturov, V. Unsolved problems in virtual knot theory and combinatorial knot theory. Banach Cent. Publ. 2014, 103, 9–61. [Google Scholar] [CrossRef][Green Version]
  25. Gill, A.; Kaur, K.; Prabhakar, M. Arc shift number and region arc shift number for virtual knots. J. Korean Math. Soc. 2019, 56, 1063–1081. [Google Scholar]
Figure 1. Two classical and one virtual crossings.
Figure 1. Two classical and one virtual crossings.
Symmetry 14 00015 g001
Figure 2. Reidemeister moves. (a) Classical Reidemeister moves, (b) Virtual Reidemeister moves.
Figure 2. Reidemeister moves. (a) Classical Reidemeister moves, (b) Virtual Reidemeister moves.
Symmetry 14 00015 g002
Figure 3. Crossing signs.
Figure 3. Crossing signs.
Symmetry 14 00015 g003
Figure 4. Labeling around two classical crossings and about a virtual crossing.
Figure 4. Labeling around two classical crossings and about a virtual crossing.
Symmetry 14 00015 g004
Figure 5. Type-1 smoothing (smoothing against orientation).
Figure 5. Type-1 smoothing (smoothing against orientation).
Symmetry 14 00015 g005
Figure 6. RIII move.
Figure 6. RIII move.
Symmetry 14 00015 g006
Figure 7. SV move.
Figure 7. SV move.
Symmetry 14 00015 g007
Figure 8. RII move involving crossings α and β .
Figure 8. RII move involving crossings α and β .
Symmetry 14 00015 g008
Figure 9. Type-2 smoothing.
Figure 9. Type-2 smoothing.
Symmetry 14 00015 g009
Figure 10. Type-3 smoothing.
Figure 10. Type-3 smoothing.
Symmetry 14 00015 g010
Figure 11. All possible RI moves and corresponding smoothings.
Figure 11. All possible RI moves and corresponding smoothings.
Symmetry 14 00015 g011
Figure 12. First case of RII move and corresponding smoothings.
Figure 12. First case of RII move and corresponding smoothings.
Symmetry 14 00015 g012
Figure 13. Second case of RII move and corresponding smoothings.
Figure 13. Second case of RII move and corresponding smoothings.
Symmetry 14 00015 g013
Figure 14. RIII move.
Figure 14. RIII move.
Symmetry 14 00015 g014
Figure 15. Smoothings before and after RIII move.
Figure 15. Smoothings before and after RIII move.
Symmetry 14 00015 g015
Figure 16. SV move.
Figure 16. SV move.
Symmetry 14 00015 g016
Figure 17. Smoothing before and after SV move.
Figure 17. Smoothing before and after SV move.
Symmetry 14 00015 g017
Figure 18. Kishino knot.
Figure 18. Kishino knot.
Symmetry 14 00015 g018
Figure 19. Diagrams of K 1 = K a and K 2 = K b .
Figure 19. Diagrams of K 1 = K a and K 2 = K b .
Symmetry 14 00015 g019
Figure 20. Diagrams of K 1 c and K 1 d .
Figure 20. Diagrams of K 1 c and K 1 d .
Symmetry 14 00015 g020
Figure 21. Diagrams of K 1 c * and K 1 d * .
Figure 21. Diagrams of K 1 c * and K 1 d * .
Symmetry 14 00015 g021
Figure 22. Diagrams of knots K, K α and K β .
Figure 22. Diagrams of knots K, K α and K β .
Symmetry 14 00015 g022
Figure 23. Diagram of K .
Figure 23. Diagram of K .
Symmetry 14 00015 g023
Figure 24. Virtual Hopf link H .
Figure 24. Virtual Hopf link H .
Symmetry 14 00015 g024
Figure 25. Virtual knot V K q .
Figure 25. Virtual knot V K q .
Symmetry 14 00015 g025
Table 1. Values for K, K α and K β .
Table 1. Values for K, K α and K β .
K K α K β
sgn ( α ) = 1 sgn ( β ) = 1 sgn ( α ) = 1
sgn ( β ) = 1 sgn ( γ ) = 1 sgn ( γ ) = 1
sgn ( γ ) = 1 sgn ( δ ) = 1 sgn ( δ ) = 1
sgn ( δ ) = 1
Ind ( α ) = 1 Ind ( β ) = 1 Ind ( α ) = 1
Ind ( β ) = 1 Ind ( γ ) = 2 Ind ( γ ) = 1
Ind ( γ ) = 0 Ind ( δ ) = 1 Ind ( δ ) = 2
Ind ( δ ) = 0
J 1 ( K ) = 0 J 1 ( K α ) = 2 J 1 ( K β ) = 2
J 2 ( K ) = 0 J 2 ( K α ) = 1 J 2 ( K β ) = 1
Table 2. Polynomials F ˜ V K 3 2 , k , m ( t , , v ) and F ˜ V K 4 2 , k , m ( t , , v ) .
Table 2. Polynomials F ˜ V K 3 2 , k , m ( t , , v ) and F ˜ V K 4 2 , k , m ( t , , v ) .
Knot ( k , m ) F ˜ 2 , k , m ( t , , v )
V K 3 ( 2 , 0 ) 1 t 2 v 8 2 v 6 + 2 + 3 2 + v 4 + 2 v 6 + v 8 v 8 t 2 v 4 2 t 2 v 6 4 + t 2 v 8 3 5
V K 3 ( 2 , 2 ) 1 v 2 t 2 2 v 2 + 2 + 3 2 + v 2 + v 2 t 2 2 + t 2 3 v 2 t 2 4 v 2 4
V K 4 ( 2 , 0 ) 1 t 2 v 8 2 v 6 + 2 + 3 2 + v 4 + 2 v 6 + v 8 v 8 2 t 2 v 4 2 + t 2 v 4 3 + t 2 v 8 2 t 2 v 6 4 5
V K 4 ( 2 , 2 ) 1 v 2 t 2 2 v 2 + 2 + 3 2 + v 2 + v 2 2 t 2 2 + t 2 3 + t 2 2 v 2 t 2 4 v 2 4
Publisher’s Note: MDPI stays neutral with regard to jurisdictional claims in published maps and institutional affiliations.

Share and Cite

MDPI and ACS Style

Gill, A.; Ivanov, M.; Prabhakar, M.; Vesnin, A. Recurrent Generalization of F-Polynomials for Virtual Knots and Links. Symmetry 2022, 14, 15. https://doi.org/10.3390/sym14010015

AMA Style

Gill A, Ivanov M, Prabhakar M, Vesnin A. Recurrent Generalization of F-Polynomials for Virtual Knots and Links. Symmetry. 2022; 14(1):15. https://doi.org/10.3390/sym14010015

Chicago/Turabian Style

Gill, Amrendra, Maxim Ivanov, Madeti Prabhakar, and Andrei Vesnin. 2022. "Recurrent Generalization of F-Polynomials for Virtual Knots and Links" Symmetry 14, no. 1: 15. https://doi.org/10.3390/sym14010015

APA Style

Gill, A., Ivanov, M., Prabhakar, M., & Vesnin, A. (2022). Recurrent Generalization of F-Polynomials for Virtual Knots and Links. Symmetry, 14(1), 15. https://doi.org/10.3390/sym14010015

Note that from the first issue of 2016, this journal uses article numbers instead of page numbers. See further details here.

Article Metrics

Back to TopTop