A Method for Designing and Optimizing the Electrical Parameters of Dynamic Tuning Passive Filter
Abstract
1. Introduction
2. Principle of Design Method
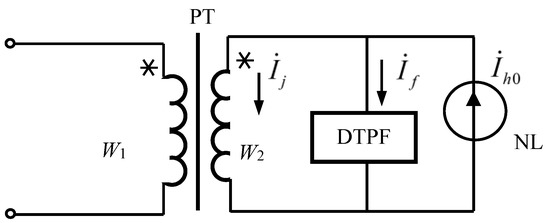
2.1. Topological Structure of a DTPF
2.2. Filter Performance Evaluation Indices
- Harmonic current absorption rate:
- Filter efficiency:
- Current RMS decrease rate and power factor increase rate:
2.3. Implementation Procedures of Design Method
- Step 1: By analyzing the expression of the h-th harmonic current absorption coefficient, the value range of is determined;
- Step 2: Through experimental research, the relationship between the current absorbed by DTPF and the filter capacitor’s capacity is analyzed, and then the value range of the relationship coefficient can be determined;
- Step 3: The design method of the filter capacitor’s capacity is proposed. According to the design value of the h-th harmonic current absorbed by DTPF (), the harmonic current absorbed by DTPF () is determined; then the filter capacitor’s capacity is designed, based on the relationship coefficient ;
- Step 4: The design method of the rated parameters of ECRC is proposed. The inductance of the ECRC is calculated based on the resonance conditions and the engineering adjustment range. According to the harmonic current absorbed by DTPF () and considering the engineering application requirements, the rated current and rated capacity of the ECRC are calculated.
3. Range of Absorption Coefficient and Relationship Coefficient
3.1. Range of Absorption Coefficient
- By adjusting , the value of the h-th harmonic current absorbed (filtered) by DTPF can be altered. The larger the , the larger the h-th harmonic current absorbed by DTPF, and the smaller the h-th harmonic current flowing into the power grid. By contrast, the smaller the , the smaller the h-th harmonic current absorbed by DTPF, and the larger the h-th harmonic current injected into the power grid;
- When = 1, the h-th harmonic current injected into the power grid is 0, realizing the full tuning of DTPF.
- The frequency of the power supply varies with the fluctuation in the nonlinear load;
- The inherent harmonics and converted harmonics of the nonlinear load;
- The larger the , the greater the investment and the higher the cost.
3.2. Range of Relationship Coefficient
- Test (I): The harmonic generator is used to inject 5-th harmonic currents of different magnitudes into the power grid with the capacity of the filter capacitor remaining unchanged. Then, the amount of the 5-th harmonic current absorbed by the DTPF is obtained through testing.
- Judging from Figure 5, under constant capacity of the filter capacitor, with the gradual increase in the 5-th harmonic current injected into the power grid, the 5-th harmonic current absorbed by the DTPF tends to be saturated (the 5-th harmonic current that the DTPF absorbed in this test is up to about 6.5 A);
- For the same DTPF, under the condition that the harmonic frequency and the capacity of the filter capacitor stays constant, the amount of harmonic current absorbed by the DTPF basically remains unchanged.
- Test (II): The harmonic generator is utilized to inject the 5-th harmonic currents of the same magnitude into the power grid, after which the capacity of the filter capacitor is altered, so the magnitude of the 5-th harmonic current absorbed by the DTPF is obtained through test.
4. Implementation of Design Method
4.1. Design of Filter Capacitor Parameters
4.2. Design of ECRC Parameters
5. Genetic Optimizing Method and Simulation System
5.1. Optimization of Objective Function
5.2. Optimization Steps of Electrical Parameters
- Reset the algebraic counter.
- Judge whether the termination condition is satisfied. If the termination condition is satisfied, output the results and end. Otherwise, perform the following steps.
- Call “ranking (ObjV)” function, and sort the target values of individuals from small to large to obtain the fitness value FitnV.
- Call “select (sus, Chrom, FitnV, GGAP)” function, select excellent individuals from the population Chrom and store them into the new population SelCh-select, with GGAP as the generation gap.
- Iterate the operations of selection, recombination, mutation, calculation of the objective function value of the child, reinserting the child into the parent to obtain a new generation until the number of iterations reaches the maximum number of genetic generations.
5.3. Determination of Optimization Results
- Determination of filter capacitor parameters:
- Determination of ECRC parameters:
- Determination of total cost:
5.4. Optimization Simulation System
6. Cases of Electrical Parameter Design
6.1. Settings of Harmonic Source Parameters and Optimization Parameters
- Optimization parameters:
- GA parameters
- Unit prices:
6.2. Parameter Optimization Results
6.3. Output of Parameter Optimization Results
6.4. Rapid Estimation of Electrical Parameters
6.5. Verification and Application
7. Conclusions
Author Contributions
Funding
Institutional Review Board Statement
Informed Consent Statement
Data Availability Statement
Acknowledgments
Conflicts of Interest
References
- Li, D.; Yang, K.; Zhu, Z.Q.; Qin, Y. A Novel Series Power Quality Controller with Reduced Passive Power Filter. IEEE Trans. Ind. Electron. 2017, 64, 773–784. [Google Scholar] [CrossRef]
- Lee, T.L.; Wang, Y.C.; Li, J.C.; Guerrero, J.M. Hybrid active filter with variable conductance for harmonic resonance suppression in industrial power systems. IEEE Trans. Ind. Electron. 2015, 62, 746–756. [Google Scholar] [CrossRef]
- Mboving, A.; Stéphane, C. Investigation on the Work Efficiency of the LC Passive Harmonic Filter Chosen Topologies. Electronics 2021, 10, 896. [Google Scholar] [CrossRef]
- Dovgun, V.P.; Egorov, D.E.; Shevchenko, E.S. Parametric synthesis of passive filter-compensating devices. Russ. Electr. Eng. 2016, 87, 28–34. [Google Scholar] [CrossRef]
- Bollen, M.H.; Das, R.; Djokic, S.; Ciufo, P.; Meyer, J.; Rönnberg, S.K.; Zavodam, F. Power quality concerns in implementing smart distribution-grid applications. IEEE Trans. Smart Grid 2017, 8, 391–399. [Google Scholar] [CrossRef]
- Kalaskar, M.N.R.; Holmukhe, M.R. Report On Harmonics Generation and Mitigation in Power System. Int. J. Eng. Res. 2016, 5, 772–774. [Google Scholar]
- Kalair, A.; Abas, N.; Kalair, A.R.; Saleem, Z.; Khan, N. Review of harmonic analysis, modeling and mitigation techniques. Renew. Sustain. Energy Rev. 2017, 78, 1154–1187. [Google Scholar] [CrossRef]
- Zobaa, A.F. Mixed-Integer Distributed Mixed-Integer Distributed Ant Colony Multi-Objective Optimization of Single-Tuned Passive Harmonic Filter Parameters. IEEE Access 2019, 7, 44862–44870. [Google Scholar] [CrossRef]
- Othman, A.M.; Gabbar, H.A. Enhanced microgrid dynamic performance using a modulated power filter based on enhanced bacterial foraging optimization. Energies 2017, 10, 776. [Google Scholar] [CrossRef]
- Song, Q.; Chen, S.; Zhao, Z.; Liu, Y.; Alsaadi, F.E. Passive filter design for fractional-order quaternion-valued neural networks with neutral delays and external disturbance. Neural Netw. 2021, 137, 18–30. [Google Scholar] [CrossRef] [PubMed]
- Alam, K.S.; Xiao, D.; Zhang, D.; Rahman, M.F. Single-Phase Multicell AC–DC Converter with Optimized Controller and Passive Filter Parameters. IEEE Trans. Ind. Electron. 2018, 66, 297–306. [Google Scholar] [CrossRef]
- Zagirnyak, M.; Maliakova, M.; Kalinov, A. An analytical method for calculation of passive filter parameters with the assuring of the set factor of the voltage supply total harmonic distortion. Prz. Elektrotechniczn 2017, 1, 197–200. [Google Scholar] [CrossRef][Green Version]
- Leite, J.C.; Abril, I.P.; de Lima Tostes, M.E.; De Oliveira, R.C.L. Multi-objective optimization of passive filters in industrial power systems. Electr. Eng. 2017, 99, 387–395. [Google Scholar] [CrossRef]
- Bajaj, M.; Sharma, N.K.; Pushkarna, M.; Malik, H.; Alotaibi, M.A.; Almutairi, A. Optimal Design of Passive Power Filter using Multi-objective Pareto-based Firefly Algorithm and Analysis under Background and Load-side’s Nonlinearity. IEEE Access 2021, 9, 22724–22744. [Google Scholar] [CrossRef]
- Busarello, T.D.C.; Pomilio, J.A.; Simões, M.G. Passive filter aided by shunt compensators based on the conservative power theory. IEEE Trans. Ind. Appl. 2016, 52, 3340–3347. [Google Scholar] [CrossRef]
- Jannesar, M.R.; Sedighi, A.; Anvari-Moghaddam, M.S.A.; Guerrero, J.M. Optimal probabilistic planning of passive harmonic filters in distribution networks with high penetration of photovoltaic generation. Int. J. Electr. Power 2019, 110, 332–348. [Google Scholar] [CrossRef]
- Mohammadi, M.; Rozbahani, A.M.; Montazeri, M. Multi criteria simultaneous planning of passive filters and distributed generation simultaneously in distribution system considering nonlinear loads with adaptive bacterial foraging optimization approach. Int. J. Electr. Power 2016, 79, 253–262. [Google Scholar] [CrossRef]
- Beres, R.N.; Wang, X.; Liserre, M.; Blaabjerg, F.; Bak, C.L. A Review of Passive Power Filters for Three-Phase Grid-Connected Voltage-Source Converters. IEEE J. Emerg. Sel. Top. Power Electron. 2016, 4, 54–69. [Google Scholar] [CrossRef]
- Solatialkaran, D.; Khajeh, K.G.; Zare, F. A Novel Filter Design Method for Grid-Tied Inverters. IEEE Trans. Power Electr. 2021, 36, 5473–5485. [Google Scholar] [CrossRef]
- Leite, J.C.; Abril, I.P.; Azevedo, M.S.S. Capacitor and passive filter placement in distribution systems by nondominated sorting genetic algorithm-II. Electr. Power Syst. Res. 2017, 143, 482–489. [Google Scholar] [CrossRef]
- Swain, S.D.; Ray, P.K.; Mohanty, K.B. Improvement of power quality using a robust hybrid series active power filter. IEEE Trans. Power Electr. 2016, 32, 3490–3498. [Google Scholar] [CrossRef]
- Omar, R.; Tan, Z.H.; Rasheed, M.; Sulaiman, M. An Improvement of Shunt Active Power Filter using Effective Controller for Different Load Condition. J. Eng. Appl. Sci. 2020, 15, 1311–1321. [Google Scholar] [CrossRef]
- Litrán, S.P.; Salmeron, P. Analysis and design of different control strategies of hybrid active power filter based on the state model. IET Power Electron. 2012, 5, 1341–1350. [Google Scholar] [CrossRef]
- Schäffer, G.J.; Moura, F.A.M.; Mendonça, M.V.B. Conservative Power Theory (CPT): A New Approach to the Tuned Passive Filter Design. Renew. Energy Power Qual. J. 2019, 17, 245–250. [Google Scholar] [CrossRef]
- Aiello, M.; Cataliotti, A.; Favuzza, S.; Graditi, G. Theoretical and experimental comparison of total harmonic distortion factors for the evaluation of harmonic and interharmonic pollution of grid-connected photovoltaic systems. IEEE Trans. Power Deliv. 2006, 21, 1390–1397. [Google Scholar] [CrossRef]
- Wang, Y.; Yuan, Y.; Chen, J. A novel electromagnetic coupling reactor based passive power filter with dynamic tunable function. Energies 2018, 11, 1647. [Google Scholar] [CrossRef]
- Wang, Y.; Yuan, Y.; Chen, J. Study of harmonic suppression of ship electric propulsion systems. J. Power Electron. 2019, 19, 1303–1314. [Google Scholar]
- Wang, Y.F.; Yuan, Y.X. Development of a Soft Starter with Current-Limiting, Reactive Power Compensation and Harmonic Filtering. Appl. Mech. Mater. 2014, 462–463, 658–661. [Google Scholar] [CrossRef]
- Wang, Y.F.; Yuan, Y.X.; Chen, J.; Cheng, Q.J. A Dynamic Reactive Power Compensation Method of Super High-Power and High-Voltage Motor. Appl. Mech. Mater. 2014, 602–605, 2828–2831. [Google Scholar] [CrossRef]
- Wang, Y.F.; Yuan, Y.X. A dynamic reactive power compensation method for high-power and high-voltage electronic motors based on self-adaptive fuzzy PID control. In Proceedings of the Guidance, Navigation and Control Conference IEEE, Nanjing, China, 12–14 August 2016; pp. 10–15. [Google Scholar]
- Chen, J.; Xiao, L.; Yuan, Y.X.; Yang, K.; Lei, L.; Mao, B.P.; Chen, Z. Development of passive dynamic power filter based on MCU. J. Wuhan Univ. Technol. 2013, 35, 144–146. [Google Scholar]
- Mercorelli, P. Parameters identification in a permanent magnet three-phase synchronous motor of a city-bus for an intelligent drive assistant. Int. J. Model. Identif. Control 2014, 21, 352–361. [Google Scholar] [CrossRef]
- Su, Y.; Zheng, C.; Mercorelli, P. Global Finite-Time Stabilization of Planar Linear Systems with Actuator Saturation. Trans. Circ. Syst. II Express Briefs 2017, 64, 947–951. [Google Scholar] [CrossRef]
- Othman, A.M.; Gabbar, H.A. A novel electrode for supercapacitors: Efficient PVP-assisted synthesis of Ni3S2 nanostructures grown on Ni foam for energy storage. Dalton Trans. 2020, 49, 4050–4059. [Google Scholar]
- Yedluri, A.; Anitha, T.; Kim, H.J. Fabrication of Hierarchical NiMoO4 /NiMoO4 Nanoflowers on Highly Conductive Flexible Nickel Foam Substrate as a Capacitive Electrode Material for Supercapacitors with Enhanced Electrochemical Performance. Energies 2019, 12, 1143. [Google Scholar] [CrossRef]











| Number | (A) | (A) | (A) |
|---|---|---|---|
| 1 | 7.07 | 5.2 | 1.81 |
| 2 | 10.6 | 5.84 | 9 |
| 3 | 12.73 | 6.05 | 6.4 |
| 4 | 17.68 | 6.49 | 10.05 |
| Number | (kVar) | (A) | (A) | (A) | |
|---|---|---|---|---|---|
| 1 | 10 | 17.68 | 6.49 | 10.05 | 1.54 |
| 2 | 15 | 17.68 | 9.53 | 8.27 | 1.57 |
| 3 | 20 | 17.68 | 13.4 | 2.4 | 1.49 |
| 4 | 25 | 17.68 | 15.72 | 2.08 | 1.59 |
| Number | (A) | (A) | h | (A) | |
|---|---|---|---|---|---|
| 1 | 36.00 | 380.00 | 5 | 0.6 | 21.60 |
| 2 | 36.00 | 380.00 | 5 | 0.70 | 25.20 |
| 3 | 36.00 | 380.00 | 5 | 0.80 | 28.80 |
| 4 | 36.00 | 380.00 | 5 | 0.85 | 30.60 |
| 5 | 123.00 | 380.00 | 5 | 0.60 | 73.80 |
| 6 | 134.00 | 380.00 | 5 | 0.60 | 80.40 |
| 7 | 140.00 | 380.00 | 5 | 0.60 | 84.00 |
| 8 | 200.00 | 380.00 | 5 | 0.60 | 120.00 |
| 9 | 210.00 | 380.00 | 5 | 0.60 | 126.00 |
| 10 | 229.80 | 380.00 | 5 | 0.60 | 137.88 |
| 11 | 229.80 | 380.00 | 5 | 0.65 | 149.37 |
| 12 | 260.00 | 380.00 | 5 | 0.60 | 156.00 |
| 13 | 229.80 | 380.00 | 5 | 0.70 | 160.86 |
| 14 | 280.00 | 380.00 | 5 | 0.60 | 168.00 |
| Number | ||||||||||
|---|---|---|---|---|---|---|---|---|---|---|
| 1 | 1.389 | 525 | 35 | 404.203 | 1.504 | 1.806 | 1.508 | 38.016 | 11 | 6153 |
| 2 | 1.625 | 525 | 45 | 519.69 | 1.516 | 1.819 | 1.182 | 45.836 | 12 | 7326 |
| 3 | 1.641 | 525 | 50 | 577.433 | 1.5 | 1.806 | 1.053 | 52.021 | 13 | 8049 |
| 4 | 1.523 | 525 | 50 | 577.433 | 1.504 | 1.8 | 1.056 | 55.08 | 15 | 8595 |
| 5 | 1.649 | 525 | 125 | 1443.582 | 1.5 | 1.803 | 0.421 | 133.072 | 35 | 20,805 |
| 6 | 1.641 | 525 | 135 | 1559.069 | 1.504 | 1.8 | 0.391 | 144.72 | 39 | 22,797 |
| 7 | 1.712 | 525 | 145 | 1674.555 | 1.512 | 1.8 | 0.366 | 151.2 | 39 | 23,697 |
| 8 | 1.743 | 525 | 210 | 2425.218 | 1.508 | 1.803 | 0.252 | 216.378 | 56 | 34,188 |
| 9 | 1.609 | 525 | 205 | 2367.475 | 1.512 | 1.8 | 0.259 | 226.8 | 63 | 35,649 |
| 10 | 1.617 | 525 | 225 | 2598.448 | 1.5 | 1.8 | 0.234 | 248.184 | 68 | 38,814 |
| 11 | 1.625 | 525 | 245 | 2829.421 | 1.504 | 1.803 | 0.215 | 269.336 | 73 | 41,979 |
| 12 | 1.806 | 525 | 285 | 3291.368 | 1.5 | 1.813 | 0.185 | 282.765 | 70 | 44,760 |
| 13 | 1.672 | 525 | 270 | 3118.138 | 1.504 | 1.803 | 0.195 | 290.055 | 77 | 45,321 |
| 14 | 1.633 | 525 | 275 | 3175.881 | 1.5 | 1.806 | 0.191 | 303.458 | 83 | 47,409 |
| Number | ||||||
|---|---|---|---|---|---|---|
| 1 | 35 | 1.433 | 1.734 | 39.016 | 12 | 6426 |
| 2 | 45 | 1.123 | 1.359 | 45.836 | 13 | 7599 |
| 3 | 50 | 1 | 1.211 | 52.021 | 15 | 8595 |
| 4 | 50 | 1.003 | 1.214 | 55.08 | 17 | 9141 |
| 5 | 125 | 0.4 | 0.484 | 133.072 | 40 | 22,170 |
| 6 | 135 | 0.371 | 0.45 | 144.72 | 44 | 24,162 |
| 7 | 145 | 0.348 | 0.421 | 151.2 | 45 | 25,335 |
| 8 | 210 | 0.239 | 0.29 | 216.378 | 64 | 36,372 |
| 9 | 205 | 0.246 | 0.298 | 226.8 | 72 | 38,106 |
| 10 | 225 | 0.222 | 0.269 | 248.184 | 78 | 41,544 |
| 11 | 245 | 0.204 | 0.247 | 269.336 | 84 | 44,982 |
| 12 | 285 | 0.176 | 0.213 | 282.765 | 80 | 47,490 |
| 13 | 270 | 0.185 | 0.224 | 290.055 | 89 | 48,597 |
| 14 | 275 | 0.181 | 0.22 | 303.458 | 95 | 50,685 |
Publisher’s Note: MDPI stays neutral with regard to jurisdictional claims in published maps and institutional affiliations. |
© 2021 by the authors. Licensee MDPI, Basel, Switzerland. This article is an open access article distributed under the terms and conditions of the Creative Commons Attribution (CC BY) license (https://creativecommons.org/licenses/by/4.0/).
Share and Cite
Wang, Y.; Yin, K.; Liu, H.; Yuan, Y. A Method for Designing and Optimizing the Electrical Parameters of Dynamic Tuning Passive Filter. Symmetry 2021, 13, 1115. https://doi.org/10.3390/sym13071115
Wang Y, Yin K, Liu H, Yuan Y. A Method for Designing and Optimizing the Electrical Parameters of Dynamic Tuning Passive Filter. Symmetry. 2021; 13(7):1115. https://doi.org/10.3390/sym13071115
Chicago/Turabian StyleWang, Yifei, Kaiyang Yin, Huikang Liu, and Youxin Yuan. 2021. "A Method for Designing and Optimizing the Electrical Parameters of Dynamic Tuning Passive Filter" Symmetry 13, no. 7: 1115. https://doi.org/10.3390/sym13071115
APA StyleWang, Y., Yin, K., Liu, H., & Yuan, Y. (2021). A Method for Designing and Optimizing the Electrical Parameters of Dynamic Tuning Passive Filter. Symmetry, 13(7), 1115. https://doi.org/10.3390/sym13071115

