Next Article in Journal
Breaking Molecular Symmetry through Biocatalytic Reactions to Gain Access to Valuable Chiral Synthons
Previous Article in Journal
An Extended Shapley TODIM Approach Using Novel Exponential Fuzzy Divergence Measures for Multi-Criteria Service Quality in Vehicle Insurance Firms
 
 
Font Type:
Arial Georgia Verdana
Font Size:
Aa Aa Aa
Line Spacing:
Column Width:
Background:
Article

Design of a New Hybrid Topology of WPT System to Achieve Load-Independent Constant-Current and Constant-Voltage Output

Electrical and Electronics Engineering Department, Universiti Teknologi PETRONAS, Seri Iskandar 32610, Perak, Malaysia
*
Author to whom correspondence should be addressed.
Symmetry 2020, 12(9), 1453; https://doi.org/10.3390/sym12091453
Submission received: 21 June 2020 / Revised: 1 July 2020 / Accepted: 15 July 2020 / Published: 4 September 2020

Abstract

The usage of the Wireless Power Transfer (WPT) technique for charging lithium-ion (Li-ion) batteries of electric vehicles (EVs) is increasing rapidly. The Li-ion battery requires constant current (CC) followed by constant-voltage (CV) supply for efficient battery charging and to enhance its lifespan. However, it is hard to obtain CC and CV outputs due to the variation of battery resistance during charging. Moreover, a zero-phase angle (ZPA) of the input source is essential to improve the power transfer capability. Therefore, this paper proposes a new hybrid compensation topology to achieve load-independent CC and CV behavior of the WPT system along with ZPA. Two symmetrical coils have been used in the proposed WPT system as transmitter (Tx) and receiver (Rx) coils. A comprehensive mathematical analysis for achieving CC and CV characteristics as well as for power losses is carried out. A new hybrid compensation is designed by combining Series–Series (SS) and Inductor–Capacitor–Capacitor/Series (LCC-S) compensation topologies along with two additional switches. The proposed compensation works on single resonance frequency, and it is simple, reliable, and easy to implement with only one compensation capacitor from the Rx side. Simulations are performed, and a prototype is fabricated to verify the mathematical analysis and simulation results. The overall result shows that the mathematical analysis and simulations comply with the experimental results. Full load efficiencies of 90.33% and 88.91% are achieved in the CC and CV modes, respectively.

1. Introduction

Wireless Power Transfer (WPT) technology using inductive and magnetic resonant coupling has been broadly investigated because of its variety of applications, such as charging the batteries of implantable medical devices, consumer electronic devices, unmanned aerial vehicles (UAVs), electric bicycles (EBs), and electric vehicles (EVs) [1,2]. WPT offers certain benefits in terms of its reliability, environment friendliness, aesthetics, enduring lifespan, and lack of electrical shocks [3,4]. Lithium-ion (Li-ion) batteries are often incorporated for the abovementioned applications. A constant-current (CC) supply followed by constant voltage (CV) irrespective of load fluctuations for charging the battery is often preferred [5]. It is difficult to achieve CC and CV outputs together in one system with zero-phase angle (ZPA) switching operation using single-compensation topology. The typical charging behavior of a Li-ion battery shows that the battery voltage increases drastically during CC charging mode and then arrives at certain constant levels as illustrated in Figure 1 [6].
Different methods have been employed to attain load-independent CC and CV outputs, such as frequency tuning, phase shift adjustment, buck or boost converters, and design of a hybrid compensation topology. Load-Independent operation of the WPT system using frequency tuning was proposed in [5]. This method obtained load-independent CC and CV using single-compensation topology at two different frequencies, but a controller was required to automatically supply the desired frequency signal to adjust the frequency. Besides, a proportional integral (PI) controller-based phase shifting method was proposed in [7]. This method is good for achieving load-independent operation; however, it needs an adjustment of the phase by applying pulse width modulation (PWM) to the corresponding four metal oxide semiconductor field effect transistors (MOSFETs) of the power inverter to maintain the required output voltage and current, which increases the losses of the power inverter circuit during the adjustment. However, in that method, zero-phase angle was also not discussed. In addition, the combination of two compensations, including series–series (SS) and parallel-series (PS) along with series-parallel (SP) and parallel-parallel (PP) were suggested in [6] for charging applications; however, in both proposed combinations, two input sources for each combination were required, i.e., constant voltage and constant current. However, it is difficult to provide two input sources for one WPT system. Moreover, when secondary parallel compensation is employed, an additional inductor is required to take the output, which can increase the losses of the WPT system. Multiple compensation topologies were investigated in [8] for CC and CV characteristics, and they noticed that the single topology provides CC or CV behavior but that the CC and CV behavior in one hybrid system was not discussed.
A method of using a dc-dc converter was proposed in [9] to regulate the output voltage and current. Different frequency and control techniques for voltage and current control were depicted in [5,10,11]; however, these methods did not guaranty frequency stability at single resonance frequency. The analysis of receiver (Rx) side parallel and series compensation topology for load-independent voltage transmission was discussed in [12,13], but the CC output transmission was not considered. A two-sided inductor–capacitor–capacitor (LCC)-compensated topology and its tuning mechanism were illustrated in [14] and offered certain advantages over the SS counterpart in terms of performance; however, the load-independent CV and CC features were not analyzed. Furthermore, it was found in [15] that an LCC compensated network can be efficient for light and heavy loads, especially, in case of heavy loads, the voltage stress on primary compensation capacitors is less in the LCC topology than the SS topology. A tuning method for double-sided inductor-capacitor-inductor (LCL) compensation was proposed in [16], which gives slightly higher efficiency than the traditional tuning method of the LCL network; however, the constant current and voltage features were not presented. Different circuit topologies for EVs were discussed in [17,18,19]. The research reported in [17] presented LC-LC2 topology, but only load-independent voltage gain was achieved. The authors have utilized SS topology and have calculated the voltage transfer function with varying loads in [20]. They found that the voltage transmission rate can be maximized by minimizing the parasitic resistance of primary and secondary coils. The switchable hybrid topologies for battery charging of electric vehicles (EVs) and electric bicycles (EBs) were presented in [21,22,23,24], but the switches were employed in the receiver (Rx) side rather than the transmitter side (Tx). The switching from the Rx side is not preferred because a single transmitter can be used for charging many receivers; therefore, it is strenuous to implement a switchable compensation network for every receiver.
This article emphasizes the design of a new hybrid compensation network to satisfy the needs of the battery charging mechanism. Symmetrical coils have been utilized as Tx and Rx coils to implement the hybrid topology of a WPT system. A comprehensive theoretical analysis is carried out to design the parameters for obtaining the CC and CV modes of operations. The proposed hybrid topology utilizes two different compensations including SS and LCC-S along with two additional switches. The systematic design equations are derived for both the topologies to ensure the load-independent CC or CV output. To diminish the voltage–current rating and to increase the efficiency of the inverter, the equations of input impedance are derived to attain the zero-phase angle (ZPA). The switches are employed from the primary side rather than the secondary side to minimize the Rx circuit size; therefore, the control mechanism and its parameters can be significantly simplified. The proposed topology operates at single resonant frequency, which is independent of the coupling factor and load settings, this adds an extra benefit to the proposed design. The design equations of the proposed topology can be used for any type of power requirement.
This article is arranged as follows: Section 2 comprises the modeling of the CC and CV mode operation of a WPT system. Section 3 consists of the implementation of proposed topology and coil structure design. Power loss analysis is presented in Section 4. Section 5 presents the simulation and analysis of proposed topology. Experimental results are provided in Section 6. The voltage, current, and power gain analysis is discussed in Section 7. Finally, the conclusion is presented in Section 8.

2. Mathematical Modeling of Proposed Topology

A hybrid topology is proposed in this research, which includes SS and LCC-S compensation to obtain CC and CV characteristics. Mathematical modeling is accomplished for both topologies, separately. Thereafter, the parameters of hybrid topology are obtained by combining both compensations along with two additional switches.

2.1. System Modeling of SS Topology

A complete circuit design of the WPT system using SS compensation is depicted in Figure 2a and its equivalent circuit is illustrated in Figure 2b. The following equations can be extracted with the help of Kirchhoff’s Voltage Law (KVL).
U S = Z 1 I S j ω M 12 I L
0 = j ω M 12 I S +   Z 2 I L
where Z 1 = 1 j ω C 1 + R 1 + j ω L 1 and Z 2 = j ω L 2   + R 2 + 1 j ω C 2 + R L . where US is the voltage of the source, which is applied on the Tx side at resonance frequency ω. Besides, Z1 and Z2 are the impedances of the Tx and Rx sides, respectively. The mutual inductance M12 between the primary and secondary sides can be formulated with reference to coupling coefficient k and coil self-inductances and is as follows:
M 12 = k L 1   L 2
It is worth mentioning that the greater value of the coupling coefficient reflects the short airgap between the Tx and Rx coil and vice versa. When both the source and load sides work on the resonance frequency, the currents flowing through the source side and the load side are determined by solving Equations (1) and (2), which yields the following:
I S = U S   R L ( ω M 12 ) 2
I L = j   U S ω M 12
In Equations (4) and (5), the source voltage US is the output of inverter, whereas R1 and R2 are negligible compared to load resistance RL; therefore, Z1 = 0 and Z2 = RL. An H-bridge inverter is utilized for acquiring a high-frequency (HF) input source for the WPT system. From Equation (4), it is perceived that, when a constant voltage source is applied from the primary side, a load-dependent current flows through the primary coil, so the voltage induced in the secondary coil is also dependent on the value of load resistance. Hence, the load-independent CV features cannot be achieved using SS topology. Moreover, the constant current is distributed across the secondary side using Equation (5), while it does not depend on the load resistance. Hence, the SS topology gives the load-independent CC output behavior. The voltage gain and current gain can be described by the following set of equations.
G UU = U L   U S = I L   R L   U S =   j   R L ω M 12
G UI = I L   U S = j   U S / ω M 12   U S = j ω M 12
G IU = U L   I S = I L   R L   I S = j ω M 12
G II = I L   I S =   I S   j ω M 12 /   R L   I S = j ω M 12   R L
Both Equations (7) and (8) are independent of load. Besides, Equation (7) determines that the constant input voltage gives the load-independent output current at resonance frequency ω while Equation (8) shows that the constant input current provides the load-independent output voltage at resonance frequency ω. The fixed coupling factor, i.e., at fixed mutual inductance amidst Tx and Rx, is also mandatory to realize load-independent CC and CV features. However, a constant input voltage source is always preferred due to its easy control; hence, Equation (7) is used to obtain the constant output current, irrespective of load.
Furthermore, the SS topology or any other topology can provide the zero imaginary reflected impedance if both the primary and secondary coils are in resonance. Here, also the primary and secondary sides are adjusted to work on the resonance frequency. Thus, zero imaginary reflected impedance is achieved, which is helpful to achieve ZPA of the inverter output. Therefore, to attain ZPA from the source side, the equation of input impedance can be yielded as follows:
Z in = U S   I S = ( ω M 12 ) 2   R L
Zin only comprises of the resistive load as in Equation (10) and the real component, which proves that using SS topology ZPA can be realized.
ω ss = 1 L 1 C 1 = 1 L 2 C 2
From the resonance frequency formula provided in Equation (11), the appropriate capacitance value at required operating frequency can be calculated. The resonance frequency is independent of the coupling factor, which indicates that the resonance frequency for the Tx and Rx sides can be easily determined by calculating its own side of parameters. It is noted that the coupling coefficient (k) affects the output side parameters; therefore, the desired CC behavior can be disturbed because of the deviation in k value. Therefore, to achieve constant output current, a fixed value of coupling coefficient is required. Furthermore, the output power and the efficiency η can be depicted by Equation (12) at given load RL; however, this efficiency equation is valid only when the parasitic resistances of coils as well as of other components are neglected, which indicates that the efficiency will be always 100% if the losses of parasitic resistances of the components are omitted. Moreover, a detailed power loss analysis is given in Section 4 to calculate efficiency by considering all the parasitic resistances in a practical system.
η ss = P out ss P in ss = U L 2 / R L U S   I S
By substituting IS from (5) into (12), the efficiency equation can be determined.
η ss = U L U S   j ω M 12 R L
The efficiency is directly associated with output voltage and mutual inductance, while it is inversely related to the source voltage and load resistance.

2.2. System Modeling of LCC-S Topology

An equivalent circuit of the LCC-S compensation model is illustrated in Figure 3b, while the full circuit along with the inverter and rectifier is provided in Figure 3a.
The following expressions can be derived by applying KVL. The parasitic resistances of the coils are neglected (R1 = R2 = 0) for simplifying the analysis.
U S = I S   j ω L 0 + ( I S I 1 ) 1 j ω C 0
0 = ( I 1 I S ) 1 j ω C 0 + I 1   ( 1 j ω C S 2 + j ω L 1 )   j ω MI 2
0 = j ω MI 1 + I 2 ( 1 j ω C 2 + j ω L 2 ) + I 2 R L
To resonate the Tx and Rx coils at similar frequency, the following equations can be defined.
j ω L 1 + 1 j ω C S 2 = j ω L 0
j ω L 0 + 1 j ω C 0 = 0
j ω L 2 + 1 j ω C 2 = 0
It can be seen from the above equations that the system achieves stable resonance without depending on the other side of parameters because the compensation conditions for resonance are only related to its own side of parameters, i.e., the transmitter or receiver. In other words, all the conditions of resonance frequency equations are not related to mutual inductance, i.e., they are independent of coupling coefficient. Therefore, when the two coils are not aligned together or displaced, the WPT system can still sustain steady resonance.
Three different currents flowing from the source, the Tx coil, and the Rx coil are given as follows by solving the above Equations (14)–(19) and by substituting C0 = 1/ω2L0.
I S = U S   M 2 L 0   2 R L
I 1 = U S j ω L 0
I L = U S   M   R L L 0
From Equations (20)–(22), it can be comprehended that the currents through the Tx and Rx coils, i.e., I1 and IL, increases proportionally as the source voltage increases. In other words, the constant voltage input gives the constant current through the Tx coil; consequently, a constant voltage will be induced in the receiving coil. This behavior shows that the Tx coil has CC characteristics and that the Rx coil has the CV characteristics. The voltage gain and current gain can be determined by the following set of equations.
G UU = U L   U S = M   L 0
G UI = I L   U S =   M   R L L 0
G IU = U L   I S = R L   L 0 M  
G II = I L   I S = L 0 M  
It is noticed from Equations (23) and (26) that both equations do not depend on load resistance, which specifies that, when constant voltage is applied according to Equation (23), the load-independent output voltage is achievable. In Equation (26), when constant input current is supplied, a load-independent output current can be acquired. In this research work, a constant input voltage source is utilized as mentioned earlier. Hence, Equation (23) can be simplified as follows.
U L = U S M L 0
After using (24), a new equation is derived as follows:
U S = L 0 M   I L R L
If L0 is equal to M, then US = ILRL. That specifies that the voltage induced across the Rx coil equals the source voltage, showing the equivalency in a way that the source coil is directly connected to the load coil. Thus, high efficiency using LCC-S topology is achievable. However, this is usually not the case because, by equaling L0 to M, the load-independent operation is not possible. Moreover, this equivalency of L0 and M is valid for an ideal case. In practical applications, there are always some losses due to coupling conditions, parasitic resistances of coils, and other components.
Using Equation (26), “IS” is determined as follows:
I S = M L 0   U L R L
From Equation (29), IS is directly proportional to the mutual inductance and inversely proportional to the compensation inductance. Furthermore, to achieve ZPA from the source side, we can derive the equations of input impedance as in (30). Zin only comprises the resistive load and real component, which proves that ZPA is attained using LCC-S topology.
Z in = U S   I S =   R L   L 0 2 M 2  
When the primary and secondary sides resonate at identical frequencies according to Equations (17)–(19), then power inputs PinLCC and PoutLCC can be calculated by the following equation.
η LCC S = P o u t L C C S P inLCC S = U L 2 / R L U S   I S
After substituting IS from Equation (29) to (31), the efficiency equation can be determined as follows:
η LCC S = U L U S   L 0 M
The efficiency equation is valid only when the parasitic resistances of coils and of other components are neglected, which means that the efficiency will become 100% if the losses of parasitic resistances are not considered. Moreover, see Section 4 for the detailed power losses analysis to calculate the efficiency by considering all the losses of parasitic resistances. From Equation (32), the efficiency is directly proportional to the compensation inductance and load voltage while inversely proportional to the mutual inductance and source voltage. It is noted that all the parameters of SS and LCC-S are derived; now by combining both topologies, a new hybrid topology can be designed. The parameters of hybrid topology are derived in the next section. The implementation procedure to achieve CC and CV characteristics is also provided.

3. Implementation of Hybrid Topology

An equivalent circuit model of the proposed hybrid compensation is illustrated in Figure 4a and its switching schemes are shown in Figure 4b. As discussed earlier, the SS topology can achieve constant current (CC) characteristics while LCC-S can achieve constant voltage (CV) characteristics. In addition, both the topologies provide ZPA. Therefore, a hybrid topology is adopted by combining the SS and LCC-S along with two switches from the primary side to realize the CC and CV characteristics. MOSFET IRF3710 was used for designing the switches due to its low conduction loss RDS of just 23 mΩ. Each switch is made of two anti-series-linked MOSFETS as depicted in Figure 4c. Because of huge conduction losses of mechanical switching, the MOSFET switches are preferred. In addition, the motion of switches will be only once for each mode of operation; hence, the losses due to MOSFET switching can be omitted.

3.1. Parameter Derivation of Proposed Hybrid Topology in CV Mode

When S2 is on and S1 is off, the system operates in an LCC-S compensated network; we can find the values of C0 and L0 from Equation (27) as follows:
C 0 = U L U S   ω 2 M = 1   ω 2 L 0
L 0 = U S M U L
From Equation (19), we can get C2:
C 2 = 1   ω 2 L 2
CS2 can be achieved from Equation (17):
C S 2 = 1   ω 2 ( L 1 L 0 )
Now when the system operates in resonance frequency, we need a total of four parameter values: inductor, capacitor, capacitor from the primary side, and capacitor from the secondary side, which are L0, C0, CS2 from primary, and C2 from secondary.

3.2. Parameter Derivation of Proposed Hybrid Topology in CC Mode

Figure 4 depicts the equivalent circuit of the hybrid LCC-S compensation model. When S1 is on and S2 is off, the system will operate as an SS compensated network, which can give CC characteristics. Now, the values or CS1, CS2, and L0 from the primary side need to be found. All three values should be equivalent to C1. In addition, C2 from the secondary side is also required; however, it will remain as given in (35).
I L = U S j ω M 12
The following equation can be derived from Figure 4a.
j ω L 0 j ω C S 1 j ω L 0 + 1 j ω C S 1 + 1 j ω C S 2 = 1 j ω C 1
By substituting Equation (11) into (17) and by using Equation (36), the value of C1 can be derived as follows:
C 1 = C S 2 1 + ω 2 L 0   C S 2 = 1 ω 2 L 1  
By replacing the parameters from Equations (39) and (33)–(36) into (38), we get
C S 1 = 2 ω 2 L 0  
By substituting Equation (37) into (34), L0 is obtained as given in Equation (41); after calculating L0, CS1 can be calculated from Equation (40) and CS2 can calculated from Equation (36). In addition, C0 and C2 can be obtained using Equations (33) and (35).
L 0 = ω M 2 I L U L  
In order to design the parameters of the CC and CV mode operations, it is necessary to describe the mutual inductance amidst the coils. Therefore, to find the mutual inductance, the prototype of two coils is realized and is provided in the next section.

3.3. Design of Two Symmetrical Coils

Before extracting the parameters of the proposed hybrid topology, it is essential to find the self-inductance of the Tx and Rx coils and the mutual inductance amidst the coils. The coils are simulated and constructed to find the mutual inductance. The circular coil is a very prevalent design in resonant WPT systems due to its consolidated dimensions and largely constricted electromagnetic (EM) field behavior [25,26]. Hence, the circular coil is selected in this work and its simulation model and a prototype is built as shown in Figure 5. Ferrite bars are also employed to intensify the magnetic field between the coils. Ten ferrite bars are used for Tx and Rx (each), having widths of 0.75 cm, heights of 0.25 cm, and lengths of 11.5 cm. The same number of turns and ferrite bars are used to design the coils in order to make them symmetrical in nature. The parameters of the simulated coil structure, including the self-inductances (L1 and L2) and mutual inductance (M) between the coils at a 13.5 cm airgap are calculated using the finite element method. Besides, the magnetic field is also calculated between the coils as shown in Figure 5a. Enough red, yellow, and green color combinations of the field between the coils indicates that the intensity of the field is in a good range to achieve the high efficiency of power transfer. Moreover, the self-inductance as well as mutual inductance of the prototype are measured according to the method provided in [27] using an RLC meter. It is noted that the prototype uses litz wire with fabric insulation. In addition, Teflon ( ε r = 2.2 ) is used as coating for both coils. The diameter of the prototype coil’s wire is approximately 0.29 cm (including insulation) with total 29 turns. After achieving the value of M, the remaining parameters to implement the hybrid topology are determined in Section 3.

3.4. Parameter Derivations of Proposed Hybrid Topology

Figure 6 shows the flow diagram for derivation of parameters of hybrid topology to achieve CC and CV output features. Table 1 provides the parameters, which are calculated according to the flow chart. There is small variation in measured values as compared to calculated values. The variation occurs due to the realization of the prototype because of ±5% tolerance in hardware components. Therefore, to make a fair comparison between simulation and experimental results, only measured parameters are utilized for both the circuit simulations and the experiments. As the H-bridge power converter is utilized as a high frequency (HF) source during experiments, it is necessary to find the dc voltage required for the inverter. The H-bridge inverter provides a square waveform as the output. The square waveform contains always a lot of harmonics. Using Fourier series expansion, the output of H-bridge or full bridge inverter can be calculated using the following formula [28].
U S = 4   U d c π n = 1 , 3 , 4 sin n ω t n   ( n = 1 , 3 , 4 , )
The simplified form of Fourier transform gives the dc input voltage required for the inverter, which is yielded as follows:
U S _ r m s = U S p e a k   t o   p e a k 2 = 4   U d c 2   π = 0.9   U d c
The DC voltage required for the inverter can be calculated by (43) using the given peak-to-peak voltage, as provided in Table 2.
Table 2 shows the designed and measured parameters. To implement the hybrid topology, initially, the operating frequency along with the desired voltage and current are selected. After that, the coils’ self-inductances and mutual inductance are measured according to the flow diagram, as shown in Figure 6. Thereafter, further compensation parameters such as capacitors, inductors, and the source voltage are calculated according to the derived equations of CC and CV models. Then, capacitor and inductors are soldered together in parallel and series, respectively, to obtain the values according to the design requirements. It is noted that, to provide a fair comparison between the simulations and experiments, all the prototype measured values were used in simulations.

4. Power Loss Analysis of CC and CV Mode

This section includes the derived equations of power losses. If the proposed topology is designed for high-voltage applications like the battery charging of electric vehicles, then to measure the losses of parasitic resistances of the coils, capacitances and inductances can be calculated in both modes of operation as described below. In the previous section, the equations of efficiency have been derived by considering negligible parasitic capacitances and resistances. However, in practical applications, this is not the case because all elements of the WPT system, including capacitor, inductors, and coils, etc., have losses. Therefore, the following derivations of the equations are useful for loss analysis in practical applications.

4.1. Power Loss Analysis of CC Mode Operation

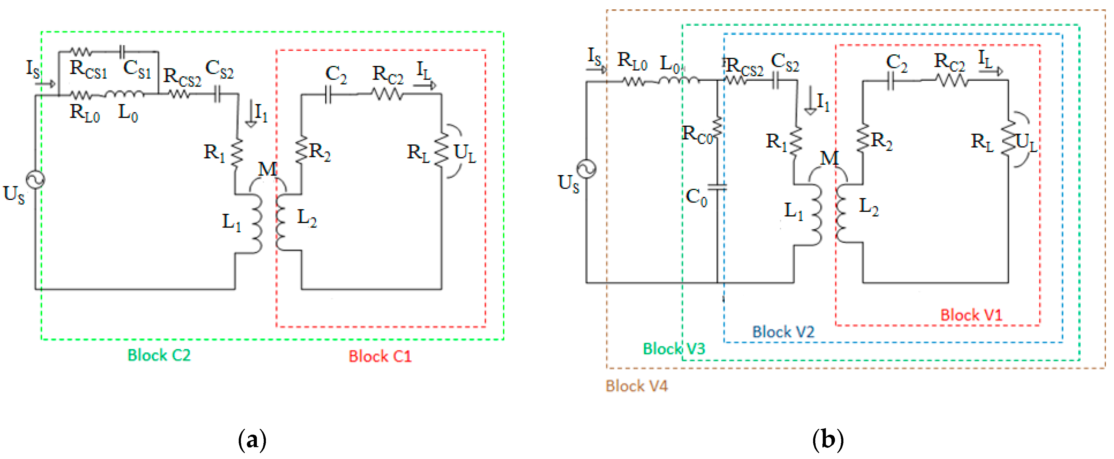
The circuits of the CC and CV modes are illustrated in Figure 7 and are divided in blocks to find out the efficiency and losses. For CC mode, the corresponding parasitic resistances of all elements and coils are given in Figure 7a. R1 and R2 are the corresponding parasitic resistances of L1, and L2, respectively. Moreover, RL0, RCS1, and RCS2 are the corresponding parasitic resistances of L0, CS1, and CS2, respectively. In addition, RC0, and RC2 are the parasitic resistances of C0 and C2, respectively. In previous efficiency equations, as provided in Equations (13) and (32), the parasitic resistances of coils and all elements were ignored. However, here, detailed power loss equations are provided to find the losses in the developed system. Both modes of operations including CC and CV are divided into blocks to simplify the derivations. As illustrated in Figure 7a,b, each block’s efficiency is derived separately and then combined with other blocks’ efficiencies.
η C 1 = R L R C 2 + R 2 + R L
η C 2 = Re ( Z ref _ CC ) R CS 2 + R 1 + Re ( 1 j ω C S 1   R CS 1 1 j ω C S 1 + R CS 1 ) + Re ( Z ref _ CC )
Z ref _ CC = ( ω M ) 2 R L + R CS 2 + R 2 + j ω L 2 + 1 j ω C 2
η CC = η C 1 ·   η C 2
It is noted that Zref_CC is the reflected impedance of a CC mode while Zref_CV defines the reflected impedance of CV mode. The equations of both reflected impedances are also provided, separately, as given in Equations (46) and (54). Moreover, the efficiency of each block is given the name of that block, such as ηC1 describing the efficiency of block C1 and so on.

4.2. Power Loss Analysis of CV Mode Operation

Figure 7b should be referred to find the losses in CV operational mode.
η V 1 = R L R C 2 + R 2 + R L
η V 2 = Re ( Z ref _ CV ) R CS 2 + R 1 + Re ( Z ref _ CV )
η V 3 = ( Re ( Z ref _ CV ) + R C 0 )   | Z blockV 3 | 2 Re ( Z blockV 3 )   | Z blockV 3 | 2 + ( Re ( Z ref _ CV ) + R C 0 ) + Re ( Z ref _ CV ) + | Z blockV 3 | 2
η V 4 = Re ( Z blockV 3 ) R L 0 + Re ( Z blockV 3 )
Z blockV 3 = Z blockV 2   ( R C 0 + 1 j ω C 0 ) Z blockV 2 + ( R C 0 + 1 j ω C 0 )
Z blockV 2 =   Z ref _ CV +   R 1 + j ω L 1 + 1 j ω C S 2 + R CS 2
Z ref _ CV = ( ω M ) 2 R L + R CS 2 + R 2 + j ω L 2 + 1 j ω C 2
η CV = η V 1 ·   η V 2 · η V 3 ·   η V 4
The above equations provided for the CC output and CV output modes can be effectively used for power losses and efficiency calculation of the proposed hybrid topology. The parasitic resistance values and component ratings are required to calculate the losses. In low-power applications, the values of parasitic resistance can be ignored, but in case of high-power applications, losses are crucial and therefore needs to be calculated.

5. Simulation Results and Analysis

This section comprises the operations in CC mode and in CV mode using a simulated circuit. To apply the proposed hybrid topology model, the measured data of the self-inductances and mutual inductance (M) amidst two symmetrical coils were used. All parameters along with their values are calculated according to the derived equations and then given in Table 3.
The simulations are carried out starting from CC mode, meaning when the switch S1 is in the on position and S2 is in the off position. The initial battery resistance is low; it increases during charging as discussed in the Introduction section. Therefore, to test the proposed topology in CC behavior, an initial resistance of 6 Ω is applied. The zero-phase angle (ZPA) is also achieved as illustrated in Figure 8. Then, resistance is enhanced to 12 Ω, 18 Ω, and 24 Ω. The acquired current during all four values of resistances is approximately 2 A, which is the desired current. The maximum desired voltage limit is set as 48 V. When the maximum resistance value is simulated in CC mode, then maximum voltage is achieved as depicted in Figure 9b. Afterward, the CC mode needs to be changed to CV mode by switching on S2 and by turning off S1. Then, the system works in CV mode based on LCC-S topology. Vin indicates the input voltage waveforms, while Vout represents the output voltage waveforms. Furthermore, I_probe1 shows the input current waveforms and I_probe2 illustrates the output current waveforms.
Figure 9 illustrates the CV characteristics based on LCC-S topology, and 48 V constant voltage is achievable in CV mode. A minor change occurs in the value due to the transient nature of a simulation analysis. It is observed that the proposed hybrid topology is capable of working in CC and CV modes according to the desired output current and voltage. The zero-phase angle (ZPA) is also obtained in both operational modes based on Equations (10) and (30). Vin, I_probe1 indicates the input voltage and current, whereas Vout, I_probe2 represents the output waveforms of current and voltage. Moreover, the efficiency of the simulation can be calculated by the power output divided by the power input. The power input and output can be calculated by multiplying the corresponding peaks of the voltage and current values according to the waveforms. At 24 Ω, the efficiency of CC mode and CV mode are 96.5% and 97.9%, respectively.

Change of Mode from CC to CV Based on Estimation of UL

In the proposed topology, the change of mode can be obtained by estimating the maximum voltage value of the Rx side by using the value of maximum input current from the primary side. The maximum input current can be calculated by multiplying the voltage gain with the desired maximum current by the following expression: UL/US × desired output current = required input current, where the voltage and currents are peak-to-peak values. The required input current is the maximum current needed for the transition of the operational mode from CC to CV. A current sensor is introduced in practical applications from the primary side to detect the input current. Then, the sensed input current can be used for estimating the UL. Hence, the desired switching operation is obtainable without any communication link between the primary and secondary sides.

6. Experimental Results and Discussion

Figure 10 shows the experimental setup. H-bridge power inverter is utilized as a high-frequency (HF) source with an output square waveform. A variable load resistor is employed to change the resistance from 6 Ω to 24 Ω. During the switching mode from CC to CV, the small disturbance in the waveform occurred; after that, the waveform stabilized. The experimental results of the waveform are presented in Figure 11 and Figure 12.
Figure 11 illustrates the output voltage (UL) and current (IL) waveforms using 6 Ω load resistance. It is seen that UL and IL are sinusoidal and that the desired output current of approximately 2 A is achieved with all load resistances. The output voltage increases with increasing load resistance in CC mode operation (Figure 11a–d). Figure 11d shows that, when the maximum load resistance of 24 Ω is applied, the output voltage becomes approximately 48 V (maximum desired voltage) while the output current is approximately 2 A.
Figure 12 depicts the results of a CV mode operation, where output voltage remained constant as approximately 48 V, which is the desired voltage, and the output current is approximately 2 A. The result analysis presents that CC and CV characteristics are achievable with various loads, showing the effectiveness of the proposed hybrid topology. The proposed equations are applicable for any type of WPT system, i.e., low voltage or high voltage to obtain load-independent CC and CV features.

7. Voltage, Current, and Power Gain of Simulation Results

Figure 13a,b illustrates the voltage and current gains of the proposed topology in CC and CV modes using different values of load resistance. It is seen that, during the switching of modes from CC to CV at 24 Ω resistance, both topologies of SS and LCC-S resonate at identical frequencies of approximately 160 kHz and that both the curves (purple and green) are very close to each other at this frequency. Moreover, the frequency is shifted a little bit towards a higher frequency due to the tolerance of capacitors and the parasitic capacitance of coils. Furthermore, Figure 13b shows that, when 24 Ω resistance is applied, then the CC (SS topology) and CV (LCC-S topology) mode curves are very close to each other at the frequency of approximately 160 kHz and that both give almost the same current gain. It is also seen that the voltage gain is maximum while the current gain is minimum during maximum load condition. However, when the load is decreased from 24 Ω to 6 Ω, the voltage gain decreases, and the current gain increases simultaneously.
Figure 13c shows that the maximum power gain is achievable using 24 Ω resistance in CC and CV modes, which is above 0.9. In addition, the power gain using 12 Ω and 18 Ω resistance is almost the same as that of the 24 Ω gain at approximately 160 kHz frequency; however, the power gain drops below 0.9 using 6 Ω resistance, as illustrated in the blue curve with diamond markers in Figure 13c. Therefore, it can be deduced that the low load resistance provides less efficiency as compared to the high load resistance. Moreover, the operating frequency range is increased at high resistance values, which shows that, when 18 Ω and 24 Ω resistances are applied, high power gain can be obtained between the frequencies of 154 kHz to 168 kHz. Therefore, even some variation in the resonance frequency does not decrease the efficiency, especially at high load resistances. However, using a low resistance value, the operating frequency should be equal to the resonance frequency; otherwise, the efficiency will be affected.

8. Conclusions

Wireless battery charging requires CC and CV input characteristics to improve the battery life cycle. This paper proposes a new hybrid topology to obtain load-independent CC and CV outputs. A comprehensive modeling and investigation of the symmetrical-coil-based WPT system are performed to design the parameters of the proposed compensation topology. Furthermore, the zero-phase angle (ZPA) is also ensured in both CC and CV operational modes to diminish the voltage-current rating of the input source and to improve the efficiency of the system. The power loss equations are also derived. As compared to other similar topologies, the proposed hybrid compensation is novel, reliable, and easy to implement, with only two additional switches from the primary side. It uses only a single capacitor from the secondary side, thus minimizing the number of components from the secondary side. Moreover, it utilizes the primary side switching control method, which can be achieved by sensing the input current. Therefore, the problem of communication link between the primary and secondary sides can be avoided. The proposed topology operates at a single resonance frequency, which is independent of the coupling factor and load settings. Therefore, it does not require adjustment of the frequency during switching operation; this is an extra benefit of the proposed design. A prototype is constructed to validate the simulation results and the theoretical analysis. The simulation results show that the maximum load efficiencies of 96.5% and 97.9% are obtained in CC and CV modes, respectively, while the maximum load efficiencies of the experimental results are 90.33% and 88.91% in CC and CV modes, respectively. Overall, it can be concluded that the maximum efficiency of around 90% is achieved when a maximum power of around 96 W peak to peak was delivered to the load at 13.5 cm distance. It is worth mentioning that the proposed compensation topology is suitable for fixed-distance stationary charging applications because, due to distance variations or misalignments, there may be changes in the output voltages and currents.

Author Contributions

Conceptualization, M.R.; funding acquisition, P.N.; investigation, M.R.; methodology, M.R. and Z.B.; supervision, P.N.; writing—original draft, M.R.; writing—review and editing, P.N. and Z.B. All authors have read and agreed to the published version of the manuscript.

Funding

This research was funded by YUTP Grant having Cost Centre 015LCO-024.

Acknowledgments

The authors would like to thank the Universiti Teknologi PETRONAS for supporting this research work.

Conflicts of Interest

The authors declare no conflict of interest.

References

  1. Xiao, C.; Cheng, D.; Wei, K. An LCC-C compensated wireless charging system for implantable cardiac pacemakers: Theory, experiment, and safety evaluation. IEEE Trans. Power Electron. 2017, 33, 4894–4905. [Google Scholar] [CrossRef]
  2. Vilathgamuwa, D.M.; Sampath, J.P.K. Wireless power transfer (WPT) for electric vehicles (EVs)—Present and future trends. In Plug in Electric Vehicles in Smart Grids; Springer: Berlin, Germany, 2015; pp. 33–60. [Google Scholar]
  3. Li, Y.; Mai, R.; Lu, L.; He, Z. Active and reactive currents decomposition-based control of angle and magnitude of current for a parallel multiinverter IPT system. IEEE Trans. Power Electron. 2016, 32, 1602–1614. [Google Scholar] [CrossRef]
  4. Liu, C.; Jiang, C.; Song, J.; Chau, K.T. An effective sandwiched wireless power transfer system for charging implantable cardiac pacemaker. IEEE Trans. Ind. Electron. 2018, 66, 4108–4117. [Google Scholar] [CrossRef]
  5. Yang, L.; Li, X.; Liu, S.; Xu, Z.; Cai, C.; Guo, P. Analysis and Design of Three-Coil Structure WPT System with Constant Output Current and Voltage for Battery Charging Applications. IEEE Access 2019, 7, 87334–87344. [Google Scholar] [CrossRef]
  6. Qu, X.; Han, H.; Wong, S.C.; Chi, K.T.; Chen, W. Hybrid IPT topologies with constant current or constant voltage output for battery charging applications. IEEE Trans. Power Electron. 2015, 30, 6329–6337. [Google Scholar] [CrossRef]
  7. Song, K.; Li, Z.; Jiang, J.; Zhu, C. Constant current/voltage charging operation for series–series and series–parallel compensated wireless power transfer systems employing primary-side controller. IEEE Trans. Power Electron. 2017, 33, 8065–8080. [Google Scholar] [CrossRef]
  8. Zhang, W.; Mi, C.C. Compensation topologies of high-power wireless power transfer systems. IEEE Trans. Veh. Technol. 2015, 65, 4768–4778. [Google Scholar] [CrossRef]
  9. Li, Y.L.; Sun, Y.; Dai, X. /spl mu/-Synthesis for Frequency Uncertainty of the ICPT System. IEEE Trans. Ind. Electron. 2011, 60, 291–300. [Google Scholar] [CrossRef]
  10. Swain, A.; Almakhles, D.; Neath, M.J.; Nasiri, A. Robust H∞ output feedback control of bidirectional inductive power transfer systems. Arch. Control Sci. 2017, 27, 41–62. [Google Scholar] [CrossRef]
  11. Xia, C.; Wang, W.; Chen, G.; Wu, X.; Zhou, S.; Sun, Y. Robust control for the relay ICPT system under external disturbance and parametric uncertainty. IEEE Trans. Control Syst. Technol. 2016, 25, 2168–2175. [Google Scholar] [CrossRef]
  12. Zhang, W.; Wong, S.-C.; Chi, K.T.; Chen, Q. Analysis and comparison of secondary series-and parallel-compensated inductive power transfer systems operating for optimal efficiency and load-independent voltage-transfer ratio. IEEE Trans. Power Electron. 2013, 29, 2979–2990. [Google Scholar] [CrossRef]
  13. Rehman, M.; Nallagownden, P.; Baharudin, Z. Efficiency investigation of SS and SP compensation topologies for wireless power transfer. Int. J. Power Electron. Drive Syst. 2019, 10, 2157–2164. [Google Scholar] [CrossRef]
  14. Li, S.; Li, W.; Deng, J.; Nguyen, T.D.; Mi, C.C. A double-sided LCC compensation network and its tuning method for wireless power transfer. IEEE Trans. Veh. Technol. 2014, 64, 2261–2273. [Google Scholar] [CrossRef]
  15. Esteban, B.; Sid-Ahmed, M.; Kar, N.C. A comparative study of power supply architectures in wireless EV charging systems. IEEE Trans. Power Electron. 2015, 30, 6408–6422. [Google Scholar] [CrossRef]
  16. Yao, Y.; Wang, Y.; Liu, X.; Lin, F.; Xu, D. A Novel Parameter Tuning Method for a Double-Sided LCL Compensated WPT System with Better Comprehensive Performance. IEEE Trans. Power Electron. 2017, 33, 8525–8536. [Google Scholar] [CrossRef]
  17. Alam, M.; Mekhilef, S.; Bassi, H.; Rawa, M. Analysis of LC-LC2 Compensated Inductive Power Transfer for High Efficiency and Load Independent Voltage Gain. Energies 2018, 11, 2883. [Google Scholar] [CrossRef]
  18. Yan, Z.; Zhang, Y.; Song, B.; Zhang, K.; Kan, T.; Mi, C. An LCC-P compensated wireless power transfer system with a constant current output and reduced receiver size. Energies 2019, 12, 172. [Google Scholar] [CrossRef]
  19. Liu, X.; Clare, L.; Yuan, X.; Wang, C.; Liu, J. A design method for making an lcc compensation two-coil wireless power transfer system more energy efficient than an ss counterpart. Energies 2017, 10, 1346. [Google Scholar] [CrossRef]
  20. Zhang, W.; Wong, S.-C.; Chi, K.T.; Chen, Q. Design for efficiency optimization and voltage controllability of series–series compensated inductive power transfer systems. IEEE Trans. Power Electron. 2013, 29, 191–200. [Google Scholar] [CrossRef]
  21. Auvigne, C.; Germano, P.; Ladas, D.; Perriard, Y. A dual-topology ICPT applied to an electric vehicle battery charger. In Proceedings of the IEEE 2012 XXth International Conference on Electrical Machines, Marseille, France, 2–5 September 2012; pp. 2287–2292. [Google Scholar]
  22. Mai, R.; Chen, Y.; Li, Y.; Zhang, Y.; Cao, G.; He, Z. Inductive power transfer for massive electric bicycles charging based on hybrid topology switching with a single inverter. IEEE Trans. Power Electron. 2017, 32, 5897–5906. [Google Scholar] [CrossRef]
  23. Li, Y.; Xu, Q.; Lin, T.; Hu, J.; He, Z.; Mai, R. Analysis and design of load-independent output current or output voltage of a three-coil wireless power transfer system. IEEE Trans. Transp. Electrif. 2018, 4, 364–375. [Google Scholar] [CrossRef]
  24. Chen, Y.; Kou, Z.; Zhang, Y.; He, Z.; Mai, R.; Cao, G. Hybrid topology with configurable charge current and charge voltage output-based WPT charger for massive electric bicycles. IEEE J. Emerg. Sel. Top. Power Electron. 2017, 6, 1581–1594. [Google Scholar] [CrossRef]
  25. Shi, X.; Qi, C.; Qu, M.; Ye, S.; Wang, G.; Sun, L.; Yu, Z. Effects of coil shapes on wireless power transfer via magnetic resonance coupling. J. Electromagn. Waves Appl. 2014, 28, 1316–1324. [Google Scholar] [CrossRef]
  26. McDonough, M.; Fahimi, B. Comparison between circular and square coils for use in wireless power transmission. In Proceedings of the 9th IET International Conference on Computation in Electromagnetics, London, UK, 31 March–1 April 2014. [Google Scholar]
  27. Eftekhar, M.G.; Ouyang, Z.; Andersen, M.A.; Andersen, P.B.; Ribeiro, L.A.D.S.; Schaltz, E. Efficiency study of vertical distance variations in wireless power transfer for e-mobility. IEEE Trans. Magn. 2016, 52, 1–4. [Google Scholar] [CrossRef]
  28. Kim, S.-H. Electric Motor Control: DC, AC, and BLDC Motors; Elsevier: Amsterdam, The Netherlands, 2017. [Google Scholar]
Figure 1. Typical charging profile of a lithium-ion battery.
Figure 1. Typical charging profile of a lithium-ion battery.
Symmetry 12 01453 g001
Figure 2. (a) Complete schematic of a Wireless Power Transfer (WPT) system using Series–Series (SS) topology and (b) an equivalent circuit.
Figure 2. (a) Complete schematic of a Wireless Power Transfer (WPT) system using Series–Series (SS) topology and (b) an equivalent circuit.
Symmetry 12 01453 g002
Figure 3. (a) Complete schematic of a WPT system using Inductor–Capacitor–Capacitor/Series (LCC-S) topology and (b) an equivalent circuit.
Figure 3. (a) Complete schematic of a WPT system using Inductor–Capacitor–Capacitor/Series (LCC-S) topology and (b) an equivalent circuit.
Symmetry 12 01453 g003
Figure 4. (a) An equivalent circuit of the proposed hybrid compensation, (b) the control logic of switching, and (c) a switch made of two anti-series-connected MOSFETs.
Figure 4. (a) An equivalent circuit of the proposed hybrid compensation, (b) the control logic of switching, and (c) a switch made of two anti-series-connected MOSFETs.
Symmetry 12 01453 g004
Figure 5. (a) The simulated coil structure and (b) a prototype of the circular coils along with its dimensions.
Figure 5. (a) The simulated coil structure and (b) a prototype of the circular coils along with its dimensions.
Symmetry 12 01453 g005
Figure 6. Flow diagram to implement the proposed hybrid topology.
Figure 6. Flow diagram to implement the proposed hybrid topology.
Symmetry 12 01453 g006
Figure 7. Equivalent circuits of loss calculation in (a) constant-current (CC) mode and (b) constant-voltage (CV) mode.
Figure 7. Equivalent circuits of loss calculation in (a) constant-current (CC) mode and (b) constant-voltage (CV) mode.
Symmetry 12 01453 g007
Figure 8. Input, output voltage, and current waveforms using RL: (a) 6 Ω, (b) 12 Ω, (c) 18 Ω, and (d) 24 Ω.
Figure 8. Input, output voltage, and current waveforms using RL: (a) 6 Ω, (b) 12 Ω, (c) 18 Ω, and (d) 24 Ω.
Symmetry 12 01453 g008
Figure 9. Input, output voltage, and current waveforms using RL = 24 Ω.
Figure 9. Input, output voltage, and current waveforms using RL = 24 Ω.
Symmetry 12 01453 g009
Figure 10. Experimental setup.
Figure 10. Experimental setup.
Symmetry 12 01453 g010
Figure 11. Input voltage and current waveforms together with output waveforms in CC mode using different values of RL: (a) 6 Ω, (b) 12 Ω, (c) 18 Ω, and (d) 24 Ω.
Figure 11. Input voltage and current waveforms together with output waveforms in CC mode using different values of RL: (a) 6 Ω, (b) 12 Ω, (c) 18 Ω, and (d) 24 Ω.
Symmetry 12 01453 g011
Figure 12. Output waveforms in CV mode using RL = 24 Ω.
Figure 12. Output waveforms in CV mode using RL = 24 Ω.
Symmetry 12 01453 g012
Figure 13. (a) Voltage gain vs. frequency, (b) current gain vs. frequency, (c) power gain vs. frequency, using different resistances, and (d) transconductance gain.
Figure 13. (a) Voltage gain vs. frequency, (b) current gain vs. frequency, (c) power gain vs. frequency, using different resistances, and (d) transconductance gain.
Symmetry 12 01453 g013
Table 1. Simulation and prototype results of coils.
Table 1. Simulation and prototype results of coils.
Distance between CoilsSelf-Inductance of Tx Coil (L1)Self-Inductance of Rx Coil (L2)Mutual Inductance between Coils (M)
Simulation Results13.5 cm203.15 uH204.30 uH27.355 uH
Measured Results13.5 cm202.70 uH207.70 uH27.275 uH
Table 2. Designed parameters based on the given values in Table 1.
Table 2. Designed parameters based on the given values in Table 1.
Parameter NameDesigned ParametersMeasured Parameters
RL6, 12, 18, 24 Ω6, 12, 18, 24 Ω
M27.275 uH27.275 uH
L1, L2202.7 uH, 207.7 uH202.7 uH, 207.7 uH
R1, R20.3 Ω0.3 Ω
F160 kHz160 kHz
Desired Maximum UL (peak to peak)48 V48 V
Desired Maximum IL (peak to peak)2 A2 A
L031.16 uH31.10 uH
CS163.50 nF63.35 nF
CS25.80 nF5.95 nF
C031.75 nF31.62 nF
C24.764 nF4.86 nF
US (peak to peak)54.84 VUDC = 43 V
Table 3. Peak values of voltage and currents.
Table 3. Peak values of voltage and currents.
CC, 6 ΩCC, 12 ΩCC, 18 ΩCC, 24 ΩCV, 24 Ω
Peak to Peak Output Current of Inverter (A)0.652 A1.0191.4021.7801.726
Peak to Peak Output Voltage (V)12.03 V23.7935.144645.44
Peak to Peak Output Current (A)2.005 A1.9831.9521.9171.852
Efficiency (%)67.46%84.42%89.21%90.33%88.91%

Share and Cite

MDPI and ACS Style

Rehman, M.; Nallagownden, P.; Baharudin, Z. Design of a New Hybrid Topology of WPT System to Achieve Load-Independent Constant-Current and Constant-Voltage Output. Symmetry 2020, 12, 1453. https://doi.org/10.3390/sym12091453

AMA Style

Rehman M, Nallagownden P, Baharudin Z. Design of a New Hybrid Topology of WPT System to Achieve Load-Independent Constant-Current and Constant-Voltage Output. Symmetry. 2020; 12(9):1453. https://doi.org/10.3390/sym12091453

Chicago/Turabian Style

Rehman, Masood, Perumal Nallagownden, and Zuhairi Baharudin. 2020. "Design of a New Hybrid Topology of WPT System to Achieve Load-Independent Constant-Current and Constant-Voltage Output" Symmetry 12, no. 9: 1453. https://doi.org/10.3390/sym12091453

APA Style

Rehman, M., Nallagownden, P., & Baharudin, Z. (2020). Design of a New Hybrid Topology of WPT System to Achieve Load-Independent Constant-Current and Constant-Voltage Output. Symmetry, 12(9), 1453. https://doi.org/10.3390/sym12091453

Note that from the first issue of 2016, this journal uses article numbers instead of page numbers. See further details here.

Article Metrics

Back to TopTop