Characteristics of Creep and Permeability Changes in Coal Samples from Underground Water Storage Structures Under High Stresses
Abstract
1. Introduction
2. Modeling
2.1. Matrix and Fracture Deformation Induced by Water Adsorption
2.2. Permeability Models with Different Moisture Content Under Triaxial Stress Condition
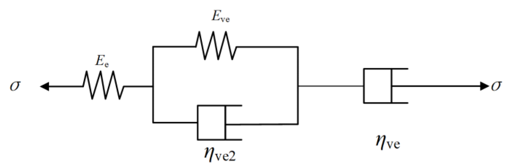
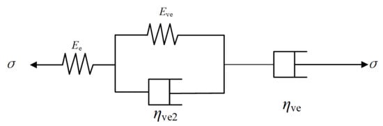
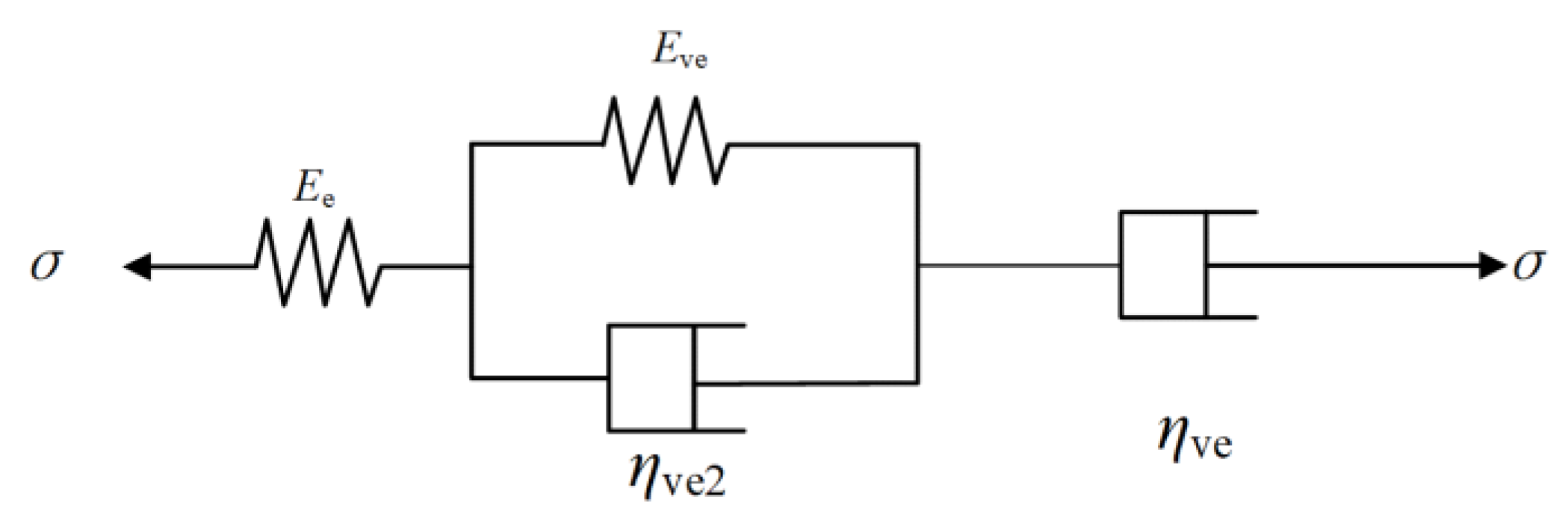
2.3. Total Effective Strain Considering Creep Deformation
3. Experiments
3.1. Experiment Details
3.1.1. Coal Sample Preparation
3.1.2. Experimental Design
3.2. Experimental Results
3.2.1. Creep Deformation in Triaxial Creep–Seepage Experiments
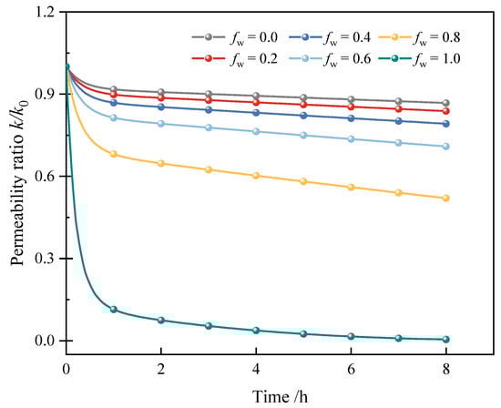
3.2.2. Permeability Evolution in Triaxial Creep–Seepage Experiments
4. Model Validation and Analysis
4.1. Verification of the WCMFI Model
4.1.1. Model Validation Under Conventional Triaxial Conditions
4.1.2. Model Validation Under Triaxial Creep Conditions
4.2. Analysis
4.2.1. Creep Effective Volumetric Strain
4.2.2. Internal Expansion Coefficient
4.2.3. Long-Term Stability Control of Underground Reservoir
5. Conclusions
Author Contributions
Funding
Data Availability Statement
Conflicts of Interest
References
- Energy Institute (UK); KPMG Consulting, A.T. Kearney Consulting. 2023 World Energy Statistics Yearbook; Energy Institute (UK): London, UK; KPMG Consulting, A.T. Kearney Consulting: Bengaluru, India, 2023. [Google Scholar]
- National Bureau of Statistics. Stats.gov.cn. 2022. Available online: http://www.stats.gov.cn/ (accessed on 13 February 2023).
- Gu, D.Z.; Li, J.F.; Cao, Z.G.; Wu, B.Y.; Jiang, B.B.; Yang, Y.; Yang, J.; Chen, Y.P. Technology and engineering development strategy of water protection and utilization of coal mine in China. J. China Coal Soc. 2021, 46, 3079–3089. (In Chinese) [Google Scholar] [CrossRef]
- Yao, Q.; Chen, T.; Tang, C.; Sedighi, M.; Wang, S.; Huang, Q. Influence of moisture on crack propagation in coal and its failure modes. Eng. Geol. 2019, 258, 105156. [Google Scholar] [CrossRef]
- Yao, Q.L.; Hao, Q.; Chen, X.Y.; Zhou, B.J.; Fang, J. Design on the width of coal pillar dam in coal mine groundwater reservoir. J. China Coal Soc. 2019, 44, 891–899. (In Chinese) [Google Scholar] [CrossRef]
- Yao, Q.; Tang, C.; Xia, Z.; Liu, X.; Zhu, L.; Chong, Z.; Xindong, H. Mechanisms of failure in coal samples from underground water reservoir. Eng. Geol. 2020, 267, 105494. [Google Scholar] [CrossRef]
- Gu, D.Z.; Zhang, Y.; Cao, Z.G. Technical progress of water resource protection and utilization by coal mining in China. Coal Sci. Technol. 2016, 44, 1–7. (In Chinese) [Google Scholar] [CrossRef]
- Gu, D.Z. Theory framework and technological system of coal mine underground reservoir. J. China Coal Soc. 2015, 40, 239–246. (In Chinese) [Google Scholar] [CrossRef]
- Palmer, I.; Mansoori, J. How Permeability Depends on Stress and Pore Pressure in Coalbeds: A New Model. SPE Reserv. Eval. Eng. 1998, 1, 539–544. [Google Scholar] [CrossRef]
- Shi, J.; Durucan, S. Drawdown Induced Changes in Permeability of Coalbeds: A New Interpretation of the Reservoir Response to Primary Recovery. Transp. Porous Media 2004, 56, 1–16. [Google Scholar] [CrossRef]
- Cui, X.; Bustin, R.M. Volumetric strain associated with methane desorption and its impact on coalbed gas production from deep coal seams. AAPG Bull. 2005, 89, 1181–1202. [Google Scholar] [CrossRef]
- Connell, L.D.; Lu, M.; Pan, Z. An analytical coal permeability model for tri-axial strain and stress conditions. Int. J. Coal Geol. 2010, 84, 103–114. [Google Scholar] [CrossRef]
- Yang, Z.; Shabani, M.; Solano, N.; Ghanizadeh, A.; Clarkson, C.R. Experimental determination of gas-water relative permeability for ultra-low-permeability reservoirs using crushed-rock samples: Implications for drill cuttings characterization. Fuel 2023, 347, 128331. [Google Scholar] [CrossRef]
- Deng, Q.; Shang, X.; He, P. A Connectivity Metrics-Based Approach for the Prediction of Stress-Dependent Fracture Permeability. Water 2024, 16, 697. [Google Scholar] [CrossRef]
- Wang, Z.; Li, B.; Ren, C.; Xu, J.; Gao, Z.; Zhang, Y. A permeability model for coal based on elastic and plastic deformation conditions under the interaction of hydro-mechanical effects. J. Pet. Sci. Eng. 2022, 212, 110209. [Google Scholar] [CrossRef]
- Cui, X.; Bustin, A.M.M.; Bustin, R.M. Measurements of gas permeability and diffusivity of tight reservoir rocks: Different approaches and their applications. Geofluids 2009, 9, 208–223. [Google Scholar] [CrossRef]
- Chen, D.; Pan, Z.; Liu, J.; Connell, L.D. Modeling and Simulation of Moisture Effect on Gas Storage and Transport in Coal Seams. Energy Fuels 2012, 26, 1695–1706. [Google Scholar] [CrossRef]
- Pan, Z. Modeling of coal swelling induced by water vapor adsorption. Front. Chem. Sci. Eng. 2012, 6, 94–103. [Google Scholar] [CrossRef]
- Zhou, L.; Zhou, X.; Fan, C.; Bai, G.; Yang, L.; Wang, Y. Modelling of flue gas injection promoted coal seam gas extraction incorporating heat-fluid-solid interactions. Energy 2023, 268, 126664. [Google Scholar] [CrossRef]
- Liu, D.; Yan, W.; Su, Y.; Kang, Q. Study on the effect of axial and hydraulic pressure coupling on the creep behaviors of sandstone under multi-loading. Bull. Eng. Geol. Environ. 2021, 80, 6107–6120. [Google Scholar] [CrossRef]
- Gao, Y.; Wei, W.; Hua, D.; Jiang, Q. Study on creep characteristics of mudstone with different initial water contents in soaking conditions and its engineering applications. Bull. Eng. Geol. Environ. 2022, 81, 380. [Google Scholar] [CrossRef]
- Nishihara, M. Creep of shale and sandy-shale. J. Geol. Soc. Jpn. 1952, 58, 373–377. [Google Scholar] [CrossRef]
- Yang, C.; Daemen, J.J.K.; Yin, J.-H. Experimental investigation of creep behavior of salt rock. Int. J. Rock Mech. Min. Sci. 1999, 36, 233–242. [Google Scholar] [CrossRef]
- Liu, A.; Ju, W.; Zhang, Z.; Meng, X.; Zhang, J. Key factors in hole-sealing and pressure-relief failure of hydraulic fracturing straddle packer in coal mine. Eng. Fail. Anal. 2023, 149, 107243. [Google Scholar] [CrossRef]
- Li, A.; Deng, H.; Zhang, H.; Jiang, M.; Liu, H.; Xiao, Y.; Wen, J. Developing a two-step improved damage creep constitutive model based on soft rock saturation-loss cycle triaxial creep test. Nat. Hazards 2021, 108, 2265–2281. [Google Scholar] [CrossRef]
- Li, X.; Liu, X.; Tan, Y.; Ma, Q.; Wu, B.; Wang, H. Creep Constitutive Model and Numerical Realization of Coal-Rock Combination Deteriorated by Immersion. Minerals 2022, 12, 292. [Google Scholar] [CrossRef]
- Sun, S.; Zhang, X.; Zhou, Y. Features and Constitutive Model of Hydrate-Bearing Sandy Sediment’s Triaxial Creep Failure. Water 2024, 16, 2947. [Google Scholar] [CrossRef]
- Mansouri, H.; Ajalloeian, R. Mechanical behavior of salt rock under uniaxial compression and creep tests. International Journal of Rock Mechanics and Mining. Sciences 2018, 110, 19–27. [Google Scholar] [CrossRef]
- Zhou, H.; Zhang, L.; Wang, X.Y.; Rong, T.; Wang, L.J. Effects of matrix-fracture interaction and creep deformation on permeability evolution of deep coal. Int. J. Rock Mech. Min. Sci. 2020, 127, 104236. [Google Scholar] [CrossRef]
- Yao, Y.; Liu, D.; Xie, S. Quantitative characterization of methane adsorption on coal using a low-field NMR relaxation method. Int. J. Coal Geol. 2014, 131, 32–40. [Google Scholar] [CrossRef]
- Guo, P.; Wang, C.; Jin, K.; Li, W.; Tu, Q.; Liu, H. Impact of Effective Stress and Matrix Deformation on the Coal Fracture Permeability. Transp. Porous Media 2014, 103, 99–115. [Google Scholar] [CrossRef]
- Liu, S.; Li, W.; Wang, Q.; He, J.; Xue, S. Water Inrush Risk zoning and Water Conservation Mining Technology in the Shennan Mining Area, Shaanxi, China. Arab. J. Sci. Eng. 2017, 43, 321–333. [Google Scholar] [CrossRef]
- Atkinson, J.H. Fundamentals of rock mechanics. Eng. Geol. 1977, 11, 241. [Google Scholar] [CrossRef]
- Hatheway, A.W. The Complete ISRM Suggested Methods for Rock Characterization, Testing and Monitoring; 1974–2006. Environ. Eng. Geosci. 2009, 15, 47–48. [Google Scholar] [CrossRef]
- Li, Y.; Yao, Q.; Li, X.; Zheng, C. Creep characteristics and long-term strength of underground reservoir’ coal pillar dam specimens under different osmotic pressures. J. Clean. Prod. 2024, 452, 141901. [Google Scholar] [CrossRef]
- DZ/T0276.25-2015; Rock Physical and Mechanical Properties Test Procedure—Part25: Test for Direct Shear Strength of Rocks. China Standard Press: Beijing, China, 2015.
- Henderson, G.D.; Danesh, A.; Tehrani, D.H.; Al-Shaidi, S.; Peden, J.M. Measurement and Correlation of Gas Condensate Relative Permeability by the Steady-State Method. SPE Reserv. Eval. Eng. 1998, 1, 134–140. [Google Scholar] [CrossRef]
- Boulin, P.F.; Bretonnier, P.; Gland, N.; Lombard, J.-M. Contribution of the Steady State Method to Water Permeability Measurement in Very Low Permeability Porous Media. Oil Gas Sci. Technol. 2012, 67, 387–401. [Google Scholar] [CrossRef]
- Wang, K.; Du, F.; Wang, G. Investigation of gas pressure and temperature effects on the permeability and steady-state time of chinese anthracite coal: An experimental study. J. Nat. Gas Sci. Eng. 2017, 40, 179–188. [Google Scholar] [CrossRef]
- Xiao, Z.Y.; Wang, C.S.; Wang, G.; Jiang, Y.J.; Yu, J.H. Influence of matrix-fracture interaction on permeability evolution: Considering matrix deformation and stress correction. Chin. J. Geol. Eng. 2021, 43, 2209–2219. (In Chinese) [Google Scholar] [CrossRef]
- Xia, Z.; Yao, Q.; Xu, Q.; Ma, J.; Liu, Z. Numerical-modeling-based assessment of the impact of two-end-type cable support on failure characteristics of yield pillars. Eng. Fail. Anal. 2021, 128, 105619. [Google Scholar] [CrossRef]
- He, F.; Xu, X.; Qin, B.; Li, L.; Lv, K.; Li, X. Study on deformation mechanism and control technology of surrounding rock during reuse of gob side entry retaining by roof pre-splitting. Eng. Fail. Anal. 2022, 137, 106271. [Google Scholar] [CrossRef]
- Zhao, X.L.; Huang, B.X.; Cheng, Q.Y.; Wang, C.W.; Chen, S.L. Experimental investigation on basic law of rock directional fracturing with static expansive agent controlled by dense linear multi boreholes. J. Cent. South Univ. 2021, 28, 2499–2513. [Google Scholar] [CrossRef]














| Seam Location | Porosity/% | Pore Type | Pore Volume Ratio/% |
|---|---|---|---|
| 3-1 Seam | 10.18–16.11 | Macroporous | 49 |
| Mesopore | 17.6 | ||
| Minipores | 30.6 | ||
| Micropore | 2.82 |
| Label | Moisture Content/% | Dry Sample Weight/g | Wet Sample Weight/g | Dry Wave Speed m/s |
|---|---|---|---|---|
| W1 | 0 | 235.5 | 235.5 | 1693 |
| W2 | 2.97 | 229.2 | 236.2 | 1725 |
| W3 | 6.012 | 235.6 | 249.8 | 1750 |
| W4 | 10.04 | 234.2 | 260.3 | 1742 |
| Parameter | ω/% | 0 | 3 | 6 | 10 | ||||||||
|---|---|---|---|---|---|---|---|---|---|---|---|---|---|
| σ1/MPa | 10 | 25 | 40 | 10 | 25 | 40 | 10 | 25 | 40 | 10 | 25 | 40 | |
| Ee/GPa | 2.7 | 2.52 | 2.34 | 2.11 | |||||||||
| α | 1 | 1 | 1 | 1 | |||||||||
| φ0 (%) | 10.52 | 10.52 | 10.52 | 10.52 | |||||||||
| fw | 0.1 | 0.088 | 0.076 | 0.061 | |||||||||
| θm (%) | 12.22 | 12.22 | 12.22 | 12.22 | |||||||||
| εL | 0.028 | 0.028 | 0.028 | 0.028 | |||||||||
| θL | 0.043 | 0.043 | 0.043 | 0.043 | |||||||||
| v | 0.27 | 0.29 | 0.33 | 0.27 | 0.29 | 0.32 | 0.26 | 0.29 | 0.32 | 0.27 | 0.29 | 0.32 | |
| kw | 0.4 | 0.45 | 0.5 | 0.4 | 0.45 | 0.5 | 0.4 | 0.45 | 0.5 | 0.4 | 0.45 | 0.5 | |
| Parameter | Lable | W1 | W2 | W3 | |||
|---|---|---|---|---|---|---|---|
| σ1/MPa | 25 | 40 | 25 | 40 | 25 | 40 | |
| Ee (GPa) | 2.74 | 2.63 | 2.18 | 2.17 | 1.63 | 1.84 | |
| Eve (GPa) | 74.26 | 72.02 | 54.28 | 41.36 | 61.23 | 92.12 | |
| ηve (103 GPa·h) | 2.14 | 1.86 | 0.62 | 0.48 | 1.01 | 0.84 | |
| ηve2 (GPa·h) | 21.41 | 20.14 | 17.44 | 11.48 | 26.32 | 30.32 | |
| v | 0.26 | 0.26 | 0.23 | 0.25 | 0.23 | 0.23 | |
| kw | 0.45 | 0.5 | 0.45 | 0.5 | 0.45 | 0.5 | |
| fw | 0.1 | 0.088 | 0.076 | ||||
| φ0 (%) | 1.52 | 1.52 | 1.52 | ||||
| α | 1 | 1 | 1 | ||||
| θm (%) | 12.22 | 12.22 | 12.22 | ||||
| εL | 0.028 | 0.028 | 0.028 | ||||
| θL | 0.043 | 0.043 | 0.043 | ||||
| Parameter | Range |
|---|---|
| Ee/GPa | 1.5–3.0 |
| Eve/GPa | 40–100 |
| fw | 0.05–0.95 |
| kw | 0.1–0.9 |
| ηve (103 GPa·h) | 103–104 |
Disclaimer/Publisher’s Note: The statements, opinions and data contained in all publications are solely those of the individual author(s) and contributor(s) and not of MDPI and/or the editor(s). MDPI and/or the editor(s) disclaim responsibility for any injury to people or property resulting from any ideas, methods, instructions or products referred to in the content. |
© 2025 by the authors. Licensee MDPI, Basel, Switzerland. This article is an open access article distributed under the terms and conditions of the Creative Commons Attribution (CC BY) license (https://creativecommons.org/licenses/by/4.0/).
Share and Cite
Liu, Z.; Li, Y.; Fan, K.; Wang, S.; Gu, Y.; Xia, Z.; Yao, Q. Characteristics of Creep and Permeability Changes in Coal Samples from Underground Water Storage Structures Under High Stresses. Water 2025, 17, 538. https://doi.org/10.3390/w17040538
Liu Z, Li Y, Fan K, Wang S, Gu Y, Xia Z, Yao Q. Characteristics of Creep and Permeability Changes in Coal Samples from Underground Water Storage Structures Under High Stresses. Water. 2025; 17(4):538. https://doi.org/10.3390/w17040538
Chicago/Turabian StyleLiu, Zichang, Yinghu Li, Kaifang Fan, Shijun Wang, Yanchang Gu, Ze Xia, and Qiangling Yao. 2025. "Characteristics of Creep and Permeability Changes in Coal Samples from Underground Water Storage Structures Under High Stresses" Water 17, no. 4: 538. https://doi.org/10.3390/w17040538
APA StyleLiu, Z., Li, Y., Fan, K., Wang, S., Gu, Y., Xia, Z., & Yao, Q. (2025). Characteristics of Creep and Permeability Changes in Coal Samples from Underground Water Storage Structures Under High Stresses. Water, 17(4), 538. https://doi.org/10.3390/w17040538

