Impacts of Feedwater Quality Change on the Oldest Continuously Operated Brackish-Water Reverse Osmosis Desalination Plant in the United States
Abstract
:1. Introduction

2. Background
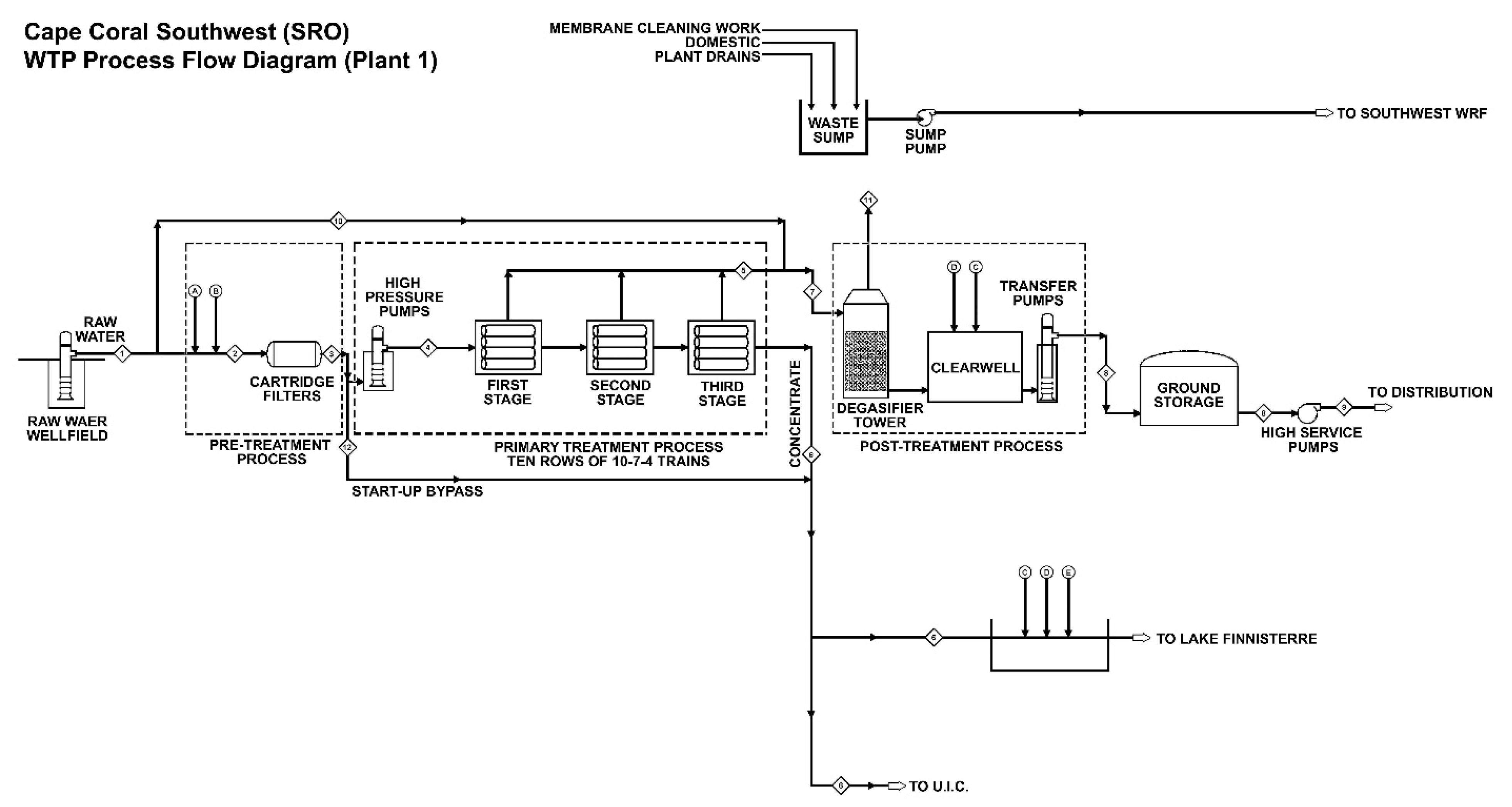
2.1. Description of the BWRO Facility
2.2. Description of the Feedwater Wellfield
2.3. Water Use Permit for the Feedwater Supply
3. Hydrogeology of the Floridan Aquifer System and Water Quality
3.1. Hydrogeology
3.2. South RO Wellfield Dissolved Chloride and TDS Data Analysis
4. Materials and Methods
4.1. Collection of Water Quality and Pumping Data from South Cape Coral Production Wells
4.2. Statistical Treatment of the Dissolved Chloride Data
4.3. Relationship between Dissolved Chloride Concentration and Total Dissolved Solids (TDS)
5. Results
5.1. Feedwater Quality Fluctuation Compared to Historical Raw Well Water Pumping
5.2. Predictions of Future Water Quality Based on the Linear Regression Analyses
5.3. Monthly Average Pumping Data Observations
6. Discussion
6.1. Comparison of Actual Dissolved Chloride Concentrations and Projections Based on Real Data to the Original Planning Model
6.2. Comparison of the Updated Model Projections to the Real Data and Future Projections Based on the Regression Analyses
6.3. Behavior of the Groundwater Quality Changes Compared to the Conceptual Model Used in the Solute Transport Modeling
6.4. Impacts of the Feedwater Salinity Change on the Design and Operation of the Two South Cape Coral BWRO Plants
6.5. South RO Plant Low-Pressure RO Membrane Specifications and Limitations
6.6. Lessons Learned from the Analysis of the South Cape Coral BWRO Facility
7. Conclusions
Author Contributions
Funding
Institutional Review Board Statement
Informed Consent Statement
Data Availability Statement
Conflicts of Interest
References
- Alley, W.; Reilly, T.E.; Franke, O.L. Sustainability of Ground-Water Resources; U.S. Geological Survey Circular: Reston, VA, USA, 1999; Volume 1186.
- Stanton, J.S.; Anning, D.W.; Brown, C.J.; Moore, R.B.; McQuire, V.L.; Qi, S.L.; Harris, A.C.; Dennehy, K.F.; McMahon, P.B.; Degnan, J.R.; et al. Brackish Groundwater in the United States; U. S. Geological Survey Professional Paper; U. S. Geological Survey: Reston, VA, USA, 2017; Volume 1833.
- Pearson, J.L.; Michael, P.R.; Ghaffour, N.; Missimer, T.M. Economics and energy consumption of brackish-water reverse osmosis desalination: Innovations and impacts of feedwater quality. Membranes 2021, 11, 616. [Google Scholar] [CrossRef] [PubMed]
- Florida Department of Environmental Protection (FDEP). Desalination in Florida: Technology, Implementation, and Environmental Issues; Division of Water Resources Management, Florida Department of Environmental Protect: Tallahassee, FL, USA, 2010.
- South Florida Water Management District. Facilities Using Brackish Groundwater and Seawater in South Florida; South Florida Water Management District: West Palm Beach, FL, USA, 2019. Available online: https://www.sfwmd.gov/sites/default/files/2019_Facilities_Using_Brackish_Groundwater_and_Seawater_in_South_Florida.pdf (accessed on 10 May 2021).
- Sproul, C.R.; Boggess, D.H.; Woodard, H.J. Saline-Water Intrusion from Deep Artesian Sources in the McGregor Isles Area of Lee County, Florida; Florida Bur. of Geology Information Circular; Florida Bur. of Geology: Tallahassee, FL, USA, 1972; Volume 75.
- Boggess, D.H. Saline Ground-Water Resources of Lee County, Florida; U. S. Geological Survey Open-File Report FL 74–247; U. S. Geological Survey: Tallahassee, FL, USA, 1974.
- Wedderburn, W.A.; Knapp, M.S.; Waltz, D.P.; Burns, W.S. Hydrogeologic Reconnaissance of Lee County, Florida; South Florida Water Management District, Technical Publication, South Florida Water Management District: West Palm Beach, FL, USA, 1982; Volume 82.
- Missimer, T.M.; Martin, W.K. Hydrogeology of Lee County, Florida. In Geology and Hydrology of Lee County, Florida; Missimer, T.M., Scott, T.M., Eds.; Florida Geological Survey Special Publication: Tallahassee, FL, USA, 2001; Volume 49, pp. 91–137. [Google Scholar]
- CH2M-Hill. Design Report of the City of Cape Coral Wellfield to Supply the RO Plant; Consultant’s to the City of Cape Coral, FL; CH2M-Hill: Naples, FL, USA, 1975. [Google Scholar]
- Kopko, S.P. The Story of Water Treatment and the Cape Coral Experience; Infinity Publishing: West Conshohocken, PA, USA, 2015. [Google Scholar]
- Missimer & Associates, Inc. City of Cape Coral Master Water Supply Plan, Phase II Report, Hydrogeology and Hydraulic Solute Transport Modeling of the Upper Floridan Aquifer System Beneath Cape Coral, Florida; Consultant’s Report to the City of Cape Coral, Florida; Missimer & Associates, Inc.: Atlanta, GA, USA, 1991; p. 141. [Google Scholar]
- MWH. W-10 Water Supply Resource Study Study, Task 6: Future Water Supply Sources for the City of Cape Coral Final Planning Report; Consultant’s Report to the City of Cape Coral, FL; MWH: Cape Coral, FL, USA.
- Li, M. Optimal plant operation of brackish water reverse osmosis (BWRO) desalination. Desalination 2012, 293, 61–68. [Google Scholar] [CrossRef]
- Khanzada, N.K.; Khan, S.; Davies, P.A. Performance evaluation of reverse osmosis (RO) pre-treatment technologies for inland brackish water treatment. Desalination 2017, 406, 44–50. [Google Scholar] [CrossRef] [Green Version]
- Biesheuval, P.M.; Zhang, L.; Gasquet, P.; Blankert, B.; Elimelech, M.; van der Meer, W.G.J. Ion selectivity in brackish water desalination by reverse osmosis: Theory, measurements, and implications. Environ. Sci. Technol. 2020, 7, 42–47. [Google Scholar] [CrossRef] [Green Version]
- Zhao, L.; Chang, P.C.-Y.; Yen, C.; Ho, W.W.S. High-flux and fouling resistant membranes for brackish water desalination. J. Membr. Sci. 2013, 425–426, 1–10. [Google Scholar]
- Greenlee, L.F.; Lawler, D.E.; Freemen, B.D.; Marrot, B.; Moulin, P. Reverse osmosis desalination: Water sources, technology, and today’s challenges. Water Res. 2009, 43, 317–2348. [Google Scholar] [CrossRef] [PubMed]
- Alsarayreh, A.A.; A.-Obaidi, M.A.; Al-Hroub, A.M.; Patel, R.; Mujtaba, I.M. Evaluation of energy consumption in a medium-scale reverse osmosis brackish water desalination plant. J. Cleaner Prod. 2020, 248, 11920. [Google Scholar] [CrossRef]
- Drendel, R.; Kinzli, K.D.A.; Koeble, A.; Missimer, T.M. Management of BWRO systems using long-term monitoring of feed water quality to avoid future membrane process failure. Desalin. Water Treat. 2016, 57, 16209–16219. [Google Scholar] [CrossRef] [Green Version]
- Missimer, T.M. Water Supply Development, Aquifer Storage, and Concentrate Disposal for Membrane Water Treatment Facilities, 2nd ed.; Methods in Water Resources Evaluation Series No. 1; Schlumberger Water Services: Houston, TX, USA, 2009. [Google Scholar]
- Missimer, T.M. Raw water quality: The critical design factor for brackish water reverse osmosis treatment facilities. Desalin. Water Reuse Q. 1999, 9, 41–47. [Google Scholar]
- Maliva, R.G.; Missimer, T.M. Improved aquifer characterization and the optimization of the design of brackish groundwater desalination systems. Desalin. Water Treat. 2011, 3, 190–196. [Google Scholar] [CrossRef]
- Missimer, T.M.; Maliva, R.G.; Watson, I. Brackish-water desalination in Florida: Is the feed water from the Floridan Aquifer System a sustainable resource. In Proceedings of the Florida Section of the American Water Works Association Annual Meeting, Orlando, FL, USA, 30 November–2 December 2014. [Google Scholar]
- Schers, G.J.; Rectenwald, E.; Andersen, J.; Fenske, A.; Barnes, A.; Brogdon, H.; Uram, T. Salinity increases in the upper Floridan Aquifer System wellfield in south Florida: What have we learned and how do we plan new systems? In Proceedings of the Florida Section, American Water Works Association Annual Meeting, Orlando, FL, USA, 30 November 2015. [Google Scholar]
- MWH. South Cape Coral BWRO Plant Expansion (W-4) Record Drawing Sheet G-04; Consultant’s Report to the City of Cape Coral; MWH: Cape Corel, FL, USA, 2008. [Google Scholar]
- Missimer, T.M.; Banks, R.S. Miocene cyclic sedimentation in western Lee County, Florida. In Miocene of the Southeastern United States; Scott, T.M., Upchurch, S.B., Eds.; Florida Bureau of Geology Special Publication: Tallahassee, FL, USA, 1982; Volume 25, pp. 285–298. [Google Scholar]
- Boggess, D.H.; Missimer, T.M.; O’Donnell, T.H. Saline Water Intrusion Related to Well Construction in Lee County, Florida; U.S. Geological Survey Water Resources Investigations, 77–33; U.S. Geological Survey: Tallahassee, FL, USA, 1976.
- Fitzpatrick, D.J. Tests for Injecting, Storage and Recovery of Freshwater in a Saline Artesian Aquifer, Lee County, Florida; U. S. Geological Survey Water-Resources Investigations 85–4249; U.S. Geological Survey: Tallahassee, FL, USA, 1986.
- Bower, R.F.; Adams, K.M.; Restrepo, J.I. A Three-Dimensional Finite-Difference Ground-Water Flow Model of Lee County, Florida; Technical Publication 90–01; South Florida Water Management District: West Palm Beach, FL, USA, 1990.
- Missimer & Associates, Inc. Aquifer Test on Isolated Hawthorn Aquifer System–Zones II and III Using Inflatable Packer Separation; Consultant’s Report No. 231–84 to the City of Cape Coral; Missimer & Associates, Inc.: Cape Coral, FL, USA, 1984; 19p. [Google Scholar]
- Missimer & Associates, Inc. Cape Coral Reverse Osmosis Wellfield Final Construction Report and Operation and Maintenance Recommendations; Consultant’s to the City of Cape Coral, FL; Missimer & Associates, Inc.: Cape Coral, FL, USA, 1985; Volume 3. [Google Scholar]
- Missimer & Associates, Inc. City of Cape Coral Master Water Supply Plan, Phase I Report: Preliminary Assessment of Sources of Water for Future Potable Water Supply in the City of Cape Coral; Consultant’s Report to the City of Cape Coral; Missimer & Associates, Inc.: Cape Coral, FL, USA, 1989; 178p. [Google Scholar]
- MWH. Southwest Wellfield Expansion Well Completion Report; Consultant’s to the City of Cape Coral, FL; MWH: Cape Coral, FL, USA, 2007. [Google Scholar]
- MWH. North Wellfield Expansion Well Completion Report; Consultant’s Report to the City of Cape Coral, FL; MWH: Cape Coral, FL, USA, 2008. [Google Scholar]
- MWH. W-2C North Production Well System, North Wellfield Completion Report, 2008; Consultant’s Report to the City of Cape Coral: City of Cape Coral; MWH: Cape Coral, FL, USA, 2009. [Google Scholar]
- Copeland, R. Hydrostratigraphic Units of Florida; Florida Geological Survey Poster No. 16 (one sheet); Florida Geological Survey: Tallahassee, FL, USA, 2010.
- Reese, R.S.; Richardson, E. Synthesis of the Hydrogeologic Framework of the Floridan Aquifer System and Delineation of a Major Avon Park Permeability Zone in Central and Southern Florida; U. S. Geological Survey Scientific Investigations Report 2007–5707; U. S. Geological Survey: Tallahassee, FL, USA, 2008.
- U. S. Army Corps of Engineers and South Florida Water Management District. Draft ASR Regional Study Phase I–Groundwater Modeling; Report Prepared for USACE-SAJ and SFWMD by the USACE-NAP; U. S. Army Corps of Engineers and South Florida Water Management District: Jacksonville, FL, USA, 2006.
- U. S. Army Corps of Engineers and South Florida Water Management District. Final Groundwater Model Calibration Report–Aquifer Storage and Recovery Regional Modeling Study; Report prepared for USACE-SAJ and SFWMD by the USACE-NAP; U. S. Army Corps of Engineers and South Florida Water Management District: Jacksonville, FL, USA, 2011.
- U. S. Army Corps of Engineers. Central and Southern Florida Project. Comprehensive Everglades Restoration Plan, Final Technical Data report, Aquifer Storage and Recovery Regional Study; U. S. Army Corps of Engineers: Jacksonville, FL, USA, 2014.
- Harvey, N.J.; Missimer, T.M. Impacts of projected changes in feed-water salinity on the City of Cape Coral, Florida north-brackish water reverse osmosis desalination plant operation. Desalin. Water Treat. 2020, 181, 1–16. [Google Scholar] [CrossRef]
- Harvey, N.J.; Johnston, D.; Missimer, T.M. Long-term pumping-induced groundwater quality changes at a brackish-water desalination facility, Sanibel Island, Florida. Desalin. Water Treat. 2020, 202, 1–13. [Google Scholar] [CrossRef]
- Schroeder, D.; Thomson, A.; Missimer, T.M. Characterization change of the production aquifer affects the successful design and operation of a brackish-water reverse osmosis plant over the lifespan of the facility, The Town of Jupiter, Florida. Desalin. Water Treat. 2021, 227, 1–15. [Google Scholar] [CrossRef]
- Schroeder, D.W.; Missimer, T.M. Production aquifer water salinity change impacts on brackish-water reverse osmosis desalination facility process design: The City of Clewiston, Florida. Desalin. Water Treat. 2021. [Google Scholar] [CrossRef]
- Mead, E.; Victory, J.; Missimer, T.M. Changes in feed water salinity with pumping in wellfields used to supply a brackish water RO facility at the City of Fort Myers, Florida. Desalin. Water Treat. 2020, 171, 1–12. [Google Scholar] [CrossRef]
- Schroeder, D.W.; Guo, W.; Missimer, T.M. Groundwater quality impacts of brackish-water reverse osmosis water treatment plant design: The City of Clearwater, Florida. Desalin. Water Treat. 2021, 211, 31–44. [Google Scholar] [CrossRef]
- Arico, Q.L.; Kassis, Z.R.; Maliva, R.G.; Guo, W.; Manahan, W.S.; Missimer, T.M. Changes in pumping-induced groundwater quality used to supply a large-capacity brackish-water desalination facility, Collier County, Florida: A new aquifer conceptual model. Water 2021, 13, 1951. [Google Scholar] [CrossRef]
- Nitto Hydranautics Corporation. Membrane Element ESPA2-LD Specifications. 2021. Available online: https://complete-water.com/product/hydranautics-nitto-ro-membranes-energy-saving-polyamide-espa2-espa2-ld (accessed on 5 May 2021).


















| PLANT Well No. | SFWMD Well No. | SFWMD Well ID# | Casing Depth (m) | Total Depth (m) |
|---|---|---|---|---|
| 101 | RO-1 | 27,259 | 110 | 274 |
| 102 | RO-2 | 27,261 | 110 | 227 |
| 103 | RO-3 | 27,263 | 106 | 209 |
| 104 | RO-4 | 27,265 | 105 | 215 |
| 105 | RO-5 | 27,267 | 107 | 213 |
| 106 | RO-6R | 27,269 | 172 | 244 |
| 107 | RO-7 | 27,271 | 107 | 228 |
| 108 | RO-8 | 27,273 | 107 | 228 |
| 109 | RO-9 | 27,275 | 107 | 228 |
| 110 | RO-10 | 27,277 | 107 | 228 |
| 111 | 10A | 27,316 | 140 | 217 |
| 112 | 112 | 158,260 | 139 | 220 |
| 211 | RO-11 | 27,279 | 183 | 232 |
| 212 | RO-12 | 27,281 | 183 | 226 |
| 213 | RO-13 | 27,283 | 180 | 233 |
| 214 | RO-14 | 27,285 | 158 | 214 |
| 215 | RO-15 | 27,287 | 170 | 220 |
| 216 | RO-16 | 150,927 | 139 | 215 |
| 217 | RO-17 | 27,289 | 134 | 213 |
| 218 | RO-18 | 27,291 | 151 | 220 |
| 219 | RO-19 | 27,293 | 157 | 214 |
| 220 | RO-20 | 27,295 | 152 | 219 |
| 221 | RO-21 | 27,297 | 157 | 219 |
| 222 | RO-22 | 27,299 | 157 | 196 |
| 223 | RO-23 | 27,301 | 128 | 199 |
| 224 | RO-24 | 27303 | 119 | 216 |
| 225 | RO-25 | 27,312 | 134 | 218 |
| 226 | 226 | 158,262 | 140 | 218 |
| 227 | 227 | 158,263 | 131 | 218 |
| 228 | 228 | 158,264 | 140 | 218 |
| 229 | 229 | 158,265 | 140 | 217 |
| 230 | 230R | 213,103 | 154 | 219 |
| 231 | 231 | 158,267 | 133 | 214 |
| 232 | 232 | 158,268 | 143 | 216 |
| Limiting Condition | Frequency | Compliance Status | |
|---|---|---|---|
| 17 | Flow Meter Calibration Report | Every Five years | Submittal date: August 2020 |
| 18 | Monthly Withdrawals Report | Quarterly | Submittal date: January 2020 |
| 20 | Unaccounted for Water Loss Report (only requires when >10%) | Yearly | Submittal date: March 2016 |
| 22 | Long-Term Water Supply Plan | One time | Submittal date: October 2019 |
| 23 | Ten-Year Water Use Compliance Report | Every ten years | Submittal date: February 2016 |
| 27 | Table with Proposed Wells | One time | Submittal date: August 2020 |
| 28 | Chloride Level Report | Quarterly | Submittal date: August 2020 |
| 29 | Ground Water Level Report | Quarterly | Submittal date: August 2020 |
| 30 | Annual Reclaimed Water Report | Yearly | Submittal date: January 2020 |
| 31 | Emergency Preparedness Plan | One time | Submittal date: March 2011 |
| 34 | Wellfield Operating Program | One time | Submittal date: November 2008 |
| 35 | Leak Detection Plans | Yearly* | Submittal date: September 2015 |
| Well No. | Intercept Value | 5-Year Projection | 10-Year Projection | 20-Year Projection | 40-Year Projection |
|---|---|---|---|---|---|
| 101 | 652 | 961 | 1005 | 1135 | 1342 |
| 102 | 704 | 970 | 1031 | 1151 | 1393 |
| 103 | 727 | 746 | 766 | 865 | 884 |
| 104 | 1896 | 1809 | 1789 | 1750 | 1671 |
| 105 | 960 | 1834 | 2033 | 2431 | 3225 |
| 106 | 392 | 585 | 689 | 717 | 892 |
| 107 | 593 | 701 | 726 | 775 | 873 |
| 108 | 797 | 807 | 809 | 814 | 823 |
| 109 | 525 | 540 | 543 | 550 | 564 |
| 110 | 512 | 591 | 610 | 646 | 718 |
| 111 | 524 | 573 | 584 | 607 | 651 |
| 112 | 859 | 904 | 1520 | 1765 | 2254 |
| 211 | 516 | 795 | 858 | 985 | 1238 |
| 212 | 697 | 929 | 982 | 1087 | 1285 |
| 213 | 1079 | 1969 | 2171 | 2576 | 3385 |
| 214 | 2391 | 1957 | 1858 | 1661 | 1267 |
| 215 | 887 | 1484 | 1619 | 1891 | 2433 |
| 216 | 767 | 967 | 1013 | 1104 | 1286 |
| 217 | 681 | 996 | 1067 | 1210 | 1496 |
| 218 | 597 | 1251 | 1400 | 1697 | 2292 |
| 219 | 656 | 939 | 1003 | 1132 | 1389 |
| 220 | 592 | 659 | 674 | 704 | 765 |
| 221 | 693 | 750 | 763 | 789 | 842 |
| 222 | 578 | 638 | 652 | 680 | 735 |
| 223 | 803 | 1051 | 1108 | 1220 | 1446 |
| 224 | 773 | 904 | 934 | 994 | 1113 |
| 225 | 960 | 1245 | 1310 | 1440 | 1699 |
| 226 | 824 | 982 | 1016 | 1089 | 1233 |
| 227 | 557 | 1907 | 2214 | 2827 | 4055 |
| 228 | 854 | 2138 | 2430 | 3013 | 4181 |
| 229 | 2730 | - | - | - | - |
| 230 | 500 | 1108 | 1278 | 1618 | 2299 |
| 231 | 650 | - | - | - | - |
| 232 | 652 | 939 | 1005 | 1135 | 1396 |
| Average | 841 | 1082 | 1170 | 1314 | 1598 |
| Well No. | 2014 | 2024 | 2060 | ||||||
|---|---|---|---|---|---|---|---|---|---|
| Proj. TDS mg/L | Actual TDS mg/L | Error Percent. | Proj. TDS mg/L | Trend TDS mg/L | Error Percent. | Proj. TDS mg/L | Trend TDS mg/L | Error Percent | |
| 101 | 2900 | 1780 | +39.3 | 3700 | 1954 | +47.2 | 5800 | 2703 | +53.4 |
| 102 | 2400 | 1850 | +22.9 | 2800 | 2005 | +28.4 | 4200 | 2698 | +35.8 |
| 103 | 2000 | 1611 | +19.5 | 2700 | 1661 | +38.5 | 4000 | 1887 | +52.8 |
| 104 | 2600 | 3267 | −25.7 | 3000 | 3367 | −10.9 | 4700 | 3141 | +33.2 |
| 105 | 2200 | 2832 | −28.7 | 3000 | 3265 | −8.1 | 4600 | 5619 | −18.1 |
| 106 | 2100 | 1285 | +38.8 | 3200 | 136 | +56.4 | 4300 | 1900 | +55.8 |
| 107 | 2300 | 1492 | +35.1 | 3000 | 1588 | +47.1 | 5600 | 1870 | +66.6 |
| 108 | 2250 | 1756 | +22.0 | 2900 | 1723 | +40.2 | 4900 | 1707 | +65.2 |
| 109 | 2000 | 1328 | +33.6 | 2600 | 1321 | +49.2 | 4000 | 1377 | +65.6 |
| 110 | 1700 | 1369 | +19.5 | 2000 | 415 | +29.3 | 2700 | 1623 | +39.9 |
| 111 | 1600 | 1360 | +15.0 | 2000 | 1388 | +30.6 | 2800 | 1516 | +45.9 |
| 112 | 1800 | 2356 | −23.6 | 2200 | 2666 | −25.0 | 3000 | 4070 | −26.3 |
| 211 | 2900 | 1564 | +46.0 | 4000 | 1725 | +56.9 | 8900 | 2451 | +72.4 |
| 212 | 3600 | 1807 | +49.8 | 4700 | 1841 | +58.7 | 10,300 | 2532 | +75.3 |
| 213 | 4200 | 2869 | +31.7 | 4800 | 3551 | +26.0 | 8200 | 5872 | +28.4 |
| 214 | 4600 | 4462 | +13.0 | 5100 | 3629 | +28.8 | 6600 | 2497 | +62.2 |
| 215 | 4000 | 2152 | +46.2 | 4300 | 2800 | +34.9 | 5200 | 4355 | +16.3 |
| 216 | 2900 | 1887 | +34.9 | 3800 | 2005 | +47.2 | 5800 | 2528 | +56.4 |
| 217 | 3000 | 1860 | +38.0 | 3800 | 2042 | +46.3 | 6100 | 2962 | +53.1 |
| 218 | 2900 | 2045 | +29.5 | 3700 | 1532 | +58.6 | 6000 | 4078 | +33.1 |
| 219 | 2300 | 1790 | +22.2 | 2900 | 1670 | +42.4 | 5000 | 2692 | +46.2 |
| 220 | 2200 | 1488 | +32.4 | 2700 | 1534 | +43.2 | 4300 | 1698 | +60.5 |
| 221 | 1800 | 1637 | +9.1 | 2200 | 1670 | +24.1 | 3400 | 1820 | +46.5 |
| 222 | 2000 | 1457 | +27.2 | 2400 | 1492 | +378 | 3700 | 1650 | +55.4 |
| 223 | 3300 | 1991 | +397 | 3600 | 2136 | +40.7 | 4100 | 2783 | +32.1 |
| 224 | 2200 | 1835 | +16.6 | 2200 | 1911 | +13.2 | 2600 | 2255 | +13.3 |
| 225 | 3300 | 2278 | +34.0 | 4100 | 2442 | +49.5 | 8200 | 316 | +61.1 |
| 226 | 3500 | 1941 | +44.5 | 4400 | 2032 | +53.8 | 6200 | 2443 | +60.6 |
| 227 | 4200 | 2470 | +41.2 | 5100 | 3418 | +33.0 | 6900 | 6938 | −0.5 |
| 228 | 4300 | 2630 | +38.8 | 5200 | 793 | +27.1 | 7700 | 7142 | +7.2 |
| 229 | 4000 | - | - | 5100 | - | - | 9200 | - | - |
| 230 | 2700 | 1756 | +35.0 | 3300 | 2190 | +33.6 | 5700 | 4142 | +27.3 |
| 231 | 4000 | 3347 | +16.3 | 5100 | - | - | 10,400 | - | - |
| 232 | 4200 | 1788 | +57.4 | 5200 | 1954 | +62.4 | 10,400 | 2703 | +74.0 |
| Avg. | 2881 | 2041 | +29.2 | 3553 | 2163 | +39.1 | 5606 | 2925 | +47.8 |
Publisher’s Note: MDPI stays neutral with regard to jurisdictional claims in published maps and institutional affiliations. |
© 2021 by the authors. Licensee MDPI, Basel, Switzerland. This article is an open access article distributed under the terms and conditions of the Creative Commons Attribution (CC BY) license (https://creativecommons.org/licenses/by/4.0/).
Share and Cite
Pearson, J.L.; Hegy, M.; Missimer, T.M. Impacts of Feedwater Quality Change on the Oldest Continuously Operated Brackish-Water Reverse Osmosis Desalination Plant in the United States. Water 2021, 13, 2654. https://doi.org/10.3390/w13192654
Pearson JL, Hegy M, Missimer TM. Impacts of Feedwater Quality Change on the Oldest Continuously Operated Brackish-Water Reverse Osmosis Desalination Plant in the United States. Water. 2021; 13(19):2654. https://doi.org/10.3390/w13192654
Chicago/Turabian StylePearson, Jeffrey L., Michael Hegy, and Thomas M. Missimer. 2021. "Impacts of Feedwater Quality Change on the Oldest Continuously Operated Brackish-Water Reverse Osmosis Desalination Plant in the United States" Water 13, no. 19: 2654. https://doi.org/10.3390/w13192654
APA StylePearson, J. L., Hegy, M., & Missimer, T. M. (2021). Impacts of Feedwater Quality Change on the Oldest Continuously Operated Brackish-Water Reverse Osmosis Desalination Plant in the United States. Water, 13(19), 2654. https://doi.org/10.3390/w13192654

