Development, Design, and Improvement of an Intelligent Harvesting System for Aquatic Vegetable Brasenia schreberi
Abstract
1. Introduction
- Designing an appropriate mobile platform to support the harvesting of Brasenia schreberi;
- Designing an end effector capable of underwater operation to perform the tasks of clamping and cutting Brasenia schreberi;
- Integrating target recognition algorithms and mechanical arm path-planning algorithms with a depth camera and mechanical arm to achieve efficient harvesting control.
2. Materials and Methods
2.1. An Overview of the Intelligent Harvesting System for Aquatic Vegetables
2.2. Design of the Mobile Platform
2.2.1. Hull Type Selection
2.2.2. Hull Structure Design
2.2.3. Driving System Design
- (1)
- Synchronous belt design
- (2)
- Structure design of paddle wheel
2.2.4. Anti-Entanglement Device
2.3. Design of End Effector
- (1)
- Top-down enveloping harvesting; the principle is shown in Figure 6a. The harvesting end effector first positions itself above the target Brasenia schreberi, with all four fingers fully extended, then moves downward until it completely envelops the Brasenia schreberi leaf. After that, the fingers close, cutting the leaf off and completing the harvesting.
- (2)
- Lateral stem clamping and cutting harvesting; the principle is shown in Figure 6b. The harvesting end effector enters from the side of the short diameter of the Brasenia schreberi leaf, with the leaf positioned between the upper and lower fingers and the stem located at the stem placement area. After entering laterally to about 2/3 of the short diameter length, the lower finger joint of the end effector moves upward to close against the upper finger, lifting the leaf out of the water and cutting it off, thus completing the harvesting.
2.4. Machine Vision-Based Robotic Arm Harvesting System
2.4.1. Perception Module
2.4.2. Decision-Making Module
2.4.3. Execution Module
- (1)
- Set the start point of the random tree as qinit.
- (2)
- Generate a random sample point qrand in the map.
- (3)
- Find the leaf node qnear on the random tree that is closest to qrand.
- (4)
- Extend the fixed step size u from qnear towards qrand to generate a temporary node qtemp.
- (5)
- Perform collision detection on qtemp. If a collision with an obstacle occurs, discard the node qrand and repeat step (2). Otherwise, retain qtemp as a new node qnew and add it to the random tree.
- (6)
- Determine if qnew has reached the goal point qgoal or satisfies the constraints. If so, terminate the algorithm. Otherwise, continue expanding.
- (7)
- Repeat steps (2) to (6) until the goal point is found or the iteration limit is reached. Select the shortest path from multiple iterations as the final output.
2.5. Two-Dimensional Simulation Experiments of the RRT Algorithm
2.6. Three-Dimensional Simulation Experiments of RRT Improved Algorithm
2.7. Simulation Experiments of Robotic Arm
2.8. Localization Function Experiments
2.9. Practical Picking Experiments
3. Results and Discussion
3.1. Analysis of Two-Dimensional Simulation Experiment Results
3.2. Analysis of Three-Dimensional Simulation Experiment Results
3.3. Analysis of Simulation Results of Robotic Arm
3.4. Analysis of Experimental Results of Localization Function
3.5. Analysis of Experimental Results of Practical Picking
4. Conclusions
Author Contributions
Funding
Data Availability Statement
Conflicts of Interest
References
- Feng, K.; Zhao, S.; Wu, P.; Li, L. Development Status and Suggestions of Aquatic Vegetable Seed Industry. Jiangsu Agric. Sci. 2022, 50, 245–249. [Google Scholar]
- Zhang, G.; Zhang, Q.; Liu, W.; Li, Z.; Zhou, Y.; Liu, H. Spring Roller Device for Soil-Corm Separation for a Water Chestnut Harvester. Trans. Chin. Soc. Agric. Eng. Trans. CSAE 2024, 40, 164–175. [Google Scholar] [CrossRef]
- Liu, Y.; Zhou, Y.; Lv, W.; Huang, H.; Zhang, G.; Tu, M.; Huang, L. Design and Experiment of Hydraulic Scouring System of Wide-Width Lotus Root Digging Machine. Agriculture 2021, 11, 1110. [Google Scholar] [CrossRef]
- Lu, B.; Shi, T.; Chen, J. Chromosome-Level Genome Assembly of Watershield (Brasenia schreberi). Sci. Data 2023, 10, 467. [Google Scholar] [CrossRef]
- Li, J.; Yi, C.; Zhang, C.; Pan, F.; Xie, C.; Zhou, W.; Zhou, C. Effects of Light Quality on Leaf Growth and Photosynthetic Fluorescence of Brasenia schreberi Seedlings. Heliyon 2021, 7, e06082. [Google Scholar] [CrossRef] [PubMed]
- Xia, C.; Ma, Y.; Shen, C.; Zhang, Y. Design of Manual Control Picker for Aquatic Brasenia schreberi. Res. Agric. Mech. 2014, 36, 114–116, 120. [Google Scholar] [CrossRef]
- Jin, Y.; Liu, J.; Xu, Z.; Yuan, S.; Li, P.; Wang, J. Development Status and Trend of Agricultural Robot Technology. Int. J. Agric. Biol. Eng. 2021, 14, 1–19. [Google Scholar] [CrossRef]
- Oliveira, L.F.P.; Moreira, A.P.; Silva, M.F. Advances in Agriculture Robotics: A State-of-the-Art Review and Challenges Ahead. Robotics 2021, 10, 52. [Google Scholar] [CrossRef]
- Zhu, C.; Liu, X.; Chen, H.; Tian, X. Automatic Cruise System for Water Quality Monitoring. Int. J. Agric. Biol. Eng. 2018, 11, 244–250. [Google Scholar] [CrossRef]
- Ge, X.; Zhu, H.; Sun, C.; Liu, W.; Shen, Q.; Sun, L. Design and Research of Intelligent Feeding (Medication) Unmanned Boat for Shrimp and Crab Culture. Jiangsu Agric. Mech. 2023, 5, 4–7. [Google Scholar] [CrossRef]
- Matsushita, Y.; Onuma, A.; Takeshita, C.; Shiramizu, R.; Izu, T.; Matsuno, Y.; Takagi, N. Unmanned Surface Vehicle (USV) with a Fish Attraction Lamp to Assist the Purse Seine Operations. Fish. Sci. 2024, 90, 357–367. [Google Scholar] [CrossRef]
- Liu, Y.; Noguchi, N. Development of an Unmanned Surface Vehicle for Autonomous Navigation in a Paddy Field. Eng. Agric. Environ. Food 2016, 9, 21–26. [Google Scholar] [CrossRef]
- Ruan, C.; Zhao, D.; Sun, Y.; Hong, J.; Ding, S.; Luo, J. Design and Testing of a Control System Associated with the Automatic Feeding Boat for Farming Chinese River Crabs. Comput. Electron. Agric. 2018, 150, 14–25. [Google Scholar] [CrossRef]
- Guo, W.; Zhou, S.; Dong, X.; Liu, J.; Li, Y. Cultivation Management and Comprehensive Utilization of Brasenia schreberi (1). Spec. Econ. Anim. Plants 2018, 21, 43–46. [Google Scholar]
- Xie, H.; Kong, D.; Wang, Q. Optimization and Experimental Study of Bionic Compliant End-Effector for Robotic Cherry Tomato Harvesting. J. Bionic Eng. 2022, 19, 1314–1333. [Google Scholar] [CrossRef]
- Zhang, F.; Chen, Z.; Wang, Y.; Bao, R.; Chen, X.; Fu, S.; Tian, M.; Zhang, Y. Research on Flexible End-Effectors with Humanoid Grasp Function for Small Spherical Fruit Picking. Agriculture 2023, 13, 123. [Google Scholar] [CrossRef]
- Ji, W.; He, G.; Xu, B.; Zhang, H.; Yu, X. A New Picking Pattern of a Flexible Three-Fingered End-Effector for Apple Harvesting Robot. Agriculture 2024, 14, 102. [Google Scholar] [CrossRef]
- Roshanianfard, A.; Noguchi, N. Pumpkin Harvesting Robotic End-Effector. Comput. Electron. Agric. 2020, 174, 105503. [Google Scholar] [CrossRef]
- Li, M.; Liu, P. A Bionic Adaptive End-Effector with Rope-Driven Fingers for Pear Fruit Harvesting. Comput. Electron. Agric. 2023, 211, 107952. [Google Scholar] [CrossRef]
- Yang, Y.; Han, Y.; Li, S.; Yang, Y.; Zhang, M.; Li, H. Vision Based Fruit Recognition and Positioning Technology for Harvesting Robots. Comput. Electron. Agric. 2023, 213, 108258. [Google Scholar] [CrossRef]
- Cao, S.; Zhao, D.; Sun, Y.; Liu, X.; Ruan, C. Automatic Coarse-to-Fine Joint Detection and Segmentation of Underwater Non-Structural Live Crabs for Precise Feeding. Comput. Electron. Agric. 2021, 180, 105905. [Google Scholar] [CrossRef]
- Ma, J.; Zhao, Y.; Fan, W.; Liu, J. An Improved YOLOv8 Model for Lotus Seedpod Instance Segmentation in the Lotus Pond Environment. Agronomy 2024, 14, 1325. [Google Scholar] [CrossRef]
- Zhan, Y.; Chen, Y.; Li, X.; Chen, M.; Luo, Z. Fruit Recognition Based on Convolution Neural Network. J. Phys. Conf. Ser. 2020, 1651, 012176. [Google Scholar] [CrossRef]
- Lin, G.; Tang, Y.; Zou, X.; Xiong, J.; Li, J. Guava Detection and Pose Estimation Using a Low-Cost RGB-D Sensor in the Field. Sensors 2019, 19, 428. [Google Scholar] [CrossRef]
- Singh, N.; Tewari, V.K.; Biswas, P.K.; Dhruw, L.K. Lightweight Convolutional Neural Network Models for Semantic Segmentation of In-Field Cotton Bolls. Artif. Intell. Agric. 2023, 8, 1–19. [Google Scholar] [CrossRef]
- Jin, T.; Han, X. Robotic Arms in Precision Agriculture: A Comprehensive Review of the Technologies, Applications, Challenges, and Future Prospects. Comput. Electron. Agric. 2024, 221, 108938. [Google Scholar] [CrossRef]
- Kang, M.; Chen, Q.; Fan, Z.; Yu, C.; Wang, Y.; Yu, X. A RRT Based Path Planning Scheme for Multi-DOF Robots in Unstructured Environments. Comput. Electron. Agric. 2024, 218, 108707. [Google Scholar] [CrossRef]
- Zhang, B.; Yin, C.; Fu, Y.; Xia, Y.; Fu, W. Harvest Motion Planning for Mango Picking Robot Based on Improved RRT-Connect. Biosyst. Eng. 2024, 248, 177–189. [Google Scholar] [CrossRef]
- Ghazali, M.H.M.; Satar, M.H.A.; Rahiman, W. Unmanned Surface Vehicles: From a Hull Design Perspective. Ocean Eng. 2024, 312, 118977. [Google Scholar] [CrossRef]
- Sun, X.; Qu, J.; Yang, G. Application of Small Waterplane Area Twin Hull (SWATH) Technology in Real Ships. Ship Sci. Technol. 2012, 34, 65–69. [Google Scholar]
- Luo, H.; Huang, J.; Bai, X.; Xie, P. Numerical Simulation of Twin-Ship Floating Installation Based on Multi-Body Coupled Motion. Chin. Shipbuild. 2023, 64, 140–152. [Google Scholar]
- Zhang, S.; He, L.; Zhao, Q.; Zhou, L.; Xie, D.; Tang, M.; Gu, P. Design and Control of Paddle Wheel Propulsion Devices. Electron. World 2013, 21, 108–109. [Google Scholar]
- Chen, D.; Hu, Y.; Xu, Y. Analysis of Design Characteristics of Propulsion Shafting for Small Air Cushion Vehicles. Ship Build. 2018, 29, 47–51. [Google Scholar] [CrossRef]
- Xin, L.; Liu, P.; Wang, S.; Zhuo, H.; Zhang, Z. Study on Propulsion Performance of a Tandem Paddle Propulsor. Ocean Eng. 2022, 264, 112510. [Google Scholar] [CrossRef]
- Vrochidou, E.; Tsakalidou, V.N.; Kalathas, I.; Gkrimpizis, T.; Pachidis, T.; Kaburlasos, V.G. An Overview of End Effectors in Agricultural Robotic Harvesting Systems. Agriculture 2022, 12, 1240. [Google Scholar] [CrossRef]
- Liu, J.; Luo, X.; Hu, M.; Ye, W.; Sun, J.; Guo, D. High-Quality and High-Yield Cultivation Technology of West Lake Brasenia schreberi. Chang. Veg. 2019, 16, 38–40. [Google Scholar]
- Liu, J.; Liang, J.; Zhao, S.; Jiang, Y.; Wang, J.; Jin, Y. Design of a Virtual Multi-Interaction Operation System for Hand–Eye Coordination of Grape Harvesting Robots. Agronomy 2023, 13, 829. [Google Scholar] [CrossRef]
- Girshick, R.; Donahue, J.; Darrell, T.; Malik, J. Rich Feature Hierarchies for Accurate Object Detection and Semantic Segmentation. In Proceedings of the IEEE Conference on Computer Vision and Pattern Recognition, Columbus, OH, USA, 18–23 June 2014. [Google Scholar]
- Ji, W.; Pan, Y.; Xu, B.; Wang, J. A Real-Time Apple Targets Detection Method for Picking Robot Based on ShufflenetV2-YOLOX. Agriculture 2022, 12, 856. [Google Scholar] [CrossRef]
- Liu, W.; Anguelov, D.; Erhan, D.; Szegedy, C.; Reed, S.; Fu, C.-Y.; Berg, A.C. SSD: Single Shot MultiBox Detector. In Proceedings of the Computer Vision—ECCV 2016, Amsterdam, The Netherlands, 11–14 October 2016; Leibe, B., Matas, J., Sebe, N., Welling, M., Eds.; Springer International Publishing: Cham, Switzerland, 2016; pp. 21–37. [Google Scholar]
- Zhang, Z.; Lu, Y.; Zhao, Y.; Pan, Q.; Jin, K.; Xu, G.; Hu, Y. TS-YOLO: An All-Day and Lightweight Tea Canopy Shoots Detection Model. Agronomy 2023, 13, 1411. [Google Scholar] [CrossRef]
- Jocher, G. YOLOv5 by Ultralytics, version 3.0; Zenodo: Geneva, Switzerland, 2020.
- Zhao, Y.; Zhang, X.; Sun, J.; Yu, T.; Cai, Z.; Zhang, Z.; Mao, H. Low-Cost Lettuce Height Measurement Based on Depth Vision and Lightweight Instance Segmentation Model. Agriculture 2024, 14, 1596. [Google Scholar] [CrossRef]
- Guan, X.; Shi, L.; Yang, W.; Ge, H.; Wei, X.; Ding, Y. Multi-Feature Fusion Recognition and Localization Method for Unmanned Harvesting of Aquatic Vegetables. Agriculture 2024, 14, 971. [Google Scholar] [CrossRef]
- Han, K.; Wang, Y.; Tian, Q.; Guo, J.; Xu, C.; Xu, C. Ghostnet: More Features from Cheap Operations. In Proceedings of the IEEE/CVF Conference on Computer Vision and Pattern Recognition, Seattle, WA, USA, 13–16 June 2020; pp. 1580–1589. [Google Scholar]
- Zhang, Y.-F.; Ren, W.; Zhang, Z.; Jia, Z.; Wang, L.; Tan, T. Focal and Efficient IOU Loss for Accurate Bounding Box Regression. Neurocomputing 2022, 506, 146–157. [Google Scholar] [CrossRef]
- Kong, Y.; Yang, L.; Chen, C.; Zhu, X.; Li, D.; Guan, Q.; Du, G. Online Kinematic Calibration of Robot Manipulator Based on Neural Network. Measurement 2024, 238, 115281. [Google Scholar] [CrossRef]
- Horaud, R.; Dornaika, F. Hand-Eye Calibration. Int. J. Robot. Res. 1995, 14, 195–210. [Google Scholar] [CrossRef]
- Lavalle, S.M. Rapidly-Exploring Random Trees: A New Tool for Path Planning. Annu. Res. Rep. 1998, 11, 1–4. [Google Scholar]
- Yang, S.; Xie, X.; Bi, Z.; Hao, J.; Zhang, X.; Yuan, D. Path Planning of Green Walnut Harvesting Robotic Arm Based on HER-TD3 Algorithm. J. Agric. Mach. 2024, 55, 113–123. [Google Scholar]
- Kuffner, J.J.; LaValle, S.M. RRT-Connect: An Efficient Approach to Single-Query Path Planning. In Proceedings of the 2000 ICRA. Millennium Conference, IEEE International Conference on Robotics and Automation, Symposia Proceedings (Cat. No.00CH37065), San Francisco, CA, USA, 24–28 April 2000; Volume 2, pp. 995–1001. [Google Scholar]
- Jin, X.; Yan, Z.; Yang, H.; Wang, Q.; Yin, G. A Goal-Biased RRT Path Planning Approach for Autonomous Ground Vehicle. In Proceedings of the 2020 4th CAA International Conference on Vehicular Control and Intelligence (CVCI), Hangzhou, China, 18–20 December 2020; pp. 743–746. [Google Scholar]


























| Load Characteristics | Intermittent Use 3~5 h per Day | General Use 8~10 h per Day | Continuous Use 16~24 h per Day |
|---|---|---|---|
| Stable Load | 1.0 | 1.2 | 1.4 |
| Slightly Variable Load | 1.2 | 1.4 | 1.6 |
| Highly Variable Load | 1.3 | 1.5 | 1.7 |
| Belt Code | Model | Pitch (mm) | Tooth Height (mm) | Belt Thickness (mm) | Root Thickness (mm) | Fillet Radius at Root | Fillet Radius at Tip |
|---|---|---|---|---|---|---|---|
| STPD/STS | S2M | 2 | 0.76 | 1.36 | 1.30 | 0.20 | 0.20 |
| S3M | 3 | 1.14 | 2.20 | 1.95 | 0.30 | 0.30 | |
| S4.5M | 4.5 | 1.71 | 2.81 | 2.93 | 0.45 | 0.45 | |
| S5M | 5 | 1.91 | 3.40 | 3.25 | 0.50 | 0.50 | |
| S8M | 8 | 3.05 | 5.30 | 5.20 | 0.80 | 0.80 | |
| S14M | 14 | 5.30 | 10.20 | 9.10 | 1.40 | 1.40 |
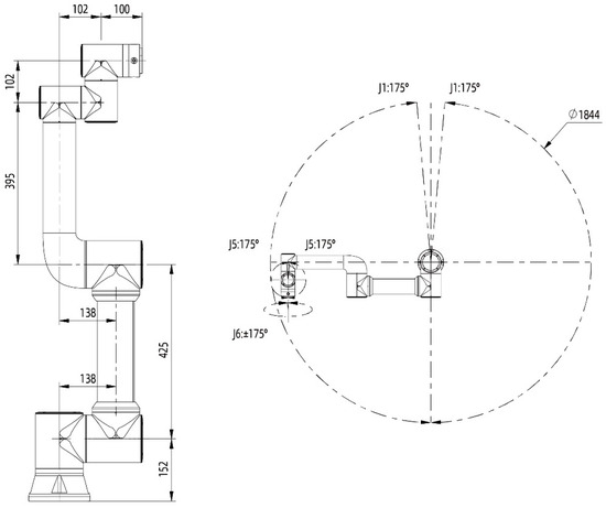
| Linkage | (mm) | (mm) | ||
|---|---|---|---|---|
| 1 | 152 | 0 | π/2 | |
| 2 | 0 | −425 | 0 | |
| 3 | 0 | −395 | 0 | |
| 4 | 102 | 0 | π/2 | |
| 5 | 102 | 0 | −π/2 | |
| 6 | 100 | 0 | 0 |
| Algorithm | Planning Time/s | Number of Path Nodes | Path Length/cm | Success Rate/% |
|---|---|---|---|---|
| RRT | 3.92 | 64 | 189.00 | 98% |
| RRT + DynamicStep | 1.92 | 33 | 162.60 | 99% |
| RRT + Bidirectional | 1.24 | 51 | 169.84 | 99% |
| RRT + Bidirectional + DynamicStep | 0.77 | 31 | 154.08 | 100% |
| Algorithm | Planning Time/s | Number of Path Nodes | Path Length/cm | Success Rate/% |
|---|---|---|---|---|
| RRT* | 4.88 | 20 | 149.02 | 98% |
| RRT-Connect | 0.90 | 45 | 161.86 | 99% |
| Goal-Biased RRT | 2.92 | 54 | 159.00 | 99% |
| Improved Algorithm | 0.77 | 31 | 154.08 | 100% |
| Algorithm | Planning Time/s | Number of Path Nodes | Path Length/cm | Success Rate/% |
|---|---|---|---|---|
| RRT | 6.63 | 68 | 201.00 | 96% |
| RRT-Connect | 1.75 | 59 | 203.21 | 100% |
| Goal-Biased RRT | 5.16 | 69 | 204.00 | 99% |
| Improved Algorithm | 0.48 | 25 | 182.41 | 100% |
| Algorithm | Planning Time (s) | Path Length (mm) | Success Rate |
|---|---|---|---|
| RRT | 0.403 | 4103 | 94% |
| Improved Algorithm | 0.192 | 2935 | 98% |
| Serial Number | Actual Measured Position/mm | End Effector Reported Position/mm | Localization Error/mm |
|---|---|---|---|
| 1 | (516, 168, −80) | (512, 172, −80) | 5.66 |
| 2 | (392, 220, −77) | (395, 221, −74) | 4.36 |
| 3 | (421, 195, −81) | (425, 191, −83) | 6.00 |
| 4 | (559, −156, −87) | (561, −156, −84) | 3.61 |
| 5 | (625, 110, −73) | (628, 109, −70) | 4.36 |
| Number | Diameter (mm) | Picking Time (s) | Result | |||
|---|---|---|---|---|---|---|
| Recognition Time (s) | Planning Time (s) | Execution Time (s) | Total Time (s) | |||
| 1 | 44.46 | 0.034 | 0.19 | 4.95 | 5.174 | T |
| 2 | 45.82 | 0.041 | 0.18 | 5.12 | 5.341 | T |
| 3 | 47.32 | 0.033 | 0.23 | 4.97 | 5.233 | T |
| 4 | 51.08 | 0.036 | 0.20 | 4.71 | 4.946 | T |
| 5 | 50.52 | 0.038 | 0.18 | 5.41 | 5.628 | T |
| 6 | 50.58 | 0.029 | 0.19 | 4.72 | 4.939 | T |
| 7 | 43.10 | 0.045 | 0.22 | 5.27 | 5.535 | T |
| 8 | 47.52 | 0.030 | 0.22 | 5.05 | 5.300 | T |
| 9 | 54.74 | 0.032 | 0.19 | 4.84 | 4.972 | T |
| 10 | 55.42 | 0.044 | 0.25 | 4.93 | 5.224 | F |
Disclaimer/Publisher’s Note: The statements, opinions and data contained in all publications are solely those of the individual author(s) and contributor(s) and not of MDPI and/or the editor(s). MDPI and/or the editor(s) disclaim responsibility for any injury to people or property resulting from any ideas, methods, instructions or products referred to in the content. |
© 2025 by the authors. Licensee MDPI, Basel, Switzerland. This article is an open access article distributed under the terms and conditions of the Creative Commons Attribution (CC BY) license (https://creativecommons.org/licenses/by/4.0/).
Share and Cite
Guan, X.; Shi, L.; Ge, H.; Ding, Y.; Nie, S. Development, Design, and Improvement of an Intelligent Harvesting System for Aquatic Vegetable Brasenia schreberi. Agronomy 2025, 15, 1451. https://doi.org/10.3390/agronomy15061451
Guan X, Shi L, Ge H, Ding Y, Nie S. Development, Design, and Improvement of an Intelligent Harvesting System for Aquatic Vegetable Brasenia schreberi. Agronomy. 2025; 15(6):1451. https://doi.org/10.3390/agronomy15061451
Chicago/Turabian StyleGuan, Xianping, Longyuan Shi, Hongrui Ge, Yuhan Ding, and Shicheng Nie. 2025. "Development, Design, and Improvement of an Intelligent Harvesting System for Aquatic Vegetable Brasenia schreberi" Agronomy 15, no. 6: 1451. https://doi.org/10.3390/agronomy15061451
APA StyleGuan, X., Shi, L., Ge, H., Ding, Y., & Nie, S. (2025). Development, Design, and Improvement of an Intelligent Harvesting System for Aquatic Vegetable Brasenia schreberi. Agronomy, 15(6), 1451. https://doi.org/10.3390/agronomy15061451

