Abstract
In order to enhance the efficiency of agricultural machinery in orchard rows and minimize harm to personnel caused by pesticide spraying, this study developed a GNSS-based (Global Navigation Satellite System) automatic navigation driving system for tracked orchard sprayers. The tracked sprayer was used as a platform for this research. We constructed both a crawler hydraulic platform and spraying working parts based on orchard operation requirements. Additionally, we designed the hydraulic and electrical sub-control process of the crawler platform. By utilizing the motion model of the tracked mobile platform, we designed a linear path tracking control method using position deviation and heading deviation as state quantities. This allows the research platform to automatically initiate and terminate, travel in a straight line between rows, and complete spraying operations. Experimental verification confirmed that the tracked sprayer designed in this study successfully achieves automatic driving. The best automatic driving performance is achieved at a speed of 1.0 m/s. When the sprayer’s speed is 1.2 m/s, the maximum value of the straight-line path tracking accuracy of the platform’s automatic driving is better than 5.6 cm, with a standard deviation of 2.8 cm. This system effectively meets the requirements of automatic operation for an automatic spraying machine, thereby establishing a foundation for the implementation of automatic spraying operations in orchards.
1. Introduction
China has a significant number of fruit cultivations with a wide range of varieties, and the terrain used for fruit tree cultivation is diverse and complex. However, mechanized automation in the management and harvesting of fruit trees has not been widely adopted due to its low popularity and high labor costs [1]. Therefore, it is crucial to conduct research and develop automation equipment specifically designed for orchard operations based on the existing theories related to orchard mechanization in China. Currently, the navigation technology for agricultural machinery mainly focuses on field operations, with limited research on equipment suitable for orchard operations [2]. A number of researchers have begun to investigate the adaptation of self-driving technology for orchard spraying machinery in order to improve efficiency in the orchard environment.
In recent years, both domestic and international scholars have conducted extensive research on navigation controllers, yielding numerous results. Zhang et al. developed a navigation control system for the Kubota rice transplanter by integrating and fusing computer technology, sensor technology, global positioning system technology, and data communication technology. They proposed a control method that utilized heading tracking to achieve path tracking, as well as DGPS (Differential Global Position System) and an electronic compass [3]. Song Yan proposed a path-following control method based on Heuristic Dynamic Programming (HDP) for a tracked robot testbed. At a speed of 0.3 m/s, the method achieved an average linear tracking error with an absolute value of 0.04 m and a root mean square error of 0.06 m [4]. Luo Xiwen et al. applied RTK (Real Time Kinematic)-GNSS positioning technology to automatic navigation of the Dongfanghong X-904 tractor. They designed and developed a controllable hydraulic steering closed-loop control circuit, combining a tractor motion model with a hydraulic steering control model. Additionally, they designed a PID (Proportional Integral Derivative) navigation controller for straight-line tracking [5]. Jia Quan et al. conducted research on tracked tractors and designed a path tracking control method based on heading estimation models, which achieved tracking errors of less than 10 cm [6]. Ding Youchun et al. designed a navigation controller based on immune PID for small tracked platforms. In field tests, the maximum deviation did not exceed 15.2 cm [2]. Meng Qingkuan et al. optimized weighting factors using the particle swarm algorithm and proposed an improved fuzzy controller [7]. The results indicated that this controller quickly eliminated lateral deviation, had low overshoot, and improved system control performance.
Urrea et al. designed an adaptive PID controller and a fuzzy logic-based path tracking controller for wheeled agricultural robots [8]. These controllers were applied to the autonomous path tracking of a crop mobile robot. J. H. Han and colleagues proposed an automatic driving spray algorithm for a tracked sprayer, achieving a maximum tracking error of 29 cm [9]. Liang Zhang and his team combined BDS (BeiDou Satellite Navigation System) and IMU (Inertial Measurement Unit) based on kinematic modeling and pure tracking modeling; field tests demonstrated a maximum offset error of less than 10.77 cm [10]. Shubo Wang and colleagues utilized 3D lidar and millimeter-wave radar for multi-source information fusion, resulting in an average navigation error within 15 cm [11]. Zakaria et al. conducted a study using a wheeled vehicle as a platform to investigate the effectiveness of steering wheel angle and vehicle slew rate-based controllers, as well as a linear target tracking controller based on the guidance principle [12]. Marino et al. designed a navigation controller for an unmanned vehicle, which employed a nested PID method and demonstrated robustness to variations in path curvature [13]. Takai et al. utilized a HST (Hydrostatic Transmission System) for steering control of a tracked tractor, achieving a navigation control root mean square error of less than 0.05 m [14]. Opiyo et al. proposed a novel axis-based machine vision technique for navigation tracking, with an average root mean square error of 4.5 cm [15]. O. C Barawid Jr. et al. developed an automated navigation system for orchards using a single two-dimensional laser rangefinder, achieving a lateral deviation of 11 cm and a heading angle deviation of 1.5° for vehicles navigating between rows of fruit trees [16]. J. Radcliffe et al. developed a vision-based navigation system using upward-facing image acquisition by a camera, enabling autonomous orchard navigation with a root mean square error of 2.13 cm [17].
The use of crawler sprayer navigation operations can significantly enhance the intelligent development of agricultural machinery. When operating in orchards, the track grounding area of the crawler chassis sprayer is much larger compared to the contact area of a wheeled chassis. This provides a stronger grip on slippery ground and allows for a smaller turning radius, better obstacle-crossing ability, and improved adaptability to small plots, steep slopes, and uneven terrain in orchards. In this study, we designed an electrical control system and hydraulic control system for a crawler-based orchard sprayer. Additionally, we conducted research on its automatic driving operation system and performed tests to verify the accuracy and stability of this crawler-based orchard sprayer.
2. Design of Hydraulic and Electrical Control Systems for Crawler Platforms
The tracked orchard sprayer utilized in this study was jointly developed by South China Agricultural University and Lovol Heavy Industry Co., Ltd, Weifang City, China. as shown in Figure 1. This experimental platform primarily consists of a rubber track chassis, a diesel engine, proportional valves, pumps, walking motors, and a spraying section comprising fans and motors. The relevant technical parameters are presented in Table 1.
Figure 1.
Crawler-based orchard sprayer.
Table 1.
Relevant parameters of the tracked orchard sprayer.
In order to address the lack of a chassis line control device and matching automatic operation system in tracked orchard sprayers, this study focuses on investigating the automatic navigation technology of tracked orchard sprayers using GNSS positioning technology. We have designed and modified the electrical, hydraulic, manual, remote control, and automatic control systems for a tracked platform. By integrating a motion model of the tracked platform with a preview tracking model, we have developed a navigation controller for straight line tracking and verified its accuracy through field testing. These research findings are of significant importance in addressing the automatic navigation challenge faced by tracked orchard sprayers.
The primary motion control unit for our tracked orchard sprayer is the 2612 motion controller, which controls forward and reverse operation by managing the left and right tracks through dual pump and dual motor control. It also regulates two hydraulic valves to adjust the speed of the water pump and fan, thereby modifying the spraying area range.
2.1. Hydraulic Design of the Tracked Platform
2.1.1. Walking Operation Section
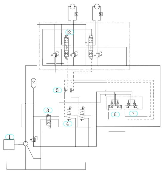
The driving part of the tracked spraying platform primarily uses a variable plunger pump. Plunger pumps are known for their high pressure, compact structure, high efficiency, and easy flow adjustment, making them suitable for the requirements of the walking motor. The hydraulic system designed for the variable plunger pump section is a closed system. The hydraulic oil output from the plunger pump outlet directly enters the working oil inlet of the walking motor, while the return oil outlet of the walking motor is connected to the suction inlet of the plunger pump. This forms a closed loop between the plunger pump and the walking motor, resulting in reduced cavitation and smoother transmission due to minimal contact with air. The variable plunger pump selected for this design was the HP4VC series from HYTEI, which is equipped with electrical control and a proportional solenoid type. This bidirectional variable, inclined disc axial plunger pump adjusts the flow and direction of the hydraulic oil in the main oil circuit by changing the inclination angle of the plunger pump. This allows for control over the variable speed and directional change of the walking motor.
A hydraulic schematic diagram of the pump body is shown in Figure 2. Ports A and B are working oil inlets and outlets (high pressure series); ports MA and MB are working pressure measurement ports for A and B; T1 is the shell oil discharge or oil injection port; T2 is the shell oil discharge port; R is the exhaust port; S is the oil replenishment and suction port; X1 and X2 are the control pressure oil inlets (before the throttle orifice); G is the auxiliary circuit pressure oil inlet; Ps is the control pressure supply port; and Fe is the filter inlet port.
Figure 2.
Plunger pump hydraulic schematic diagram.
2.1.2. Spraying Operation Section
The spraying operation section on the tracked spraying platform comprises a fan and a motor. The hydraulic control of this section consists of the main oil circuit section and the control section. The main oil circuit section supplies hydraulic oil to the fan motor through the supply pump. The speed of the fan motor is controlled by the three-way, six-port hydraulic directional valve, enabling infinite variability. The control oil circuit of the fan motor is supplied by the variable plunger pump. Both manual control and automatic control of the fan motor are achieved using a two-way, four-port solenoid valve.
In Figure 3, 1 represents the engine drive, 2 represents the electrohydraulic directional valve, 3 represents the solenoid directional valve, 4 represents the proportional solenoid valve, 5 represents the shuttle valve, 6 represents the water pump control handle, and 7 represents the fan control handle.
Figure 3.
Hydraulic control schematic diagram of fan motor.
The control oil circuit operates in parallel with a diaphragm accumulator, which serves as an energy storage device. In the event of a sudden increase in system pressure, the accumulator can absorb this excess energy to maintain the normal pressure of the entire system. The 2612 controller allows for infinite control of the fan and water pump motors using a proportional solenoid valve. Additionally, the fan motor can be controlled manually through a handle. To ensure that the oil circuits for manual and automatic control do not interfere with each other, a shuttle valve is employed, enabling seamless switching between different operating modes in different situations. Furthermore, a relief valve is incorporated into the circuit as a safety measure. This valve serves as a protective mechanism, opening when the pressure exceeds the maximum design value. By doing so, it prevents further increases in system pressure, thereby averting potential oil leakage and damage to components caused by excessive pressure.
2.2. Track Platform Electronic Control Design
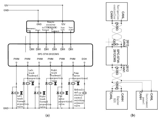
In this paper, the control of the track sprayer is categorized into three modes: manual control, remote control, and automatic control. The manual control mode involves operating the corresponding handles on the platform. The remote control mode utilizes an industrial wireless remote control. The automatic control mode is facilitated by an automatic navigation system that carries out the operation.
The tracked platform control block diagram is shown in Figure 4. The underlying electrical control components used in this study for the track platform primarily revolve around the 2612 motion controller, which supports CAN communication. The controller features three CAN channels and 26 input/output channels, operating within a voltage range of 8–32 V and a temperature range of −44~85 °C. These specifications fully meet the design requirements for the track platform. In Figure 5a, the wireless remote control sends six commands to the motion controller, while the AD values of the angle sensors connected to the throttle handle, blower handle, and water pump handle are also sent to the motion controller. Through calculation, the motion controller sends PWM signals to control the proportional valves of the crawler, enabling control of the crawler platform in forward and backward directions, as well as control of the blower and water pump. Additionally, as shown in Figure 5b, the motion controller communicates with the EECU through CAN for engine start–stop and speed control. It is also connected with the instrument panel for information display, and interacts with the navigation controller through CAN to achieve automatic driving of the tracked sprayer in the orchard. This allows for both manual and remote control driving of the crawler platform in parallel, while also enabling automatic spraying operation.
Figure 4.
Track platform control diagram.
Figure 5.
(a) Motion controllers connected to remote controls and control grips; (b) Motion controller connected to EECU and navigation controller.
5. Results
In this section, we verify and calibrate the designed tracked platform control system. We examine the positioning deviation of the positioning module in the navigation system and test the designed navigation control method for linear tracking.
5.1. Calibration of Orchard Track Sprayer Performance
During the welding and installation process of the chassis’s tracks, there may be differences in parallelism due to variations in joining heights. Mechanical factors, such as errors between the fixed positions of the active wheel and the supporting wheel, can cause deviations in straight-line travel even with equal control output. Therefore, calibration of the track sprayer is necessary to ensure accurate navigation data while driving.
When the control handle for the left and right tracks is rotated, the angle sensor rotates and sends the angle signal to the 2612 controller. The 2612 controller then sends the corresponding PWM duty cycle to the solenoid valve based on the received angle sensor AD value. This drives the hydraulic motor to complete the rotation of the track chassis and achieve control of it. In this experiment, an oscilloscope was used to display and record the real-time PWM output, while a speed sensor was used to measure the motor speed, as shown in Figure 8.
Figure 8.
Angle sensor AD value and track speed.
The ground belt linear velocities for the left and right sides are based on the preceding formulas. The relationship between the speed of the active wheel and the linear velocity can be expressed as Equation (10):
In the given context, variables vz, rz, nz, and mz represent the linear velocity, radius, rotational speed, and reduction ratio of the driving wheel mechanism, respectively.
A non-sliding connection exists between the main wheel and the track; this drives the track forward or backward, thus accomplishing the driving of the truck. As shown in Table 2 and Figure 8, an analysis was conducted on the angle sensor AD value, the PWM duty cycle sent by the controller, and the speeds of the left and right tracks. In the orchard, the track sprayer exhibited track asymmetry, and there was a linear relationship between the angle sensor AD value and the speed of the track platform. The maximum speed of the platform was 1.95 m/s, which makes it suitable for autonomous navigation research.
Table 2.
Tracked orchard sprayer PWM duty cycle and line speed.
5.2. Positioning Deviation of the Positioning Module
While driving the track sprayer, it is necessary to check the accuracy of the positioning module because of the severe vibration of the vehicle. To collect data from the satellite positioning module, follow these steps: (1) Drive the tracked sprayer with the installed module to the test site and turn off the engine, ensuring it is in a standstill (flameout) state. (2) Start the engine while keeping the machine in a standstill state to collect data. (3) Collect data from points A and B, and then use the line connecting A and B as the planned route. Park the machine near the line of AB, start the engine, and keep the machine in a standstill state to collect data on the transverse deviation between the machine position and the planned route (line AB). The output of the positioning module should be set to 10 Hz, and data collection should be done for 90 s. The collected data undergoes Gaussian projection processing, and an example of the resulting planar coordinates is shown in Figure 9.
Figure 9.
Scatterplot of the localization module in the off state.
In the vehicle’s stationary and engine-off state, the positioning module has a positioning error of 13 mm, as shown in Figure 9. In the vehicle’s stationary and engine-start state, the positioning error is 23 mm, as shown in Figure 10, and vibration causes a position deviation of 20 mm, as shown in Figure 11. The significant vibration of the vehicle has a major impact on the accuracy and stability of the navigation system.
Figure 10.
Scatterplot of the localization module when the engine is started + the machine is stationary.
Figure 11.
Transverse position deviation when the engine is started + the machine is stationary.
5.3. Linear Tracking Test of Navigation Control Systems
The current experiment was conducted at the teaching base of South China Agricultural University in Zengcheng District, Guangdong Province, to verify the navigation and control of a tracked orchard sprayer in straight line tracking. The experiment was conducted in a rough, dry field like that shown in Figure 12.
Figure 12.
Dry field test.
According to previous research, the distance between rows in orchards is generally between 2.5–3.5 m. In this study, the tracked platform was 118 cm wide. Therefore, if the initial position deviation is set to 1.2 m, it means that the centerline of the vehicle is 1.2 m away from the center of the rows of fruit trees, and the distance between the far end of the vehicle and the center of the rows of fruit trees is 1.8 m, which is basically touching the fruit trees. Hence, it is assumed that the maximum value of the initial deviation is 1.2 m, to meet the needs of both the experiment and the site. The position of the initial deviation needs to be driven remotely or manually to the specified position during the actual experiment, so there will be a certain error between the positional deviation at the beginning of the experiment and the actual set data. In this experiment, the initial position deviation was set to 0.2 m, 0.4 m, 0.6 m, 0.8 m, and 1.2 m, respectively. The platform speed can be controlled by the program in order to accurately test the straight line tracking accuracy of the crawler sprayer. However, it is important to note that after the speed reaches 1.5 m/s, the body of the crawler sprayer becomes unstable and dangerous. Therefore, according to actual operational needs, the test speed of the vehicle was set to 0.6 m/s, 0.8 m/s, 1.0 m/s, 1.2 m/s, and 1.4 m/s, respectively. The experimental results are shown in Figure 13 and Table 3.

Figure 13.
(a) Linear tracking lateral deviation at a speed of 0.6 m/s; (b) linear tracking lateral deviation at a speed of 0.8 m/s; (c) Llinear tracking lateral deviation at a speed of 1.0 m/s; (d) Linear tracking lateral deviation at a speed of 1.2 m/s; (e) Linear tracking lateral deviation at a speed of 1.4 m/s.
Table 3.
On-line navigation comparison.
6. Experimental Analysis
For the analysis of the on-line crawler sprayer autopilot, the main data includes initial error, speed, on-line time, and on-line distance. Table 3 shows that a smaller initial position and smaller heading deviations result in a faster on-line time and a shorter on-line distance. After comparing different speeds, the optimal performance of the crawler sprayer was observed when the initial deviation was 0.2 m, the speed was 1 m/s, the on-line time was 7.0 s, and the on-line distance was 7.0 m. In the driving accuracy and stability analysis of the tracked sprayer navigation, the data focuses on the extreme value of the lateral position deviation, the mean absolute value of the deviation, and the standard deviation. The extreme value and the mean position deviation value serve as accuracy indicators for path tracking control, while the standard deviation reflects stability. The test site’s uneven terrain is also considered. In this study, the combined test of speed and position deviation revealed that the maximum driving position deviation extreme value for the tracked sprayer navigation was 5.6 cm, with a mean absolute value of 1.9 cm, indicating better control accuracy. The standard deviation was 2.8 cm, suggesting improved stability in the navigation of the tracked sprayer.
7. Discussion
In the design of a diesel-powered crawler platform, Ding et al. utilized electromagnets to modify the steering system of a crawler rapeseed planter [2]. It used a joystick to pull the ‘clutch fork’, separating the steering clutch from the gearbox to control the steering of crawler vehicles. Takai et al. employed a hydrostatic transmission system for steering control in crawler tractors [14]. This paper presents a chassis control system that utilizes a motion controller as its core, offering a high degree of automation, better modularization, and improved scalability. Regarding path tracking, Song et al. reported an average error absolute value of 4 cm and a root mean square error of 6 cm for straight line tracking [4]. Zhang et al. combined BDS and IMU and recorded a maximum error of 10.77 cm in field tests [10]. Additionally, Takai et al. presented a root mean square navigation control error of 5 cm [14]. Based on these findings, it can be concluded that the autopilot algorithms proposed in this paper are more accurate and exhibit better stability. Therefore, it is recommended that the path tracking algorithm proposed in this paper be utilized to achieve autonomous driving operation of tracked agricultural machinery. Furthermore, the motion controller used in this study is user-friendly, stable, and highly scalable, which may contribute to the commercialization of autonomous driving for various types of agricultural machinery.
8. Conclusions
This study presents the design of a hydraulic control mechanism with double pumps and double motors as its traveling unit, along with an electrical control unit of the crawler spraying platform that uses the 2612 motion controller as its core. The platform was calibrated and found to be capable of manual, remote, and automatic control, effectively meeting the requirements of field operations. In comparison to other similar research platforms, the tracked platform designed in this study exhibits a large load capacity, practicality, and relatively high control stability and scalability.
Building upon the crawler spraying platform, a navigation controller based on motion modeling and pre-aiming tracking was developed. This controller utilizes a high-precision positioning module and AHRS gyroscope to obtain inputs such as platform speed, position information, and heading information for the navigation controller. Dry field tests demonstrated that the optimal performance speed of this tracked orchard sprayer is 1.0 m/s, and the navigation controller shows better linear path tracking when the initial position deviation and heading deviation are smaller. Compared to other related studies, this research significantly improves the accuracy of straight-line path tracking, achieving faster on-line speed and better stability. Considering the impact of uneven ground and the vibration of the tracked platform on the accuracy of the GNSS positioning module, the path tracking accuracy and system stability achieved in this study meet operational requirements.
In future research, we suggest focusing on exploring curve path tracking and various means of turning path planning to enhance the automatic driving and spraying operation capabilities of orchard sprayers.
Author Contributions
W.Z. and Z.Z. have made identical contributions to this research. Conceptualization, Z.Z., W.Z. and X.L.; methodology, B.Y.; software, B.Y., G.Z., H.H. and X.W.; validation, B.Y., H.H., M.P., K.B. and G.Z.; formal analysis, B.Y.; investigation, B.Y.; resources, B.Y.; data curation, B.Y.; writing—original draft preparation, B.Y.; writing—review and editing, B.Y., Z.Z. and W.Z.; visualization, G.Z.; supervision, Z.Z. and W.Z.; project administration, Z.Z. and W.Z.; funding acquisition, W.Z. All authors have read and agreed to the published version of the manuscript.
Funding
This research was funded by National Key Research and Development Program of China, grant numbers 2022YFD200160103 and The Key Research and Development Plan of Shandong Province, grant numbers 2022SFGC0202.
Data Availability Statement
Data are contained within the article.
Conflicts of Interest
The authors declare no conflicts of interest.
References
- Xiong, B.; Zhang, J.X.; Qu, F.; Fan, Z.Q.; Wang, D.S.; Li, W. Automatic Navigation Control System for Orchard Sprayer Based on BDS. Trans. Chin. Soc. Agric. Mach. 2017, 48, 45–50. [Google Scholar]
- Ding, Y.C.; He, Z.B.; Xia, Z.; Peng, J.Y.; Wu, T.H. Design of navigation immune controller of small crawler-type rape seeder. Trans. Chin. Soc. Agric. Eng. 2019, 35, 12–20. [Google Scholar]
- Zhang, Z.G.; Luo, X.W.; Zhao, Z.X.; Huang, P.C. Trajectory tracking control method based on kalman filter and pure pursuit model for agricultural vehicle. Trans. Chin. Soc. Agric. Eng. 2009, 40, 6–12. [Google Scholar]
- Song, Y.; Zhang, Y.Y.; Yao, Q.; Liao, J.; Liu, L. Crawler robot path following control based on heuristic dynamic programming method. J. Agric. Mach. 2019, 50, 25–33. [Google Scholar]
- Luo, X.W.; Zhang, Z.G.; Zhao, Z.X.; Chen, B.; Hu, L.; Wu, X.P. DGPS automatic navigation control System of Dongfanghong X-804 Tractor. Trans. Chin. Soc. Agric. Eng. 2009, 25, 139–145. [Google Scholar]
- Jia, Q.; Zhang, X.C.; Yuan, Y.W.; Wei, L.G.; Zhao, B.; Fu, T. Automatic Driving System for NF-752 Tracked Tractor. Agric. Eng. 2018, 8, 24–29. [Google Scholar]
- Meng, Q.K.; Qiu, R.C.; Zhang, M.; Liu, G.; Zhang, Z.G.; Xiang, M. Agricultural vehicle navigation system based on improved particle swarm optimization fuzzy control. Trans. Chin. Soc. Agric. Mach. 2015, 46, 29–36. [Google Scholar]
- Urrea, C.; Munoz, J. Path tracking of mobile robot in crops. J. Intell. Robot. Syst. 2015, 80, 193–205. [Google Scholar] [CrossRef]
- Han, J.; Park, C.; Jang, Y.Y. Development of a moving baseline RTK/motion sensor-integrated positioning-based autonomous driving algorithm for a speed sprayer. Sensors 2022, 22, 9881. [Google Scholar] [CrossRef]
- Zhang, L.; Zhang, R.; Li, L.; Ding, C.C.; Zhang, D. Research on virtual Ackerman steering model based navigation system for tracked vehicles. Comput. Electron. Agric. 2022, 192, 106615. [Google Scholar] [CrossRef]
- Wang, S.; Song, J.; Qi, P.; Yuan, C.J.; Wu, H.C.; Zhang, L.T.; Liu, W.H.; Liu, Y.J.; He, X.K. Design and development of orchard autonomous navigation spray system. Front. Plant Sci. 2022, 13, 960686. [Google Scholar] [CrossRef]
- Zakaria, M.A.; Zamzuri, H.; Mazlan, S.A. Vehicle path tracking using future prediction steering control. Procedia Eng. 2012, 41, 473–479. [Google Scholar] [CrossRef]
- Marino, R.; Scalzi, S.; Netto, M. Nested PID steering control for lane keeping in autonomous vehicles. Control Eng. Pract. 2011, 19, 1459–1467. [Google Scholar] [CrossRef]
- Takai, R.; Yang, L.; Noguchi, N. Development of a crawler-type robot tractor using RTK-GPS and IMU. Eng. Agric. Environ. Food 2014, 7, 143–147. [Google Scholar] [CrossRef]
- Opiyo, S.; Okinda, C.; Zhou, J. Medial axis-based machine-vision system for orchard robot navigation. Comput. Electron. Agric. 2021, 185, 106153. [Google Scholar] [CrossRef]
- Barawid, O.C., Jr.; Mizushima, A.; Ishii, K. Development of an autonomous navigation system using a two-dimensional laser scanner in an orchard application. Biosyst. Eng. 2007, 96, 139–149. [Google Scholar] [CrossRef]
- Radcliffe, J.; Cox, J.; Bulanon, D.M. Machine vision for orchard navigation. Comput. Ind. 2018, 98, 165–171. [Google Scholar] [CrossRef]
- Zhang, L.; Zhu, X.; Huang, J.; Huang, J.Q.; Xie, J.X.; Xiao, X.; Yin, G.; Wang, X.Y.; Li, M.; Fang, K. BDS/IMU Integrated Auto-Navigation System of Orchard Spraying Robot. Appl. Sci. 2022, 12, 8173. [Google Scholar] [CrossRef]
- Wang, H.; Wang, G.M.; Luo, X.W.; Zhang, Z.G.; Gao, Y.; He, J.; Yue, B.B. Based on the aim tracking model of farm machinery navigation path tracking control method. J. Agric. Eng. 2019, 35, 11–19. [Google Scholar]
- Feng, L. Research on Automatic Navigation System of Agricultural Vehicle Based on GPS and Sensing Technology. Ph.D. Thesis, Zhejiang University, Hangzhou, China, 2004. [Google Scholar]
- He, Q.; Gao, H.W.; Li, H.W. Contact tractor navigation control system. J. Agric. Mach. 2008, 39, 97–101. [Google Scholar]
- Zhang, S.; Guo, C.; Gao, Z.; Sugirbay, A.; Chen, J.; Chen, Y. Research on 2D Laser Automatic Navigation Control for Standardized Orchard. Appl. Sci. 2020, 10, 2763. [Google Scholar] [CrossRef]
- Hu, J.T.; Gao, L.; Bai, X.P.; Liu, X.G. Agricultural machinery automatic navigation technology research progress. J. Agric. Eng. 2015, 10, 1–10. [Google Scholar]
- Ji, C.Y.; Zhou, J. Current situation of navigation technologies for agricultural machinery. Trans. Chin. Soc. Agric. Mach. 2014, 45, 44–54. [Google Scholar]
- Chen, J.; Qiang, H.; Wu, J.; Xu, G.; Wang, Z.; Liu, X. Extracting the navigation path of a tomato-cucumber greenhouse robot based on a median point Hough transform. Comput. Electron. Agric. 2020, 174, 105472. [Google Scholar] [CrossRef]
- Ma, C.; Dong, Z.; Chen, Z. Research on navigation line generation of kiwi orchard between rows based on root point substitution. Agric. Res. Arid Areas 2021, 39, 222–230. [Google Scholar]
- Zhang, Z.G.; Luo, X.W.; Zhou, Z.Y. Long yasuda transplanter GPS navigation control system design. J. Agric. Mach. 2006, 37, 95–97. [Google Scholar]
- Guo, N.; Hu, J.T.; Wang, H. Transplanter operation control system based on GPS navigation. J. Agric. Mach. 2013, 44, 200–204. [Google Scholar]
- Xiong, A.G.; Ye, Z.H.; He, J. Small agricultural machinery based on immune fuzzy PID intelligent path tracking control. Robot 2015, 37, 212–223. [Google Scholar]
- Wang, J.W.; Chen, G.; Wang, J. Path and Speed tracking Control of Driving Robot Vehicle based on Fuzzy Immune PID. J. Nanjing Univ. Sci. Technol. 2017, 41, 686–692. [Google Scholar]
- Li, J.F.; Fan, Z.Y.; Fan, F.M. Tracked vehicle motion resistance coefficient and action system efficiency analysis. Veh. Power Technol. 2015, 3, 1–4. [Google Scholar]
- Wang, X. Wheeled and tracked tractor adaptability analysis. J. Tract. Farm Transp. 2006, 01, 1–2. [Google Scholar]
- Shamshiri, R.R.; Weltzien, C.; Hameed, I.A.; Yule, I.J.; Grift, T.E.; Balasundram, S.K.; Pitonakova, L.; Ahmad, D.; Chowdhary, G. Research and development in agricultural robotics: A perspective of digital farming. Int. J. Agric. Biol. Eng. 2018, 11, 1–14. [Google Scholar] [CrossRef]
- Jones, M.H.; Bell, J.; Dredge, D.; Seabright, M.; Scarfe, A.; Duke, M.; MacDonald, B. Design and testing of a heavy-duty platform for autonomous navigation in kiwifruit orchards. Biosyst. Eng. 2019, 187, 129–146. [Google Scholar] [CrossRef]
- Thanpattranon, P.; Ahamed, T.; Takigawa, T. Navigation of autonomous tractor for orchards and plantations using a laser range finder: Automatic control of trailer position with tractor. Biosyst. Eng. 2016, 147, 90–103. [Google Scholar] [CrossRef]
Disclaimer/Publisher’s Note: The statements, opinions and data contained in all publications are solely those of the individual author(s) and contributor(s) and not of MDPI and/or the editor(s). MDPI and/or the editor(s) disclaim responsibility for any injury to people or property resulting from any ideas, methods, instructions or products referred to in the content. |
© 2024 by the authors. Licensee MDPI, Basel, Switzerland. This article is an open access article distributed under the terms and conditions of the Creative Commons Attribution (CC BY) license (https://creativecommons.org/licenses/by/4.0/).