Modeling the Herbicide-Resistance Evolution in Lolium rigidum (Gaud.) Populations at the Landscape Scale
Abstract
1. Introduction
2. Material and Methods
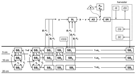
2.1. Model Description
2.2. Population Dynamics Submodel
2.2.1. Seed Bank Dynamics and Seedling Survival
2.2.2. Seed Production
2.3. Gene Flow Submodel
2.3.1. Pollen Dispersal
2.3.2. Seed Movement
2.4. Harvesting Cereal Crops
2.5. Sowing Weed-Contaminated Grain
2.6. Stochastic Routines
2.7. Parameters of the Model and Initial Conditions
2.8. Simulation Scenarios
2.8.1. Evolution of the Herbicide-Resistant L. rigidum Populations
2.8.2. Resistance Management Strategies
2.8.3. Importance of the Dispersal Vector in the Evolution of Herbicide Resistance
2.8.4. Sensitivity Analysis
3. Results
3.1. Evolution of Herbicide-Resistant L. rigidum
3.2. Resistance Management Strategies
3.2.1. Weed Population
3.2.2. Resistance Frequency
3.2.3. Resistance Spread
3.3. Importance of the Dispersal Vector in the Evolution of Herbicide Resistance
3.4. Sensitivity Analysis
4. Discussion
4.1. How to Delay Herbicide Resistance Development at the Landscape Level
4.2. How to Slow Down the Herbicide Resistance Expansion
5. Conclusions
Author Contributions
Funding
Data Availability Statement
Conflicts of Interest
Appendix A
| Parameter Descriptions | Parameter Value | Reference |
|---|---|---|
| Potential fecundity, f | Max.: 1250 seeds/plant Min.: 7 seeds/plant | [27] |
| Herbicide control, h | Max.: 1 Min.: 0.85 | [39] |
| Mutation rate, k | Max.: 5 × 10−7 Min.: 10−9 | [69] Cited in [30] |
| Fitness cost, s | Max.: 0.36 Min.: 0 | [68] [49] |
References
- Oerke, E.C. Crop losses to pests. J. Agric. Sci. 2006, 144, 31–43. [Google Scholar] [CrossRef]
- Saavedra, M.; Cuevas, J.; Mesa-García, J.; García-Torres, L. Grassy weeds in winter cereals in southern Spain. Crop Prot. 1989, 6, 181–187. [Google Scholar] [CrossRef]
- Cirujeda, A.; Taberner, A. Chemical control of herbicide-resistant Lolium rigidum Gaud. in north-eastern Spain. Pest Manag. Sci. 2010, 66, 1380–1388. [Google Scholar] [CrossRef]
- Jasieniuk, M.; Brûlé-Babel, A.; Morrison, I.N. The evolution and genetics of herbicide resistance in weeds. Weed Sci. 1996, 44, 176–193. [Google Scholar] [CrossRef]
- Heap, I. The International Herbicide-Resistant Weed Database. Available online: https://weedscience.org/Home.aspx (accessed on 9 June 2023).
- Loureiro, I.; Escorial, M.C.; Hernandez-Plaza, E.; Gonzalez-Andujar, J.L.; Chueca, M.C. Current status in herbicide resistance in Lolium rigidum in winter cereal fields in Spain: Evolution of resistance 12 years after. Crop Prot. 2017, 102, 10–18. [Google Scholar] [CrossRef]
- Torra, J.; Montull, J.M.; Taberner, A.; Onkokesung, N.; Boonham, N.; Edwards, R. Target-Site and Non-target-Site Resistance Mechanisms Confer Multiple and Cross-Resistance to ALS and ACCase Inhibiting Herbicides in Lolium rigidum from Spain. Front. Plant Sci. 2021, 12, 625138. [Google Scholar] [CrossRef] [PubMed]
- Taberner, A.; Menéndez, J.; De Prado, R. Weed resistance in Catalonia. In Proceedings of the International Symposium on Weed and Crop Resistance to Herbicides, Córdoba, Spain, 3–6 April 1995; IntechOpen: Logroño, Spain, 1995; p. 49. [Google Scholar]
- Loureiro, I.; Rodríguez-Garcia, E.; Escorial, C.; Garcia-Baudin, J.M.; Gonzalez-Andujar, J.L.; Chueca, M.C. Distribution and frequency of resistance to four herbicide modes of action in Lolium rigidum Gaud. accessions randomly collected in winter cereal fields in Spain. Crop Prot. 2010, 29, 1248–1256. [Google Scholar] [CrossRef]
- Renton, M.; Busi, R.; Neve, P.; Thornby, D.; Vila-Aiub, M. Herbicide resistance modelling: Past, present and future. Pest Manag. Sci. 2015, 70, 1394–1404. [Google Scholar] [CrossRef]
- Powles, S.B.; Yu, Q. Evolution in action: Plants resistant to herbicides. Annu. Rev. Plant Biol. 2010, 61, 317–347. [Google Scholar] [CrossRef]
- Maxwell, B.D.; Roush, M.L.; Radosevich, S.R. Predicting the evolution and dynamics of herbicide resistance in weed populations. Weed Technol. 1990, 4, 2–13. [Google Scholar] [CrossRef]
- Busi, R.; Michel, S.; Powles, S.B.; Délye, C. Gene flow increases the initial frequency of herbicide resistance alleles in unselected Lolium rigidum populations. Agric. Ecosyst. Environ. 2011, 142, 403–409. [Google Scholar] [CrossRef]
- Richter, O.; Zwerger, P.; Böttcher, U. Modelling spatio-temporal dynamics of herbicide resistance. Weed Res. 2002, 42, 52–64. [Google Scholar] [CrossRef]
- Richter, O.; Seppelt, R. Flow of genetic information through agricultural ecosystems: A generic modeling framework with application to pesticide-resistance weeds and genetically modified crops. Ecol. Model. 2004, 174, 55–66. [Google Scholar] [CrossRef]
- Roux, F.; Reboud, X. Herbicide resistance dynamics in a spatially heterogeneous environment. Crop Prot. 2007, 26, 335–341. [Google Scholar] [CrossRef]
- Roux, F.; Paris, M.; Reboud, X. Delaying weed adaptation to herbicide by environmental heterogeneity: A simulation approach. Pest Manag. Sci. 2008, 64, 16–29. [Google Scholar] [CrossRef] [PubMed]
- Dauer, J.T.; Luschei, E.C.; Mortensen, D.A. Effects of landscape composition on spread of an herbicide-resistant weed. Landsc. Ecol. 2009, 24, 735–747. [Google Scholar] [CrossRef]
- Somerville, G.J.; Powles, S.B.; Walsh, M.J.; Renton, M. How do spatial heterogeneity and dispersal in weed population models affect predictions of herbicide resistance evolution? Ecol. Model. 2017, 362, 37–53. [Google Scholar] [CrossRef]
- Rodríguez, C.; Wiegand, K. Evaluating the trade-off between machinery efficiency and loss of biodiversity-friendly habitats in arable landscapes: The role of field size. Agric. Ecosyst. Environ. 2009, 129, 361–366. [Google Scholar] [CrossRef]
- INE. Instituto Nacional de Estadística. Available online: http://www.ine.es (accessed on 9 November 2023).
- Perea-Torres, F.; Gil-Ribes, J. Consumo de gasoil y tiempos de trabajo de la maquinaria agrícola. Agric. Conserv. 2006, 3, 23–27. [Google Scholar]
- Baraibar, B.; Westerman, P.R.; Carrión, E.; Recasens, J. Effects of tillage and irrigation in cereal fields on weed seed removal by seed predators. J. Appl. Ecol. 2009, 46, 380–387. [Google Scholar] [CrossRef]
- Taberner, A. Biología de Lolium rigidum Gaud. Como Planta Infestante del Cultivo de Cebada. Aplicación al Establecimiento de Métodos de Control. Ph.D. Thesis, Universitat de Lleida, Lleida, Spain, 1996. [Google Scholar]
- Michael, P.J.; Owen, M.J.; Powles, S.B. Herbicide-resistant weed seeds contaminate grain sown in the western Australian Grain belt. Weed Sci. 2010, 58, 466–472. [Google Scholar] [CrossRef]
- José-María, L.; Sans, F.X. Weed seedbanks in arable fields: Effects of management practices and surrounding landscape. Weed Res. 2011, 51, 631–640. [Google Scholar] [CrossRef]
- González-Andújar, J.L.; Fernández-Quintanilla, C. Modelling the population dynamics of annual ryegrass (Lolium rigidum) under various weed management systems. Crop Prot. 2004, 23, 723–729. [Google Scholar] [CrossRef]
- Neve, P. Simulation modeling to understand the evolution and management of glyphosate resistance in weeds. Pest Manag. Sci. 2008, 64, 392–401. [Google Scholar] [CrossRef]
- Perry, J.N.; González-Andújar, J.L. Dispersal in a metapopulation neighbourhood model of an annual plant with a seedbank. J. Ecol. 1993, 81, 453–463. [Google Scholar] [CrossRef]
- Preston, C.; Powles, S.B. Evolution of herbicide resistance in weeds: Initial frequency of target site-based resistance to acetolactate synthase-inhibiting herbicides in Lolium rigidum. Heredity 2002, 88, 8–13. [Google Scholar] [CrossRef]
- Spokas, K.; Forcella, F.; Archer, D.; Reicosky, D. SeedChaser: Vertical soil tillage distribution model. Comput. Electron. Agric. 2007, 57, 62–73. [Google Scholar] [CrossRef]
- Jiménez-Hidalgo, M.J.; Palma, V.; Saavedra, M.; Pastor, M. La emergencia de Lolium rigidum Gaudin en Andalucía. In Actas Reunión de la Sociedad Española de Malherbología; Sociedad Española de Malherbología: Córdoba, Spain, 1991; pp. 128–132. [Google Scholar]
- Owen, M.J.; Michael, P.J.; Renton, M.; Steadman, K.J.; Powles, S.B. Towards large-scale prediction of Lolium rigidum emergence. II: Correlation between dormancy and herbicide resistance levels suggests and impact of cropping systems. Weed Res. 2011, 51, 133–141. [Google Scholar] [CrossRef]
- Fernández-Quintanilla, C.; Barroso, J.; Recansens, J.; Sans, X.; Torner, C.; Sánchez del Arco, M.J. Demography of Lolium rigidum in winter barley crops: Analysis of recruitment, survival and reproduction. Weed Res. 2000, 40, 281–291. [Google Scholar] [CrossRef]
- Gramshaw, D.; Stern, W.R. Survival of annual ryegrass (Lolium rigidum Gaud) seed in a Mediterranean type environment. II. Effects of short-term burial on persistence of viable seed. Aust. J. Agric. Res. 1977, 28, 93–101. [Google Scholar] [CrossRef]
- Harms, C.T.; Di Maio, J.J. Pirimisulfuron herbicide-resistant tobacco cell lines. Application of fluctuation test design to in vitro mutant selection with plant cells. J. Plant Physiol. 1991, 137, 513–519. [Google Scholar] [CrossRef]
- Giddings, G.D.; Sackville-Hamilton, N.R.; Hayward, M.D. The release of genetically modified grasses. Part 1: Pollen dispersal to traps in Lolium perenne. Theor. Appl. Genet. 1997, 94, 1000–1006. [Google Scholar] [CrossRef]
- Shirtliffe, S.J.; Entz, M.H. Chaff collection reduces seed dispersal of wild oat (Avena fatua) by a combine harvester. Weed Sci. 2005, 53, 465–470. [Google Scholar] [CrossRef]
- Fernández-Quintanilla, C.; González-Andújar, J.L.; González-Ponce, R.; de Lucas, C.; Navarrete, L.; Recasens, M.J.; Sánchez del Arco, A.; Taberner, A.; Tiebas, M.A.; Torner, C. Using the low rate concept (LRC) for control of grassweeds in cereals under Mediterranean conditions. In Proceedings of the 6th EWRS Mediterranean Symposium, Montpellier, France, 13–15 May 1998; pp. 353–359. [Google Scholar]
- Matthews, J.; Llewellyn, R.; Jaeschke, R.; Powles, S. Catching weed seeds at harvest: A method to reduce annual weed populations. In Proceedings of the 8th Australian Agronomy Conference, Australian Society of Agronomy, Toowoomba, Australia, 30 January–2 February 1996; pp. 684–685. [Google Scholar]
- Neve, P.; Diggle, A.J.; Smith, F.P.; Powles, S.B. Simulating evolution of glyphosate resistance in Lolium rigidum I: Population biology of a rare resistance trait. Weed Res. 2003, 43, 404–417. [Google Scholar] [CrossRef]
- Neve, P.; Norsworthy, J.K.; Smith, K.L.; Zelaya, I.A. Modelling evolution and management of glyphosate resistance in Amaranthus palmeri. Weed Res. 2010, 51, 99–112. [Google Scholar] [CrossRef]
- Tardif, C.J.; Holtum, J.A.M.; Powles, S.B. Occurrence of an herbicide-resistant acetyl-coenzyme A carboxylase mutant in annual ryegrass (Lolium rigidum) selected by sethoxydim. Planta 1993, 190, 176–181. [Google Scholar] [CrossRef]
- Menchari, Y.; Camilleri, C.; Miche, S.; Brune, D.; Dessaint, F.; Le Corre, V.; Délye, C. Weed response to herbicides: Regional-scale distribution of herbicide resistance alleles in the grass weed Alopecurus myosuroides. New Phytol. 2006, 171, 861–874. [Google Scholar] [CrossRef] [PubMed]
- Blanco-Moreno, J.M.; Chamorro, L.; Sanx, F.X. Spatial and temporal patterns of Lolium rigidum-Avena sterilis mixed populations in a cereal field. Weed Res. 2006, 46, 207–218. [Google Scholar] [CrossRef]
- Peck, S.L.; Gould, F.; Ellner, S.P. Spread of resistance in spatially extended regions of transgenic cotton: Implication for management of Heliothis virescens (Lepidoptera: Noctuidae). J. Econ. Entomol. 1999, 92, 1–16. [Google Scholar] [CrossRef]
- Vila-Aiub, M.M.; Neve, P.; Powles, S.B. Resistance cost of a cytochrome P450 herbicide metabolism mechanism but not an ACCase target site mutation in a multiple resistant Lolium rigidum population. New Phytol. 2005, 167, 787–796. [Google Scholar] [CrossRef]
- Vila-Aiub, M.M.; Neve, P.; Powles, S.B. Fitness costs associated with evolved herbicide resistance alleles in plants. New Phytol. 2009, 184, 751–767. [Google Scholar] [CrossRef] [PubMed]
- Vila-Aiub, M.M.; Neve, P.; Steadman, K.J.; Powles, S.B. Ecological fitness of a multiple herbicide-resistant Lolium rigidum population: Dynamics of seed germination and seedling emergence of resistant and susceptible phenotypes. J. Appl. Ecol. 2005, 42, 288–298. [Google Scholar] [CrossRef]
- Cavan, G.; Cussans, J.; Moss, S.R. Modelling different cultivation and herbicide strategies for their effect on herbicide resistance in Alopecurus myosuroides. Weed Res. 2000, 40, 561–568. [Google Scholar] [CrossRef]
- van den Berg, F.; Gilliagan, C.A.; Gerdenssen, J.C.; Gregoire, L.A.H.; van den Bosch, F. Optimal weed management in crop rotations: Incorporating economics is crucial. Weed Res. 2010, 50, 413–424. [Google Scholar] [CrossRef]
- Gonzalez-Diaz, L.; Blanco-Moreno, J.M.; González-Andújar, J.L. Spatially-explicit bioeconomic model for weed management in cereals: Validation and evaluation of management strategies. J. Appl. Ecol. 2015, 52, 240–249. [Google Scholar] [CrossRef]
- Beckie, H.J.; Reboud, X. Selecting for weed resistance: Herbicide rotation and mixture. Weed Technol. 2009, 23, 363–370. [Google Scholar] [CrossRef]
- Beckie, H.J. Beneficial management practices to combat herbicide-resistant grass weeds in the Northern Great Plains. Weed Technol. 2007, 21, 290–299. [Google Scholar] [CrossRef]
- Délye, C.; Clèment, J.A.J.; Pernin, F.; Chauvel, B.; Le Corre, V. High gene flow promotes the genetic homogeneity of arable weed populations at the landscape level. Basic Appl. Ecol. 2010, 11, 504–512. [Google Scholar] [CrossRef]
- Balfourier, F.; Imbert, C.; Charmet, G. Evidence of phylogeographic structure in Lolium species related to the spread of agriculture in Europe. A cpDNA study. Theor. Appl. Genet. 2000, 101, 131–138. [Google Scholar] [CrossRef]
- Richter, O.; Powles, S.B. Pollen expression of herbicide target site resistance genes in annual ryegrass (Lolium rigidum). J. Plant Physiol. 1993, 102, 1037–1041. [Google Scholar] [CrossRef][Green Version]
- Beckie, H.J.; Hall, L.M. Simple to complex: Modeling crop pollen-mediated gene flow. Plant Sci. 2008, 175, 615–628. [Google Scholar] [CrossRef]
- Colbach, N.; Clermont-Dauphin, C.; Meynard, J.M. GeneSys: A model of the influence of cropping system on gene escape from herbicide tolerant rapeseed crops to rape volunteers II. Genetic exchanges among volunteer and cropped populations in a small region. Agric. Ecosyst. Environ. 2001, 83, 255–270. [Google Scholar] [CrossRef]
- Busi, R.; Yu, Q.; Barrett-Lennard, R.; Powles, S. Long distance pollen-mediated flow of herbicide resistance genes in Lolium rigidum. Theor. Appl. Genet. 2008, 117, 1281–1290. [Google Scholar] [CrossRef] [PubMed]
- Bastida, F.; Menendez, J.; Camacho, D.; Gonzalez-Andujar, J.L. Season-long seed dispersal patterns of the invasive weed Erigeron bonariensis in south-western Spain. Crop Prot. 2021, 148, 105720. [Google Scholar] [CrossRef]
- Ghersa, C.M.; Martínez-Ghersa, M.A.; Brewer, T.G.; Roush, M.L. Use of gene flow to control diclofop-methyl resistance in italian ryegrass (Lolium multiflorum). Weed Technol. 1994, 8, 139–147. [Google Scholar] [CrossRef]
- Owen, M.J.; Powles, S.B. Lessons learnt: Crop-seed cleaning reduces weed-seed contamination in Western Australian grain samples. Crop Pasture Sci. 2020, 71, 660–667. [Google Scholar] [CrossRef]
- Thill, D.C.; Mallory-Smith, C.A. The nature and consequence of weed spread in cropping systems. Weed Sci. 1997, 45, 337–342. [Google Scholar] [CrossRef]
- Légère, A.; Beckie, H.J.; Stevenson, C.; Thomas, G. Survey of management practices affecting the occurrence of wild oat (Avena fatua) resistance to Acetyl-CoA carboxylase inhibitors. Weed Technol. 2000, 14, 366–376. [Google Scholar] [CrossRef]
- Tranel, P.J.; Wright, T.R. Resistance of weeds to ALS-inhibiting herbicides: What have we learned? Weed Sci. 2002, 50, 700–712. [Google Scholar] [CrossRef]
- Délye, C. Weed resistance to acetyl coenzyme A carboxylase inhibitors: And update. Weed Sci. 2005, 53, 728–746. [Google Scholar] [CrossRef]
- Menchari, Y.; Chauvel, B.; Darmency, H.; Délye, C. Fitness costs associated with three mutant acetyl-coenzyme A carboxylase alleles endowing herbicide resistance in black-grass Alopecurus myosuroides. J. Appl. Ecol. 2008, 45, 939–947. [Google Scholar] [CrossRef]
- Rajasekaran, K.; Grula, J.W.; Anderson, M. Selection and characterization of mutant cotton (Gossypium hirsutum L.) cell lines resistant to sulfonylurea and imidazolinone herbicides. Plant Sci. 1996, 119, 115–124. [Google Scholar] [CrossRef]














| Field-Size Class | Unit Field Size (ha/Field) | Field Dimension | Number of Fields | Total Field Size (ha) | Cereal Crops (%) | Sunflower Crops (%) |
|---|---|---|---|---|---|---|
| Class 1 | 1 | 1 × 1 | 26 | 26 | 89 | 11 |
| Class 2 | 2 | 1 × 2 | 74 | 148 | 88 | 12 |
| Class 3 | 4 | 2 × 2 | 77 | 308 | 69 | 31 |
| Class 4 | 6 | 2 × 3 | 108 | 648 | 79 | 21 |
| Class 5 | 10 | 2 × 5 | 59 | 590 | 81 | 19 |
| Class 6 | 15 | 3 × 5 | 57 | 855 | 77 | 23 |
| Class 7 | 27 | 3 × 9 | 56 | 1512 | 78 | 22 |
| Class 8 | 81 | 9 × 9 | 73 | 5913 | 77 | 23 |
| Description | Symbol | Cereal Crop | Sunflower Crop | Reference | ||||||
|---|---|---|---|---|---|---|---|---|---|---|
| Initial conditions | ||||||||||
| Initial seed bank | SBini | 2.7 × 106 seeds/ha * | 2.7 × 106 seeds/ha * | [2] | ||||||
| Initial frequency of herbicide-resistant allele | pini | 2.16 × 10−5 † | 2.16 × 10−5 † | [30] | ||||||
| Initial weed seeds in the crop seeding density for each genotype | 0 ‡ | 0 ‡ | ||||||||
| 0 | 0 | |||||||||
| 0 | 0 | |||||||||
| Parameters of the model | ||||||||||
| First tillage operation, t1 | t111 | t121 | t131 | 0.59 | 0.41 | 0.06 | 0.70 ¶ | 0.15 | 0.01 | [31] |
| t112 | t122 | t132 | 0.34 | 0.5 | 0.06 | 0.2 | 0.53 | 0.03 | ||
| t113 | t123 | t133 | 0.07 | 0.09 | 0.88 | 0.1 | 0.32 | 0.96 | ||
| Second tillage operation, t2 | t211 | t221 | t231 | 0.8 | 0.13 | 0.01 | 0.85 § | 0.31 | 0 | [31] |
| t212 | t222 | t232 | 0.13 | 0.74 | 0.01 | 0.15 | 0.69 | 0.04 | ||
| t213 | t223 | t233 | 0.07 | 0.13 | 0.98 | 0 | 0 | 0.96 | ||
| Thirst tillage operation, t3 | t311 | t321 | t331 | 1 ** | 0 | 0 | 0.80 ¶ | 0.13 | 0.01 | [31] |
| t312 | t322 | t332 | 0 | 1 | 0 | 0.13 | 0.74 | 0.01 | ||
| t313 | t323 | t333 | 0 | 0 | 1 | 0.07 | 0.13 | 0.98 | ||
| Removal fraction by predation activity | d | 0.5 †† | 0.5 †† | [23] | ||||||
| Germination fraction | [32] | |||||||||
| Soil layer 1 | g1 | 0.53 ‡‡ | 0.53 ‡‡ | |||||||
| Soil layer 2 | g2 | 0.27 | 0.27 | |||||||
| Soil layer 3 | g3 | 0.02 | 0.02 | |||||||
| Contribution of each weed cohort to the total germination fraction | [33] | |||||||||
| Cohort 1 | c1 | 0.65 ¶¶ | 0.65 ¶¶ | |||||||
| Cohort 2 | c2 | 0.35 | 0.35 | |||||||
| Survival fraction following mechanical control | s2 | 0 §§ | 0 §§ | |||||||
| s3 | 1 ** | 0 §§ | ||||||||
| Herbicide control for each genotype | haa | 0.95 a | 0 b | |||||||
| haA | 0 | 0 | ||||||||
| hAA | 0 | 0 | ||||||||
| Natural seedling survival fraction | v | 0.76 | 0.76 | [34] | ||||||
| Potential seed production | f | 935 seeds/plant | 935 seeds/plant | [27] | ||||||
| Parameter of the hyperbolic model | b | 0.000034 ha c | 0.000034 ha c | [27] | ||||||
| Mortality of the seed bank | ||||||||||
| Soil layers 1, 2, and 3 | m1 = m2 = m3 | 0.30 ‡‡ | 0.30 ‡‡ | [35] | ||||||
| Mutation rate for herbicide resistance | k | 2.7 × 10−8 d | 2.7 × 10−8 d | [36] | ||||||
| Maximum ring around focus cell that is achieved by pollen dispersal | z | 1 e | 1 e | [37] | ||||||
| Spread and weighted pollen at distance | [37] | |||||||||
| Parent cell | pol0 | 1 e | 1 e | |||||||
| Ring 1 | pol1 | 0.029 | 0.029 | |||||||
| Harvester parameters | gat | 0.91 f | 0 h | |||||||
| con | 0.08 f | 0 | ||||||||
| expt | 0.02 g | 0 | [38] | |||||||
| Strategies | Description |
|---|---|
| EST 1 | Crop rotation in the 100% of the landscape |
| EST 2 | Rotation of herbicide modes of action in the 50% of the landscape |
| EST 3 | Rotation of herbicide modes of action in the 100% of the landscape |
| EST 4 | Sowing of certified cereal crop seed in the 100% of the landscape |
| EST 5 | Seed catcher connected to the cereal harvester |
| EST 6 | EST 1 + EST 3 |
| EST 7 | EST 3 + EST 4 |
| EST 8 | EST 3 + EST 5 |
| EST 9 | EST 1 + EST 4 |
| EST 10 | EST 4 + EST 5 |
| EST 11 | EST 1 + EST 5 |
| EST 12 | EST 1 + EST 3 + EST 4 |
| EST 13 | EST 1 + EST 3 + EST 5 |
| EST 14 | EST 3 + EST 4 + EST 5 |
| EST 15 | EST 1 + EST 4 + EST 5 |
| EST 16 | EST 1 + EST 3 + EST 4+ EST 5 |
Disclaimer/Publisher’s Note: The statements, opinions and data contained in all publications are solely those of the individual author(s) and contributor(s) and not of MDPI and/or the editor(s). MDPI and/or the editor(s) disclaim responsibility for any injury to people or property resulting from any ideas, methods, instructions or products referred to in the content. |
© 2024 by the authors. Licensee MDPI, Basel, Switzerland. This article is an open access article distributed under the terms and conditions of the Creative Commons Attribution (CC BY) license (https://creativecommons.org/licenses/by/4.0/).
Share and Cite
Gonzalez-Diaz, L.; Gonzalez-Garcia, I.; Gonzalez-Andujar, J.L. Modeling the Herbicide-Resistance Evolution in Lolium rigidum (Gaud.) Populations at the Landscape Scale. Agronomy 2024, 14, 2990. https://doi.org/10.3390/agronomy14122990
Gonzalez-Diaz L, Gonzalez-Garcia I, Gonzalez-Andujar JL. Modeling the Herbicide-Resistance Evolution in Lolium rigidum (Gaud.) Populations at the Landscape Scale. Agronomy. 2024; 14(12):2990. https://doi.org/10.3390/agronomy14122990
Chicago/Turabian StyleGonzalez-Diaz, Lucia, Irene Gonzalez-Garcia, and Jose L. Gonzalez-Andujar. 2024. "Modeling the Herbicide-Resistance Evolution in Lolium rigidum (Gaud.) Populations at the Landscape Scale" Agronomy 14, no. 12: 2990. https://doi.org/10.3390/agronomy14122990
APA StyleGonzalez-Diaz, L., Gonzalez-Garcia, I., & Gonzalez-Andujar, J. L. (2024). Modeling the Herbicide-Resistance Evolution in Lolium rigidum (Gaud.) Populations at the Landscape Scale. Agronomy, 14(12), 2990. https://doi.org/10.3390/agronomy14122990

