Identification and Validation of a Novel Major QTL Controlling Leaf Pubescence in the Chinese Wheat Landrace ‘Baimaomai’
Abstract
:1. Introduction
2. Materials and Methods
2.1. Plant Materials
2.2. Phenotypic Evaluation
2.3. QTL Mapping and Candidate Genes Prediction
2.4. Marker Development and QTL Validation
3. Results
3.1. Phenotypic Evaluation
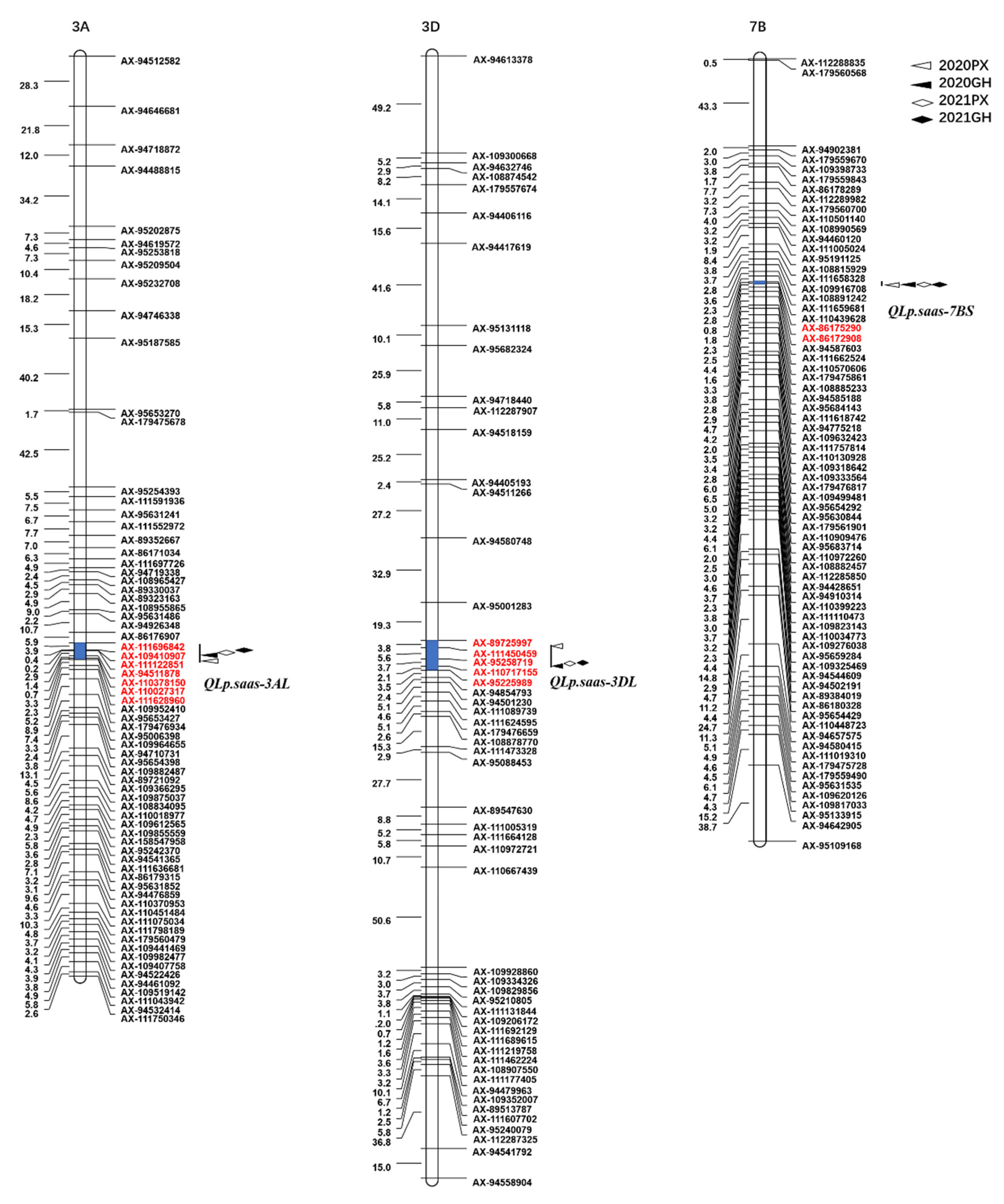
3.2. QTL Mapping for Leaf Pubescence
3.3. Validation of the Novel Major QTL QLp.saas-7BS
4. Discussion
4.1. QLp.saas-7BS Is a Novel Major QTL
4.2. Candidate Genes Located in the Interval for QLp.saas-7BS
4.3. Other QTLs
5. Conclusions
6. Patents
Supplementary Materials
Author Contributions
Funding
Acknowledgments
Conflicts of Interest
References
- Solereder, H. Systematic anatomy of dicotyledons: A handbook for laboratories of pure and applied botany. Nature 1908, 79, 211–212. [Google Scholar]
- Ehleringer, J.; Bjorkman, O.; Mooney, H.A. Leaf Pubescence: Effects on Absorptance and Photosynthesis in a Desert Shrub. Science 1976, 192, 376–377. [Google Scholar] [CrossRef] [PubMed]
- Wood, W.; Gore, J.; Catchot, A.; Cook, D.; Dodds, D.; Krutz, J. Effect of leaf pubescence on tarnished plant bug (Hemiptera: Miridae) ability to cause damage and yield loss in cotton. J. Cotton Sci. 2017, 21, 122–127. [Google Scholar]
- Xie, Y.; Yu, X.; Jiang, S.; Xiao, K.; Wang, Y.; Li, L.; Wang, F.; He, W.; Cai, Q.; Xie, H.; et al. OsGL6, a conserved AP2 domain protein, promotes leaf trichome initiation in rice. Biochem. Biophys. Res. Commun. 2020, 522, 448–455. [Google Scholar] [CrossRef]
- Oguchi, R.; Onoda, Y.; Terashima, I.; Tholen, D. Leaf anatomy and function of chapter 5. In The Leaf: A Platform for Performing Photosynthesis, Advances in Photosynthesis and Respiration Including Bioenergy and Related Processes, 2nd ed.; Adams, W.W., III, Terashima, I., Eds.; Springer Nature Switzerland AG: Gewerbestrasse, Switzerland, 2018; Volume 44, pp. 98–128. [Google Scholar]
- Pandey, P.; Irulappan, V.; Bagavathiannan, M.V.; Senthil-kumar, M. Impact of combined abiotic and biotic stresses on plant growth and avenues for crop improvement by exploiting physio-morpholgical traits. Front. Plant Sci. 2017, 8, 537. [Google Scholar] [CrossRef] [PubMed] [Green Version]
- Nawab, N.N.; Khan, I.A.; Khan, A.A.; Amjad, M. Characterization and inheritance of cotton leaf pubescence. Pak. J. Bot. 2011, 43, 649–658. [Google Scholar]
- Ringlund, K.; Everson, E.H. Leaf pubescence in common wheat, Triticum aestivum L., and resistance to the cereal leaf beetle, Oulema melanopus (L.). Crop Sci. 1968, 8, 705–710. [Google Scholar] [CrossRef]
- Webster, J.A.; Smith, D.H.; Rathke, J.E.; Cress, C.E. Resistance to cereal leaf beetle in wheat: Density and length of leaf-surface pubescence in four wheat lines. Crop Sci. 1975, 15, 199–202. [Google Scholar] [CrossRef]
- Webster, J.A.; Inayatullah, C.; Hamissou, M.; Mirkes, K.A. Leaf pubescence effects in wheat on yellow sugarcane aphids and greenbugs (Hmoptera: Aphididae). J. Econ. Entomol. 1994, 87, 231–240. [Google Scholar] [CrossRef]
- Roberts, J.J.; Foster, J.E. Effect of leaf pubescence in wheat on the bird cherry oat aphid (Homoptera: Aphidae). J. Econ. Entomol. 1983, 76, 1320–1322. [Google Scholar] [CrossRef]
- Mergher, R.L.; Smith, C.W.; Smith, W.J. Preference of Gossypium genotypes to Bemisisa argentifolii (Homoptera: Aleyrodidae). J. Econ. Entomol. 1997, 90, 1046–1052. [Google Scholar] [CrossRef]
- Haider, S.S.; Hassan, M.W.; Jamil, M. Comparison of wheat varieties (Triticum aestivum L.) for aphid (Homoptera: Aphididae) infestation in relation to physico-morphic traits sown under semi arid climatic conditions. J. Agric. Sci. 2017, 3, 42–51. [Google Scholar]
- Konyspaevna, S.K. Spring wheat resistance against cereal leaf beetle (Oulema melanopus Z.) in relation to leaf pubescence. Aust. J. Basic Appl. Sci. 2012, 6, 515–518. [Google Scholar]
- Lai, A.; Cianciolo, V.; Chiavarini, S.; Sonnino, A. Effects of glandular trichomes on the development of Phytophthora infestans infection in potato (S. tuberosum). Euphytica 2000, 114, 165–174. [Google Scholar] [CrossRef]
- Gao, Y.; He, C.; Zhang, D.; Liu, X.; Xu, Z.; Tian, Y.; Liu, X.; Zang, S.; Pauly, M.; Zhou, Y.; et al. Two trichome birefringence-like proteins mediate xylan acetylation, which is essential for leaf blight resistance in rice. Plant Physiol. 2017, 173, 470–481. [Google Scholar] [CrossRef] [Green Version]
- Calo, L.; Carcia, I.; Gotor, C.; Romero, L.C. Leaf hairs influence phytopathogenic fungus infection and confer an increased resistance when expressing a Trichoderma α-1,3-glucanase. J. Exp. Bot. 2006, 57, 3911–3920. [Google Scholar] [CrossRef] [Green Version]
- Pshenichnikova, T.A.; Doroshkov, A.V.; Osipova, S.V.; Permyakov, A.V.; Permyakova, M.D.; Efimov, V.M.; Afonnikov, D.A. Quantitative characteristics of pubescence in wheat (Triticum aestivum L.) are associated with photosynthetic parameters under conditions of normal and limited water supply. Planta 2019, 249, 839–847. [Google Scholar] [CrossRef]
- Osipova, S.V.; Rudikvskii, A.V.; Permyakov, A.V.; Rudikovskaya, E.G.; Permyakova, M.D.; Verkhoturov, V.V.; Pshenichnikova, T.A. Physiological responses to water deficiency in bread wheat (Triticum aestivum L.) lines with genetically different leaf pubescence. Vavilov, J. Genet. Breed. 2020, 24, 813–820. [Google Scholar] [CrossRef]
- Skelton, R.P.; Midgley, J.J.; Nyaga, J.M.; Johnson, S.D.; Cramer, M.D. Is leaf pubescence of Cape Proteaceae a xeromorphic or radiation-protective trait? Aust. J. Bot. 2012, 60, 104–113. [Google Scholar] [CrossRef] [Green Version]
- Moles, A.T.; Laffan, S.W.; Keighery, M.; Dalrymple, R.L.; Tindall, M.L.; Chen, S.C. A hairy situation: Plant species in warm, sunny places are more likely to have pubescent leaves. J. Biogeogr. 2020, 47, 1–11. [Google Scholar] [CrossRef]
- Wang, X.; Shen, C.; Meng, P.; Tan, G.; Lv, L. Analysis and review of trichomes in plants. BMC Plant Biol. 2021, 21, 70. [Google Scholar]
- Grammatikopoulos, G.; Manetas, Y. Direct absorption of water by hairy leaves of phlomis fruticose and tis contribution to drought avoidance. Rev. Can. Bot. 1994, 72, 1805–1811. [Google Scholar] [CrossRef]
- Tao, Y.; Zhang, Y.M. Effects of leaf hair points of a desert moss on water retention and dew formation: Implications for desiccation tolerance. J. Plant. Res. 2012, 125, 351–360. [Google Scholar] [CrossRef] [PubMed]
- Konrad, W.; Burkhardt, J.; Ebner, M.; Roth-Nebelsick, R. Leaf pubescence as a possibility to increase water use efficiency by promoting condensation. Ecohydrology 2015, 8, 480–492. [Google Scholar] [CrossRef]
- Du, W.J.; Fu, S.X.; Yu, D.Y. Genetic analysis for the leaf pubescence density and water status traits in soybean [Glycine max (L.) Merr.]. Plant Breed. 2009, 128, 259–265. [Google Scholar] [CrossRef]
- Hu, B.; Wan, Y.; Li, X.; Zhang, F.; Yan, W.; Xie, J. Phenotypic characterization and genetic analysis of rice with pubescent leaves and glabrous hulls (PLgh). Crop Sci. 2013, 53, 1878–1886. [Google Scholar] [CrossRef]
- Gormus, O.; Kurt, F.; Sabagh, A.E. Impact of defoliation timings and leaf pubescence on yield and fiber quality of cotton. J. Agric. Sci. Technol. 2017, 19, 903–915. [Google Scholar]
- Blanco, A.; Bellomo, M.P.; Cenci, A.; Giovanni, C.D.; Ovidio, R.D.; Lacono, E.; Laddomada, B.; Pagnotta, M.A.; Porceddu, E.; Sciancalepore, A.; et al. A genetic linkage map of durum wheat. Theor. Appl. Genet. 1998, 97, 721–728. [Google Scholar] [CrossRef]
- Wu, P.; Yang, L.; Guo, G.; Hu, J.; Qiu, D.; Li, Y.; Shi, X.; Zhang, H.; Liu, H.; Zhao, J.; et al. Molecular mapping and identification of a candidate gene for new locus Hg2 conferring hairy glume in wheat. Plant Sci. 2021, 307, 110879. [Google Scholar] [CrossRef]
- Luo, W.; Liu, J.; Ding, P.; Li, C.; Liu, H.; Mu, Y.; Tang, H.; Jiang, Q.; Liu, Y.; Chen, G.; et al. Transcriptome analysis of near-isogenic lines for glume hairiness of wheat. Gene 2020, 739, 144517. [Google Scholar] [CrossRef]
- Wan, H.; Yang, Y.; Li, J.; Zhang, Z.; Yang, W. Mapping a major QTL for hairy leaf sheath introgressed from Aegilops tauschii and its association with enhanced grain yield in bread wheat. Euphytica 2015, 205, 275–285. [Google Scholar] [CrossRef]
- Dobrovolskaya, O.B.; Pshenichnikova, T.A.; Arbzzova, V.S.; Lohwasser, U.; Roder, M.S.; Borner, A. Molecular mapping of genes determining hairy leaf character in common wheat with respect to other species of the Triticeae. Euphytica 2007, 155, 285–293. [Google Scholar] [CrossRef]
- Maystrenko, O.I. Identification and location of genes controlling leaf hairing in young plants of common wheat. Genetika (Moscow) 1976, 12, 5–15. [Google Scholar]
- Taketa, S.; Chang, C.L.; Ishii, M.; Takeda, K. Chromosome arm location of the gene controlling leaf pubescence of a Chinese local wheat cultivar ‘Hong-mang-mai’. Euphytica 2002, 125, 141–147. [Google Scholar] [CrossRef]
- Doroshkov, A.V.; Afonnikov, D.A.; Dobrovolskaya, O.B.; Pshenichnikova, T.A. Interactions between leaf pubescence genes in bread wheat as assessed by high throughput phenotyping. Euphytica 2015, 207, 1–10. [Google Scholar] [CrossRef]
- Pshenichnikova, T.A.; Lapochkina, I.F.; Shchulina, L.V. The inheritance of morphological and biochemical traits introgressed into common wheat (Triticum aestivum L.) from Aegilops speltoides Tausch. Genet. Resour. Crop Evol. 2007, 54, 287–293. [Google Scholar] [CrossRef]
- Doroshkov, A.V.; Afonnikov, D.A.; Pshenichnikova, T.A. Genetic analysis of leaf pubescence in isogenic lines of bread wheat Novasibirskaya 67. Russ. J. Genet. 2014, 50, 172–180. [Google Scholar] [CrossRef]
- Simonov, A.V.; Smirnova, O.G.; Genaev, M.A.; Pshenichnikova, T.A. The identification of a new gene for leaf pubescence introgressed into bread wheat from Triticum timopheevii Zhuk. and its manifestation in a different genotypic background. Plant Genet. Resour. 2021, 19, 238–244. [Google Scholar] [CrossRef]
- Liu, Z.; Wang, Q.; Wan, H.; Yang, F.; Wei, H.; Xu, Z.; Ji, H.; Xia, X.; Li, J.; Yang, W. QTL mapping for adult-plant resistance to powdery mildew in Chinese elite common wheat Chuanmai104. Cereal Res. Commun. 2021, 49, 99–108. [Google Scholar] [CrossRef]
- Zhu, T.; Wang, L.; Rimbert, H.; Rodriguez, J.C.; Deal, K.R.; Oliveira, R.D.; Choulet, F.; Keeble-Gagnere, G.; Tibbits, J.; Rogers, J.; et al. Optical maps refine the bread wheat Triticum aestivum cv. Chinese Srping genome assembly. Plant J. 2021, 107, 303–314. [Google Scholar] [CrossRef]
- Shahinnia, F.; Leroy, J.; Saba, M.; Okamoto, M.; Zhong-Hua, C.; Langridge, P.; Fleury, D. Identification of quantitative trait loci for leaf stomatal and epidermal cell traits in wheat (Triticum aestivum L.). In Proceedings of the 12th International Wheat Genetic Symposium, Pacifico Yokohama, Japan, 8–14 September 2013; p. 132. [Google Scholar]
- Chen, J.; Jing, Y.; Zhang, X.; Li, L.; Wang, P.; Zhang, S.; Zhou, H.; Wu, J. Evolutionary and expression analysis provides evidence for the plant glutamate-like receptors family is involved in woody growth-related function. Sci. Rep. 2016, 6, 32013. [Google Scholar] [CrossRef] [PubMed] [Green Version]
- Forde, B.G.; Roberts, M. Glutamate receptor-like channels in plants: A role as amino acid sensors in plant defence? F1000Prime Rep. 2014, 6, 37. [Google Scholar] [CrossRef]
- Li, Z.; Ye, X.; Qiu, X. Glutamate signaling enhances the heat tolerance of maize seedlings by plant glutamate receptor-like channels-mediated calcium signaling. Protoplasma 2019, 256, 1165–1169. [Google Scholar] [CrossRef]
- Ullah, I.; Akhtar, N.; Mehmood, N.; Shan, I.A.; Noor, M. Effect of mannitol induced drought stress on seedling traits and protein profile of two wheat cultivars. J. Anim. Plant Sci. 2014, 24, 1246–1251. [Google Scholar]
- Hadi, F.; Ayaz, M.; Ali, S.; Shafiq, M.; Ullah, R.; Jan, A.U. Comparative effect of polyethylene glycol and mannitol induced drought on growth (in vitor) of canola (Brassica napus), cauliflower (Brassica oleracea) and tomato (Lycopersicon esculentum) seedlings. Int. J. Biosci. 2014, 4, 34–41. [Google Scholar]
- Patel, T.K.; Williamson, J.D. Mannitol in plants, fungi, and plant-fungal interactions. Trends Plant Sci. 2016, 21, 486–497. [Google Scholar] [CrossRef]
- Langdon, T.; Seago, C.; Mende, M.; Leggett, M.; Thomas, H.; Forster, J.W.; Thomas, H.; Jones, R.N.; Jenkins, G. Retrotransposon evolution in diverse plant genomes. Genetics 2000, 156, 313–325. [Google Scholar] [CrossRef] [PubMed]
- Kumar, A.; Bennetzen, J.L. Plant Retrotransposons. Annu. Rev. Genet. 1999, 33, 479–532. [Google Scholar] [CrossRef] [PubMed] [Green Version]




| Environments | LP Density of Parents | LP Density of RIL Population | ||||||||
|---|---|---|---|---|---|---|---|---|---|---|
| CM104 | BMM | Mean | Variance | SD | Skewness | Kurtosis | Min | Max | H2 | |
| 2020PX | 0 | 3 | 1.03 | 1.03 | 1.01 | 0.57 | −0.86 | 0 | 3 | 63.18 |
| 2020GH | 0 | 3 | 1.17 | 1.12 | 1.06 | 0.42 | −1.07 | 0 | 3 | 65.39 |
| 2021PX | 0 | 3 | 1.56 | 1.07 | 1.03 | −0.06 | −1.15 | 0 | 3 | 58.47 |
| 2021GH | 0 | 3 | 1.67 | 0.98 | 0.99 | −0.12 | −1.05 | 0 | 3 | 51.39 |
| QTL. | ENV | CHR | Left Marker (Position/bp) | Right Marker (Position/bp) | Physical Interval (Mb) | LOD | PVE (%) | ADD | Source |
|---|---|---|---|---|---|---|---|---|---|
| QLp.saas-7BS | 2020PX | 7BS | AX-86175290 (61106266) | AX-86172908 (60629908) | 0.48 | 38.51 | 40.77 | −0.64 | BMM |
| 2020GH | 7BS | AX-86175290 (61106266) | AX-86172908 60629908) | 0.48 | 13.22 | 14.16 | −0.34 | BMM | |
| 2021PX | 7BS | AX-86175290 (61106266) | AX-86172908 (60629908) | 0.48 | 29.97 | 31.28 | −0.58 | BMM | |
| 2021GH | 7BS | AX-86175290 (61106266) | AX-86172908 (60629908) | 0.48 | 26.11 | 26.22 | −0.55 | BMM | |
| QLp.saas-3DL | 2020PX | 3DL | AX-111450459 (531264108) | AX-110717155 (520933666) | 10.33 | 8.16 | 6.46 | 0.26 | CM104 |
| 2020GH | 3DL | AX-95258719 (540919250) | AX-95225989 (548702914) | 7.78 | 7.05 | 7.31 | 0.24 | CM104 | |
| 2021PX | 3DL | AX-89725997 (536000818) | AX-95258719 (540919250) | 4.92 | 5.32 | 4.50 | 0.22 | CM104 | |
| 2021GH | 3DL | AX-89725997 (536000818) | AX-95258719 (540919250) | 4.92 | 4.21 | 3.64 | 0.21 | CM104 | |
| QLp.saas-3AL | 2020PX | 3AL | AX-110027317 (649937635) | AX-111628960 (653099586) | 3.16 | 5.03 | 3.77 | −0.20 | BMM |
| 2020GH | 3AL | AX-94511878 (663632445) | AX-110378150 (653031240) | 10.60 | 4.43 | 4.44 | −0.19 | BMM | |
| 2021PX | 3AL | AX-109410907 (667677536) | AX-111122851 (664279684) | 3.40 | 4.04 | 3.23 | −0.19 | BMM | |
| 2021GH | 3AL | AX-111696842 (673592990) | AX-109410907 (667677536) | 5.92 | 3.60 | 3.07 | −0.19 | BMM |
Publisher’s Note: MDPI stays neutral with regard to jurisdictional claims in published maps and institutional affiliations. |
© 2021 by the authors. Licensee MDPI, Basel, Switzerland. This article is an open access article distributed under the terms and conditions of the Creative Commons Attribution (CC BY) license (https://creativecommons.org/licenses/by/4.0/).
Share and Cite
Liu, Z.; Wang, Q.; Wan, H.; Yang, F.; Li, S.; Yang, M.; Luo, J.; Zheng, J.; Deng, Q.; Long, H.; et al. Identification and Validation of a Novel Major QTL Controlling Leaf Pubescence in the Chinese Wheat Landrace ‘Baimaomai’. Agronomy 2021, 11, 2237. https://doi.org/10.3390/agronomy11112237
Liu Z, Wang Q, Wan H, Yang F, Li S, Yang M, Luo J, Zheng J, Deng Q, Long H, et al. Identification and Validation of a Novel Major QTL Controlling Leaf Pubescence in the Chinese Wheat Landrace ‘Baimaomai’. Agronomy. 2021; 11(11):2237. https://doi.org/10.3390/agronomy11112237
Chicago/Turabian StyleLiu, Zehou, Qin Wang, Hongshen Wan, Fan Yang, Shizhao Li, Manyu Yang, Jiangtao Luo, Jianmin Zheng, Qingyan Deng, Hai Long, and et al. 2021. "Identification and Validation of a Novel Major QTL Controlling Leaf Pubescence in the Chinese Wheat Landrace ‘Baimaomai’" Agronomy 11, no. 11: 2237. https://doi.org/10.3390/agronomy11112237
APA StyleLiu, Z., Wang, Q., Wan, H., Yang, F., Li, S., Yang, M., Luo, J., Zheng, J., Deng, Q., Long, H., Deng, G., Yang, N., Li, J., & Yang, W. (2021). Identification and Validation of a Novel Major QTL Controlling Leaf Pubescence in the Chinese Wheat Landrace ‘Baimaomai’. Agronomy, 11(11), 2237. https://doi.org/10.3390/agronomy11112237

