Experimental and Simulation Studies of HPAM Microcomposite Structure and Molecular Mechanisms of Action
Abstract
1. Introduction
2. Experimental Program
2.1. Physical Experiments
2.1.1. Experimental Materials
2.1.2. Instruments and Devices
2.1.3. Experimental Methods
2.2. Model Building and Simulation Methods
2.2.1. Model Building
2.2.2. Simulation Methods
3. Results and Discussion
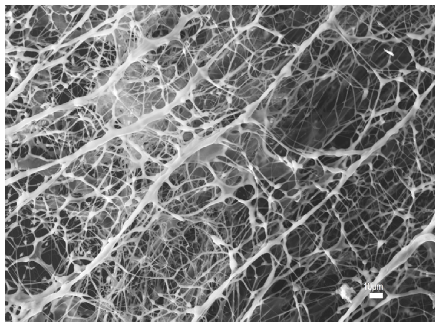
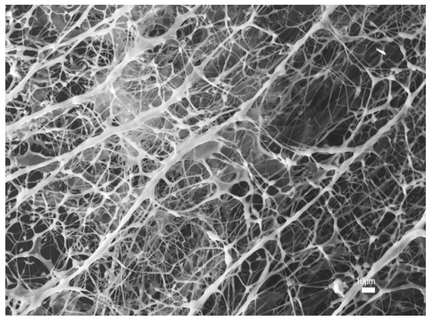
3.1. Effect of HPAM Concentration on Microstructure
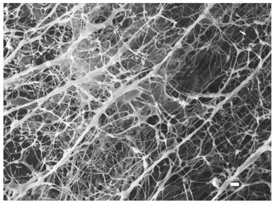
3.2. Effect of Anionic Surfactant (C14–LAS) Concentration on Polymer Structure
3.3. Effect of Alkali/Surfactant on Polymer Microstructure
3.3.1. Effect of Crystallization
3.3.2. Molecular Dynamics Analysis of Ternary Systems
4. Conclusions
4.1. Results
4.2. Limitations of the Study
4.3. Future Research Directions
Author Contributions
Funding
Data Availability Statement
Acknowledgments
Conflicts of Interest
Nomenclature
| ASP | Alkali-Surfactant-Polymer | NPT | Isothermal-Isobaric Ensemble |
| Å | Ångström | NVT | Canonical Ensemble |
| AC | Amorphous Cell | PAM | Polyacrylamide |
| BSE | Backscattered Electron | PBC(s) | Periodic Boundary Conditions |
| C14–LAS | C14-Linear Alkylbenzene Sulfonate | PEI | Polyethyleneimine |
| COMPASS III | Condensed-phase Optimized Molecular Potentials for Atomistic Simulation Studies (version III) | RDF | Radial Distribution Function |
| EOR | Enhanced oil recovery | SE | Secondary Electron (imaging) |
| HPAM | Partially hydrolyzed polyacrylamide | SEM | Scanning Electron Microscopy |
| H-bond/HBond | Hydrogen bond | SP | Surfactant-Polymer |
| MD | Molecular Dynamics | SPC | Simple Point Charge (water model) |
| NaOH | Sodium Hydroxide | TEM | Transmission Electron Microscopy |
| NMR | Nuclear Magnetic Resonance | wt% a.i. | weight percent active ingredient |
References
- Liu, Z.-X.; Liang, Y.; Wang, Q.; Guo, Y.-J.; Gao, M.; Wang, Z.-B.; Liu, W.-L. Status and progress of worldwide EOR field applications. J. Pet. Sci. Eng. 2020, 193, 107449. [Google Scholar] [CrossRef]
- Wen, Z.; Wang, J.; Wang, Z.; He, Z.; Song, C.; Chen, R.; Liu, X.; Ji, T.; Li, Z. Analysis of the current status of global oil, gas, and associated resources exploration in 2023. Pet. Explor. Dev. 2024, 51, 1465–1479. [Google Scholar] [CrossRef]
- Wen, Z.; Wang, J.; Wang, Z.; He, Z.; Song, C.; Liu, X.; Zhang, N.; Ji, T. Analysis of the world deepwater oil and gas exploration situation. Pet. Explor. Dev. 2023, 50, 1060–1076. [Google Scholar] [CrossRef]
- Jiang, H.; Yang, H.; Zhang, X.; Kang, W.; Wang, R.; Li, H.; Zhang, S.; Chen, X.; Peng, L.; Shi, H.; et al. Advances of polymer microsphere and its application in porous media for enhanced oil recovery. Adv. Colloid Interface Sci. 2025, 346, 103687. [Google Scholar] [CrossRef]
- Zhang, J.; Tan, H.-G.; Zhang, T.; Gao, Y.-Q.; Cheng, H.-B.; Li, H.-Y.; Zhu, D.-Y. New injection method using composite gel system and gel breaker to improve sweep efficiency and mitigate formation damage. Pet. Sci. 2025; in press. [Google Scholar] [CrossRef]
- Beteta, A.; Sorbie, K.; Skauge, A.; Skauge, T. Viscous crossflow as the mechanism for polymer enhanced oil recovery in viscous oils: Evidence of crossflow between bypassed oil and viscous fingers. Geoenergy Sci. Eng. 2025, 253, 213968. [Google Scholar] [CrossRef]
- Gazem, A.; Krishna, S.; Al-Yaseri, A. Polymer formulations with binary biosurfactants and zinc oxide nanoparticles for enhanced oil recovery. Fuel 2025, 400, 135733. [Google Scholar] [CrossRef]
- Ji, B.; Xu, T.; Gao, X.; Yu, H.; Liu, H. Production evolution patterns and development stage division of waterflooding oilfields. Pet. Explor. Dev. 2023, 50, 433–441. [Google Scholar] [CrossRef]
- Yuan, S.; Han, H.; Wang, H.; Luo, J.; Wang, Q.; Lei, Z.; Xi, C.; Li, J. Research progress and potential of new enhanced oil recovery methods in oilfield development. Pet. Explor. Dev. 2024, 51, 963–980. [Google Scholar] [CrossRef]
- Wang, Z.; Wang, T.; Liu, H.; Li, N.; Zhu, G.; Guo, P. Experimental study of the development mode of gas-cap edge-water reservoir: A case study of Khasib reservoir of Halfaya oilfield in Iraq. Pet. Explor. Dev. 2022, 49, 625–635. [Google Scholar] [CrossRef]
- Cao, R.; Jia, Z.; Cheng, L.; Wang, Z.; Ye, T.; Rui, Z. Using high-intensity water flooding relative permeability curve for predicting mature oilfield performance after long-term water flooding in order to realize sustainable development. J. Pet. Sci. Eng. 2022, 215, 110629. [Google Scholar] [CrossRef]
- Ju, Y.; Hou, X.; Zou, C.; Yang, Z.; Wei, Q.; Lyu, Q.; Tao, L.; Qiao, P.; Xiao, L.; Wang, P.; et al. Conventional-unconventional energy and mineral resources coexisting systems of cratonic basins in China. Renew. Sustain. Energy Rev. 2026, 226, 116423. [Google Scholar] [CrossRef]
- Liu, H.; Osipov, Y.; Yuan, Z.; Xu, S.; Gomes, J.C.; Chen, Z. A Novel Injectivity Decline Prediction Model for Waterflooding with Analytical Solutions and Field Applications. Petroleum, 2025; in press. [Google Scholar] [CrossRef]
- Golab, E.G.; Ghamarpoor, R.; Kondori, F.J.; Hosseini, S.; Al-Saedi, H.N. Synthesis of hydrophobic polymeric surfactant (Polyacrylamide/Zwitterionic) and its effect on enhanced oil recovery (EOR). Chem. Phys. Impact 2024, 9, 100756. [Google Scholar] [CrossRef]
- Bind, S.; Puerto, M.; Alhouli, Y.; Ogunsola, S.; Salazar, A.S.S.; Song, T.; Xiao, J.; Wang, W.; Biswal, S.L. Impact of brine composition on the rheological behavior and adsorption characteristics of partially hydrolyzed polyacrylamide (HPAM) solutions on sandstone rock. Colloids Surf. A Physicochem. Eng. Asp. 2025, 727, 138063. [Google Scholar] [CrossRef]
- Deng, J.; Gu, Z.; Zhang, X.; Tong, Y.; Zhao, X.; Meng, F.; Wang, Z.; Liu, H.; Li, G. Ultrasonic assisted surfactant/HPAM synergistic purification of highly emulsified oilfield produced water. J. Environ. Chem. Eng. 2025, 13, 119487. [Google Scholar] [CrossRef]
- Cancela, B.R.; Palermo, L.C.M.; de Oliveira, P.F.; Mansur, C.R.E. Rheological study of polymeric fluids based on HPAM and fillers for application in EOR. Fuel 2022, 330, 125647. [Google Scholar] [CrossRef]
- Bourkaib, K.; Hadjsadok, A.; Djedri, S. Synergistic Effect of Opuntia ficus-indica Cladode mucilage on Physicochemical and Rheological properties of HPAM polymer solutions for EOR Application. Colloids Surf. A Physicochem. Eng. Asp. 2024, 691, 133794. [Google Scholar] [CrossRef]
- Tyagi, A.; Mahajan, S.; Prajapat, G.; Shivnani, B.; Sawant, D.M.; Agrawal, A. A comprehensive review of polymers and their derivatives for enhanced oil recovery. J. Environ. Chem. Eng. 2025, 13, 117601. [Google Scholar] [CrossRef]
- Tao, L.; Wu, M.; Zhang, N.; Shi, W.; Bai, J.; Xu, Z.; Zhu, Q.; Song, Y.; Cao, L. Investigation on EOR by composite surfactant-polymer (SP) flooding and streamline adjustment through well pattern encryption: A case study of Shengli’s strong heterogeneous reservoir. Fuel 2025, 385, 134189. [Google Scholar] [CrossRef]
- Gang, H.-Z.; Chen, Q.-Q.; Su, Z.-Q.; Chen, C.; Yang, S.-Z.; Li, Y.-C.; Mu, B.-Z. Microscopic displacement features of polymeric surfactant flooding: A microfluidic study. Polymer 2025, 334, 128744. [Google Scholar] [CrossRef]
- Dafaalla, M.; Sahib Azad, M.; Ayirala, S.; Alotaibi, M.; Fahmi, M.; Saleh, S.; Al Shehri, D.; Mahmoud, M. Potential of polymer’s viscosity and viscoelasticity for accessible oil recovery during low salinity polymer flooding in heterogeneous carbonates. Fuel 2025, 379, 133008. [Google Scholar] [CrossRef]
- Gong, S.; Sun, L.; Xu, D.; Li, Q.; An, S.; Hu, M.; Yan, F. Preparation and demulsification performance study of polyethylenimine polyether demulsifiers for surfactant-polymer flooding produced water. Colloids Surf. A Physicochem. Eng. Asp. 2025, 719, 136959. [Google Scholar] [CrossRef]
- Huang, B.; Chen, H.; Huang, K.; Zhang, W.; Fu, C. Study on the coalescence characteristics of oil droplets and molecular mechanism of oil film drainage in alkali-surfactant-polymer flooding produced water. Process Saf. Environ. Prot. 2025, 203, 107772. [Google Scholar] [CrossRef]
- Li, Z.; Zhou, B.; Lu, Y.; Yang, H.; Jiang, H.; Kang, W.; Xing, Y.; Gui, X. Advances of self-assembly behaviors in polymer systems for improved oil recovery (IOR) in unconventional reservoirs. Adv. Colloid Interface Sci. 2025, 345, 103622. [Google Scholar] [CrossRef] [PubMed]
- Li, G.; Zhou, Z.; Fan, J.; Zhang, F.; Zhao, J.; Zhang, Z.; Ding, W.; Zhang, L.; Zhang, L. Study on Microscopic Oil Displacement Mechanism of Alkaline–Surfactant–Polymer Ternary Flooding. Materials 2024, 17, 4457. [Google Scholar] [CrossRef]
- Mohsenatabar Firozjaii, A.; Saghafi, H.R. Review on chemical enhanced oil recovery using polymer flooding: Fundamentals, experimental and numerical simulation. Petroleum 2020, 6, 115–122. [Google Scholar] [CrossRef]
- Cao, Z.; Yan, J.; Miao, J.; Wang, J.; Wang, Z.; Zhang, L. Synthesis and evaluation of Gemini surfactant-polymer copolymers as viscosity reducer for enhancing heavy oil recovery. Chem. Eng. J. 2025, 521, 166868. [Google Scholar] [CrossRef]
- Pu, W.; Wu, T.; Zhao, J.; Gao, H.; He, M.; He, Y.; Chen, Y.; Zhu, Y. Nano-structure of hydrolyzed polyacrylamide strengthened ultra stable nitrogen foam: Lab experiments and molecular dynamics simulation. J. Mol. Liq. 2024, 396, 124103. [Google Scholar] [CrossRef]
- Almeida, A.I.A.d.R.; Carvalho, L.d.O.; Lopes, R.C.F.G.; Sena, L.E.B.; do Amparo, S.Z.S.; de Oliveira, C.P.M.; Calado, H.D.R.; Silva, G.G.; de Vasconcelos, C.K.B.; Viana, M.M. Enhanced polyacrylamide polymer hydrogels using nanomaterials for water shutoff: Morphology, thermal and rheological investigations at high temperatures and salinity. J. Mol. Liq. 2024, 405, 125041. [Google Scholar] [CrossRef]
- Hou, J.; Liu, Y.; Wei, B.; Cao, X.; Sun, J.; Du, Q.; Song, K.; Yuan, F.; Sun, P.; Ji, Y.; et al. Capsule polymer flooding for enhanced oil recovery. Pet. Explor. Dev. 2024, 51, 1261–1270. [Google Scholar] [CrossRef]
- Chen, W.; Jiang, G.; Cao, R.; Yan, W.; Yang, E.; Han, P. Experimental study of in situ-formed middle-phase microemulsion flooding for enhanced oil recovery after polymer flooding. Chem. Eng. Sci. 2026, 320, 122601. [Google Scholar] [CrossRef]
- Yan, K.; Han, P.; Xie, K.; Meng, L.; Cao, W.; Cao, R.; Zhang, T.; Li, X.; Li, S. Identification and characterization of dominant seepage channels in oil reservoirs after polymer flooding based on streamline numerical simulation. Alex. Eng. J. 2024, 106, 704–720. [Google Scholar] [CrossRef]
- Zhou, W.; Liu, C.; Wang, D.; Wang, B.; Qu, Y. The Influence of Water-Polymer Co-Flooding on the Development Effect of Oil Reservoirs. Energy Eng. 2025, 122, 2337–2354. [Google Scholar] [CrossRef]
- Olabode, O.; Oni, B.; Dike, H.; Akinsanya, O.; Ajidahun, J.; Olaniyan, D. Investigating the effect of salt concentration on oil recovery during guar gum polymer flooding: A simulation study. Results Eng. 2024, 22, 102269. [Google Scholar] [CrossRef]
- de Aguiar, K.L.N.P.; de Oliveira, P.F.; Mansur, C.R.E. A comprehensive review of in situ polymer hydrogels for conformance control of oil reservoirs. Oil Gas Sci. Technol.–Rev. D’ifp Energ. Nouv. 2020, 75, 8. [Google Scholar] [CrossRef]
- Yunusov, T.; Scerbacova, A.; Mukhametdinova, A.; Bakulin, D.; Cheremisin, A. Investigation of alkyl ether carboxylate surfactant flooding efficiency in carbonate reservoirs using NMR and X-ray in situ saturation monitoring techniques. Fuel 2025, 400, 135820. [Google Scholar] [CrossRef]
- Ilavya, A.; Rathwa, P.; Paine, S.; Makwana, M.; Bera, A. Gelation studies of nanographene oxide-augmented nanocomposite polymer gel systems for water shutoff technique in oil reservoirs. J. Mol. Liq. 2025, 421, 126928. [Google Scholar] [CrossRef]
- Wang, K.; Wen, J.; Zhang, S.; Yang, L.; Yang, H.; Yu, X.; Zhang, H. Magnetic polyacrylamide-based gel with tunable structure and properties and its significance in conformance control of oil reservoirs. Colloids Surf. A Physicochem. Eng. Asp. 2024, 702, 135093. [Google Scholar] [CrossRef]
- Zheng, H.; Wei, N.; Guo, B.; Wang, J.; Xu, H. Synergistic inhibition of methane hydrate formation by water-soluble polymers and salt ions: Insights from experiments and molecular dynamics. J. Mol. Liq. 2025, 434, 128006. [Google Scholar] [CrossRef]
- Jiang, W.; Hou, Z.; Wu, X.; Gai, J.; Zheng, L.; Wang, Y.; Nie, C.; Lu, S.; Su, X.; Zhou, J.; et al. Frontier advances in molecular dynamics simulations for the design and optimization of oil-displacement polymers. RSC Adv. 2025, 15, 18836–18864. [Google Scholar] [CrossRef]
- Xu, J.; Yuan, Y.; Feng, Z.; Liu, F.; Zhang, Z. Molecular dynamics simulation of adsorption and diffusion of partially hydrolyzed polyacrylamide on kaolinite surface. J. Mol. Liq. 2022, 367, 120377. [Google Scholar] [CrossRef]
- Quezada, G.R.; Rozas, R.E.; Toledo, P.G. Polyacrylamide adsorption on (101) quartz surfaces in saltwater for a range of pH values by molecular dynamics simulations. Miner. Eng. 2021, 162, 106741. [Google Scholar] [CrossRef]
- Zhang, L.; Wang, F.; Zhang, D.; Xu, J.; Wu, X.; Deng, S. Systematic exploration of the interactions between anionic polyacrylamide and manganese peroxidase based on docking and molecular dynamics simulations. Catal. Commun. 2023, 183, 106758. [Google Scholar] [CrossRef]
- Du, Y.; Zhu, Y.; Ji, Y.; Xu, H.; Zhang, H.; Yuan, S. Effect of salt-resistant monomers on viscosity of modified polymers based on the hydrolyzed poly-acrylamide (HPAM): A molecular dynamics study. J. Mol. Liq. 2021, 325, 115161. [Google Scholar] [CrossRef]
- Wei, N.; Zheng, H.; Guo, B.; Xu, H.; Wang, J. Water-soluble polymers inhibit methane hydrate formation: A molecular dynamics simulation study. Fuel 2025, 397, 135404. [Google Scholar] [CrossRef]
- Singh, S.K.; Chaurasia, A.; Verma, A. Basics of density functional theory, molecular dynamics, and monte carlo simulation techniques in materials science. In Coating Materials: Computational Aspects, Applications and Challenges; Springer: Berlin/Heidelberg, Germany, 2023; pp. 111–124. [Google Scholar]
- Donglei, L.; Haizhen, Z.; Kun, F.; Chuanliang, C. A study of viscoelastic model of polymers in shear flow based on molecular dynamic simulations. Mater. Sci. 2021, 27, 431–436. [Google Scholar] [CrossRef]
- Tang, Q.; Guan, Y.; Tan, L.; Zeng, C.; Shen, J. BN/PSZ composite polymer: A molecular dynamics study and experimental characterization. Comput. Mater. Sci. 2025, 253, 113820. [Google Scholar] [CrossRef]
- Kim, S.; Kim, H.; Oh, J.; Choi, J. Chirality-dependent interfacial energy dissipation in graphene-reinforced polymer nanocomposites: A molecular dynamics study. Surf. Interfaces 2025, 75, 107763. [Google Scholar] [CrossRef]
- Xu, D.; Luo, C. Length Dependent Crystallization of Linear Polymers under Different Cooling Rates: Molecular Dynamics Simulations. Comput. Mater. Contin. 2025, 85, 2807–2818. [Google Scholar] [CrossRef]
- Kiyingi, W.; Guo, J.-X.; Xiong, R.-Y.; Gao, C.-H. Molecular dynamics insights into wax formation—How polymeric inhibitors shape crude oil flow. Pet. Sci. 2025, 22, 2233–2245. [Google Scholar] [CrossRef]
- Khatouri, M.; Ahfir, R.; Talha, L.; Arbia, A.; Basbassi, Z.; Elhajjam, R.; El Khaoui, S.; Naji, M.; Lemziouka, H.; Filali, M. Molecular dynamics investigation of oil/water microemulsions with telechelic polymer: Interaction properties and sol/gel transitions. J. Mol. Liq. 2025, 428, 127565. [Google Scholar] [CrossRef]
- Yan, J.; Guo, C.; Hu, G.; Ma, X.; Li, J.; Tian, X.; Tian, L.; Guo, J.; Cui, H.; Liu, Z.; et al. Molecular mechanisms of asphaltene dispersion by acrylamide-based polymers: A combined study of molecular dynamics simulations, geometric analysis, and density functional theory calculations. Results Eng. 2025, 27, 105666. [Google Scholar] [CrossRef]
- Hue, K.Y.; Damasceno, D.A.; Maung Maung, M.T.; Luckham, P.F.; Matar, O.K.; Müller, E.A. Atomistic molecular dynamics simulations of the tensile strength properties of polymer-calcite systems. Comput. Mater. Sci. 2025, 253, 113866. [Google Scholar] [CrossRef]
- Yang, Y.; Ma, Z.; Xia, F.; Li, X. Adsorption behavior of oil-displacing surfactant at oil/water interface: Molecular simulation and experimental. J. Water Process Eng. 2020, 36, 101292. [Google Scholar] [CrossRef]
- Chen, X.; Gao, Y.; Wang, Y.; Zhang, T.; Peng, Y. A study on the emulsification ability and oil displacement efficiency of polymeric surfactant in porous media. Colloids Surf. A Physicochem. Eng. Asp. 2024, 700, 134690. [Google Scholar] [CrossRef]
- Shao, Z.; Wang, J.; Lv, K.; Liao, B.; Wang, Z.; Bai, Y.; Wang, R.; Sun, J. Experimental and molecular dynamics studies of zwitterionic inhibitors of methane hydrate dissociation. Fuel 2022, 318, 123059. [Google Scholar] [CrossRef]
- Dai, C.; Hu, Y.; Wu, Y.; Zhao, M.; Yue, T. Effects of structural properties of alcohol molecules on decomposition of natural gas hydrates: A molecular dynamics study. Fuel 2020, 268, 117322. [Google Scholar] [CrossRef]
- Wu, Y.; He, Y.; Tang, T.; Zhai, M. Molecular dynamic simulations of methane hydrate formation between solid surfaces: Implications for methane storage. Energy 2023, 262, 125511. [Google Scholar] [CrossRef]
- Tan, F.-Q.; Ma, C.-M.; Qin, J.-H.; Li, X.-K.; Liu, W.-T. Factors influencing oil recovery by surfactant–polymer flooding in conglomerate reservoirs and its quantitative calculation method. Pet. Sci. 2022, 19, 1198–1210. [Google Scholar] [CrossRef]
- Lew, J.H.; Matar, O.K.; Müller, E.A.; Santos, A.S.; Maung Maung, M.T.; Luckham, P.F. Consolidation of carbonates using hydrolysed polyacrylamide: Effect of temperature, pressure, salinity, and nanoparticle crosslinking. JCIS Open 2025, 18, 100135. [Google Scholar] [CrossRef]
- Li, M.-Y.; Yin, Q.; Li, B.; Cao, R.-B.; Zhang, Y.; Zhao, X.-Z.; Feng, Y.-J. Enhanced oil recovery with a thermo-thickening viscoelastic surfactant: A comparison with polymer. Pet. Sci. 2025; in press. [Google Scholar] [CrossRef]
- Lashari, N.; Ganat, T.; Otchere, D.; Kalam, S.; Ali, I. Navigating viscosity of GO-SiO2/HPAM composite using response surface methodology and supervised machine learning models. J. Pet. Sci. Eng. 2021, 205, 108800. [Google Scholar] [CrossRef]
- Tran, E.; Clarke, A. The relaxation time of entangled HPAM solutions in flow. J. Non-Newton. Fluid Mech. 2023, 311, 104954. [Google Scholar] [CrossRef]
- Bersenev, E.A.; Matthews, L.; Rein, V.; Fong, R.J.; Konovalov, O.V.; Briscoe, W.H. Balance of hydrophobic and electrostatic interaction of polymers and surfactants: Case of anionic surfactant and hydrophobically modified polymer. J. Colloid Interface Sci. 2025, 693, 137572. [Google Scholar] [CrossRef]
- Tsui, H.-W.; Wang, M.-R.; Yen, H.-Y.; Chen, L.-J. Effects of the polymer molecular weight and surfactant tail length on the viscosity and oppositely charged polymer/surfactant complexation mechanism. Colloids Surf. A Physicochem. Eng. Asp. 2026, 728, 138605. [Google Scholar] [CrossRef]
- Vaganov, R.A.; Zhigarev, V.A.; Pryazhnikov, M.I.; Shebeleva, A.A.; Nemtsev, I.V.; Minakov, A.V. Improving the efficiency of surfactant and polymer solutions by modifying them with nanoparticle additives to increase oil recovery. Chem. Eng. Sci. 2026, 321, 122732. [Google Scholar] [CrossRef]
- Halthur, T.; Carlstedt, J. Polymer–surfactant interactions and compatibility for ionic surfactants combined with hydrophilic polymers: Stability and miscibility vs. segregative or associative phase separation and deposition. Curr. Opin. Colloid Interface Sci. 2025, 76, 101894. [Google Scholar] [CrossRef]
- Liang, L.; Meng, S.; Wang, Z.; Tao, J.; Gong, C.; Hai, Y.; Wang, X. Experimental Study on the Key Influencing Factors and Patterns of Emulsion Stability During ASP Flooding. In Proceedings of the SPE/IATMI Asia Pacific Oil & Gas Conference and Exhibition, Jakarta, Indonesia, 14–16 October 2025. [Google Scholar]










| Mineral Ions | Na+ | Ca2+ | Mg2+ | HCO3− | Cl− | SO42− | CO32− |
|---|---|---|---|---|---|---|---|
| Concentration (mg/L) | 1277.22 | 31.92 | 7.35 | 1705.62 | 798.29 | 9.65 | 210.07 |
| Number | Polymer (25 Million Molecular Weight HPAM Dry Powder) | Surfactant (C14–LAS) | Alkali (NaOH) |
|---|---|---|---|
| 1 | 1000 mg/L | -- | -- |
| 2 | 1500 mg/L | -- | -- |
| 3 | 1800 mg/L | -- | -- |
| 4 | 1800 mg/L | 0.6 wt% a.i. | -- |
| 5 | 1800 mg/L | 0.3 wt% a.i. | -- |
| 6 | 1500 mg/L | 0.5 wt% a.i. | -- |
| 7 | 1800 mg/L | 0.3 wt% a.i. | 0.2 wt% a.i. |
| 8 | 1800 mg/L | -- | 0.3 wt% a.i. |
| 9 | 1800 mg/L | 0.2 wt% a.i. | 0.3 wt% a.i. |
| 10 | 1800 mg/L | 0.4 wt% a.i. | 0.3 wt% a.i. |
| 11 | 1800 mg/L | 0.6 wt% a.i. | 0.3 wt% a.i. |
| 12 | 1800 mg/L | 0.8 wt% a.i. | 0.3 wt% a.i. |
| 13 | 1800 mg/L | 1.0 wt% a.i. | 0.3 wt% a.i. |
| 14 | 1800 mg/L | 1.2 wt% a.i. | 0.3 wt% a.i. |
| Study (Ref.) | System & Scope | Methods/Scale | Key Result | Main Limitation vs. Present Aims |
|---|---|---|---|---|
| Li et al. [25] | Polymer systems; evaluation of polymer with alkali and surfactant (ASP) | Macro-scale tests and modeling | Enhanced viscoelasticity and interfacial activity; ASP performance assessed | Composite-network microstructure not quantified; no experiment-simulation linkage |
| Li et al. [26] | ASP flooding; visual micromodels | Pore-scale visualization | ASP synergy; recovery improvement reported | Molecular-level interactions within the polymer network unresolved; no SEM and BSE-MD integration |
| Firozjaii et al. [27] | Review of polymer flooding | Literature synthesis (reservoir and core scales emphasized) | Field-relevant progress summarized | Microscopic mechanisms underanalyzed; no transferable microstructure-mechanism map |
| Cao et al. [28] | Asphaltene-polymer interactions | MD (molecular dynamics) | Viscosity-reduction mechanisms discussed | Not a multivariable composite; lacks linkage to electron-microscopy network evidence |
| Pu et al. [29] | HPAM-stabilized N2 foams | Nanostructural observations | Improved sweep with HPAM-stabilized foams | Limited quantitative metrics for network morphology; molecular causality not established |
| Almeida et al. [30] | PAM and PEI hydrogels | TEM and SEM morphology; property tests | Thermal and mechanical enhancements | Different material system; lacks molecular-scale quantitative analysis |
| This work | HPAM/C14–LAS/NaOH; SP, ASP and polymer flooding conditions | Integrated SEM and BSE (ambient) + MD (H-bonds, RDF, interaction energies) | Within a single system, SEM and BSE are coupled with MD and cross-validated by morphology and molecular statistics. | Addresses above gaps via cross-validation of morphology and molecular statistics; provides actionable criteria for SP and ASP formulation and operating-window selection |
Disclaimer/Publisher’s Note: The statements, opinions and data contained in all publications are solely those of the individual author(s) and contributor(s) and not of MDPI and/or the editor(s). MDPI and/or the editor(s) disclaim responsibility for any injury to people or property resulting from any ideas, methods, instructions or products referred to in the content. |
© 2025 by the authors. Licensee MDPI, Basel, Switzerland. This article is an open access article distributed under the terms and conditions of the Creative Commons Attribution (CC BY) license (https://creativecommons.org/licenses/by/4.0/).
Share and Cite
Sun, X.; Guo, Q.; Wang, Y.; Xu, C.; Ma, W.; Liu, T.; Cao, Y.; Song, M. Experimental and Simulation Studies of HPAM Microcomposite Structure and Molecular Mechanisms of Action. Polymers 2025, 17, 3005. https://doi.org/10.3390/polym17223005
Sun X, Guo Q, Wang Y, Xu C, Ma W, Liu T, Cao Y, Song M. Experimental and Simulation Studies of HPAM Microcomposite Structure and Molecular Mechanisms of Action. Polymers. 2025; 17(22):3005. https://doi.org/10.3390/polym17223005
Chicago/Turabian StyleSun, Xianda, Qiansong Guo, Yuchen Wang, Chengwu Xu, Wenjun Ma, Tao Liu, Yangdong Cao, and Mingming Song. 2025. "Experimental and Simulation Studies of HPAM Microcomposite Structure and Molecular Mechanisms of Action" Polymers 17, no. 22: 3005. https://doi.org/10.3390/polym17223005
APA StyleSun, X., Guo, Q., Wang, Y., Xu, C., Ma, W., Liu, T., Cao, Y., & Song, M. (2025). Experimental and Simulation Studies of HPAM Microcomposite Structure and Molecular Mechanisms of Action. Polymers, 17(22), 3005. https://doi.org/10.3390/polym17223005

