Bio-Microcapsules of Polybutylene Succinate (PBS) and Isocyanates: Towards Sustainable, Safer, and Efficient Adhesives
Abstract
1. Introduction
2. Materials and Methods
2.1. Materials
2.2. Production of Bio-Microcapsules (Bio-MCs) of PBS Loaded with Isocyanates
2.3. Characterisation of the Microcapsules
2.4. Behaviour of MCs over Time and Dispersed in Solvents
2.5. Production and Characterisation of the Adhesive Joints
3. Results and Discussion
3.1. Study of the Impact of the Production Parameters on Bio-PBS MC Production
3.1.1. Changing the Amount of PVA
3.1.2. Changing the Amount of Isocyanate
3.2. Production of Microcapsules with Different Aliphatic Isocyanates (HDI-Monomer, HDI-Trimer, and HDI-Polymer)
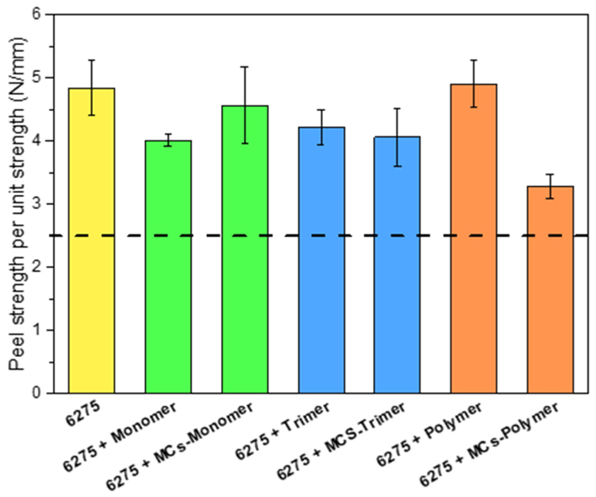
3.3. Adhesive Joint Characterisation
4. Conclusions
Supplementary Materials
Author Contributions
Funding
Institutional Review Board Statement
Data Availability Statement
Acknowledgments
Conflicts of Interest
References
- Szycher’s Handbook of Polyurethanes; CRC Press: Boca Raton, FL, USA, 2012.
- Gama, N.V.; Ferreira, A.; Barros-Timmons, A. Polyurethane Foams: Past, Present, and Future. Materials 2018, 11, 1841. [Google Scholar] [CrossRef] [PubMed]
- Golling, F.E.; Pires, R.; Hecking, A.; Weikard, J.; Richter, F.; Danielmeier, K.; Dijkstra, D. Polyurethanes for coatings and adhesives–chemistry and applications. Polym. Int. 2019, 68, 848–855. [Google Scholar] [CrossRef]
- Staikos, T.; Rahimifard, S. An End-of-Life Decision Support Tool for Product Recovery Considerations in the Footwear Industry. Int. J. Comput. Integr. Manuf. 2007, 20, 602–615. [Google Scholar] [CrossRef]
- Paiva, R.M.; Marques, E.A.; da Silva, L.F.; Vaz, M.A. Importance of the surface treatment in the peeling strength of joints for the shoes industry. Appl. Adhes. Sci. 2013, 1, 5. [Google Scholar] [CrossRef]
- Paiva, R.M.; Marques, E.A.; da Silva, L.F.; António, C.A.; Arán-Ais, F. Adhesives in the footwear industry. Proc. Inst. Mech. Eng. Part L J. Mater. Des. Appl. 2016, 230, 357–374. [Google Scholar] [CrossRef]
- Available online: https://www.cdc.gov/niosh/npg/npgd0320.html (accessed on 17 September 2024).
- Wexler, P.; Anderson, B.D. Encyclopedia of Toxicology; Academic Press: Cambridge, MA, USA, 2005; Volume 1. [Google Scholar]
- Baur, X.; Marek, W.; Ammon, J.; Czuppon, A.B.; Marczynski, B.; Raulf-Heimsoth, M.; Roemmelt, H.; Fruhmann, G. Respiratory and other hazards of isocyanates. Int. Arch. Occup. Environ. Health 1994, 66, 141–152. [Google Scholar] [CrossRef]
- Commission Regulation (EU) 2020/1149 of 3 August 2020 amending Annex XVII to Regulation (EC) No 1907/2006 of the European Parliament and of the Council concerning the Registration, Evaluation, Authorisation and Restriction of Chemicals (REACH) as regards diisocyanates (Text with EEA relevance). Off. J. Eur. Union 2020, 252, 24–27. Available online: https://eur-lex.europa.eu/eli/reg/2020/1149/oj (accessed on 6 January 2025).
- Mishra, M. Handbook of Encapsulation and Controlled Release; CRC Press: Boca Raton, FL, USA, 2015. [Google Scholar]
- Sultana, A.; Miyamoto, A.; Lan Hy, Q.; Tanaka, Y.; Fushimi, Y.; Yoshii, H. Microencapsulation of flavors by spray drying using Saccharomyces cerevisiae. J. Food Eng. 2017, 199, 36–41. [Google Scholar] [CrossRef]
- Kim, G.-Y.; Lee, J.; Lim, S.; Kang, H.; Ahn, S.-I.; Jhoo, J.-W.; Ra, C.-S. Microencapsulation of Caramel Flavor and Properties of Ready-to-drink Milk Beverages Supplemented with Coffee Containing These Microcapsules. Food Sci. Anim. Resour. 2019, 39, 780–791. [Google Scholar] [CrossRef]
- Yao, M.; Xie, J.; Du, H.; McClements, D.J.; Xiao, H.; Li, L. Progress in microencapsulation of probiotics: A review. Compr. Rev. Food Sci. Food Saf. 2020, 19, 857–874. [Google Scholar] [CrossRef]
- Rodrigues, S.N.; Martins, I.M.; Fernandes, I.P.; Gomes, P.B.; Mata, V.G.; Barreiro, M.F.; Rodrigues, A.E. Scentfashion®: Microencapsulated perfumes for textile application. Chem. Eng. J. 2009, 149, 463–472. [Google Scholar] [CrossRef]
- Tekin, R.; Bac, N.; Erdogmus, H. Microencapsulation of fragrance and natural volatile oils for application in cosmetics, and household cleaning products. Macromol. Symp. 2013, 333, 35–40. [Google Scholar] [CrossRef]
- Fei, X.; Zhao, H.; Zhang, B.; Cao, L.; Yu, M.; Zhou, J.; Yu, L. Microencapsulation mechanism and size control of fragrance microcapsules with melamine resin shell. Colloids Surf. A Physicochem. Eng. Asp. 2015, 469, 300–306. [Google Scholar] [CrossRef]
- Bruyninckx, K.; Dusselier, M. Sustainable Chemistry Considerations for the Encapsulation of Volatile Compounds in Laundry-Type Applications. ACS Sustain. Chem. Eng. 2019, 7, 8041–8054. [Google Scholar] [CrossRef]
- Freiberg, S.; Zhu, X.X. Polymer microspheres for controlled drug release. Int. J. Pharm. 2004, 282, 1–18. [Google Scholar] [CrossRef]
- Ma, G. Microencapsulation of protein drugs for drug delivery: Strategy, preparation, and applications. J. Control. Release 2014, 193, 324–340. [Google Scholar] [CrossRef]
- Wang, W.; Liu, X.; Xie, Y.; Yu, W.; Xiong, Y.; Xie, W.; Ma, X. Microencapsulation using natural polysaccharides for drug delivery and cell implantation. J. Mater. Chem. 2006, 16, 3252–3267. [Google Scholar] [CrossRef]
- Zhong, F.; Yang, C.; Wu, Q.; Wang, S.; Cheng, L.; Dwivedi, P.; Zhu, Z.; Si, T.; Xu, R.X. Preparation of pesticide-loaded microcapsules by liquid-driven coaxial flow focusing for controlled release. Int. J. Polym. Mater. Polym. Biomater. 2020, 69, 840–847. [Google Scholar] [CrossRef]
- Li, L.; Cen, J.; Huang, L.; Luo, L.; Jiang, G. Fabrication of a dual pH-responsive and photothermal microcapsule pesticide delivery system for controlled release of pesticides. Pest Manag. Sci. 2023, 79, 969–979. [Google Scholar] [CrossRef]
- Maruyama, T.; Ishibashi, Y.; Sano, M.; Taguchi, Y. Preparation and characterization of pesticide Fosthiazate-loaded microcapsules for controlled release system. Polym. Adv. Technol. 2023, 34, 1133–1142. [Google Scholar] [CrossRef]
- Peng, G.; Dou, G.; Hu, Y.; Sun, Y.; Chen, Z. Phase Change Material (PCM) Microcapsules for Thermal Energy Storage. Adv. Polym. Technol. 2020, 2020, 9490873. [Google Scholar] [CrossRef]
- Taguchi, Y.; Yokoyama, H.; Kado, H.; Tanaka, M. Preparation of PCM microcapsules by using oil absorbable polymer particles. Colloids Surf. A Physicochem. Eng. Asp. 2007, 301, 41–47. [Google Scholar] [CrossRef]
- Wang, S.; Lei, K.; Wang, Z.; Wang, H.; Zou, D. Metal-based phase change material (PCM) microcapsules/nanocapsules: Fabrication, thermophysical characterization and application. Chem. Eng. J. 2022, 438, 135559. [Google Scholar] [CrossRef]
- Pesquet, G.; da Silva, L.F.; Sato, C. The use of thermally expandable microcapsules for increasing the toughness and heal structural adhesives. Frat. Integrita Strutt. Struct. Integr. 2011, 5, 18–27. [Google Scholar] [CrossRef]
- Khan, N.I.; Halder, S.; Goyat, M.S. Effect of epoxy resin and hardener containing microcapsules on healing efficiency of epoxy adhesive based metal joints. Mater. Chem. Phys. 2016, 171, 267–275. [Google Scholar] [CrossRef]
- Santos, A.N.B.; Santos, D.J.d.; Carastan, D.J. Microencapsulation of reactive isocyanates for application in self-healing materials: A review. J. Microencapsul. 2021, 38, 338–356. [Google Scholar] [CrossRef]
- Zhang, H.; Cheng, C.; Guo, M. Fabrication of diisocyanate microcapsules for self-healing anti-corrosion coatings via integrating electrospraying and interfacial polymerization. Colloids Surf. A Physicochem. Eng. Asp. 2024, 695, 134247. [Google Scholar] [CrossRef]
- Xiang, G.; Tu, J.; Xu, H.; Ji, J.; Liang, L.; Li, H.; Chen, H.; Tian, J.; Guo, X. Preparation and Self-Healing Application of Isocyanate Prepolymer Microcapsules. Coatings 2022, 12, 166. [Google Scholar] [CrossRef]
- Santos, A.N.B.; Gouveia, J.R.; Garcia, G.E.S.; Antunes, R.A.; dos Santos, D.J.; Carastan, D.J. Self-healing epoxy coatings via microencapsulation of aromatic diisocyanate in lignin stabilized Pickering emulsions. Next Mater. 2024, 3, 100176. [Google Scholar] [CrossRef]
- Ma, Y.; Lv, S.; Yao, X.; Zhang, Y.; Gu, J. Preparation of isocyanate microcapsules as a high-performance adhesive for PLA/WF. Constr. Build. Mater. 2020, 260, 120483. [Google Scholar] [CrossRef]
- Ma, Y.; Zhang, Y.; Liu, X.; Gu, J. Synthesis of isocyanate microcapsules as functional crosslinking agent for wood adhesive. J. Adhes. 2021, 97, 38–52. [Google Scholar] [CrossRef]
- Costa, M.; Pinho, I.; Loureiro, M.V.; Marques, A.C.; Simões, C.L.; Simoes, R. Optimization of a microfluidic process to encapsulate isocyanate for autoreactive and ecological adhesives. Polym. Bull. 2022, 79, 3951–3970. [Google Scholar] [CrossRef]
- Costa, M.; Dias, J.P.; Pinho, I.; Loureiro, M.V.; Marques, A.C.; Simoes, R. Development of a microfluidic device to encapsulate isocyanate for autoreactive and ecological adhesives. IOP Conf. Ser. Mater. Sci. Eng. 2019, 520, 012007. [Google Scholar] [CrossRef]
- Loureiro, M.n.V.; Vale, M.; Galhano, R.; Matos, S.; Bordado, J.C.; Pinho, I.; Marques, A.C. Microencapsulation of isocyanate in biodegradable poly (ε-caprolactone) capsules and application in monocomponent green adhesives. ACS Appl. Polym. Mater. 2020, 2, 4425–4438. [Google Scholar] [CrossRef]
- Aguiar, A.; Loureiro, M.V.; Pinho, I.; Marques, A.C. Efficient encapsulation of isocyanates in PCL/PLA biodegradable microcapsules for adhesives. J. Mater. Sci. 2023, 58, 2249–2267. [Google Scholar] [CrossRef]
- Aguiar, A.; Mariquito, A.; Gonçalves, D.; Pinho, I.; Marques, A.C. Biodegradable Microcapsules of Poly(Butylene Adipate-co-Terephthalate) (PBAT) as Isocyanate Carriers and the Effect of the Process Parameters. Polymers 2023, 15, 665. [Google Scholar] [CrossRef]
- Aliotta, L.; Seggiani, M.; Lazzeri, A.; Gigante, V.; Cinelli, P. A Brief Review of Poly (Butylene Succinate) (PBS) and Its Main Copolymers: Synthesis, Blends, Composites, Biodegradability, and Applications. Polymers 2022, 14, 844. [Google Scholar] [CrossRef]
- Xu, J.; Guo, B.-H. Poly(butylene succinate) and its copolymers: Research, development and industrialization. Biotechnol. J. 2010, 5, 1149–1163. [Google Scholar] [CrossRef]
- Gigli, M.; Fabbri, M.; Lotti, N.; Gamberini, R.; Rimini, B.; Munari, A. Poly(butylene succinate)-based polyesters for biomedical applications: A review. Eur. Polym. J. 2016, 75, 431–460. [Google Scholar] [CrossRef]
- Rafiqah, S.A.; Khalina, A.; Harmaen, A.S.; Tawakkal, I.A.; Zaman, K.; Asim, M.; Nurrazi, M.N.; Lee, C.H. A Review on Properties and Application of Bio-Based Poly(Butylene Succinate). Polymers 2021, 13, 1436. [Google Scholar] [CrossRef]
- Thurber, H.; Curtzwiler, G.W. Suitability of poly(butylene succinate) as a coating for paperboard convenience food packaging. Int. J. Biobased Plast. 2020, 2, 1–12. [Google Scholar] [CrossRef]
- Fredi, G.; Dorigato, A. Recycling of bioplastic waste: A review. Adv. Ind. Eng. Polym. Res. 2021, 4, 159–177. [Google Scholar] [CrossRef]
- Brunner, C.T.; Baran, E.T.; Pinho, E.D.; Reis, R.L.; Neves, N.M. Performance of biodegradable microcapsules of poly(butylene succinate), poly(butylene succinate-co-adipate) and poly(butylene terephthalate-co-adipate) as drug encapsulation systems. Colloids Surf. B Biointerfaces 2011, 84, 498–507. [Google Scholar] [CrossRef] [PubMed]
- Mohanraj, K.; Sethuraman, S.; Krishnan, U.M. Development of poly(butylene succinate) microspheres for delivery of levodopa in the treatment of Parkinson’s disease. J. Biomed. Mater. Res. Part B Appl. Biomater. 2013, 101B, 840–847. [Google Scholar] [CrossRef]
- Park, S.-J.; Lee, Y.-M.; Hong, S.-K. Release behaviors of porous poly(butylene succinate)/poly(ɛ-caprolactone) microcapsules containing indomethacin. Colloids Surf. B Biointerfaces 2006, 47, 211–215. [Google Scholar] [CrossRef]
- Murase, S.K.; Aymat, M.; Calvet, A.; del Valle, L.J.; Puiggalí, J. Electrosprayed poly(butylene succinate) microspheres loaded with indole derivatives: A system with anticancer activity. Eur. Polym. J. 2015, 71, 196–209. [Google Scholar] [CrossRef]
- Liu, Y.; Guo, B. Preparation and characterisation of poly (butylene succinate) microcarriers containing pesticide. Micro Nano Lett. 2019, 14, 81–85. [Google Scholar] [CrossRef]
- Wang, Y.; Li, C.; Wang, Y.; Zhang, Y.; Li, X. Compound pesticide controlled release system based on the mixture of poly(butylene succinate) and PLA. J. Microencapsul. 2018, 35, 494–503. [Google Scholar] [CrossRef]
- Bharti, S.K.; Roy, R. Quantitative 1H NMR spectroscopy. TrAC Trends Anal. Chem. 2012, 35, 5–26. [Google Scholar] [CrossRef]
- Aguiar, A.; Marcelino, L.P.; Mariquito, A.; Simões, C.L.; Simoes, R.; Pinho, I.; Marques, A.C. Microcapsules of Poly(butylene adipate-co-terephthalate) (PBAT) Loaded with Aliphatic Isocyanates for Adhesive Applications. ACS Appl. Polym. Mater. 2024, 6, 5618–5629. [Google Scholar] [CrossRef]
- Li, M.; Rouaud, O.; Poncelet, D. Microencapsulation by solvent evaporation: State of the art for process engineering approaches. Int. J. Pharm. 2008, 363, 26–39. [Google Scholar] [CrossRef]
- Blehn, G.F.; Ernsberger, M.L. Polyvinyl Alcohol as an Emulsifying Agent. Ind. Eng. Chem. 1948, 40, 1449–1453. [Google Scholar] [CrossRef]
- Bhattacharya, A.; Ray, P. Studies on surface tension of poly(vinyl alcohol): Effect of concentration, temperature, and addition of chaotropic agents. J. Appl. Polym. Sci. 2004, 93, 122–130. [Google Scholar] [CrossRef]
- Cortés, H.; Hernández-Parra, H.; Bernal-Chávez, S.A.; Prado-Audelo, M.L.D.; Caballero-Florán, I.H.; Borbolla-Jiménez, F.V.; González-Torres, M.; Magaña, J.J.; Leyva-Gómez, G. Non-Ionic Surfactants for Stabilization of Polymeric Nanoparticles for Biomedical Uses. Materials 2021, 14, 3197. [Google Scholar] [CrossRef] [PubMed]
- Sawalha, H.; Schroën, K.; Boom, R. Biodegradable polymeric microcapsules: Preparation and properties. Chem. Eng. J. 2011, 169, 1–10. [Google Scholar] [CrossRef]
- Decostanzi, M.; Auvergne, R.; Darroman, E.; Boutevin, B.; Caillol, S. Reactivity and kinetics of HDI-iminooxadiazinedione: Application to polyurethane synthesis. Eur. Polym. J. 2017, 96, 443–451. [Google Scholar] [CrossRef]
- Lu, S.-F.; Chen, M.; Chen, C.H. Mechanisms and kinetics of thermal degradation of poly(butylene succinate-co-propylene succinate)s. J. Appl. Polym. Sci. 2012, 123, 3610–3619. [Google Scholar] [CrossRef]
- Passauer, L. A case study on the thermal degradation of an acrylate-type polyurethane wood coating using thermogravimetry coupled with evolved gas analysis. Prog. Org. Coat. 2021, 157, 106331. [Google Scholar] [CrossRef]
- Wu, S.; Zhang, Y.; Han, J.; Xie, Z.; Xu, J.; Guo, B. Copolymerization with Polyether Segments Improves the Mechanical Properties of Biodegradable Polyesters. ACS Omega 2017, 2, 2639–2648. [Google Scholar] [CrossRef]
- Jiang, S.; Shi, R.; Cheng, H.; Zhang, C.; Zhao, F. Synthesis of polyurea from 1,6-hexanediamine with CO2 through a two-step polymerization. Green Energy Environ. 2017, 2, 370–376. [Google Scholar] [CrossRef]
- Mayan, O.; Pires, A.; Neves, P.; Capela, F. Shoe Manufacturing and Solvent Exposure in Northern Portugal. Appl. Occup. Environ. Hyg. 1999, 14, 785–790. [Google Scholar] [CrossRef]
- Orgilés-Calpena, E.; Arán-Aís, F.; Torró-Palau, A.M.; Sánchez, M.A.M. Adhesives in the footwear industry: A critical review. Rev. Adhes. Adhes. 2019, 7, 69–91. [Google Scholar] [CrossRef]










| Samples | 1 Day | 1 Month | 2 Months | 3 Months |
|---|---|---|---|---|
| MCs-Monomer | 67 wt% | 56 wt% | 42 wt% | <10 wt% |
| MCs-Trimer | 70 wt% | 64 wt% | <10 wt% | <10 wt% |
| MCs-Polymer | 69 wt% | 54 wt% | 14 wt% | <10 wt% |
| Sample | 60 °C | 70 °C | 80 °C | 90 °C |
|---|---|---|---|---|
| 6275 | 1.0 ± 0.3 cm | Full opening | Full opening | Full opening |
| 6275 + Monomer | 0.33 ± 0.05 cm | 1.2 ± 0.7 cm | 9.3 ± 1.0 cm | Full opening |
| 6275 + MCs-Monomer | 0 ± 0 cm | 0 ± 0 cm | 0 ± 0 cm | Full opening |
| 6275 + Trimer | 0 ± 0 cm | 0 ± 0 cm | 0 ± 0 cm | 0 ± 0 cm |
| 6275 + MCs-Trimer | 0 ± 0 cm | 0 ± 0 cm | 0 ± 0 cm | 0 ± 0 cm |
| 6275 + Polymer | 0 ± 0 cm | 0 ± 0 cm | 0 ± 0 cm | 0 ± 0 cm |
| 6275 + MCs-Polymer | 0 ± 0 cm | 0.87 ± 0.05 cm | Full opening | Full opening |
Disclaimer/Publisher’s Note: The statements, opinions and data contained in all publications are solely those of the individual author(s) and contributor(s) and not of MDPI and/or the editor(s). MDPI and/or the editor(s) disclaim responsibility for any injury to people or property resulting from any ideas, methods, instructions or products referred to in the content. |
© 2025 by the authors. Licensee MDPI, Basel, Switzerland. This article is an open access article distributed under the terms and conditions of the Creative Commons Attribution (CC BY) license (https://creativecommons.org/licenses/by/4.0/).
Share and Cite
Marcelino, L.P.; Aguiar, A.; Galhano dos Santos, R.; Pinho, I.; Marques, A.C. Bio-Microcapsules of Polybutylene Succinate (PBS) and Isocyanates: Towards Sustainable, Safer, and Efficient Adhesives. Polymers 2025, 17, 139. https://doi.org/10.3390/polym17020139
Marcelino LP, Aguiar A, Galhano dos Santos R, Pinho I, Marques AC. Bio-Microcapsules of Polybutylene Succinate (PBS) and Isocyanates: Towards Sustainable, Safer, and Efficient Adhesives. Polymers. 2025; 17(2):139. https://doi.org/10.3390/polym17020139
Chicago/Turabian StyleMarcelino, Lucas P., António Aguiar, Rui Galhano dos Santos, Isabel Pinho, and Ana C. Marques. 2025. "Bio-Microcapsules of Polybutylene Succinate (PBS) and Isocyanates: Towards Sustainable, Safer, and Efficient Adhesives" Polymers 17, no. 2: 139. https://doi.org/10.3390/polym17020139
APA StyleMarcelino, L. P., Aguiar, A., Galhano dos Santos, R., Pinho, I., & Marques, A. C. (2025). Bio-Microcapsules of Polybutylene Succinate (PBS) and Isocyanates: Towards Sustainable, Safer, and Efficient Adhesives. Polymers, 17(2), 139. https://doi.org/10.3390/polym17020139

