Cashew Nutshells: A Promising Filler for 3D Printing Filaments
Abstract
1. Introduction
2. Materials and Methods
2.1. Apparent Density and Morphology Analysis
2.2. Bromatological Analyses
2.3. ATR-FTIR and TGA Analyses
2.4. Preparation of 3D Filaments
2.5. Tensile Tests
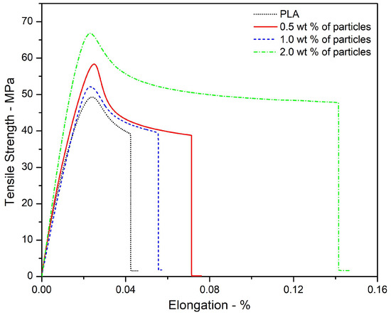
3. Results and Discussion
4. Conclusions
5. Patents
Author Contributions
Funding
Institutional Review Board Statement
Data Availability Statement
Acknowledgments
Conflicts of Interest
References
- Poulose, A.M.; Elnour, A.Y.; Anis, A.; Shaikh, H.; Al-Zahrani, S.; George, J.; Al-Wabel, M.I.; Usman, A.R.; Ok, Y.S.; Tsang, D.C.; et al. Date palm biochar-polymer composites: An investigation of electrical, mechanical, thermal and rheological characteristics. Sci. Total. Environ. 2018, 619–620, 311–318. [Google Scholar] [CrossRef]
- Ibrahim, M.M.; Dufresne, A.; El-Zawawy, W.K.; Agblevor, F.A. Banana fibers and microfibrils as lignocellulosic reinforcements in polymer composites. Carbohydr. Polym. 2010, 81, 811–819. [Google Scholar] [CrossRef]
- Vilela, C.; Sousa, A.F.; Freire, C.S.; Silvestre, A.J.; Neto, C.P. Novel sustainable composites prepared from cork residues and biopolymers. Biomass-Bioenergy 2013, 55, 148–155. [Google Scholar] [CrossRef]
- van den Oever, M.; Beck, B.; Müssig, J. Agrofibre reinforced poly(lactic acid) composites: Effect of moisture on degradation and mechanical properties. Compos. Part A Appl. Sci. Manuf. 2010, 41, 1628–1635. [Google Scholar] [CrossRef]
- Torun, S.B.; Tomak, E.D.; Cavdar, A.D.; Mengeloglu, F. Characterization of weathered MCC/nutshell reinforced composites. Polym. Test. 2021, 101, 107290. [Google Scholar] [CrossRef]
- Manfredi, L.B.; Rodríguez, E.S.; Wladyka-Przybylak, M.; Vázquez, A. Thermal degradation and fire resistance of unsaturated polyester, modified acrylic resins and their composites with natural fibres. Polym. Degrad. Stab. 2006, 91, 255–261. [Google Scholar] [CrossRef]
- Burton, K.; Hazael, R.; Critchley, R.; Bloodworth-Race, S. Lignocellulosic Natural Fibers in Polymer Composite Materials: Benefits, Challenges and Applications. In Encyclopedia of Materials: Plastics and Polymers; Hashmi, M.S.J., Ed.; Elsevier: Amsterdam, The Netherlands, 2022; pp. 353–369. ISBN 9780128232910. [Google Scholar] [CrossRef]
- Gbadeyan, O.J.; Sarp, A.; Glen, B.; Sithole, B. Nanofiller/Natural Fiber Filled Polymer Hybrid Composite: A Review. J. Eng. Sci. Technol. Rev. 2021, 14, 61–74. [Google Scholar] [CrossRef]
- Jani, S.P.; Kumar, A.S.; Khan, M.A.; Sajith, S.; Saravanan, A. Influence of Natural Filler on Mechanical Properties of Hemp/Kevlar Hybrid Green Composite and Analysis of Change in Material Behavior Using Acoustic Emission. J. Nat. Fibers 2021, 18, 1580–1591. [Google Scholar] [CrossRef]
- Ike, D.C.; Ibezim-Ezeani, M.U.; Akaranta, O. Cashew nutshell liquid and its derivatives in oil field applications: An update. Green Chem. Lett. Rev. 2021, 14, 620–633. [Google Scholar] [CrossRef]
- Kyei, S.K.; Eke, W.I.; Nagre, R.D.; Mensah, I.; Akaranta, O. A comprehensive review on waste valorization of cashew nutshell liquid: Sustainable development and industrial applications. Clean. Waste Syst. 2023, 6, 100116. [Google Scholar] [CrossRef]
- Zafeer, M.K.; Bhat, K.S. Valorisation of agro-waste cashew nut husk (Testa) for different value-added products. Sustain. Chem. Clim. Action 2023, 2, 100014. [Google Scholar] [CrossRef]
- Shenoy, D.; Pai, A.; Vikas, R.; Neeraja, H.; Deeksha, J.; Nayak, C.; Rao, C.V. A study on bioethanol production from cashew apple pulp and coffee pulp waste. Biomass-Bioenergy 2011, 35, 4107–4111. [Google Scholar] [CrossRef]
- Das, P.; Sreelatha, T.; Ganesh, A. Bio oil from pyrolysis of cashew nut shell-characterisation and related properties. Biomass-Bioenergy 2004, 27, 265–275. [Google Scholar] [CrossRef]
- Serpa, J.d.F.; Silva, J.d.S.; Reis, C.L.B.; Micoli, L.; e Silva, L.M.A.; Canuto, K.M.; de Macedo, A.C.; Rocha, M.V.P. Extraction and characterization of lignins from cashew apple bagasse obtained by different treatments. Biomass-Bioenergy 2020, 141, 105728. [Google Scholar] [CrossRef]
- Anilkumar, P. (Ed.) Cashew Nut Shell Liquid: A Goldfield for Functional Materials; Springer International Publishing: Berlin/Heidelberg, Germany, 2017; ISBN 978-3-319-47454-0. [Google Scholar] [CrossRef]
- Sharma, P.; Gaur, V.K.; Sirohi, R.; Larroche, C.; Kim, S.H.; Pandey, A. Valorization of cashew nut processing residues for industrial applications. Ind. Crop. Prod. 2020, 152, 112550. [Google Scholar] [CrossRef]
- Sakinah, N.; Djoefrie, H.M.H.B.; Hariyadi; Manohara, D. Utilization of Cashew Nut Shell as Organic Fertilizer and Fungicide. [IPB University Bogor Indonesia]. In MT Agriculture; Montana Agricultural Statistics: Helena, MT, USA, 2013; Available online: https://repository.ipb.ac.id/handle/123456789/67037 (accessed on 19 September 2023).
- Bamgbola, A.; Adeyemi, O.; Olubomehin, O.; Akinlabi, A.; Sojinu, O.; Iwuchukwu, P. Isolation and characterization of cellulose from cashew (Anacardium occidentale L.) nut shells. Curr. Res. Green Sustain. Chem. 2020, 3, 100032. [Google Scholar] [CrossRef]
- Tyman, J.H.P.; Johnson, R.A.; Muir, M.; Rokhgar, R. The extraction of natural cashew nut-shell liquid from the cashew nut (Anacardium occidentale). J. Am. Oil Chem. Soc. 1989, 66, 553–557. [Google Scholar] [CrossRef]
- Nambela, L.; Haule, L.V.; Mgani, Q.A. Anacardic acid isolated from cashew nut shells liquid: A potential precursor for the synthesis of anthraquinone dyes. Clean. Chem. Eng. 2022, 3, 100056. [Google Scholar] [CrossRef]
- Kasemsiri, P.; Hiziroglu, S.; Rimdusit, S. Properties of wood polymer composites from eastern redcedar particles reinforced with benzoxazine resin/cashew nut shell liquid copolymer. Compos. Part A Appl. Sci. Manuf. 2011, 42, 1454–1462. [Google Scholar] [CrossRef]
- Agag, T.; An, S.Y.; Ishida, H. 1,3-bis(benzoxazine) from cashew nut shell oil and diaminodiphenyl methane and its composites with wood flour. J. Appl. Polym. Sci. 2013, 127, 2710–2714. [Google Scholar] [CrossRef]
- Moreira, R.; Orsini, R.d.R.; Vaz, J.M.; Penteado, J.C.; Spinacé, E.V. Production of Biochar, Bio-Oil and Synthesis Gas from Cashew Nut Shell by Slow Pyrolysis. Waste Biomass-Valorization 2017, 8, 217–224. [Google Scholar] [CrossRef]
- Kaur, R.; Kumar, V.T.; Krishna, B.B.; Bhaskar, T. Characterization of slow pyrolysis products from three different cashew wastes. Bioresour. Technol. 2023, 376, 128859. [Google Scholar] [CrossRef]
- Sundarakannan, R.; Arumugaprabu, V.; Manikandan, V.; Vigneshwaran, S. Mechanical property analysis of biochar derived from cashew nut shell waste reinforced polymer matrix. Mater. Res. Express 2019, 6, 125349. [Google Scholar] [CrossRef]
- Rahmatabadi, D.; Soltanmohammadi, K.; Pahlavani, M.; Aberoumand, M.; Soleyman, E.; Ghasemi, I.; Baghani, M. Shape memory performance assessment of FDM 3D printed PLA-TPU composites by Box-Behnken response surface methodology. Int. J. Adv. Manuf. Technol. 2023, 127, 935–950. [Google Scholar] [CrossRef]
- Rahmatabadi, D.; Aberoumand, M.; Soltanmohammadi, K.; Soleyman, E.; Ghasemi, I.; Baniassadi, M.; Abrinia, K.; Bodaghi, M.; Baghani, M. Toughening PVC with Biocompatible PCL Softeners for Supreme Mechanical Properties, Morphology, Shape Memory Effects, and FFF Printability. Macromol. Mater. Eng. 2023, 308, 2300114. [Google Scholar] [CrossRef]
- Soleyman, E.; Aberoumand, M.; Soltanmohammadi, K.; Rahmatabadi, D.; Ghasemi, I.; Baniassadi, M.; Abrinia, K.; Baghani, M. 4D printing of PET-G via FDM including tailormade excess third shape. Manuf. Lett. 2022, 33, 1–4. [Google Scholar] [CrossRef]
- Saroia, J.; Wang, Y.; Wei, Q.; Lei, M.; Li, X.; Guo, Y.; Zhang, K. A review on 3D printed matrix polymer composites: Its potential and future challenges. Int. J. Adv. Manuf. Technol. 2020, 106, 1695–1721. [Google Scholar] [CrossRef]
- Periyasamy, R.; Hemanth Kumar, M.; Rangappa, S.M.; Siengchin, S. A comprehensive review on natural fillers reinforced polymer composites using fused deposition modeling. Polym. Compos. 2023, 44, 3715–3747. [Google Scholar] [CrossRef]
- Saran, O.S.; Reddy, A.P.; Chaturya, L.; Kumar, M.P. 3D printing of composite materials: A short review. Mater. Today Proc. 2022, 64, 615–619. [Google Scholar] [CrossRef]
- Ribeiro, I.; Matos, F.; Jacinto, C.; Salman, H.; Cardeal, G.; Carvalho, H.; Godina, R.; Peças, P. Framework for Life Cycle Sustainability Assessment of Additive Manufacturing. Sustainability 2020, 12, 929. [Google Scholar] [CrossRef]
- Bi, X.; Huang, R. 3D printing of natural fiber and composites: A state-of-the-art review. Mater. Des. 2022, 222, 111065. [Google Scholar] [CrossRef]
- Ahmed, W.; Alnajjar, F.; Zaneldin, E.; Al-Marzouqi, A.H.; Gochoo, M.; Khalid, S. Implementing FDM 3D Printing Strategies Using Natural Fibers to Produce Biomass Composite. Materials 2020, 13, 4065. [Google Scholar] [CrossRef] [PubMed]
- ASTM D2240-15; Standard Test Method for Rubber Property—Durometer Hardness, Book of Standards Volume: 09.01, Developed by Sub-Committee: D11.10. ASTM International: West Conshohocken, PA, USA, 2021; p. 13. [CrossRef]
- Hall, M.B.; Mertens, D.R. Comparison of alternative neutral detergent fiber methods to the AOAC definitive method. J. Dairy Sci. 2023, 106, 5364–5378. [Google Scholar] [CrossRef] [PubMed]
- Arockiam, A.J.; Subramanian, K.; Padmanabhan, R.; Selvaraj, R.; Bagal, D.K.; Rajesh, S. A review on PLA with different fillers used as a filament in 3D printing. Mater. Today Proc. 2022, 50, 2057–2064. [Google Scholar] [CrossRef]
- Okele, A.I.; Mamza, P.A.P.; Nkeoye, P.; Marut, A.J. Mechanical properties of cashew nut shell powder (CSNP) filled natural rubber volcanizate. Chem. Technol. Indian J. (CTIJ) 2016, 11, 36–42. [Google Scholar]
- Ilham, Z. Chapter 3—Biomass Classification and Characterization for Conversion to Biofuels. In Nor Adilla Rashidi, Value-Chain of Biofuels; Yusup, S., Ed.; Elsevier: Amsterdam, The Netherlands, 2022; pp. 69–87. ISBN 9780128243886. [Google Scholar] [CrossRef]
- Mathew, A.P.; Oksman, K.; Sain, M. Mechanical properties of biodegradable composites from poly lactic acid (PLA) and microcrystalline cellulose (MCC). J. Appl. Polym. Sci. 2005, 97, 2014–2025. [Google Scholar] [CrossRef]
- Boran, S.; Kiziltas, A.; Gardner, D.J. Characterization of Ultrafine Cellulose-filled High-Density Polyethylene Composites Prepared using Different Compounding Methods. BioResources 2016, 11, 8178–8199. [Google Scholar] [CrossRef][Green Version]
- Bharimalla, A.K.; Deshmukh, S.P.; Patil, P.G.; Vigneshwaran, N. Energy Efficient Manufacturing of Nanocellulose by Chemo- and Bio-Mechanical Processes: A Review. World J. Nano Sci. Eng. 2015, 5, 204–212. [Google Scholar] [CrossRef]
- Biswas, S.; Rahaman, T.; Gupta, P.; Mitra, R.; Dutta, S.; Kharlyngdoh, E.; Guha, S.; Ganguly, J.; Pal, A.; Das, M. Cellulose and lignin profiling in seven, economically important bamboo species of India by anatomical, biochemical, FTIR spectroscopy and thermogravimetric analysis. Biomass-Bioenergy 2022, 158, 106362. [Google Scholar] [CrossRef]
- Taharuddin, N.H.; Jumaidin, R.; Mansor, M.R.; Yusof, F.A.M.; Alamjuri, R.H. Characterization of Potential Cellulose from Hylocereus Polyrhizus (Dragon Fruit) peel: A Study on Physicochemical and Thermal Properties. J. Renew. Mater. 2023, 11, 131–145. [Google Scholar] [CrossRef]
- Zuluaga, R.; Putaux, J.L.; Cruz, J.; Vélez, J.; Mondragon, I.; Gañán, P. Cellulose microfibrils from banana rachis: Effect of alkaline treatments on structural and morphological features. Carbohydr. Polym. 2009, 76, 51–59. [Google Scholar] [CrossRef]
- Melzer, M.; Blin, J.; Bensakhria, A.; Valette, J.; Broust, F. Pyrolysis of extractive rich agroindustrial residues. J. Anal. Appl. Pyrolysis 2013, 104, 448–460. [Google Scholar] [CrossRef]
- Ábrego, J.; Plaza, D.; Luño, F.; Atienza-Martínez, M.; Gea, G. Pyrolysis of cashew nutshells: Characterization of products and energy balance. Energy 2018, 158, 72–80. [Google Scholar] [CrossRef]
- Lau, H.Y.; Hussin, M.S.; Hamat, S.; Abdul, M.S.; Ibrahim, M.; Zakaria, H. Effect of kenaf fiber loading on the tensile properties of 3D printing PLA filament. Mater. Today Proc. 2023. [Google Scholar] [CrossRef]
- Palaniyappan, S.; Sivakumar, N.K. Development of crab shell particle reinforced polylactic acid filaments for 3D printing application. Mater. Lett. 2023, 341, 134257. [Google Scholar] [CrossRef]
- Angelopoulos, P.M.; Samouhos, M.; Taxiarchou, M. Functional fillers in composite filaments for fused filament fabrication; a review. Mater. Today Proc. 2021, 37, 4031–4043. [Google Scholar] [CrossRef]








| Properties | Values |
|---|---|
| Modulus of elasticity | 3450 MPa |
| Tensile strength | 63 MPa |
| Tensile strain at tensile strength | 4% |
| Tensile stress at break | 44 MPa |
| Tensile strain at break | 10% |
| Melting temperature | >155 °C |
| Density | 1.25 g/cm3 |
| Component | Mass Percentage | Method |
|---|---|---|
| Dry matter | 97.39 | AOAC 930.39 |
| Ashes | 2.01 | AOAC 942.05 |
| ADF | 88.88 | AOAC 973.18 |
| NDF | 89.58 | AOAC 2002.04 |
| Lignin | 24.31 | Equation (1) |
| Cellulose | 64.57 | AOAC 973.18 |
| Hemicellulose | 0.70 | Equation (2) |
| Wave Number (cm−1) | Functional Group | Components | Observation |
|---|---|---|---|
| 3420 | –OH | Humidity absorption, possible cellulose ii formation | Hydrogen bonding |
| 2921 | C–H | Cellulose, hemicellulose, lignin | Aliphatic group |
| 1698 | C=O | Hemicellulose, lignin | Ester and acetyl groups of polysaccharides |
| 1615 | –(H)C=O | Cellulose, hemicellulose, lignin, humidity absorption | Carboxyl ions |
| 1436 | –CH | Lignin | Stretching on the aldehyde group |
| 1415 | –(Ar)C=C | Lignin | Stretching on aromatic fractions |
| 1374 | C–O | Hemicellulose, lignin | Acetyl group |
| 1163 | C=O | Lignin | Symmetric stretching of lignin |
| 1027 | C–O–C | Lignin, cellulose | Secondary alcohols, aliphatic ethers, cellulose monomer bonds |
| 752 | C–H | Lignin, anacardic acid | Bending vibrations on the aromatic group |
| Filament | Tensile Strength MPa | Elongation at Break % |
|---|---|---|
| PLA | 47.30 ± 6.72 | 4.2 ± 0.19 |
| 0.5 wt% of particles | 58.28 ± 5.0 | 7.8 ± 0.07 |
| 1.0 wt% of particles | 52.03 ± 5.17 | 5.6 ± 0.05 |
| 2.0 wt% of particles | 64.20 ± 2.28 | 14.1 ± 0.08 |
Disclaimer/Publisher’s Note: The statements, opinions and data contained in all publications are solely those of the individual author(s) and contributor(s) and not of MDPI and/or the editor(s). MDPI and/or the editor(s) disclaim responsibility for any injury to people or property resulting from any ideas, methods, instructions or products referred to in the content. |
© 2023 by the authors. Licensee MDPI, Basel, Switzerland. This article is an open access article distributed under the terms and conditions of the Creative Commons Attribution (CC BY) license (https://creativecommons.org/licenses/by/4.0/).
Share and Cite
Paternina Reyes, M.J.; Unfried Silgado, J.; Santa Marín, J.F.; Colorado Lopera, H.A.; Espitia Sanjuán, L.A. Cashew Nutshells: A Promising Filler for 3D Printing Filaments. Polymers 2023, 15, 4347. https://doi.org/10.3390/polym15224347
Paternina Reyes MJ, Unfried Silgado J, Santa Marín JF, Colorado Lopera HA, Espitia Sanjuán LA. Cashew Nutshells: A Promising Filler for 3D Printing Filaments. Polymers. 2023; 15(22):4347. https://doi.org/10.3390/polym15224347
Chicago/Turabian StylePaternina Reyes, María José, Jimy Unfried Silgado, Juan Felipe Santa Marín, Henry Alonso Colorado Lopera, and Luis Armando Espitia Sanjuán. 2023. "Cashew Nutshells: A Promising Filler for 3D Printing Filaments" Polymers 15, no. 22: 4347. https://doi.org/10.3390/polym15224347
APA StylePaternina Reyes, M. J., Unfried Silgado, J., Santa Marín, J. F., Colorado Lopera, H. A., & Espitia Sanjuán, L. A. (2023). Cashew Nutshells: A Promising Filler for 3D Printing Filaments. Polymers, 15(22), 4347. https://doi.org/10.3390/polym15224347

