Optimization Conditions to Obtain Cationic Polyacrylamide Emulsion Copolymers with Desired Cationic Degree for Different Wastewater Treatments
Abstract
1. Introduction
2. Materials and Methods
2.1. Chemicals
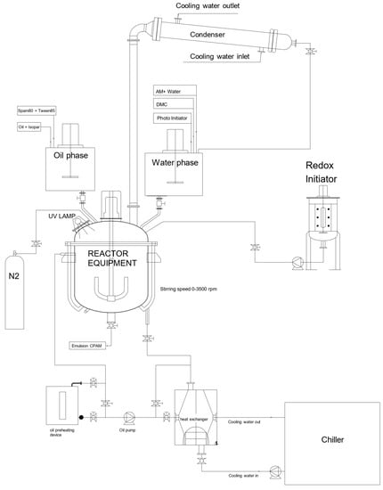
2.2. Preparation of CPAM
2.3. Determination of Molecular Weight and Conversion of CPAM
2.4. Determination of the Cationic Degree of CPAM
2.5. Particle Size Distribution of CPAM
2.6. Structure Analysis
2.7. Statistical Analysis
2.8. Wastewater Treatment Testing Using Synthesized CPAM
3. Results and Discussion
3.1. Analysis Structure of Synthesized CPAM
3.2. Development of Response Surface Models for CPAM Optimization
3.2.1. Effects of Input Parameters on Cationic Degree
3.2.2. Effects of Input Parameters on Mw of Synthesized CPAM Emulsion
3.2.3. Effects of Input Parameters on Conversion
3.3. Application of Response Surface Models
3.4. Testing and Evaluating the Ability of Synthesized CPAMs to Treat Wastewater
4. Conclusions
Supplementary Materials
Author Contributions
Funding
Institutional Review Board Statement
Data Availability Statement
Conflicts of Interest
References
- Bratby, J. Coagulation and Flocculation in Water and Wastewater Treatment; IWA Publishing: London, UK, 2016. [Google Scholar]
- Wei, H.; Gao, B.; Ren, J.; Li, A.; Yang, H. Coagulation/Flocculation in Dewatering of Sludge: A Review. Water Res. 2018, 143, 608–631. [Google Scholar] [CrossRef] [PubMed]
- Jiang, Z.; Zhu, J. Cationic Polyacrylamide: Synthesis and Application in Sludge Dewatering Treatment: A Review. Asian J. Chem. 2014, 26, 629–633. [Google Scholar] [CrossRef]
- Cheng, Z.; Dong, Z.; Su, M.; Zhang, Y.; Wang, Z.; He, P. Synthesis of Cationic Polyacrylamide via Inverse Emulsion Polymerization Method for the Application in Water Treatment. J. Macromol. Sci. Part A 2019, 56, 76–85. [Google Scholar] [CrossRef]
- Yang, H.; Zhao, Q.; Yue, Q. Preparation and Properties of Cationic Polyacrylamide Flocculant for Drilling Fluid Based on Modified Nano SiO2. J. Polym. Res. 2023, 30, 93. [Google Scholar] [CrossRef]
- Zhou, Y.; Zheng, H.; Wang, Y.; Zhao, R.; Liu, H.; Ding, W.; An, Y. Enhanced Municipal Sludge Dewaterability Using an Amphiphilic Microblocked Cationic Polyacrylamide Synthesized through Ultrasonic-Initiation: Copolymerization and Flocculation Mechanisms. Colloids Surf. Physicochem. Eng. Asp. 2020, 594, 124645. [Google Scholar] [CrossRef]
- Nguyen, T.H.; Nguyen, N.T.; Nguyen, T.T.P.; Doan, N.T.; Tran, L.A.T.; Nguyen, L.P.D.; Bui, T.T. Optimizing the Conditions of Cationic Polyacrylamide Inverse Emulsion Synthesis Reaction to Obtain High–Molecular–Weight Polymers. Polymers 2022, 14, 2866. [Google Scholar] [CrossRef]
- Ma, J.; Fu, K.; Fu, X.; Guan, Q.; Ding, L.; Shi, J.; Zhu, G.; Zhang, X.; Zhang, S.; Jiang, L. Flocculation Properties and Kinetic Investigation of Polyacrylamide with Different Cationic Monomer Content for High Turbid Water Purification. Sep. Purif. Technol. 2017, 182, 134–143. [Google Scholar] [CrossRef]
- Ma, J.; Fu, K.; Jiang, L.; Ding, L.; Guan, Q.; Zhang, S.; Zhang, H.; Shi, J.; Fu, X. Flocculation Performance of Cationic Polyacrylamide with High Cationic Degree in Humic Acid Synthetic Water Treatment and Effect of Kaolin Particles. Sep. Purif. Technol. 2017, 181, 201–212. [Google Scholar] [CrossRef]
- Fu, C.; Zhang, Z.; Li, Y.; Li, L.; Wang, H.; Liu, S.; Hua, X.; Li, B. Optimizing the Flocculation Effect of Cationic Polyacrylamide Prepared with UV-Initiated Polymerization by Response Surface Methodology. Water 2023, 15, 1200. [Google Scholar] [CrossRef]
- Zhou, J.; Liu, F.; Pan, C. Effects of Cationic Polyacrylamide Characteristics on Sewage Sludge Dewatering and Moisture Evaporation. PLoS ONE 2014, 9, e98159. [Google Scholar] [CrossRef]
- Sun, W.; Zhou, S.; Sun, Y.; Xu, Y. Synthesis and Evaluation of Cationic Flocculant P(DAC-PAPTAC-AM) for Flocculation of Coal Chemical Wastewater. J. Environ. Sci. 2021, 99, 239–248. [Google Scholar] [CrossRef] [PubMed]
- Wang, C.; Cai, Q.; Feng, B.; Feng, S.; Tian, C.; Jiang, X.; Wu, X.; Xiao, B. Improving the Performance of Shipboard Rotary Drum Filters in the Removal of Cyanobacterial Blooms by Cationic Polyacrylamide Flocculation. Sep. Purif. Technol. 2019, 215, 660–669. [Google Scholar] [CrossRef]
- Li, X.; Zheng, H.; Gao, B.; Sun, Y.; Tang, X.; Xu, B. Optimized Preparation of Micro-Block CPAM by Response Surface Methodology and Evaluation of Dewatering Performance. RSC Adv. 2017, 7, 208–217. [Google Scholar] [CrossRef]
- Fu, X.; Zhang, Y.; Jia, X.; Wang, Y.; Chen, T. Research Progress on Typical Quaternary Ammonium Salt Polymers. Molecules 2022, 27, 1267. [Google Scholar] [CrossRef] [PubMed]
- Bolto, B.; Gregory, J. Organic Polyelectrolytes in Water Treatment. Water Res. 2007, 41, 2301–2324. [Google Scholar] [CrossRef] [PubMed]
- Rattanakawin, C.; Hogg, R. Viscosity Behavior of Polymeric Flocculant Solutions. Miner. Eng. 2007, 20, 1033–1038. [Google Scholar] [CrossRef]
- Liu, Z.; Wei, Y.; Li, B.; He, N. Synthesis of Cationic Polyacrylamide by Aqueous Two-Phase Polymerization in Poly(Ethylene Glycol) Chloride Solution. J. Appl. Polym. Sci. 2013, 127, 593–598. [Google Scholar] [CrossRef]
- Aslan, N.; Cebeci, Y. Application of Box–Behnken Design and Response Surface Methodology for Modeling of Some Turkish Coals. Fuel 2007, 86, 90–97. [Google Scholar] [CrossRef]
- Ferreira, S.L.C.; Bruns, R.E.; Ferreira, H.S.; Matos, G.D.; David, J.M.; Brandão, G.C.; da Silva, E.G.P.; Portugal, L.A.; dos Reis, P.S.; Souza, A.S.; et al. Box-Behnken Design: An Alternative for the Optimization of Analytical Methods. Anal. Chim. Acta 2007, 597, 179–186. [Google Scholar] [CrossRef]
- Muthukumar, M.; Mohan, D.; Rajendran, M. Optimization of Mix Proportions of Mineral Aggregates Using Box Behnken Design of Experiments. Cem. Concr. Compos. 2003, 25, 751–758. [Google Scholar] [CrossRef]
- Ma, J.; Shi, J.; Ding, H.; Zhu, G.; Fu, K.; Fu, X. Synthesis of Cationic Polyacrylamide by Low-Pressure UV Initiation for Turbidity Water Flocculation. Chem. Eng. J. 2017, 312, 20–29. [Google Scholar] [CrossRef]
- Yang, K.; Chen, J.; Yao, C. Cationic Polyacrylamide Emulsion with Ultra-High Concentration as a Flocculant for Paper Mill Wastewater Treatment. BioResources 2020, 15, 3173–3189. [Google Scholar] [CrossRef]
- Sun, Y.; Zhu, C.; Xu, Y.; Zheng, H.; Xiao, X.; Zhu, G.; Ren, M. Comparison of Initiation Methods in the Structure of CPAM and Sludge Flocs Properties. J. Appl. Polym. Sci. 2016, 133, 44071. [Google Scholar] [CrossRef]
- Xia, N.N.; Zhang, H.Y.; Hu, Z.H.; Kong, F.; He, F. A Functionalized Bio-Based Material with Abundant Mesopores and Catechol Groups for Efficient Removal of Boron. Chemosphere 2021, 263, 128202. [Google Scholar] [CrossRef]
- Djibrine, B.Z.; Zheng, H.; Wang, M.; Liu, S.; Tang, X.; Khan, S.; Jimenéz, A.N.; Feng, L.; Zakaria Djibrine, B.; Zheng, H.; et al. An Effective Flocculation Method to the Kaolin Wastewater Treatment by a Cationic Polyacrylamide (CPAM): Preparation, Characterization, and Flocculation Performance. Int. J. Polym. Sci. 2018, 2018, 5294251. [Google Scholar] [CrossRef]
- Hatada, K.; Kitayama, T.; Nishiura, T.; Shibuya, W. Relation between the Reactivities of Vinyl Monomers in Ionic Polymerizations and Their 1H NMR Spectra. J. Polym. Sci. Part A Polym. Chem. 2002, 40, 2134–2147. [Google Scholar] [CrossRef]
- Yang, K.; Chen, J.; Fu, Q.; Dun, X.; Yao, C. Preparation of Novel Amphoteric Polyacrylamide and Its Synergistic Retention with Cationic Polymers. e-Polymers 2020, 20, 162–170. [Google Scholar] [CrossRef]
- Liu, Y.; Lv, C.; Ding, J.; Qian, P.; Yu, Y.; Ye, S.; Chen, Y. Characterization of a Hybrid Polyacrylamide and Its Flocculation Properties in Cyanide Tailing Suspensions. Water Sci. Technol. 2017, 76, 2482–2493. [Google Scholar] [CrossRef]
- Yang, K.; Chen, J.; Liang, S.; Wang, Y.; Yao, C. Preparation of Super High Concentration Cationic Polyacrylamide Emulsion and Its Flocculation with Cationic Polymers. Polym. Adv. Technol. 2020, 31, 2711–2721. [Google Scholar] [CrossRef]
- Birjandi, N.; Younesi, H.; Bahramifar, N.; Ghafari, S.; Zinatizadeh, A.A.; Sethupathi, S. Optimization of Coagulation-Flocculation Treatment on Paper-Recycling Wastewater: Application of Response Surface Methodology. J. Environ. Sci. Health Part A 2013, 48, 1573–1582. [Google Scholar] [CrossRef] [PubMed]
- Wang, Y.; Chen, K.; Mo, L.; Li, J.; Xu, J. Optimization of Coagulation–Flocculation Process for Papermaking-Reconstituted Tobacco Slice Wastewater Treatment Using Response Surface Methodology. J. Ind. Eng. Chem. 2014, 20, 391–396. [Google Scholar] [CrossRef]
- Vohra, A.; Satyanarayana, T. Statistical Optimization of the Medium Components by Response Surface Methodology to Enhance Phytase Production by Pichia Anomala. Process Biochem. 2002, 37, 999–1004. [Google Scholar] [CrossRef]
- Chen, J.; Xu, X.; Nie, R.; Feng, L.; Li, X.; Liu, B. Chitosan Modified Cationic Polyacrylamide Initiated by UV-H2 O2 for Sludge Flocculation and New Insight on the Floc Characteristics Study. Polymers 2020, 12, 2738. [Google Scholar] [CrossRef] [PubMed]
- Ma, J.; Fu, X.; Xia, W.; Fu, K.; Liao, Y. Flocculation of a High-Turbidity Kaolin Suspension Using Hydrophobic Modified Quaternary Ammonium Salt Polyacrylamide. Processes 2019, 7, 108. [Google Scholar] [CrossRef]
- Chen, L.; Sun, Y.; Sun, W.; Shah, K.J.; Xu, Y.; Zheng, H. Efficient Cationic Flocculant MHCS-g-P(AM-DAC) Synthesized by UV-Induced Polymerization for Algae Removal. Sep. Purif. Technol. 2019, 210, 10–19. [Google Scholar] [CrossRef]
- Ma, M.; Zhu, S. Grafting Polyelectrolytes onto Polyacrylamide for Flocculation. 1. Polymer Synthesis and Characterization. Colloid Polym. Sci. 1999, 277, 115–122. [Google Scholar] [CrossRef]
- Zhang, Z. The Flocculation Mechanism and Treatment of Oily Wastewater by Flocculation. Water Sci. Technol. 2017, 76, 2630–2637. [Google Scholar] [CrossRef] [PubMed]
- Zhou, Y.; Duan, N.; Wu, X.; Fang, H. COD Discharge Limits for Urban Wastewater Treatment Plants in China Based on Statistical Methods. Water 2018, 10, 777. [Google Scholar] [CrossRef]
- Preisner, M.; Neverova-Dziopak, E.; Kowalewski, Z. An Analytical Review of Different Approaches to Wastewater Discharge Standards with Particular Emphasis on Nutrients. Environ. Manag. 2020, 66, 694–708. [Google Scholar] [CrossRef] [PubMed]
- Vietnam Environment Administration, the Science and technology Administration. QCVN 40: 2011/BTNMT National Technical Regulation on Industrial Wastewater. 2011. Available online: https://circabc.europa.eu/sd/a/97d7bd92-e92e-4b42-a2b3-6a1d8d00d81d/National%20Technical%20Regulation%20%20on%20Industrial%20Wastewater.pdf (accessed on 1 May 2023).










| No | Monomer Concentration (%) | Content of Cationic Monomer (%) | Content of Initiator (%) | Cationic Degree (%) | Molecular Weight (Da) | Conversion (%) |
|---|---|---|---|---|---|---|
| 1 | 25 | 90 | 0.45 | 78.38 | 3,908,260 | 77.36 |
| 2 | 15 | 10 | 0.55 | 7.98 | 3,014,500 | 84.27 |
| 3 | 25 | 10 | 0.45 | 8.51 | 9,010,940 | 90.5 |
| 4 | 35 | 10 | 0.55 | 7.78 | 5,563,790 | 77.84 |
| 5 | 25 | 50 | 0.55 | 47.55 | 11,007,000 | 97.01 |
| 6 | 25 | 90 | 0.65 | 83.68 | 8,008,260 | 91.05 |
| 7 | 35 | 90 | 0.55 | 81.64 | 4,003,350 | 80.45 |
| 8 | 15 | 50 | 0.65 | 40.89 | 4,006,450 | 85.67 |
| 9 | 35 | 50 | 0.45 | 43.15 | 6,300,900 | 80.43 |
| 10 | 25 | 50 | 0.55 | 49.79 | 10,769,520 | 96.51 |
| 11 | 35 | 50 | 0.65 | 43.1 | 6,500,900 | 81.72 |
| 12 | 25 | 50 | 0.55 | 48.02 | 10,687,000 | 96.09 |
| 13 | 25 | 10 | 0.65 | 6.13 | 4,209,400 | 74.28 |
| 14 | 15 | 90 | 0.55 | 74.9 | 3,000,570 | 83.77 |
| 15 | 15 | 50 | 0.45 | 44.23 | 4,876,450 | 89.08 |
| Response | The Final Equation | R2 | Adj. R2 | Pred. R2 | R2 | Adj. R2 |
|---|---|---|---|---|---|---|
| Cationic Degree | 0.9984 | 0.9955 | 0.9779 | 50.5004 | 4.15 | |
| Molecular Weight | 0.9993 | 0.9980 | 0.9954 | 75.7478 | 2.02 | |
| Conversion | 0.9977 | 0.9935 | 0.9706 | 45.5842 | 0.6899 |
| Experimental Results | Predicted Results | ||||||||
|---|---|---|---|---|---|---|---|---|---|
| DC (%) | B | A | C | DC (%) | MW (Da) | H (%) | DC (%) | MW (Da) | H (%) |
| Low | 22.5 | 25 | 0.475 | 21.85 | 7,315,261 | 95.12 | 22.50 | 10,064,867 | 93.60 |
| Medium | 44.41 | 25 | 0.48 | 40.25 | 9,264,425 | 92.60 | 42.50 | 10,412,181 | 94.82 |
| High | 77.61 | 25 | 0.59 | 71.17 | 11,342,957 | 94.00 | 72.50 | 9,433,541 | 94.23 |
Disclaimer/Publisher’s Note: The statements, opinions and data contained in all publications are solely those of the individual author(s) and contributor(s) and not of MDPI and/or the editor(s). MDPI and/or the editor(s) disclaim responsibility for any injury to people or property resulting from any ideas, methods, instructions or products referred to in the content. |
© 2023 by the authors. Licensee MDPI, Basel, Switzerland. This article is an open access article distributed under the terms and conditions of the Creative Commons Attribution (CC BY) license (https://creativecommons.org/licenses/by/4.0/).
Share and Cite
Nguyen, T.H.; Nguyen, L.P.D.; Nguyen, T.T.P.; Le, M.X.A.; Kieu, L.T.T.; To, H.T.; Bui, T.T. Optimization Conditions to Obtain Cationic Polyacrylamide Emulsion Copolymers with Desired Cationic Degree for Different Wastewater Treatments. Polymers 2023, 15, 2693. https://doi.org/10.3390/polym15122693
Nguyen TH, Nguyen LPD, Nguyen TTP, Le MXA, Kieu LTT, To HT, Bui TT. Optimization Conditions to Obtain Cationic Polyacrylamide Emulsion Copolymers with Desired Cationic Degree for Different Wastewater Treatments. Polymers. 2023; 15(12):2693. https://doi.org/10.3390/polym15122693
Chicago/Turabian StyleNguyen, Tung Huy, Linh Pham Duy Nguyen, Thao Thi Phuong Nguyen, Minh Xuan Anh Le, Linh Thi Thuy Kieu, Huong Thi To, and Thanh Tien Bui. 2023. "Optimization Conditions to Obtain Cationic Polyacrylamide Emulsion Copolymers with Desired Cationic Degree for Different Wastewater Treatments" Polymers 15, no. 12: 2693. https://doi.org/10.3390/polym15122693
APA StyleNguyen, T. H., Nguyen, L. P. D., Nguyen, T. T. P., Le, M. X. A., Kieu, L. T. T., To, H. T., & Bui, T. T. (2023). Optimization Conditions to Obtain Cationic Polyacrylamide Emulsion Copolymers with Desired Cationic Degree for Different Wastewater Treatments. Polymers, 15(12), 2693. https://doi.org/10.3390/polym15122693

