Investigation into the Rheological Properties and Microstructure of Silt/Crumb Rubber Compound-Modified Asphalt
Abstract
:1. Introduction
2. Materials and Methods
2.1. Raw Materials
2.2. Preparation of SILT-CRMA
2.3. Testing Methods
2.3.1. Standard Tests
2.3.2. Viscosity Test
2.3.3. Contact Angle Test
2.3.4. TFS Test
2.3.5. LAS Test
2.3.6. FTIR Test
2.3.7. FM Test
3. Results and Discussion
3.1. Conventional Physical Properties
3.2. Viscosity
3.3. Temperature Frequency Scanning
3.4. Linear Amplitude Scanning
3.5. Contact Angle Test
3.6. Fourier Transform Infrared Reflection
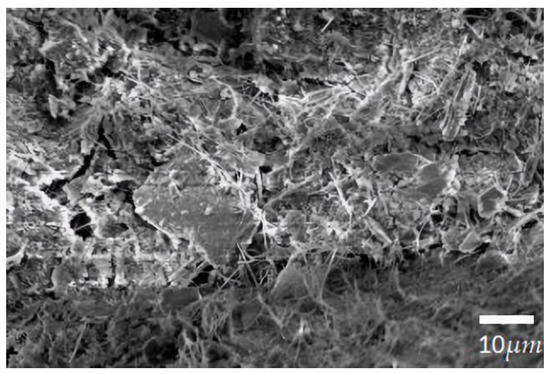
3.7. Fluorescence Microscope
4. Conclusions
Author Contributions
Funding
Institutional Review Board Statement
Data Availability Statement
Conflicts of Interest
References
- Zhang, J.; Yao, Z.; Yu, T.; Liu, S.; Jiang, H. Experimental evaluation of crumb rubber and polyethylene integrated modified asphalt mixture upon related properties. Road Mater. Pavement Des. 2019, 20, 1413–1428. [Google Scholar] [CrossRef]
- Cao, L.; Yang, C.; Li, A.; Wang, P.; Zhang, Y.; Dong, Z. Flue gas composition of waste rubber modified asphalt (WRMA) and effect of deodorants on hazardous constituents and WRMA. J. Hazard. Mater. 2021, 403, 123814. [Google Scholar] [CrossRef] [PubMed]
- Wang, D.; Di, S.; Gao, X.; Wang, R.; Chen, Z. Strength properties and associated mechanisms of magnesium oxychloride cement-solidified urban river sludge. Constr. Build. Mater. 2020, 250, 118933. [Google Scholar] [CrossRef]
- Wang, D.; Zhu, J.; Wang, R. Assessment of magnesium potassium phosph-ate cement for waste sludge solidification: Macro- and micro-analysis. J. Clean. Prod. 2021, 294, 126365. [Google Scholar] [CrossRef]
- Tremblay, H.; Duchesne, J.; Locat, J.; Leroueil, S. Influence of the Nature of Organic Compounds on Fine Soil Stabilization with Cement. Can. Geotech. J. 2002, 39, 535–546. [Google Scholar] [CrossRef]
- Khandelwal, R.; Senthilnath, J.; Omkar, S.N.; Shivanath, N. A Novel Multiobjective Optimization for Cement Stabilized Soft Soil based on Artificial Bee Colony. Int. J. Appl. Metaheuristic Comput. (IJAMC) 2016, 7, 285–303. [Google Scholar] [CrossRef]
- Chen, Z.; Li, W.; Ren, T. Test analysis of unconfined compressive strength of soil-cement. Highw. Traffic Technol. 2016, 32, 4–8. [Google Scholar]
- Ma, J.; Zhao, Y.; Wang, L.; Wang, J. Effect of magnesium oxychloride cement on stabilization/solidification of sewage sludge. In Proceedings of the 2009 3rd International Conference on Bioinformatics and Biomedical Engineering, Beijing, China, 11–13 June 2009; pp. 1–5. [Google Scholar]
- Chiu, A.; Hu, X.; Ng, C.; Lei, G. Water Retention and Shrinkage Properties of a Cemented Dredged Material. Multilevel Model. Secur. Syst. QoP-ML 2015, 24, 371–376. [Google Scholar]
- Chen, D.; Liao, Y.; Zhuang, N.; Huang, H. Effect of cement varieties on mechanical properties and durability of soil-cement. Constr. Technol. 2012, 41, 84–86. [Google Scholar]
- Lang, L.; Liu, N.; Chen, B. Investigation on the strength, durability and swelling of cement-solidified dredged sludgeadmixed fly ash and nano-SiO2. Eur. J. Environ. Civ. Eng. 2022, 26, 2913–2933. [Google Scholar] [CrossRef]
- Behnood, A.; Olek, J. Rheological properties of asphalt binders modified with styrene-butadiene-styrene(SBS), ground tire rubber (GTR), or polyphosphoric acid (PPA). Constr. Build. Mater. 2017, 151, 464–478. [Google Scholar] [CrossRef]
- Sharvin, P.; Mohd, R.; Ramadhansyah, P. Impacts of recycled crumb rubber powder and natural rubber latex on the modified asphalt rheological behaviour, bonding, and resistance to shear. Constr. Build. Mater. 2020, 234, 117357. [Google Scholar]
- Liu, K.; Deng, L.; Zheng, J.; Jiang, K. Compatibility evaluation of waste tire rubber powder modified asphalt binder. New Build. Mater. 2017, 44, 13–16. [Google Scholar]
- Hu, K.; Yu, C.; Chen, Y.; Li, W.; Wang, D.; Zhang, W. Multiscale mechanisms of asphalt performance enhancement by crumbed waste tire rubber: Insight from molecular dynamics simulation. J. Mol. Model. 2021, 27, 170. [Google Scholar] [CrossRef] [PubMed]
- Liang, M.; Xin, X.; Fan, W.; Sun, H.; Yao, Y.; Xing, B. Viscous properties, storage stability and their relationships with microstructure of tire scrap rubber modified asphalt. Constr. Build. Mater. 2015, 74, 124–131. [Google Scholar] [CrossRef]
- Ren, S.; Liu, X.; Xu, J.; Lin, P. Investigating the role of swelling-degradation degree of crumb rubber on CR/SBS modified porous asphalt binder and mixture. Constr. Build. Mater. 2021, 300, 124048. [Google Scholar] [CrossRef]
- Gong, F.; Lin, W.; Chen, Z.; Shen, T.; Hu, C. High-Temperature Rheological Properties of Crumb Rubber Composite Modified Asphalt. Sustainability 2020, 14, 8999. [Google Scholar] [CrossRef]
- Singh, D.; Mishra, V.; Girimath, S.B.; Das, A.K.; Rajan, B. Evaluation of Rheological and Moisture Damage Properties of Crumb Rubber-Modified Asphalt Binder. Stand. Publ. J. 2019, 8, 477–496. [Google Scholar] [CrossRef]
- Zhang, L.; Xing, C.; Gao, F.; Li, T.; Tan, Y. Using DSR and MSCR tests to characterize high temperature performance of different rubber modified asphalt. Constr. Build. Mater. 2016, 127, 466–474. [Google Scholar] [CrossRef]
- Liang, M.; Ren, S.S.; Sun, C.; Zhang, J.; Jiang, H.; Yao, Z. Extruded Tire Crumb-Rubber Recycled Polyethylene Melt Blend as Asphalt Composite Additive for Enhancing the Performance of Binder. J. Mater. Civ. Eng. 2020, 32, 4019373. [Google Scholar] [CrossRef]
- Chen, Z.; Wang, T.; Pei, J.; Amirkhanian, S.; Xiao, F.; Ye, Q.; Fan, Z. Low Temperature and Fatigue Characteristics of Treated Crumb Rubber Modified Asphalt after a Long Term Aging Procedure. J. Clean. Prod. 2019, 234, 1262–1274. [Google Scholar] [CrossRef]
- Chen, T.; Ma, T.; Huang, X.; Guan, Y.; Zhang, Z.; Tang, F. The performance of hot-recycling asphalt binder containing crumb rubber modified asphalt based on physiochemical and rheological measurements. Constr. Build. Mater. 2019, 226, 83–93. [Google Scholar] [CrossRef]
- Li, H.; Li, B.; Wang, Q.; Li, L.; Wang, Y. Adhersion of Aged SBS Modified Asphalt Binder Containing Warm Mix Additive Based on Surface Free Energy. Mater. Rep. 2017, 31, 129–133. [Google Scholar]
- Chen, M.; Geng, J.; Chen, H.; Luo, M. Effect of water aging on the fatigue performance of asphalt binders using the linear amplitude sweep. Constr. Build. Mater. 2021, 304, 124679. [Google Scholar] [CrossRef]
- Park, H.J.; Eslaminia, M.; Kim, Y.R. Mechanistic evaluation of cracking in in-service asphalt pavements. Mater. Struct. 2014, 47, 1339–1358. [Google Scholar] [CrossRef]
- Farinaz, S.; Cassie, C. Material nonlinearity in asphalt binder fatigue testing and analysis. Mater. Des. 2017, 133, 376–389. [Google Scholar]
- Zhu, X.; Niu, F.; Ren, L.; Jiao, C.; Jiang, H.; Yao, X. Effect of Calcium Carbide Residue on Strength Development along with Mechanisms of Cement-Stabilized Dredged Sludge. Materials 2022, 15, 4453. [Google Scholar] [CrossRef]
- Li, W.; Ni, P.; Yi, Y. Comparison of reactive magnesia, quick lime, and ordinary Portland cement for stabilization/solidification of heavy metal-contaminated soils. Sci. Total Environ. 2019, 671, 741–753. [Google Scholar] [CrossRef]
- Wang, S.; Guo, S.; Gao, X.; Zhang, P.; Li, G. Effects of cement content and soil texture on strength, hydraulic, and microstructural characteristics of cement-stabilized composite soils. Bull. Eng. Geol. Environ. 2022, 81, 264. [Google Scholar] [CrossRef]
- Yang, Z.; Li, Z.; Li, S. Effect of Nano Calcium Carbonate on Rheological Properties of Road Asphalt. J. China Foreign Highw. 2019, 39, 254–258. [Google Scholar]
- Li, J.; Yang, S.; Liu, Y.; Muhammad, Y.; Su, Z.; Yang, J. Studies on the properties of modified heavy calcium carbonate and SBS composite modified asphalt. Constr. Build. Mater. 2019, 218, 413–423. [Google Scholar] [CrossRef]
- Duan, S.; Muhammad, Y.; Li, J.; Maria, S.; Meng, F.; Wei, Y.; Su, Z.; Yang, H. Enhancing effect of microalgae biodiesel incorporation on the performance of crumb Rubber/SBS modified asphalt. J. Clean. Prod. 2019, 237, 117725. [Google Scholar] [CrossRef]
- Wei, Y. Study on Rheology of Chemical Activated Crumb Rubber Modified Rubber Asphalt. Master’s Thesis, Lanzhou Jiaotong University, Lanzhou, China, 2019. [Google Scholar]
- Lang, L.; Liu, N.; Chen, B. Strength development of solidified dredged sludge containing humic acid with cement, lime and nano-SiO2. Constr. Build. Mater. 2020, 230, 116971. [Google Scholar] [CrossRef]












| Brand | Softening Point (°C) | Penetration (25 °C, 0.1 mm) | Ductility (15 °C, cm) |
|---|---|---|---|
| Gaotong | 47.1 | 65.6 | >100 |
| Moisture Content (%) | Cavity Ratio | High Liquid (%) | Plastic Limit (%) | Plastic Index | Compression Coefficient | Soil Natural Density (g·cm−3) | Cohesive Force (kPa) | Organic Content (%) |
|---|---|---|---|---|---|---|---|---|
| 45.1 | 1.17 | 39.1 | 14.3 | 24.8 | 0.76 | 1.76 | 11.8 | 1.78 |
| Technical Index | Code Value | Measurements | |
|---|---|---|---|
| Fineness | ≥300 m2/kg | 310 m2/kg | |
| Soundness | Conformity | Conformity | |
| Setting Time | Initial set Final set | ≥45 min | 100 min |
| ≤600 min | 190 min | ||
| Compressive strength | 3 d 28 d | ≥17.0 Mpa | 20 Mpa |
| ≥42.5 Mpa | 47.5 Mpa | ||
| Property | Relative Density | Fiber Content (%) | Water Content (%) | Metal Content (%) |
|---|---|---|---|---|
| Test value | 1.25 | 0.3 | 0.35 | 0.04 |
| Screening test | ||||
| Trough rate (%) | 95.4 | 2.7 | 65.8 | 0.55 |
| Sieve size (mm) | 0.7 | 0.2 | 0.25 | 0.08 |
| Mix Cement and Silt | Silt Content (%) | Cement Content (%) | CR Content (%) | Abbreviation |
|---|---|---|---|---|
| 0 | 2 | 0 | 10 | 2%SILT-CRMA |
| 0 | 4 | 0 | 10 | 4%SILT-CRMA |
| 0 | 6 | 0 | 10 | 6%SILT-CRMA |
| 0 | 8 | 0 | 10 | 8%SILT-CRMA |
| 6 (Hydration) | Cement:Silt (6:4) | 10 | 6%HCS (6:4)-CRMA | |
| Cement:Silt (6:4) | 10 | 6%UHCS (6:4)-CRMA | ||
Disclaimer/Publisher’s Note: The statements, opinions and data contained in all publications are solely those of the individual author(s) and contributor(s) and not of MDPI and/or the editor(s). MDPI and/or the editor(s) disclaim responsibility for any injury to people or property resulting from any ideas, methods, instructions or products referred to in the content. |
© 2023 by the authors. Licensee MDPI, Basel, Switzerland. This article is an open access article distributed under the terms and conditions of the Creative Commons Attribution (CC BY) license (https://creativecommons.org/licenses/by/4.0/).
Share and Cite
Huang, L.; Geng, J.; Chen, M.; Niu, Y.; Wang, W.; Gao, Z. Investigation into the Rheological Properties and Microstructure of Silt/Crumb Rubber Compound-Modified Asphalt. Polymers 2023, 15, 2474. https://doi.org/10.3390/polym15112474
Huang L, Geng J, Chen M, Niu Y, Wang W, Gao Z. Investigation into the Rheological Properties and Microstructure of Silt/Crumb Rubber Compound-Modified Asphalt. Polymers. 2023; 15(11):2474. https://doi.org/10.3390/polym15112474
Chicago/Turabian StyleHuang, Lu, Jiuguang Geng, Mingyuan Chen, Yanhui Niu, Wenhao Wang, and Zichen Gao. 2023. "Investigation into the Rheological Properties and Microstructure of Silt/Crumb Rubber Compound-Modified Asphalt" Polymers 15, no. 11: 2474. https://doi.org/10.3390/polym15112474
APA StyleHuang, L., Geng, J., Chen, M., Niu, Y., Wang, W., & Gao, Z. (2023). Investigation into the Rheological Properties and Microstructure of Silt/Crumb Rubber Compound-Modified Asphalt. Polymers, 15(11), 2474. https://doi.org/10.3390/polym15112474

