Strength of Compressed Reinforced Concrete Elements Reinforced with CFRP at Different Load Application Eccentricity
Abstract
1. Introduction
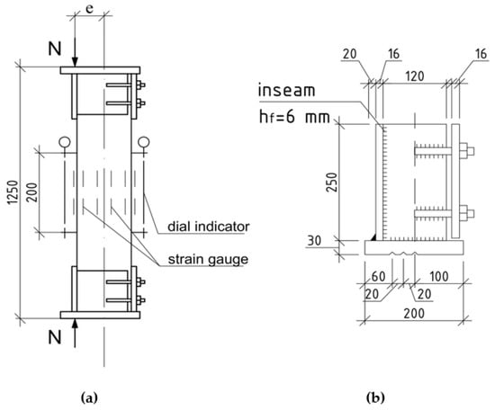
2. Materials and Methods
- -
- Surface marking according to reinforcement variants;
- -
- Removal of cement-sand milk in the places of installation of reinforcement elements until large filler is exposed and corners are rounded with a radius of curvature 20 mm in places where stirrups or clips are glued;
- -
- Dedusting the surface and applying a primer, if necessary—leveling the surface with an epoxy-based putty;
- -
- Reinforcement of the structure according to the reinforcement variant.
3. Results
4. Discussion
5. Conclusions
- In centrally compressed columns, the maximum effect of increasing the bearing capacity is achieved with continuous wrapping with composite materials (41%). The use of external linear reinforcement elements located along the axis of action of the force does not give a positive result, since at a load level of about 80% of the limit, the laminates were destroyed due to local buckling of the strips and their fracture. The use of carbon-fiber rod reinforcement, glued symmetrically into the cut longitudinal grooves, gives the effect of increasing the bearing capacity up to 20% due to the guaranteed inclusion in work before the application of the breaking load.
- In columns with an eccentricity value of e0 = 0.16 h, under conditions of nonuniform compression of the section, all options for strengthening in the transverse direction had a positive effect (from 30% to 40%). The use of external linear reinforcement elements located along the axis of action of the force from the side of the most compressed concrete fibers does not increase the bearing capacity, and the sticking of longitudinal laminates on the least compressed edge gives a minimal increase in strength due to the redistribution of forces in the cross-section through the transverse clamps.
- In columns with an eccentricity of application of the external force e0 = 0.32 h, reinforcement in the transverse direction gives a minimal effect of increasing the bearing capacity (15%), and the use of longitudinal laminates on the side of tensioned concrete in combination with transverse clamps increases the strength up to 25%. Under the condition of the use of a wide collar in the middle part, which ensures guaranteed transmission of tensile stresses to the composite material, the strength increases up to 44%.
Author Contributions
Funding
Institutional Review Board Statement
Informed Consent Statement
Data Availability Statement
Acknowledgments
Conflicts of Interest
References
- Abid, S.R.; Al-Lami, K. Critical review of strength and durability of concrete beams externally bonded with FRP. Cogent Eng. 2018, 5, 1525015. [Google Scholar] [CrossRef]
- Maljaee, H.; Ghiassi, B.; Lourenço, P.B.; Oliveira, D.V. FRP–brick masonry bond degradation under hygrothermal conditions. Compos. Struct. 2016, 147, 143–154. [Google Scholar] [CrossRef]
- Ghiassi, B.; Xavier, J.; Oliveira, D.V.; Kwiecien, A.; Lourenço, P.B.; Zajac, B. Evaluation of the bond performance in FRP–brick components re-bonded after initial delamination. Compos. Struct. 2015, 123, 271–281. [Google Scholar] [CrossRef]
- Bedirhanoglu, I.; Ilki, A.; Triantafillou, T.C. Seismic Behavior of Repaired and Externally FRP-Jacketed Short Columns Built with Extremely Low-Strength Concrete. J. Compos. Constr. 2022, 26, 04021068. [Google Scholar] [CrossRef]
- Sanginabadi, K.; Yazdani, A.; Mostofinejad, D.; Czaderski, C. Bond behavior of FRP composites attached to concrete using EBROG method: A state-of-the-art review. Compos. Struct. 2022, 299, 116060. [Google Scholar] [CrossRef]
- da Costa Santos, J.; da Costa Santos, A.C.; Archbold, P.; Puppi, R.F.K. Experimental Analysis of R.C. Beams Preloaded, Repaired and Flexural Strengthened with Carbon Fibre Reinforced Polymer (CFRP). In 10th International Conference on FRP Composites in Civil Engineering, Proceedings of the 10th International Conference on FRP Composites in Civil Engineering (CICE 2021), Istanbul, Turkey, 8–10 December 2021; Ilki, A., Ispir, M., Inci, P., Eds.; Springer: Cham, Switzerland, 2022; pp. 1587–1600. [Google Scholar] [CrossRef]
- Jahani, Y.; Baena, M.; Barris, C.; Torres, L.; Sena-Cruz, J. Effect of fatigue loading on flexural performance of NSM CFRP-strengthened RC beams under different service temperatures. Eng. Struct. 2022, 273, 115119. [Google Scholar] [CrossRef]
- Manos, G.C.; Katakalos, K.B. Reinforced Concrete Beams Retrofitted with External CFRP Strips towards Enhancing the Shear Capacity. Appl. Sci. 2021, 11, 7952. [Google Scholar] [CrossRef]
- Meskhi, B.; Beskopylny, A.N.; Stel’Makh, S.A.; Shcherban’, E.M.; Mailyan, L.R.; Beskopylny, N.; Chernil’Nik, A.; El’Shaeva, D. Insulation Foam Concrete Nanomodified with Microsilica and Reinforced with Polypropylene Fiber for the Improvement of Characteristics. Polymers 2022, 14, 4401. [Google Scholar] [CrossRef]
- Meskhi, B.; Beskopylny, A.N.; Stel’Makh, S.A.; Shcherban’, E.M.; Mailyan, L.R.; Beskopylny, N.; Dotsenko, N. Theoretical and Experimental Substantiation of the Efficiency of Combined-Reinforced Glass Fiber Polymer Composite Concrete Elements in Bending. Polymers 2022, 14, 2324. [Google Scholar] [CrossRef]
- Ibragimov, R.; Bogdanov, R.; Miftakhutdinova, L.; Fediuk, R.; Vatin, N.I.; de Azevedo, A.R.G. Effect of polydisperse reinforcement on the fresh and physical-mechanical properties of self-compacting concrete. Case Stud. Constr. Mater. 2022, 17, e01188. [Google Scholar] [CrossRef]
- Ye, Y.-Y.; Zeng, J.-J.; Li, P.-L. A State-of-the-Art Review of FRP-Confined Steel-Reinforced Concrete (FCSRC) Structural Members. Polymers 2022, 14, 677. [Google Scholar] [CrossRef] [PubMed]
- D’Antino, T.; Pisani, M.A.; Poggi, C. Fatigue tensile testing of glass fiber-reinforced polymer reinforcing bars. Constr. Build. Mater. 2022, 346, 128395. [Google Scholar] [CrossRef]
- Beskopylny, A.N.; Stel’makh, S.A.; Shcherban’, E.M.; Mailyan, L.R.; Meskhi, B.; Efremenko, I.; Varavka, V.; Beskopylny, N.; Dotsenko, N. Modeling and Experimental Verification of the Performance of Polymer Composite Reinforcing Bars of Different Types in Concrete of Different Density. Polymers 2022, 14, 1756. [Google Scholar] [CrossRef]
- Ali, H.M.Y.; Sheikh, M.N.; Hadi, M.N.S. Flexural strengthening of RC beams with NSM-GFRP technique incorporating innovative anchoring system. Structures 2022, 38, 251–264. [Google Scholar] [CrossRef]
- Zeng, J.; Long, T. Compressive Behavior of FRP Grid-Reinforced UHPC Tubular Columns. Polymers 2022, 14, 125. [Google Scholar] [CrossRef]
- Beskopylny, A.N.; Meskhi, B.; Stel’makh, S.A.; Shcherban’, E.M.; Mailyan, L.R.; Veremeenko, A.; Akopyan, V.; Shilov, A.V.; Chernil’nik, A.; Beskopylny, N. Numerical Simulation of the Bearing Capacity of Variotropic Short Concrete Beams Reinforced with Polymer Composite Reinforcing Bars. Polymers 2022, 14, 3051. [Google Scholar] [CrossRef] [PubMed]
- Hussein, A.; Huang, H.; Okuno, Y.; Wu, Z. Experimental and numerical parametric study on flexural behavior of concrete beams reinforced with hybrid combinations of steel and BFRP bars. Compos. Struct. 2022, 302, 116230. [Google Scholar] [CrossRef]
- Polskoy, P.P.; Mailyan, D.; Beskopylny, A.N.; Meskhi, B. Bearing Capacity of Reinforced Concrete Beams with Initial Cracks Reinforced with Polymer Composite Materials. Polymers 2022, 14, 3337. [Google Scholar] [CrossRef]
- Sinh, L.H.; Komuro, M.; Kawarai, T.; Kishi, N. Failure Modes of Reinforced Concrete Beams Strengthened in Flexure with Externally Bonded Aramid Fiber-Reinforced Polymer Sheets under Impact Loading. Buildings 2022, 12, 584. [Google Scholar] [CrossRef]
- Sbahieh, S.; Rabie, M.; Ebead, U.; Al-Ghamdi, S.G. The Mechanical and Environmental Performance of Fiber-Reinforced Polymers in Concrete Structures: Opportunities, Challenges and Future Directions. Buildings 2022, 12, 1417. [Google Scholar] [CrossRef]
- Muciaccia, G.; Khorasani, M.; Mostofinejad, D. Effect of different parameters on the performance of FRP anchors in combination with EBR-FRP strengthening systems: A review. Constr. Build. Mater. 2022, 354, 129181. [Google Scholar] [CrossRef]
- Shcherban’, E.M.; Stel’makh, S.A.; Beskopylny, A.; Mailyan, L.R.; Meskhi, B. Influence of Mechanochemical Activation of Concrete Components on the Properties of Vibro-Centrifugated Heavy Concrete. Appl. Sci. 2021, 11, 10647. [Google Scholar] [CrossRef]
- Nawaz, W.; Elchalakani, M.; Karrech, A.; Yehia, S.; Yang, B.; Youssf, O. Flexural behavior of all lightweight reinforced concrete beams externally strengthened with CFRP sheets. Constr. Build. Mater. 2022, 327, 126966. [Google Scholar] [CrossRef]
- Siddika, A.; Mamun, M.A.A.; Alyousef, R.; Amran, Y.H.M. Strengthening of reinforced concrete beams by using fiber-reinforced polymer composites: A review. J. Build. Eng. 2019, 25, 100798. [Google Scholar] [CrossRef]
- Bahij, S.; Omary, S.; Steiner, V.; Feugeas, F.; Faqiri, A. Strengthening Reinforced Concrete Beams by Using Different Types and Methods of Fiber-Reinforced Polymers: A Critical Review. Pract. Period. Struct. Des. Constr. 2022, 27, 03122005. [Google Scholar] [CrossRef]
- Balla, T.M.R.; Suriya Prakash, S.; Rajagopal, A. Role of size on the compression behaviour of hybrid FRP strengthened square RC columns–Experimental and finite element studies. Compos. Struct. 2023, 303, 116314. [Google Scholar] [CrossRef]
- Al Ekkawi, A.; El-Hacha, R. Al Ekkawi, A.; El-Hacha, R. A Review on Seismic Performance of Reinforced Concrete Columns Strengthened with Smart and Composite Materials. In 8th International Conference on Advanced Composite Materials in Bridges and Structures, Proceedings of the 8th International Conference on Advanced Composite Materials in Bridges and Structures, Sherbrooke, QC, Canada, 5–7 August 2021; Benmokrane, B., Mohamed, K., Farghaly, A., Mohamed, H., Eds.; Springer: Cham, Switzerland, 2023; Volume 267, pp. 129–138. [Google Scholar] [CrossRef]
- Saeed, Y.M.; Aules, W.A.; Rad, F.N. Post-strengthening rapid repair of damaged RC columns using CFRP sheets for confinement and NSM-CFRP ropes for flexural strengthening. Structures 2022, 43, 1315–1333. [Google Scholar] [CrossRef]
- Najafi, S.; Borzoo, S. Different strengthening designs and material properties on bending behavior of externally reinforced concrete slab. Struct. Monit. Maint. 2022, 9, 271–287. [Google Scholar] [CrossRef]
- Breveglieri, M.; Czaderski, C. Reinforced concrete slabs strengthened with externally bonded carbon fibre-reinforced polymer strips under long-term environmental exposure and sustained loading. Part 1: Outdoor experiments. Compos. Part C Open Access 2022, 7, 100239. [Google Scholar] [CrossRef]
- Hosen, M.A.; Althoey, F.; Jumaat, M.Z.; Alengaram, U.J.; Sulong, N.H.R. Flexural Performance of RC Beams Strengthened with Externally-Side Bonded Reinforcement (E-SBR) Technique Using CFRP Composites. Materials 2021, 14, 2809. [Google Scholar] [CrossRef]
- Al-Negheimish, A.I.; El-Sayed, A.K.; Al-Saawani, M.A.; Alhozaimy, A.M. Effect of Stirrups on Plate End Debonding in Reinforced Concrete Beams Strengthened with Fiber Reinforced Polymers. Polymers 2021, 13, 3322. [Google Scholar] [CrossRef] [PubMed]
- Kim, T.-K.; Jung, W.-T.; Park, J.-S.; Park, H.-B. Experimental Study on Effects of Additional Prestressing Using Fiber Reinforced Polymers and Strands on Deterioration of PSC Bridge Structure. Polymers 2022, 14, 1115. [Google Scholar] [CrossRef] [PubMed]
- Wang, B.; Wu, X.; Liu, Q.; Wu, Y.; Huang, F.; Xu, L.; Wu, X.; Deng, Y. Effectiveness and Efficiency of Externally Bonded CFRP Sheets for Shear Strengthening of RC Beam-Column Joints. Polymers 2022, 14, 1347. [Google Scholar] [CrossRef] [PubMed]
- Alsuhaibani, E.; Yazdani, N.; Beneberu, E. Durability and Long-Term Performance Prediction of Carbon Fiber Reinforced Polymer Laminates. Polymers 2022, 14, 3207. [Google Scholar] [CrossRef] [PubMed]
- Min, X.; Zhang, J.; Li, X.; Wang, C.; Tu, Y.; Sas, G.; Elfgren, L. An experimental study on fatigue debonding growth of RC beams strengthened with prestressed CFRP plates. Eng. Struct. 2022, 273, 115081. [Google Scholar] [CrossRef]
- Akkaya, H.C.; Aydemir, C.; Arslan, G. Investigation on shear behavior of reinforced concrete deep beams without shear reinforcement strengthened with fiber reinforced polymers. Case Stud. Constr. Mater. 2022, 17, e01392. [Google Scholar] [CrossRef]
- Taherirani, M.; Noroozolyaee, M.; Salimian, M.S.; Mostofinejad, D. Evaluation of square slender RC columns subjected to eccentric loading strengthened with longitudinal FRP sheets based on PIV analysis. Constr. Build. Mater. 2022, 324, 126635. [Google Scholar] [CrossRef]
- Nematzadeh, M.; Mousavimehr, M.; Shayanfar, J.; Omidalizadeh, M. Eccentric compressive behavior of steel fiber-reinforced RC columns strengthened with CFRP wraps: Experimental investigation and analytical modeling. Eng. Struct. 2020, 226, 111389. [Google Scholar] [CrossRef]
- Al-Akhras, N.; Al-Mashraqi, M. Repair of corroded self-compacted reinforced concrete columns loaded eccentrically using carbon fiber reinforced polymer. Case Stud. Constr. Mater. 2020, 14, e00476. [Google Scholar] [CrossRef]
- Zeng, J.J.; Lin, G.; Teng, J.G.; Li., L.J. Behavior of large-scale FRP-confined rectangular RC columns under axial compression. Eng. Struct. 2018, 174, 629–645. [Google Scholar] [CrossRef]



















| N | Concrete Type | Consumption of Materials by Weight per 1 m3 of Concrete | Density, γ kg/m3 | |||||
|---|---|---|---|---|---|---|---|---|
| C | S | CS | W | |||||
| 1 | Heavy concrete | 454 | 469 | 1290 | 180 | 2360 | ||
| Steel Class | Nominal Diameter, mm | , cm2 | , MPa | , MPa |
|---|---|---|---|---|
| A500 | 12.0 | 1.313 | 612.7 | 530.8 |
| B500 | 6.0 | 0.283 | 607.8 | 497 |
| Column Series | Age of Concrete, Days | Column Code | Experimental Strength of Concrete, MPa | , MPa | ||
|---|---|---|---|---|---|---|
| B | ||||||
| 2 | 3 | 4 | 5 | 6 | 7 | 8 |
| A | 454 | A | 42.6 | 33.2 | 31.0 | 36,660 |
| 546 | AU-X1 | 38.6 | 30.0 | 28.2 | 35,580 | |
| 465 | AU-X4 | 50.6 | 35.3 | 36.3 | 38,120 | |
| 416 | AU-X5 | 38.7 | 30.1 | 28.3 | 35,600 | |
| 530 | AU-X1L | 40.8 | 31.8 | 29.8 | 36,250 | |
| 516 | AU-X1R | 38.7 | 30.1 | 28.3 | 35,600 | |
| B | 523 | B | 38.9 | 30.3 | 28.4 | 35,670 |
| 546 | BU-X1 | 38.6 | 30.0 | 28.2 | 35,580 | |
| 523 | BU-X2 | 38.9 | 30.3 | 28.4 | 35,670 | |
| 536 | BU-X5 | 41.6 | 32.4 | 30.3 | 36,320 | |
| 536 | BU-X2Lc | 41.6 | 32.4 | 30.3 | 36,320 | |
| 530 | BU-X1Lr | 40.8 | 31.8 | 29.8 | 36,250 | |
| C | 454 | C | 42.6 | 33.2 | 31.0 | 36,660 |
| 454 | CU-X1 | 42.6 | 33.2 | 31.0 | 36,660 | |
| 454 | CU-X1Lr | 42.6 | 33.2 | 31.0 | 36,660 | |
| 465 | CU-X3Lr | 50.6 | 39.4 | 36.4 | 38,120 | |
| Characteristics of Prototypes | Number | Columns Code | Concrete Class B | Specification of Reinforcement Variants | Ultimate Strains | Experimental Values | |||
|---|---|---|---|---|---|---|---|---|---|
| mm | |||||||||
| 1 | 2 | 3 | 4 | 5 | 6 | 7 | 8 | 9 | 10 |
| Series A. Axial eccentricity e0 = 0. Section 250 × 125 (h) mm l0 = 1200 mm, λh = 10. Longitudinal reinforcement 4Ø12A500 (µs = 1.45) collars Ø6B500, s = 180 mm | 1 | A | 33.2 | Control sample | 2.6 | 3.63 | 1150 | 1.165 | 1.0 |
| 2 | AU-X1 | 30.0 | 2.4 | 3.3 | 1190.5 | 0.4 | 1.035 | ||
| 3 | AU-X4 | 39.3 | 2.1 | 4.17 | 1600 | 2.52 | 1.39 | ||
| 4 | AU-X5 | 30.1 | (Clip along the entire length) | 3.6 | 4.75 | 1625 | 0.7 | 1.41 | |
| 5 | AU-X1L | 31.8 | 2.4 | 3.74 | 1100 | 0.79 | 0.96 | ||
| 6 | AU-X1R | 30.1 | 3.9 | 3.1 | 1379 | 1.82 | 1.199 | ||
| Series B. Axial eccentricity e0 = 2 cm. Section-250 × 125 (h) mm l0 = 1200 mm, λh = 10. Longitudinal reinforcement 4Ø12A500 (µs = 1.45) collars Ø6B500, s = 180 mm | 7 | B | 30.3 | Control specimen | −0.25 | 3.25 | 592.5 | 5.2 | - |
| 8 | BU-X1 | 30.0 | 0.05 | 3.4 | 778.9 | 7.28 | 1.315 | ||
| 9 | BU-X2 | 30.3 | −0.51 | 3.8 | 794.7 | 6.5 | 1.34 | ||
| 10 | BU- X5 | 32.4 | (Clip along the entire length) | −0.5 | 4.63 | 844.0 | 7.6 | 1.42 | |
| 11 | BU- X2Lc | 32.4 | 2 carbon laminate in the compressed zone: | −0.01 | 2.75 | 800.0 | 6.07 | 1.35 | |
| 12 | BU-X1Lr | 31.8 | 2 carbon laminate in the tensile zone: b = 50 mm, t =1.4 mm | −1.6 | 5.0 | 700.0 | 11.3 | 1.18 | |
| Series C. Axial eccentricity e0 = 4 cm. Section-250 × 125 (h) mm l0 = 1200 mm, λh = 10. Longitudinal reinforcement 4Ø12A500 (µs = 1.45) stirrups Ø6B500, sw = 180 mm | 13 | C | 33.2 | Control element | −2.2 | 3.3 | 422.2 | 9.15 | - |
| 14 | CU-X1 | 33.2 | −2.7 | 4.23 | 482.5 | 10.3 | 1.148 | ||
| 15 | CU-X1Lr | 33.2 | 2 carbon laminate in the tensile zone: | −1.1 | 4.1 | 530 | 9.2 | 1.25 | |
| 16 | CU-X3Lr | 39.4 | Stirrup in center 2- carbon laminate in the tensile zone: | −1.25 | 2.95 | 608 | 10.87 | 1.44 | |
| Num. | CONCRETE Class B, MPa | Experimental Force (kN) at: | Normalized Force (kN) at: | ||||||||
|---|---|---|---|---|---|---|---|---|---|---|---|
| 1 | 2 | 3 | 4 | 5 | 6 | 7 | 8 | 9 | 10 | ||
| 1 | 33.2 | 1150 | 1150.0 | 1150.0 | 1150.0 | - | 1.0 | 1.0 | 1.0 | ||
| 2 * | 30.0 | 1190.5 | 1190.5 | 1317.5 | 1317.5 | 167.5 | 1.0 | 1.093 | 1.093 | ||
| 5 * | 31.8 | 1100.0 | 1100.0 | 1148.4 | 1148.4 | - | 1.0 | 1.0 | 1.0 | ||
| 1205.3 | 1205.3 | ||||||||||
| 3 | 39.3 | 1600.0 | 1600.0 | 1351.6 | 1351.6 | 146.3 | 1.0 | 1.12 | 1.12 | ||
| 4 | 30.1 | 1625.0 | 1625.0 | 1792.3 | 1792.3 | 587.0 | 1.0 | 1.487 | 1.487 | ||
| 6 | 30.1 | 1379.0 | 1379.0 | 1521.0 | 1521.0 | 315.7 | 1.0 | 1.262 | 1.262 | ||
| 7 | 30.3 | 592.5 | 550.0 | 592.5 | 550.0 | - | 0.92 | 1.0 | 1.0 | ||
| 12 * | 31.8 | 700.0 | 630.0 | 667.06 | 600.3 | 37.2 | 0.9 | 1.06 | 1.05 | ||
| 629.7 | 572.6 | ||||||||||
| 8 | 30.0 | 778.9 | 707 | 786.7 | 714.0 | 157.0 | 0.91 | 1.249 | 1.24 | ||
| 2 | 4 | 5 | 6 | 7 | 8 | 9 | 10 | 11 | 12 | ||
| 9 | 30.3 | 794.7 | 730.0 | 794.7 | 730.0 | 165.0 | 0.92 | 1.262 | 1.27 | ||
| 10 | 32.4 | 844.0 | 750.0 | 789.3 | 701.4 | 159.6 | 0.89 | 1.253 | 1.225 | ||
| 11 | 32.4 | 800.0 | 750.0 | 748.1 | 701.4 | 118.4 | 0.94 | 1.188 | 1.22 | ||
| 13 | 33.2 | 422.2 | 335.0 | 422.2 | 335.0 | - | 0.794 | 1.0 | 1.0 | ||
| 14 * | 33.2 | 482.5 | 391.0 | 482.5 452.3 | 391.0 357.5 | 330.2 | 0.788 | 1.067 | 1.063 | ||
| 15 | 33.2 | 530.0 | 438.0 | 530.0 | 438.0 | 77.7 | 0.826 | 1.172 | 1.225 | ||
| 16 | 39.4 | 608.0 | 453.0 | 512.3 | 381.7 | 60.0 | 0.745 | 1.133 | 1.07 | ||
| Specimens’ Series | Num | Column Code | Concrete Class , MPa | ||||
|---|---|---|---|---|---|---|---|
| 1 | 2 | 3 | 4 | 5 | 6 | 7 | 8 |
| Short Columns | |||||||
| Serie A. Axial Eccentricity = 0. | 1 | A * | 33.2 | 1205.3 | 1.0 * | 1.0 | 1.0 |
| 2 | AU-X1 | 30.0 | 1317.5 | 1.093 * | 1.12 | 1.12 | |
| 3 | AU-X4 | 39.3 | 1351.6 | 1.121 | 1.216 | 1.216 | |
| 4 | AU-X5 | 30.1 | 1792.3 | 1.487 | 1.523 | 1.523 | |
| 5 | AU-X1L | 31.8 | 1148.4 | 0.953 * | 0.99 | 0.99 | |
| 6 | AU-X1R | 30.1 | 1521.0 | 1.262 | 1.295 | 1.295 | |
| Serie B. Axial Eccentricity = 2.0 cm (0.16 h) | 7 | B * | 30.3 | 629.7 | 1.0 * | - | - |
| 8 | BU-X1 | 30.0 | 786.7 | 1.249 | - | - | |
| 9 | BU-X2 | 30.3 | 794.7 | 1.262 | - | - | |
| 10 | BU-X5 | 32.4 | 789.3 | 1.253 | - | - | |
| 11 | BU-X2Lc | 32.4 | 748.1 | 1.188 | - | - | |
| 12 | BU-X1Lr | 31.8 | 667.0 | 1.06 * | - | - | |
| Serie C. Axial Eccentricity = 4.0 cm (0.32 h) | 13 | C * | 33.2 | 452.3 | 1.0 * | - | - |
| 14 | CU-X1 | 33.2 | 482.5 | 1.067 * | - | - | |
| 15 | CU-X1Lr | 33.2 | 530.0 | 1.172 | - | - | |
| 16 | CU-X3Lr | 39.4 | 512.3 | 1.133 | - | - | |
| Sample’s Code | Parameters | Experimental Results | Calculation Results | |||||||
|---|---|---|---|---|---|---|---|---|---|---|
| λh | e0 | , MPa | kN | x, cm | kN | kN | ||||
| 1 | 2 | 3 | 4 | 5 | 6 | 7 | 8 | 9 | 10 | 11 |
| AKY-X1 | 10 | 0.2 | 282.3 | 1190.5 | 11.1 | 518,800 | 1.28 | 1156 | 0.97 | |
| AKY-X4 | 10 | 0.2 | 363.7 | 1600 | 11.3 | 797,093 | 1.22 | 1462 | 0.91 | |
| AKY-X5 | 10 | 0.2 | 283.0 | 1625 | 11.2 | 976,040 | 1.15 | 1275 | 0.78 | |
| BKY-X1 | 10 | 2.2 | 282.3 | 778.9 | 7.3 | 433,565 | 1.18 | 676 | 0.87 | |
| BKY-X2 | 10 | 2.2 | 284.5 | 794.7 | 7.3 | 443,950 | 1.18 | 699 | 0.88 | |
| BKY-X5 | 10 | 2.2 | 302.9 | 844 | 7.3 | 473,548 | 1.19 | 777 | 0.92 | |
| CKY-X1 | 10 | 4.2 | 309.9 | 482.5 | 5.17 | 318,305 | 1.16 | 450 | 0.93 | |
| ΣΔ2 = 0.06 | ||||||||||
Disclaimer/Publisher’s Note: The statements, opinions and data contained in all publications are solely those of the individual author(s) and contributor(s) and not of MDPI and/or the editor(s). MDPI and/or the editor(s) disclaim responsibility for any injury to people or property resulting from any ideas, methods, instructions or products referred to in the content. |
© 2022 by the authors. Licensee MDPI, Basel, Switzerland. This article is an open access article distributed under the terms and conditions of the Creative Commons Attribution (CC BY) license (https://creativecommons.org/licenses/by/4.0/).
Share and Cite
Polskoy, P.P.; Mailyan, D.; Beskopylny, A.N.; Meskhi, B.; Shilov, A.V.; Umarov, A. Strength of Compressed Reinforced Concrete Elements Reinforced with CFRP at Different Load Application Eccentricity. Polymers 2023, 15, 26. https://doi.org/10.3390/polym15010026
Polskoy PP, Mailyan D, Beskopylny AN, Meskhi B, Shilov AV, Umarov A. Strength of Compressed Reinforced Concrete Elements Reinforced with CFRP at Different Load Application Eccentricity. Polymers. 2023; 15(1):26. https://doi.org/10.3390/polym15010026
Chicago/Turabian StylePolskoy, Petr P., Dmitry Mailyan, Alexey N. Beskopylny, Besarion Meskhi, Aleksandr V. Shilov, and Artur Umarov. 2023. "Strength of Compressed Reinforced Concrete Elements Reinforced with CFRP at Different Load Application Eccentricity" Polymers 15, no. 1: 26. https://doi.org/10.3390/polym15010026
APA StylePolskoy, P. P., Mailyan, D., Beskopylny, A. N., Meskhi, B., Shilov, A. V., & Umarov, A. (2023). Strength of Compressed Reinforced Concrete Elements Reinforced with CFRP at Different Load Application Eccentricity. Polymers, 15(1), 26. https://doi.org/10.3390/polym15010026

