An Experimental and Numerical Study on Impact and Compression after Impact of Stiffened Composite Panels
Abstract
1. Introduction
2. Experimental Set-Up
2.1. Specimen and Material Properties
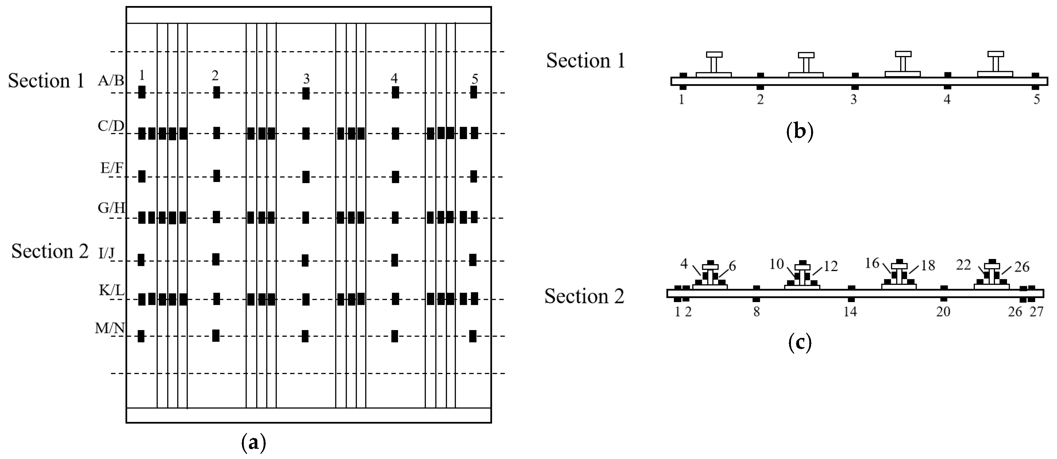
2.2. CAI Test
2.3. Fatigue Test
3. Failure Criterion and Damage Evolution
3.1. Failure Criteria and Degradation Procedure
3.2. Finite Element Modelling
4. Impact and CAI Experiment and Simulation Results
4.1. Impact Test Result
4.2. Influence Analysis after Introducing Fatigue Damage
4.3. Failure Damage Propagation of CAI
5. Influence of Skin/Stringer Stiffness Ratio on Post Buckling Process
6. Conclusions
- (1)
- The shape of impact damage is approximate to the ellipse, the long axis is along the direction of the stiffeners, and the short axis is perpendicular to stiffeners. The size of the damage area is related to many factors, such as the cross-sectional size of stiffeners, spacing of stiffeners, the material and the thickness of the skin. Comparing four sets of stiffened panels, it is found that the ply ratio and the thickness of the skin are the main factors.
- (2)
- The influence of fatigue damage on residual strength after impact was also studied experimentally, with results showing that the buckling and failure loads decreased by about 5% under 106 flight fatigue loads. However, there are obvious fluctuations in the load-displacement curves, which may have been caused by debonding between the stiffeners and the skin.
- (3)
- The buckling load, failure load, and failure mode obtained from the simulation model established in this paper are in good agreement with the tests, so the 2D shell model combined with the Hashin criterion and stiffness degradation can meet the need for evaluation of composite stiffened panels in engineering.
- (4)
- Based on the experiment results and the simulation matrix, the relationship between post-buckling ratio and skin/stringer stiffness ratio is analyzed. The results show that the post-buckling ratio increases with the increase of the skin/stiffness ratio, and is then stable after 2.0. Furthermore, the thinner the skin, the greater the post-buckling ratio.
Author Contributions
Funding
Data Availability Statement
Acknowledgments
Conflicts of Interest
References
- Xian, G.; Guo, R.; Li, C.; Wang, Y. Mechanical performance evolution and life prediction of prestressed CFRP plate exposed to hygrothermal and freeze-thaw environments. Compos. Struct. 2022, 293, 115719. [Google Scholar] [CrossRef]
- Pan, Y.; Yan, D. Study on the durability of GFRP bars and carbon/glass hybrid fiber reinforced polymer (HFRP) bars aged in alkaline solution. Compos. Struct. 2021, 261, 113285. [Google Scholar] [CrossRef]
- Li, C.; Xian, G. Mechanical property evolution and life prediction of carbon fiber and pultruded carbon fiber reinforced polymer plate exposed to elevated temperatures. Polym. Compos. 2020, 41, 5143–5155. [Google Scholar] [CrossRef]
- Muflikhun, M.A.; Higuchi, R.; Yokozeki, T.; Aoki, T. Failure mode analysis of CFRP-SPCC hybrid thin laminates under axial loading for structural applications: Experimental research on strain performance. Compos. Part B 2019, 172, 262–270. [Google Scholar] [CrossRef]
- Muflflikhun, M.A.; Fiedler, B. Failure Prediction and Surface Characterization of GFRP Laminates: A Study of Stepwise Loading. Polymers 2022, 14, 4322. [Google Scholar] [CrossRef]
- Liu, D.; Bai, R.; Lei, Z.; Guo, J.; Zou, J.; Wu, W.; Yan, C. Experimental and numerical study on compression-after-impact behavior of composite panels with foam-filled hat stiffener. Ocean. Eng. 2020, 198, 106991. [Google Scholar] [CrossRef]
- Feng, Y.; Zhang, H.; Tan, X.; He, Y.; An, T.; Zheng, J. Effect of impact damage positions on the buckling and post-buckling behaviors of stiffened composite panel. Compos. Struct. 2016, 155, 184–196. [Google Scholar] [CrossRef]
- Perret, A.; Mistou, S.; Fazzini, M.; Brault, R. Global behaviour of a composite stiffened panel in buckling. Part2: Experimental investigation. Compos. Struct. 2012, 94, 376–385. [Google Scholar] [CrossRef]
- Wilckens, D.; Odermann, F.; Kling, A. Buckling and post buckling of stiffened CFRP panels under compression and shear-test and numerical analysis. In Proceedings of the AIAA 2013, Boston, MA, USA, 8–11 April 2013; p. 1824. [Google Scholar]
- Tiberkak, R.; Bachene, M.; Rechak, S.; Necib, B. Damage prediction in composite plates subjected to low velocity impact. Compos. Struct. 2008, 83, 73–82. [Google Scholar] [CrossRef]
- Sun, W.; Guan, Z.; Li, Z.; Ouyang, T.; Jiang, Y. Modelling and simulating of the compressive behavior of T-stiffened composite panels subjected to stiffener impact. Compos. Struct. 2018, 186, 221–232. [Google Scholar] [CrossRef]
- Tan, R.; Guan, Z.; Sun, W.; Liu, Z.; Xu, J. Experiment investigation on impact damage and influences on compression behaviors of single T-stiffened composite panels. Compos. Struct. 2018, 203, 486–497. [Google Scholar] [CrossRef]
- Soto, A.; González, E.V.; Maimí, P.; Mayugo, J.A.; Pasquali, P.R.; Camanho, P.P. A methodology to simulate low velocity impact and compression after impact in large composite stiffened panels. Compos. Struct. 2018, 204, 223–238. [Google Scholar] [CrossRef]
- Wu, X.; Chen, Q.; Zhao, B.; Zhang, K.; Wang, P.; Yue, Z. Experimental behavior and shear bearing capacity simulation of stiffened composite panels subjected to invisible damage impact. Thin-Walled Struct. 2022, 178, 109454. [Google Scholar] [CrossRef]
- Wu, Q.; Hu, S.; Tang, X.; Liu, X.; Chen, Z.; Xiong, J. Compressive buckling and post-buckling behaviors of J-type composite stiffened panel before and after impact load. Compos. Struct. 2023, 304, 116339. [Google Scholar] [CrossRef]
- Donadon, M.V.; Iannucci, L.; Falzon, B.G.; Hodgkinson, J.M.; de Almeida, S.F. A progressive failure model for composite laminates subjected to low velocity impact damage. Comput. Struct. 2008, 86, 1232–1252. [Google Scholar] [CrossRef]
- Sun, X.C.; Hallett, S.R. Barely visible impact damage in scaled composite laminates: Experiments and numerical simulations. Int. J. Impact Eng. 2017, 109, 178–195. [Google Scholar] [CrossRef]
- Zou, J.; Lei, Z.; Bai, R.; Liu, D.; Jiang, H.; Liu, J.; Yan, C. Damage and failure analysis of composite stiffened panels under low-velocity impact and compression after impact. Compos. Struct. 2021, 262, 113333. [Google Scholar] [CrossRef]
- Li, N.; Chen, P. Failure prediction of T-stiffened composite panels subjected to compression after edge impact. Compos. Struct. 2017, 162, 210–226. [Google Scholar] [CrossRef]
- Zhu, S.; Yan, J.; Chen, Z.; Tong, M.; Wang, Y. Effect of the stiffener stiffness on the buckling and post-buckling behavior of stiffened composite panels -Experimental investigation. Compos. Struct. 2015, 120, 334–345. [Google Scholar] [CrossRef]
- Feng, Y.; He, Y.; Zhang, H.; Tan, X.; An, T.; Zheng, J. Effect of fatigue loading on impact damage and buckling/post-buckling behaviors of stiffened composite panels under axial compression. Compos. Struct. 2017, 164, 248–262. [Google Scholar] [CrossRef]
- Raimondo, A.; Doesburg, S.A.; Bisagni, C. Numerical study of quasi-static and fatigue delamination growth in a post-buckled composite stiffened panel. Compos. Part B Eng. 2020, 182, 107589. [Google Scholar] [CrossRef]
- Zhou, J.; Guan, Z.; Tian, O.; Wang, X.; Li, Z.; Hu, H. Experimental investigation of shear fatigue behavior of composite stiffened panels with impact damage. Thin-Walled Struct. 2022, 181, 110118. [Google Scholar] [CrossRef]
- Sabelkin, V.; Mall, S.; Avram, J.B. Fatigue crack growth analysis of stiffened cracked panel repaired with bonded composite patch. Eng. Fract. Mech. 2006, 73, 1553–1567. [Google Scholar] [CrossRef]
- Van Den Akker, B.P.H.; Donadon, M.V.; Loendersloot, R.; de Oliveira, L.A.; Arbelo, M.A. The influence of hygrothermal aging on the fatigue behavior and residual strength of post-buckled co-bonded stiffened panels subjected to compressive loading. Compos. Part B Eng. 2020, 194, 108023. [Google Scholar] [CrossRef]
- Wang, P.; Lian, C.; Yue, C.; Wu, X.; Zhang, J.; Zhang, K.; Yue, Z. Experimental and numerical study of tire debris impact on fuel tank cover based on coupled Eulerian-Lagrangian method. Int. J. Impact Eng. 2021, 157, 103968. [Google Scholar] [CrossRef]
- Riccio, A.; Ricchiuto, R.; Saputo, S.; Raimondo, A.; Caputo, F.; Antonucci, V.; Lopresto, V. Impact behaviour of omega stiffened composite panels. Prog. Aerosp. Sci. 2016, 81, 41–48. [Google Scholar] [CrossRef]
- Faggiani, A.; Falzon, B.G. Predicting low-velocity impact damage on a stiffened composite panel. Compos. Part A Appl. Sci. Manuf. 2010, 41, 737–749. [Google Scholar] [CrossRef]
- Wang, X.M.; Cao, W.; Deng, C.H.; Wang, P.Y.; Yue, Z.F. Experimental and numerical analysis for the post-buckling behavior of stiffened composite panels with impact damage. Compos. Struct. 2015, 133, 840–846. [Google Scholar] [CrossRef]
- Muflikhun, M.A.; Yokozeki, T. Experimental and numerical analysis of CFRP-SPCC hybrid laminates for automotive and structural applications with cost analysis assessment. Compos. Struct. 2021, 263, 13707. [Google Scholar] [CrossRef]
- Tan, S.C. A progressive failure model for composite laminates containing openings. J. Compos. Mater. 1991, 25, 556–577. [Google Scholar] [CrossRef]













| Code | Parameter | Four Types of Composite Stiffened Panel | |||
|---|---|---|---|---|---|
| C1 | C2 | C3 | C4 | ||
| L | Total length | 650 | 670 | 650 | 605 |
| W | Width | 612 | 612 | 600 | 600 |
| L1 | Effective length | 550 | 570 | 550 | 505 |
| W1 | Rib spacing | 153 | 153 | 150 | 150 |
| H | Rib Height | 45 | 45 | 30 | 40 |
| W2 | Width of Rib inner edge | 55 | 55 | 50 | 50 |
| W3 | Width of Rib outer edge | 25 | 25 | 20 | 20 |
| t | Rib thickness | 3.25 | 3.25 | 2 | 3.5 |
| Set | Skin | Stringer |
|---|---|---|
| C1 | [−45/0/−45/0/45/45/0/45/90/0/90/−45/0]S | [−45/02/452/02/−45/02/45/90/−45]S |
| C2 | [−45/0/−45/0/452/02/45/90/−45/0/90/−45/02/45]S | [−45/02/452/02/−45/02/45/90/−45]S |
| C3 | [45/45/03/−45/90/0/90]S | [0/45/−45/90/45/02/−45]S |
| C4 | [45/45/03/−45/90/45/03/−45/90/04]S | [02/45/02/−452/90/452/03/−45]S |
| Physical | Code | T300/BA9916 | T300/5228A |
|---|---|---|---|
| Longitudinal Young modulus | (GPa) | 135 | 127 |
| Transverse Young modulus | (GPa) | 9.63 | 8.7 |
| Poisson’s ratio | 0.3 | 0.32 | |
| In-plane shear modulus | (GPa) | 4.69 | 3.8 |
| Longitudinal tensile strength | (MPa) | 1805 | 3150 |
| Longitudinal compressive strength | (MPa) | 1338 | 1494 |
| Transverse tensile strength | (MPa) | 55.1 | 94.2 |
| Transverse compressive strength | (MPa) | 204 | 50 |
| In-plane shear strength | S (MPa) | 130 | 230 |
| Ply thickness | T (mm) | 0.125 | 0.125 |
| Density | (g/cm3) | 1.6 | 1.6 |
| Failure Mode | Failure Criterion |
|---|---|
| Matrix compression failure | |
| Matrix tensile failure | |
| Fiber compression failure | |
| Fiber tensile failure | |
| Fiber matrix shear failure |
| Failure Mode | Stiffness Reduction Criterion |
|---|---|
| Matrix compression failure | (=, , ) |
| Matrix tensile failure | (=, , ) |
| Fiber compression failure | (=, , ) |
| Fiber tensile failure | (=, , ) |
| Fiber matrix shear failure | (=, ) |
| Type | C1 | C2 | C3 | C4 | |
|---|---|---|---|---|---|
| Damage photos | ![]() | ![]() | ![]() | ![]() | |
| Damage area/mm (Four repeat specimens) | 65 × 40 95 × 41 77 × 42 82 × 41 | 66 × 36 65 × 42 100 × 39 64 × 40 | 82 × 35 112 × 38.5 79 × 41.5 115 × 45.6 | 82 × 39 76 × 24 75 × 40 70 × 38 | |
| Average damage area/mm | 79.8 × 41 | 73.8 × 39.3 | 97 × 40.2 | 75.8 × 35.3 | |
| Skin thickness/mm | 3.25 | 4.25 | 2.25 | 4.25 | |
| Ply ratio | ±45° | 46.2% | 47.1% | 33.3% | 29.4% |
| 0° | 38.5% | 41.2% | 44.4% | 58.8% | |
| 90° | 15.4% | 11.8% | 22.2% | 11.8% | |
| Panel Type | Identifier | BL/KN | FL/KN | PBL | Identifier | BL/KN | FL/KN | PBR |
|---|---|---|---|---|---|---|---|---|
| C1 | C1-S-1 | 703 | 986.2 | 1.40 | C1-F-1 | 703 | 953.1 | 1.36 |
| C1-S-2 | 721 | 998.6 | 1.38 | C1-F-2 | 667 | 935.5 | 1.40 | |
| FEA | 712 | 986 | ||||||
| C2 | C2-S-1 | 1075 | 1417.9 | 1.32 | C2-F-1 | 920 | 1273.7 | 1.38 |
| C2-S-2 | 1050 | 1336.7 | 1.27 | C2-F-2 | 994 | 1315.8 | 1.32 | |
| FEA | 1034.2 | 1332 | ||||||
| C3 | C3-S-1 | 188 | 396.9 | 2.13 | C3-F-1 | 208 | 512 | 2.27 |
| C3-S-2 | 195 | 418.0 | 2.14 | C3-F-2 | 191 | 431 | 2.05 | |
| FEA | 189.0 | 443.7 | ||||||
| C4 | C4-S-1 | 1105 | 1433.2 | 1.30 | C4-F-1 | 1025 | 1450.1 | 1.41 |
| C4-S-2 | 1052 | 1297.7 | 1.23 | C4-F-2 | 1010 | 1395.7 | 1.38 | |
| FEA | 977.8 | 1366.0 |
| Code | Ply | Total Plies | Equivalent Modulus/MPa | Area /mm2 | EA /MPa.mm2 |
|---|---|---|---|---|---|
| Skin | |||||
| S1 | [−45/0/−45/0/45/45/0/45/90/0/90/−45/0]S | 26 | 68.252 | 1787.5 | 122,000.45 |
| S2 | [−45/0/−45/0/452/02/45/90/−45/0/90/−45/02/45]S | 34 | 71.128 | 2337.5 | 166,261.7 |
| S3 | [45/45/03/−45/90/0/90]S | 18 | 66.81 | 1237.5 | 82,677.38 |
| Stiffener | |||||
| J1 | [0/45/−45/90/45/02/−45]S | 16 | 59.741 | 190.0 | 45,403.16 |
| J2 | [−45/02/452/02/−45/02/45/90/−45]S | 26 | 76.351 | 308.8 | 94,293.485 |
| J3 | [02/45/02/−452/90/452/03/−45]S | 28 | 72.326 | 315.0 | 91,130.76 |
| J4 | [0/45/−45/90/45/02/−45]2S | 32 | 59.741 | 380.0 | 90,806.32 |
| J5 | [−45/02/452/02/−45/02/45/90/−45]2S | 52 | 76.351 | 617.5 | 188,586.97 |
| Model | Skin Ply | Stiffener Ply | BL/KN | FL/KN | PBR | |
|---|---|---|---|---|---|---|
| Model-1 | S1 | J1 | 462.8 | 817.35 | 2.69 | 1.77 |
| Model-2 | J2 | 732.48 | 1116.67 | 1.29 | 1.52 | |
| Model-3 | J3 | 827.04 | 1260.53 | 1.34 | 1.52 | |
| Model-4 | J4 | 906.85 | 1279.71 | 1.34 | 1.41 | |
| Model-5 | J5 | 1536.3 | 1965.6 | 0.65 | 1.28 | |
| Model-6 | S2 | J1 | 769.12 | 1051.47 | 3.66 | 1.37 |
| Model-7 | J2 | 1179.6 | 1441.49 | 1.76 | 1.22 | |
| Model-8 | J3 | 1260 | 1482.58 | 1.82 | 1.18 | |
| Model-9 | J4 | 1410.6 | 1471.98 | 1.34 | 1.12 | |
| Model-10 | J5 | 1195.9 | 1434.82 | 0.65 | 1.03 | |
| Model-11 | S3 | J1 | 232.25 | 476.36 | 1.82 | 2.05 |
| Model-12 | J2 | 361.18 | 708.12 | 0.88 | 1.44 | |
| Model-12 | J3 | 380.44 | 780.06 | 0.91 | 1.39 |
Disclaimer/Publisher’s Note: The statements, opinions and data contained in all publications are solely those of the individual author(s) and contributor(s) and not of MDPI and/or the editor(s). MDPI and/or the editor(s) disclaim responsibility for any injury to people or property resulting from any ideas, methods, instructions or products referred to in the content. |
© 2022 by the authors. Licensee MDPI, Basel, Switzerland. This article is an open access article distributed under the terms and conditions of the Creative Commons Attribution (CC BY) license (https://creativecommons.org/licenses/by/4.0/).
Share and Cite
Wang, P.; Chen, Y.; Yue, C.; Zhao, W.; Lian, C.; Zhang, K.; Zheng, J.; Yue, Z. An Experimental and Numerical Study on Impact and Compression after Impact of Stiffened Composite Panels. Polymers 2023, 15, 165. https://doi.org/10.3390/polym15010165
Wang P, Chen Y, Yue C, Zhao W, Lian C, Zhang K, Zheng J, Yue Z. An Experimental and Numerical Study on Impact and Compression after Impact of Stiffened Composite Panels. Polymers. 2023; 15(1):165. https://doi.org/10.3390/polym15010165
Chicago/Turabian StyleWang, Peiyan, Yongshun Chen, Chunxia Yue, Wei Zhao, Chenchen Lian, Ke Zhang, Jie Zheng, and Zhufeng Yue. 2023. "An Experimental and Numerical Study on Impact and Compression after Impact of Stiffened Composite Panels" Polymers 15, no. 1: 165. https://doi.org/10.3390/polym15010165
APA StyleWang, P., Chen, Y., Yue, C., Zhao, W., Lian, C., Zhang, K., Zheng, J., & Yue, Z. (2023). An Experimental and Numerical Study on Impact and Compression after Impact of Stiffened Composite Panels. Polymers, 15(1), 165. https://doi.org/10.3390/polym15010165





