The Effect of Crystallinity on the Toughness of Cast Polyamide 6 Rods with Different Diameters
Abstract
1. Introduction
2. Materials and Methods
2.1. Material
2.2. Casting Technology
2.3. Testing Methods
2.4. Sample Preparation
3. Results and Discussion
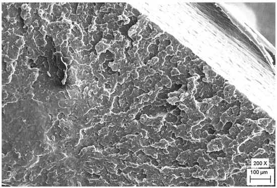
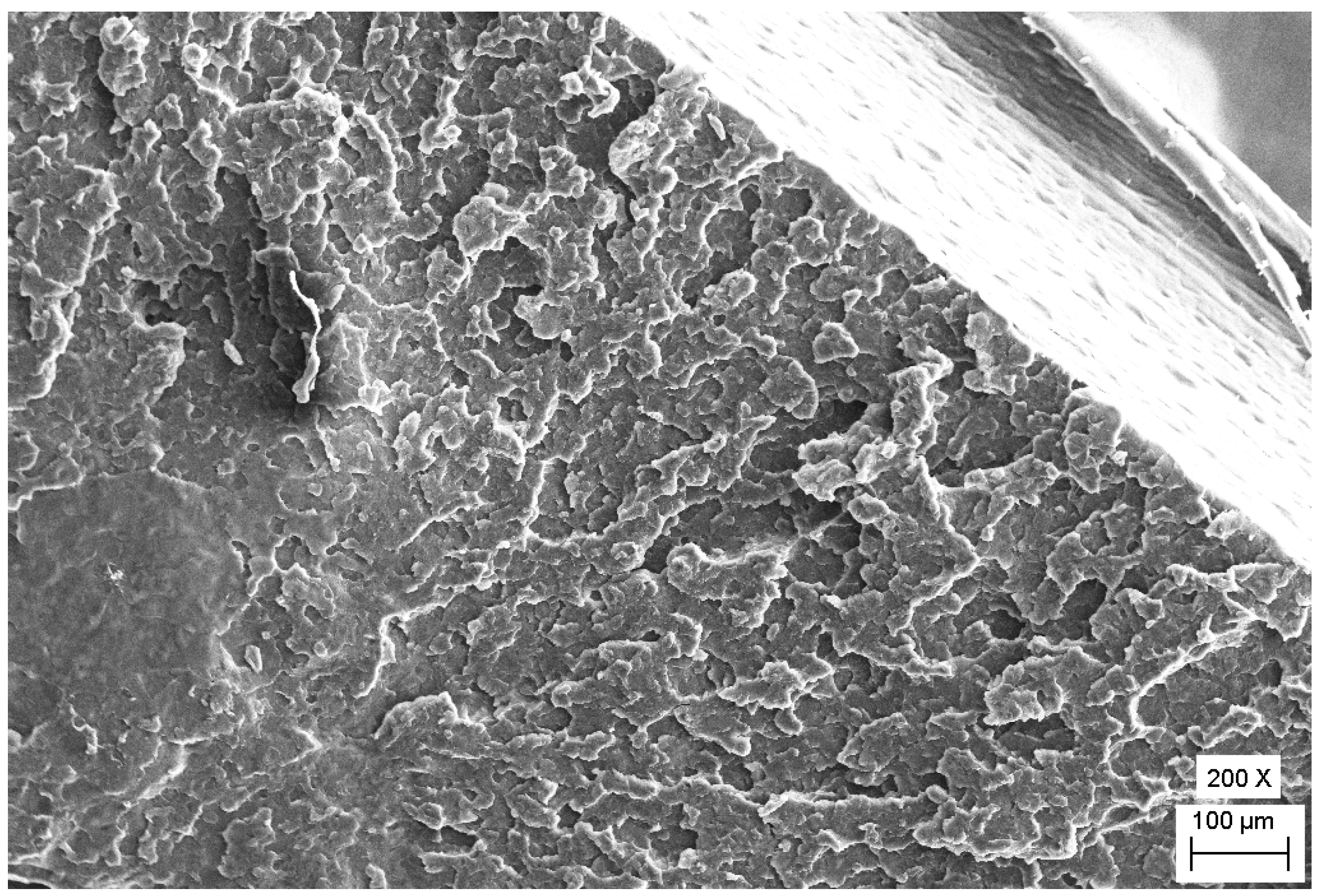
3.1. Charpy Impact and Tensile Impact Test
3.2. Differential Scanning Calorimetry
3.3. Statistical Analysis
3.4. Regression Models
4. Conclusions
Supplementary Materials
Author Contributions
Funding
Conflicts of Interest
Appendix A




References
- Mishra, S.P. A Text Book of Fibre Science and Technology, 1st ed.; New Age International: New Delhi, India, 2000; pp. 197–226. [Google Scholar]
- Rosen, S.L.; Brazel, C.S. Fundamental Principles of Polymeric Materials, 3rd ed.; John Wiley & Sons: New Jersey, NJ, USA, 2012; pp. 46–60. [Google Scholar]
- Sarankó, A.; Szakál, Z.; Kalácska, G.; Samyn, P.; Sukumaran, J.; Klébert, S.; Károly, Z. Adhesion and sliding tribological properties of polyolefins treated by diffuse coplanar surface barrier discharges. Exp. Polym. Lett. 2018, 12, 972–985. [Google Scholar]
- Chen, N.; Yao, X.; Zheng, C.; Tang, Y.; Ren, M.; Ren, Y.; Guo, M.; Zhang, S.; Liu, L.Z. Study on the miscibility, crystallization and crystalline morphology of polyamide-6/polyvinylidene fluoride blends. Polymer 2017, 124, 30–40. [Google Scholar] [CrossRef]
- Jia, N.; Fraenkel, H.A.; Kagan, V.A. Effects of moisture conditioning methods on mechanical properties of injection molded nylon 6. J. Reinf. Plast. Compos. 2004, 23, 729–737. [Google Scholar] [CrossRef]
- Palabiyik, M.; Bahadur, S. Mechanical and tribological properties of polyamide 6 and high density polyethylene polyblends with and without compatibilizer. Wear 2000, 246, 149–158. [Google Scholar] [CrossRef]
- Prabhakaran, R.T.D.; Andersen, T.L.; Lystrup, A. Influence of moisture absorption on properties of fiber reinforced polyamide 6 composites. In Proceedings of the 26th Annual Technical Conference of the American Society for Composites 2011 and the 2nd Joint US-Canada Conference on Composites, Montreal, QC, Canada, 26–28 September 2011; DEStech Publications: Lancaster, PA, USA, 2011; Volume 1, pp. 500–510. [Google Scholar]
- Jia, N.; Kagan, V.A. Mechanical Performance of Polyamides with Influence of Moisture and Temperature–Accurate Evaluation and Better Understanding. In Plastics Failure Analysis and Prevention, 1st ed.; Moalli, J., Ed.; William Andrew: Norwich, NY, USA, 2001; pp. 95–104. [Google Scholar]
- Kohan, M.I. Nylon Plastics Handbook, 1st ed.; Hanser/Gardener Publications: Cincinnati, OH, USA, 1995; pp. 234–356. [Google Scholar]
- Pai, C.C.; Jeng, R.J.; Grossman, S.J.; Huang, J.C. Effects of moisture on thermal and mechanical properties of nylon-6,6. Adv. Polym. Technol. 1989, 9, 157–163. [Google Scholar] [CrossRef]
- Landel, R.F.; Nielsen, L.E. Mechanical Properties of Polymers and Composites, 2nd ed.; CRC Press: Boca Raton, FL, USA, 1993; pp. 253–292. [Google Scholar]
- Valentin, D.; Paray, F.; Guetta, B. The hygrothermal behaviour of glass fibre reinforced Pa66 composites: A study of the effect of water absorption on their mechanical properties. J. Mater. Sci. 1987, 22, 46–56. [Google Scholar] [CrossRef]
- McKeen, L.W. Effect of Temperature and Other Factors on Plastics and Elastomers, 3rd ed.; Elsevier: Amsterdam, The Netherlands, 2014; pp. 1–340. [Google Scholar]
- Fabre, V.; Quandalle, G.; Billon, N.; Cantournet, S. Time-Temperature-Water content equivalence on dynamic mechanical response of polyamide 6,6. Polymer 2018, 137, 22–29. [Google Scholar] [CrossRef]
- Vincent, P.I. Impact strength and mechanical losses in thermoplastics. Polymer 1974, 15, 111–116. [Google Scholar] [CrossRef]
- Qin, Y.; Fancey, K.S. Viscoelastically prestressed polymeric matrix composites–Effects of temperature on Charpy impact behaviour. Compos. Part B Eng. 2018, 141, 265–270. [Google Scholar] [CrossRef]
- Garbuglio, C.; Ajroldi, G.; Casiraghi, T.; Vittadini, G. Relationships Between Mechanical Properties and Relaxation Processes in Polymers. Nylon 6. J. Appl. Polym. Sci. 1971, 15, 2487–2512. [Google Scholar] [CrossRef]
- Starkweather, H.W.; Brooks, R.E. Effect of spherulites on the mechanical properties of nylon 66. J. Appl. Polym. Sci. 1959, 1, 236–239. [Google Scholar] [CrossRef]
- Rahman, M.A.; Renna, L.A.; Venkataraman, D.; Desbois, P.; Lesser, A.J. High crystalline, porous polyamide 6 by anionic polymerization. Polymer 2018, 138, 8–16. [Google Scholar] [CrossRef]
- Gąska, J.; Krzyżak, A.; Duleba, B. Water absorption of thermoplastic matrix composites with polyamide 6. Zesz. Nauk.–Akad. Morska Szczecinie 2013, 33, 62–68. [Google Scholar]
- Iwamoto, R.; Murase, H. Infrared spectroscopic study of the interactions of nylon-6 with water. J. Polym. Sci. Part B Polym. Phys. 2003, 41, 1722–1729. [Google Scholar] [CrossRef]
- Bessell, T.J.; Hull, D.; Shortall, J.B. The effect of polymerization conditions and crystallinity on the mechanical properties and fracture of spherulitic nylon 6. J. Mater. Sci. 1975, 10, 1127–1136. [Google Scholar] [CrossRef]
- Starkweather, H.W.; Moore, G.E.; Hansen, J.E.; Roder, T.M.; Brooks, R.E. Effect of crystallinity on the properties of nylons. J. Polym. Sci. 1956, 21, 189–204. [Google Scholar] [CrossRef]
- Quattroplast Hungary. Available online: http://quattroplast.hu/ (accessed on 16 December 2019).
- Andó, M.; Kalácska, G.; Czigány, T. Dynamic mechanical tests on magnesium catalyzed cast polyamide 6 composites having different additives. Mater. Sci. Forum 2010, 659, 269–275. [Google Scholar] [CrossRef]
- Kong, Y.; Hay, J.N. The measurement of the crystallinity of polymers by DSC. Polymer 2002, 43, 3873–3878. [Google Scholar] [CrossRef]
- Wunderlich, B. The Growth of Crystals. In Macromolecular Physics, 1st ed.; Academic Press: New York, NY, USA, 1976; Volume 3, pp. 115–347. [Google Scholar]
- Khanna, Y.P.; Kuhn, W.P. Measurement of crystalline index in nylons by DSC: Complexities and recommendations. J. Polym. Sci. Part B Polym. Phys. 1997, 35, 2219–2231. [Google Scholar] [CrossRef]
- Ertalon 6 PLA Product Data Sheet of Quadrant. Available online: https://www.tme.eu/Document/3e10b0c3882f19e768258e843cf19e38/Ertalon%206PLA-EN.pdf (accessed on 16 December 2019).
- Frellmann, W.; Seidler, S. Deformation and Fracture Behaviour of Polymers, 1st ed.; Springer: Berlin, Germany, 2001; pp. 51–229. [Google Scholar]
- Chen, H.B.; Karger-Kocsis, J.; Wu, J.S.; Varga, J. Fracture toughness of α- and β-phase polypropylene homopolymers and random- and block-copolymers. Polymer 2002, 43, 6505–6514. [Google Scholar] [CrossRef]
- Jogi, B.F.; Sawant, M.; Brahmankar, P.K.; Ratna, D.; Tarhekar, M.C. Study of Mechanical and Crystalline Behavior of Polyamide 6/Hytrel/Carbon Nanotubes (CNT) based Polymer Composites. Procedia Mater. Sci. 2014, 6, 805–811. [Google Scholar] [CrossRef][Green Version]
- Paz, R.A.D.; Leite, A.M.D.; Araújo, E.M.; Medeiros, V.D.N.; Melo, T.J.A.D.; Pessan, L.A. Mechanical and thermomechanical properties of polyamide 6/Brazilian organoclay nanocomposites. Polímeros 2016, 26, 52–60. [Google Scholar] [CrossRef]









| Property | DOCAMID 6G-H (PA6) |
|---|---|
| Density (g/cm3) | 1.15 |
| Yield stress (MPa) | 85 |
| Elasticity modulus (N/mm2) | 3300 |
| Thermal conductivity (W/mK) | 0.38 |
| Melting temperature (°C) | 220 |
| Glass transition temperature (°C) | 40 |
| Shore D hardness | 81 |
| Diameters | 60 | 90 | 130 | 170 | 200 | 300 |
|---|---|---|---|---|---|---|
| 40 | −0.999 | −0.742 | 1.629 * | 1.021 * | 1.169 * | 3.041 * |
| 60 | - | 0.258 | 2.629 * | 2.021 * | 2.169 * | 4.041 * |
| 90 | - | - | 2.371 * | 1.763 * | 1.911 * | 3.783 * |
| 130 | - | - | - | −0.608 | −0.460 | 1.412 * |
| 170 | - | - | - | - | 0.148 | 2.021 * |
| 200 | - | - | - | - | - | 1.872 * |
| Variables | Crystallinity | Diameter |
|---|---|---|
| Charpy’s impact | −0.789 | −0.810 |
| Crystallinity | - | 0.726 |
| Model | Coefficient | t | p |
|---|---|---|---|
| Constant | 24.855 | 15.405 | <0.001 |
| c | −0.423 | −5.603 | <0.001 |
© 2020 by the authors. Licensee MDPI, Basel, Switzerland. This article is an open access article distributed under the terms and conditions of the Creative Commons Attribution (CC BY) license (http://creativecommons.org/licenses/by/4.0/).
Share and Cite
Odrobina, M.; Deák, T.; Székely, L.; Mankovits, T.; Keresztes, R.Z.; Kalácska, G. The Effect of Crystallinity on the Toughness of Cast Polyamide 6 Rods with Different Diameters. Polymers 2020, 12, 293. https://doi.org/10.3390/polym12020293
Odrobina M, Deák T, Székely L, Mankovits T, Keresztes RZ, Kalácska G. The Effect of Crystallinity on the Toughness of Cast Polyamide 6 Rods with Different Diameters. Polymers. 2020; 12(2):293. https://doi.org/10.3390/polym12020293
Chicago/Turabian StyleOdrobina, Miklós, Tamás Deák, László Székely, Tamás Mankovits, Róbert Zsolt Keresztes, and Gábor Kalácska. 2020. "The Effect of Crystallinity on the Toughness of Cast Polyamide 6 Rods with Different Diameters" Polymers 12, no. 2: 293. https://doi.org/10.3390/polym12020293
APA StyleOdrobina, M., Deák, T., Székely, L., Mankovits, T., Keresztes, R. Z., & Kalácska, G. (2020). The Effect of Crystallinity on the Toughness of Cast Polyamide 6 Rods with Different Diameters. Polymers, 12(2), 293. https://doi.org/10.3390/polym12020293

