Microstructures and Mechanical Properties of TiC-Reinforced Red Mud–Alumina Composite Ceramics
Abstract
1. Introduction
2. Materials and Methods
2.1. Raw Materials
2.2. Preparation of Composites
2.3. Composite Characterization
3. Results and Discussion
3.1. Phase Composition
3.2. Microstructural Characterization
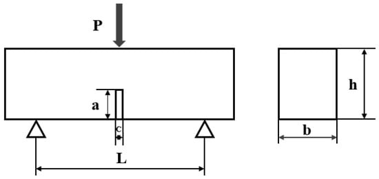
3.3. Mechanical Properties
3.4. Wetting Behavior
4. Discussion
- (1)
- This study has achieved clear progress in the high-value utilization of red mud resources by replacing traditional Cr2O3 with TiC as the reinforcing phase and combining it with spark plasma sintering technology [23]. At a significantly lower sintering temperature (1100 °C), the comprehensive mechanical properties were notably enhanced: the flexural strength reached 675.81 MPa, and the fracture toughness was 7.65 MPa·m1/2. Compared to the previous work (sintered at 1500 °C, with a strength of 297.03 MPa and toughness of 6.57 MPa·m1/2), these data demonstrate the dual advantages of the TiC-SPS system in energy efficiency and performance enhancement. Mechanistically, this study clarifies for the first time the critical role of TiC as a local current concentrator in promoting the formation of the CaAl12O19 intragranular structure and systematically reveals the optimization mechanism of TiC content on high-temperature copper wetting behavior. This provides a novel technical pathway and theoretical foundation for the preparation of high-performance red mud-based ceramics.
- (2)
- Reaction-formed calcium hexaluminate (CaAl12O19, CA6). XRD and EDS analyses indicate that the formation of CA6 relies on the solid-state reaction between Ca2+ from red mud and Al2O3 during sintering, with its content and crystallinity significantly influenced by the TiC addition and sintering temperature. Under the condition of 1100 °C and 4 wt.% TiC, the strongest CA6 diffraction peaks were observed, indicating that this composition-temperature combination is most favorable for the formation and stable existence of CA6. In contrast, when the TiC content is too high (≥6 wt.%) or the temperature exceeds 1150 °C, the CA6 content decreases markedly due to TiC agglomeration impeding mass transfer, side reactions consuming the aluminum source, and thermal instability at elevated temperatures.
- (3)
- The composite material exhibits excellent high-temperature interfacial stability and non-wetting behavior against molten copper. As the TiC content increases, the contact angle of copper on the ceramic surface gradually decreases, indicating improved wettability. No significant elemental interdiffusion or chemical reactions were observed at the interface, demonstrating the material’s potential applicability in ceramic–metal sealing for electronic packaging devices.
Author Contributions
Funding
Data Availability Statement
Conflicts of Interest
References
- Innocenzi, V.; Veglio, F. Recovery of rare earths and base metals from spent nickel-metal hydride batteries by sequential sulphuric acid leaching and selective precipitations. J. Power Sources 2012, 211, 184–191. [Google Scholar] [CrossRef]
- Jia, K.; Zhou, Z.; Singh, S.V.; Wang, C. A review of the engineered treatment of red mud: Construction materials, metal recovery, and soilization revegetation. Results Eng. 2024, 24, 102927. [Google Scholar] [CrossRef]
- Pasechnik, L.A.; Medyankina, I.S.; Pereverzev, D.I.; Chufarov, A.Y.; Suntsov, A.Y. Scandium modified zirconia extracted from red mud as a waste of alumina production. Nanosyst. Phys. Chem. Math. 2024, 15, 768–773. [Google Scholar] [CrossRef]
- Pasechnik, L.A.; Pereverzev, D.I.; Shamsutov, I.V.; Medyankina, I.S.; Antonova, E.P.; Suntsov, A.Y. Assessment of electrical conductivity and thermal expansion in scandium-zirconium ceramic directly derived from red mud. Inorg. Chem. Commun. 2025, 176, 114227. [Google Scholar] [CrossRef]
- Pan, Z.; Wang, Q.; Wang, H.; Yang, L.; Zhu, X.; Lin, S.; Lv, Y.; Zheng, J.; Duan, W.; Liu, J. Crystallization, structure-property evolution, and solidification of heavy metals of glass-ceramics based on copper tailing/coal slag/red mud. J. Non-Cryst. Solids 2024, 646, 123263. [Google Scholar] [CrossRef]
- Wang, W.; Chen, W.; Liu, H.; Han, C. Recycling of waste red mud for production of ceramic floor tile with high strength and lightweight. J. Alloys Compd. 2018, 748, 876–881. [Google Scholar] [CrossRef]
- Pei, J.; Pan, X.; Wang, Y.; Lv, Z.; Yu, H.; Tu, G. Effects of alkali and alkaline-earth oxides on preparation of red mud based ultra-lightweight ceramsite. Ceram. Int. 2023, 49, 18379–18387. [Google Scholar] [CrossRef]
- Li, J.; Yin, Y.; Shi, R.; Ma, L.; Li, J. Microstructure and mechanical properties of Al2O3–TiC–4vol.%Co composites prepared from cobalt coated powders. Surf. Coat. Technol. 2006, 200, 3705–3712. [Google Scholar] [CrossRef]
- Chen, H.M.; Yu, H.S.; Zhang, J.; Zhang, L.; Min, G.H. Microstructure and Mechanical Properties of Al2O3-TiC/Al in Situ Composites. Key Eng. Mater. 2006, 326–328, 1857–1860. [Google Scholar] [CrossRef]
- Zhang, X.; Liu, C.; Zhang, J. Preparation of titanium carbide/alumina composites by hot-press sintering process. J. Chin. Ceram. Soc. 2005, 33, 806–810. [Google Scholar]
- Miloserdov, P.A.; Gorshkov, V.A.; Andreev, D.E.; Yukhvid, V.I.; Miloserdova, O.M.; Golosova, O.A. Metallothermic SHS of Al2O3–Cr2O3 + TiC ceramic composite material. Ceram. Int. 2023, 49, 24071–24076. [Google Scholar] [CrossRef]
- Lee, J.; Jang, K.; Lee, S.; Mo, C.B.; Kim, H.; Park, K.R.; Kim, J.; Bang, J.; Jung, I.C.; Kim, J.C.; et al. Mechanical properties of TiC reinforced MgO–ZrO2 composites via spark plasma sintering. Ceram. Int. 2023, 49, 6. [Google Scholar] [CrossRef]
- Nath, M.; Kumar, P.; Maldhure, A.V.; Sinhamahapatra, S.; Dana, K.; Ghosh, A.; Tripathi, H.S. Anomalous densification behavior of Al2O3–Cr2O3 system. Mater. Charact. 2016, 111, 8–13. [Google Scholar] [CrossRef]
- Yıldız, B.K.; Yılmaz, H.; Tür, Y.K. Evaluation of mechanical properties of Al2O3–Cr2O3 ceramic system prepared in different Cr2O3 ratios for ceramic armour components. Ceram. Int. 2019, 45, 20575–20582. [Google Scholar] [CrossRef]
- Azhar, A.Z.; Choong, L.C.; Mohamed, H.; Ratnam, M.M.; Ahmad, Z.A. Effects of Cr2O3 addition on the mechanical properties, microstructure and wear performance of zirconia-toughened-alumina (ZTA) cutting inserts. J. Alloys Compd. 2012, 513, 91–96. [Google Scholar] [CrossRef]
- Kuwahara, Y. Research Activities for High-Performance Structural Ceramics in National Industrial Institute of Nagoya. J. Gas Turbine Soc. Jpn. 1999, 27, 374–376. [Google Scholar]
- Randhawa, K.S. A state-of-the-art review on advanced ceramic materials: Fabrication, characteristics, applications, and wettability. Pigment Resin Technol. 2024, 53, 768–785. [Google Scholar] [CrossRef]
- Zhang, Y.; Wang, L.; Jiang, W.; Bai, G.; Chen, L. Effect of Fabrication Method on Microstructure and Properties of Al2O3–TiC Composites. Mater. Trans. 2005, 46, 2015–2019. [Google Scholar] [CrossRef]
- Chen, Y.; Li, A.; Jiang, S. Wettability and Mechanical Properties of Red Mud–Al2O3 Composites. Materials 2024, 17, 1095. [Google Scholar] [CrossRef]
- Domı, C.; Chevalier, J.; Torrecillas, R.; Fantozzi, G. Microstructure development in calcium hexaluminate. J. Eur. Ceram. Soc. 2001, 21, 381–387. [Google Scholar] [CrossRef]
- Liu, W.; Shen, Y.; Li, D.; Ouyang, X.; Liu, Q.; Wang, S. Preparation of 99.6% alumina ceramic substrates with high thermal conductivity by tape casting and warm pressing process. Ceram. Int. 2025, 51, 5000–5010. [Google Scholar] [CrossRef]
- Wu, H.; Liu, W.; Lin, L.; Chen, Y.; Xu, Y.; Wu, S.; Sun, Z.; An, D.; Wei, S.; Xie, Z. Realization of complex-shaped and high-performance alumina ceramic cutting tools via Vat photopolymerization based 3D printing: A novel surface modification strategy through coupling agents aluminic acid ester and silane coupling agent. J. Eur. Ceram. Soc. 2023, 43, 1051–1063. [Google Scholar] [CrossRef]
- Jiang, S.; Li, A.; Wang, Z. Toughening Mechanism of CaAl12O19 in Red Mud–Al2O3 Composite Ceramics. Crystals 2024, 14, 924. [Google Scholar] [CrossRef]











| Fe2O3 | Al2O3 | SiO2 | CaO | Na2O | TiO2 | Loss |
|---|---|---|---|---|---|---|
| 29.60 | 18.90 | 16.90 | 15.60 | 11.10 | 5.78 | 2.12 |
| Sample | Al2O3 | RM | TiC |
|---|---|---|---|
| A | 100 | 0 | 0 |
| ART0 | 95 | 5 | 0 |
| ART1 | 93.1 | 4.9 | 2 |
| ART2 | 91.2 | 4.8 | 4 |
| ART3 | 89.3 | 4.7 | 6 |
| ART4 | 87.4 | 4.6 | 8 |
| ART5 | 85.5 | 4.5 | 10 |
Disclaimer/Publisher’s Note: The statements, opinions and data contained in all publications are solely those of the individual author(s) and contributor(s) and not of MDPI and/or the editor(s). MDPI and/or the editor(s) disclaim responsibility for any injury to people or property resulting from any ideas, methods, instructions or products referred to in the content. |
© 2025 by the authors. Licensee MDPI, Basel, Switzerland. This article is an open access article distributed under the terms and conditions of the Creative Commons Attribution (CC BY) license.
Share and Cite
Wang, Z.; Li, A.; Shi, Y. Microstructures and Mechanical Properties of TiC-Reinforced Red Mud–Alumina Composite Ceramics. Crystals 2026, 16, 15. https://doi.org/10.3390/cryst16010015
Wang Z, Li A, Shi Y. Microstructures and Mechanical Properties of TiC-Reinforced Red Mud–Alumina Composite Ceramics. Crystals. 2026; 16(1):15. https://doi.org/10.3390/cryst16010015
Chicago/Turabian StyleWang, Zhengliang, Anmin Li, and Yunchuan Shi. 2026. "Microstructures and Mechanical Properties of TiC-Reinforced Red Mud–Alumina Composite Ceramics" Crystals 16, no. 1: 15. https://doi.org/10.3390/cryst16010015
APA StyleWang, Z., Li, A., & Shi, Y. (2026). Microstructures and Mechanical Properties of TiC-Reinforced Red Mud–Alumina Composite Ceramics. Crystals, 16(1), 15. https://doi.org/10.3390/cryst16010015

