Abstract
This paper deals with joining dissimilar materials using thermal drilling technology as well as the combination of thermal drilling and adhesive bonding. The base materials for the experimental work were deep-drawn low-carbon steel DC04, HSLA steel TL 1550-220 + Z, and structural aluminum alloy EN AW-6082 T6 (AlSi1MgMn). The geometry of the formed joints was tested metallographically as the load-bearing shear capacity under the tensile shear test of single-lapped joints and the resistance of the joints against corrosion-induced disbonding in a climate chamber. The energy dissipated by the joints up to fracture was calculated from the load–displacement curves. The hybrid joints were compared with the bonded joints with the same overlap area in terms of the load-bearing capacity and energy dissipated at joint failure. The hybrid joints formed by thermal drilling and adhesive bonding with a rubber-based adhesive confirmed the synergistic effect—the adhesive provides the high load-bearing capacity of the joint, and the bushing formed by thermal drilling increases the dissipated energy of the joint at failure. The exposure of the joints in the climatic chamber did not cause a relevant reduction in the characteristics of the joints.
1. Introduction
Joining dissimilar thin-walled materials by mechanical means is the solution to many problems arising from the chemical differences between steels and aluminum, magnesium alloys or polymer matrix composites [1,2,3,4]. Where thermal joining technologies would lead to brittle interfaces with brittle intermetallic phases, forming shaped mechanical joints is the solution [5].
The first logical mechanical joining technology is bolted joining, and hybrid bonded/bolted joining. Author G. Kelly [6] analyzed the bolted/bonded hybrid joints of CFRP substrates in terms of their load carrying capacity and failure mode, experimenting with different adherend thickness, adhesive, overlap length and different adhesive moduli. He found that the load carrying capacity of the joints increases with the increasing thickness of the adherend and adhesive, while, on the contrary, increasing the lap length and modulus of elasticity of the adhesive leads to a decrease in the load carrying capacity of the joints. The contribution of the mechanical member–bolts in a hybrid joint is more pronounced when the joint is flexible due to the use of a flexible adhesive or joint design. Hybrid joints could also be advantageous when the joints are exposed to harsh environments with both elevated temperature and humidity that reduce the performance of the adhesive, or in the case of specific joint geometries and material combinations.
El Zaroug, in [7], when loading hybrid bonded/bolted joints with Al-based adherends, found that the adhesive always failed before either the adherend or the bolt. He also found that the load carrying capacity of bonded joints and hybrid joints was almost the same because the bolt material supported the adhesive layer to a limited extent due to the high stiffness of the adhesive used. Two peaks are evident in the load–displacement curves—the first one corresponds to the maximum force at the failure of the adhesive, the other one corresponds to the maximum force at the failure of the bolt. The progressive failure of these two parts of the joint will significantly increase the absorbed energy, which is also expected for hybrid bonded flowdrilled joints.
Hoang-Ngoc in [8] confirmed the uniform distribution of shear stresses along the overlapped length in the adhesive by FEM analysis and also analyzed the force transfer sequence between the adherend, adhesive and bolt.
However, the bolt represents added weight in the joint and requires hole preparation. Flowdrill technology can create a hole and form a joint in a single operation, and we anticipate that under the proper conditions, it will form a joint without a fastener. Flowdrill technology is a chipless technology contributing to environmental protection and material saving [9,10,11,12,13,14,15,16]. The drill tool is pushed into the material using relatively high axial pressure and rotational speed (approximately 2000–2500 min−1); the resulting heat (600–800 °C) causes the material to soften, and, subsequently, the tool to penetrate [17,18,19,20,21,22,23]. As the tool penetrates, there is a flow of material in the direction of drilling, which forms the bushing, as well as against the direction of drilling, which forms the collar.
The purpose of this hole formation method is to create a bushing in thin materials—sheets and profiles without any addition of material, where a sufficient number of threads could be placed [11,12,13,20].
Subsequently, a thread can be formed in the bushing, thus creating a disassembled bolted joint.
However, Schmerler [24] proposed applying this method of joining by the actual penetration of the tool through the overlapped sheets, where a pair of formed bushings form the joint (Figure 1).
Figure 1.
Form fit joint of two overlapped thin-walled metal sheets (thickness of upper and lower sheet, 0.8 and 1.0 mm, respectively).
Shalamov proved in [9] that thin materials use 100% of the formed volume of the material to form the bushing; as the thickness of the material increases, this proportion becomes smaller.
Hence, the assumption that when joining a pair of overlapped thin plates, if one of the plates is more robust and stiffer, putting resistance on the tool and forming a collar and bushing on it, and the other material in the bottom position is softer and formed only by copying the shape of the forming bushing of the stiffer plate, a form-fit joint in the form of a pair of nested concentric bushings could be formed, without the bolt [25]. The role of the bolt, the mutual tightening of the materials, could be provided by the adhesive, which would mean the formation of a lightweight joint without the added weight of a metal fastener [26,27,28,29,30,31,32,33,34]. Confirmation of the above assumptions would be a novelty in the field of joining thin-walled materials without added weight.
The aim of the work is to experimentally verify the possibility of using the side effect of thermal drilling technology (flowdrill) to join two overlapped thin plates without a bolt by creating a pair of nested concentric bushings. In the case of a positive result—the formation of concentric bushings—it is also necessary to verify the combination of adhesive bonding with thermal drilling to determine the load carrying capacity of the formed joints and the dissipation of energy up to fracture. The aim of the work is also to determine the resistance of the joints against corrosion-induced disbonding.
2. Materials and Methods
2.1. Materials Used
The choice of materials for the experimental program was based on materials currently used in the building of car bodies so that both Fe alloys (galvanized and ungalvanized) and non-ferrous alloys were represented in the research.
Selected materials:
- DC04—extra-deep-drawing non-galvanized low-carbon cold-rolled steel for car body production, hereinafter DC.
- TL 1550-220 + Z—zinc-galvanized fine-grained high-strength low-alloy steel with increased cold formability, hereinafter TL.
- EN AW-6082 T6 (AlSi1MgMn)—precipitation-hardened aluminum alloy AlSi1MgMn with good weldability by MIG and TIG technology, hereinafter Al.
The thickness of steel materials was 0.8 mm, the thickness of Al alloy was 1 mm. The chemical composition of the materials used is shown in Table 1. The mechanical properties of the materials used are given in Table 2. Both data were provided by the supplier/manufacturer of the materials in the enclosed data sheets.
Table 1.
Chemical composition of materials, wt. %.
Table 2.
Mechanical properties of materials (perpendicular to the rolling direction).
Surface condition is specified in the metallurgical attestation of the delivered materials as follows:
DC: matt surface finish, Ra from 0.6 to 1.9 µm, electrostatically applied oil layer for corrosion protection (0.5–2.5 g.m−2);
TL: minimized spangle, improved surface, electrostatically applied oil layer for corrosion protection (0.5–2.5 g.m−2);
Al: no data available on the condition and treatment of the surface.
2.2. Methodology for Measuring Surface Roughness
The surface roughness of the materials was measured with a stylus profilometer (Surftest SJ-201, Mitutoyo, Kawasaki-shi, Kanagawa, Japan). The following selected roughness parameters were monitored:
Ra—arithmetical mean deviation of the measured profile, Rz—maximum height of profile at the basic length, RSm—mean width of the profile elements, non-normalized value RPc—the mean number of peaks per centimeter, and the Abbot–Firestone material ratio curve of the profile.
2.3. Joint Making by Thermal Drilling Technology
The Flowdrill Long ø 5.3 mm drill tool was selected for the joint making based on the thickness of the material to be drilled according to the tool manufacturer’s recommendations.
Material combinations: DC-Al, TL-Al.
Process parameters: tool speed 3800 min−1 and feed rate 250–700–200 mm/min, which means that the initial tool feed rate was 250 mm/min, gradually increasing to 700 mm/min on the 11.5 mm toolpath, and finally, on the 1.5 mm toolpath, the feed rate dropped to 200 mm/min and the tool stopped 0.6 mm below the flange part of the tool to prevent deformation or damage to the collar (Figure 2).
Figure 2.
Tool feed mode. (a) Flowdrill tool, feed direction indicated by red arrow, (b) tool feed rate 250–700–200 mm.min−1.
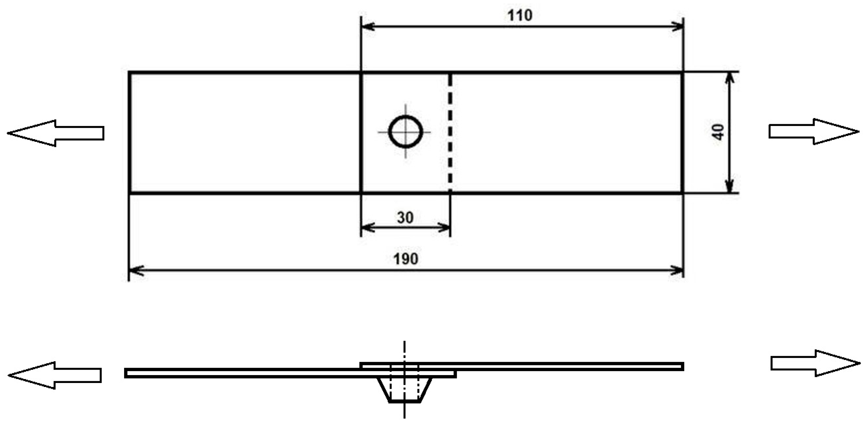
When calculating the dimensions of the test bodies, the procedure followed standard ISO 12996:2013 [35], according to which the dimensions of the test bodies are derived from the diameter of the mechanical fastener, in this case, from the diameter of the formed hole in the materials to be joined. The shape, dimensions, and load of the test specimens for thermal drilling joints are given in Figure 3.
Figure 3.
Shape, dimensions, and load of test bodies for thermal drilling joints (indicated by arrows).
2.4. Joint Making by Adhesive Bonding
Two types of adhesives from Henkel AG & Co., KGaA, Dusseldorf, Germany, namely Teroson RB 5197 and Teroson EP 5090, were chosen for the joint making.
Both adhesives are one-component, solvent-free, heat-curing, and combinable with spot resistance welding. They both are resistant in the short term to elevated temperatures, which gives us reason to think that they are also suitable for combination with thermal drilling, where the temperature also increases short-term to approx. 600–800 °C.
Teroson RB 5197—(hereinafter RB) is a rubber-based structural adhesive with oil absorption and excellent adhesion to many substrates. It has been selected as a representative of rigid adhesives.
Teroson EP 5090—(hereinafter EP) is based on toughened epoxy resin, with high-impact peel resistance over a wide temperature range and high resistance to torsional and crash forces. It has a higher degree of internal cohesion (tensile strength) and is representative of flexible sealants. The basic characteristics of the adhesives are summarized in Table 3.
Table 3.
Basic characteristics of the adhesives.
Material combinations: DC-Al, TL-Al. The shape and dimensions of the test specimens were the same as for the previous joints so that they could be compared with each other (Figure 4).
Figure 4.
Shape, dimensions, and load of test bodies for adhesive bonding (indicated by arrows).
2.5. Hybrid Joint Making by Adhesive Bonding and Thermal Drilling
Flowdrill joining (FD) has also been tested in combination with adhesive bonding (AB). For this purpose, the same adhesives Teroson RB 5197 and Teroson EP 5090 were used. No surface preparation was carried out prior to bonding, and the adhesives were applied directly to the untreated (electrostatically oiled) surface. The overlapping area of the hybrid joints was the same, i.e., 30 × 40 mm (Figure 5). The shape, dimensions, and load of the test specimens for bonding and thermal drilling joint formation were the same as in Figure 3.
Figure 5.
Shape, dimensions, and load of test bodies for thermal drilling and adhesive bonding (indicated by arrows).
Material combinations: DC-Al, TL-Al.
The jointing procedure was as follows: adhesive application, thermal drilling, adhesive curing.
2.6. Testing of Test Assemblies (Joints)
The geometry of the joints was analyzed metallographically on cross-sections along the axis of the joint (hole) prepared by the classical metallographic procedure: mounting in acrylic resin, grinding, polishing, eventually etching.
On the metallographic sections, the hardness of the materials in the vicinity of the joint was measured, according to the standard ISO 6507-1:2018 [36], on the parts where the material had been deformed and the hardness of the material was expected to change—on the bushing and the collar (Figure 6). Measurements were taken on the outermost parts of the collar or bushing, where the minimum material thickness was still sufficient to keep the required distance of the indentation from the edge of the material. A Shimadzu HMV2 microhardness tester (Shimadzu, Kyoto, Japan), using the Vickers method, was used for the measurements; the load was 0.1 kg (980.7 mN) and the loading time was 15 s. Three indentations were made at each site with a spacing of at least three times the average indentation diagonal.
Figure 6.
Joint microhardness measurement points. 1—in collar, 2, 3—in undeformed base material, 4—in inner bushing, 5—in outer bushing.
A part of the joints was tested for load-bearing capacity as made, a part of the joints was subjected to the alternating climate resistance test (CT), accredited according to PV1200 for the testing of parts in the automotive industry, in the AZL M36-KK climate chamber (Weiss Umwelttechnik GmbH, Berlin, Germany). One test cycle is shown in Figure 7. The joints were subjected to 10 test cycles. This is an environmental cyclic climate change test for test units, e.g., vehicle parts in the engine compartment. Within one cycle, the temperature varies from −40 °C to +80 °C, relative humidity from 30% to 80%. Duration of one cycle: 12 h; 10 cycles lasted 5 days.
Figure 7.
Graphical representation of one test cycle in a climate chamber.
The load-bearing capacity of the joints was tested by tensile shear testing on a universal testing machine TIRA test 2300 (TIRA GmbH, Schalkau, Germany) at a crosshead speed of 10 mm/min. The dependence of the load on the position of the crosshead was continuously recorded during the test. From the dependencies obtained, the following joint characteristics were determined, as recommended in ISO 12996:2013:
- Fmax—maximum tensile shear force in N.
- s Fmax—displacement at the tensile shear force Fmax Fmax in mm.
- 0.3 Fmax—limit introduced to reduce the tensile shear test time because the area under the force curve following 0.3 Fmax does not contribute significantly to the dissipated energy in N.
- s 0.3Fmax—displacement at 0.3 Fmax in mm.
- Dissipated energy W in J up to fracture, corresponding to the area under the load curves. This characteristic is important for the safety of the frame upon impact. It is given by relation (1):
Figure 8.
Joint characteristics obtained from force–displacement curves: joint 1—mechanical joint, joint 2—hybrid joint (mechanical joining and adhesive bonding).
3. Results
3.1. Results of Surface Roughness Evaluation
The surface appearance of materials as supplied, observed by scanning electron microscope (SEM) and the microstructure of the base materials, observed by light microscopy (LM), are shown in Figure 9.
Figure 9.
Surfaces of base materials as supplied (upper pictures, SEM), microstructure of base materials (lower pictures, LM).
The surfaces of the base materials are the result of their manufacturing history—rolling, which replicates the morphology of the working roll onto the surface of the product. The microgeometry of steel surfaces is stochastic as a result of rolling with roughened rolls; the surface of Al is smooth and shiny after rolling with smooth rolls.
DC steel has a fine-grained ferritic structure with very little amount of pearlite (due to the low carbon content), with recrystallized grains slightly elongated in the rolling direction. In addition to the ferritic grains, numerous very small precipitates are visible in the structure. In the work in [37], the authors identified, by means of SEM and EDS, precipitates in DC04 steels such as calcium silicates and aluminates, which adversely affect the formability of the plates, but also AlN precipitates, which contribute to the formation of eqiuaxed grains and, therefore, to the improvement of the formability of these steels. TL steel has a ferritic structure with a small amount of pearlite and a very fine grain due to the addition of niobium [38]. The microstructure of the Al alloy is formed by Mg2Si precipitates in the α-Al matrix, AlSiFeMn intermetallic phases, and Mn-rich particles [39].
The surface profilograms of each material obtained with the stylus profilometer Surftest SJ-201 (Mitutoyo, Japan) are shown in Figure 10.
Figure 10.
Surface profilograms of base materials: (a) DC, (b) TL, (c) Al.
The Abbot–Firestone curve shows some differences for ungalvanized steel, galvanized steel, and Al. Based on the surface appearance and the profilograms, it is clear that the surface of the uncoated DC material can be characterized by the scheme in Figure 11a, as a relatively smooth surface with sporadic peaks, while the galvanized steel TL has the opposite character of irregularities as that in the scheme in Figure 11b: a relatively smooth surface with sporadic valleys. This is confirmed by the SEM images of the material surfaces (Figure 9).
Figure 11.
Different morphology of surfaces with the same roughness value Ra: (a) relatively smooth surface with sporadic peaks, (b) relatively smooth surface with sporadic valleys.
The measured values of the selected surface roughness parameters of the base materials are shown in Table 4.
Table 4.
Average values of selected surface roughness parameters of base materials.
The Ra value for the steel surfaces is around 1 µm and the Rz is around 5–7 µm, while galvanized TL steel differs from ungalvanized steel by twice as many peaks per 1 cm of length.
The surface of Al is significantly smoother and the Ra and Rz are at 15–20% of the values achieved with galvanized steel. In the case of bonding, steels will have a better chance of mechanical anchorage of the adhesive, whereas in the case of Al, adhesion will be provided primarily by chemical bonds to the surface.
3.2. Results of Evaluation of Joints Formed by Thermal Drilling
Figure 12 shows metallographic sections of joints formed by thermal drilling at 3800 rpm and feed rates of 250–700, 200 mm.min−1.
Figure 12.
Metallographic cross-section through (a) DC-Al and (b) TL-Al joints.
From Figure 12, the tight fit of the materials is clearly visible, the gap between them is minimal. Figure 13 shows the hardness in the collar and bushing of each joint material.
Figure 13.
Hardness (HV0.1) of base materials and after forming in collar and bushing, indicated by number in particular measuring points.
In Figure 14, the load–displacement curve for the DC-Al and TL-Al joints formed by thermal drilling is shown.
Figure 14.
Load–displacement curves for DC-Al and TL-Al joints.
From Figure 14, it is clear that the load–displacement curves are almost identical, both joints failed by shear in the bushing region at a load of about 2 kN. The progressive failure of the bushing can be seen on the downward part of the curve after Fmax.
The basic load carrying characteristics of the joint can be seen from Table 5.
Table 5.
Basic characteristics of joints formed by thermal drilling.
A partially sheared DC steel bushing is shown in Figure 15, as well as a detail of the bushing failure, which documents a ductile fracture with a distinct dimple mechanism.
Figure 15.
View of DC sheet after DC-Al joint failure, (a) partially separated DC bushing after DC-Al joint bearing capacity testing, (b) detail of failure area—dimple mechanism—ductile failure.
3.3. Results of Evaluation of Joints Formed by Adhesive Bonding
Figure 16 shows the load–displacement curves for the DC-Al and TL-Al joints formed by adhesive bonding with both adhesives, as joined and after the climate test (CT).
Figure 16.
Load–displacement curves of DC-Al and TL-Al bonded joints for both adhesives as joined and after CT. (a) RB, as joined. (b) EP, as joined. (c) RB, after CT. (d) EP, after CT.
From Figure 16, it can be seen that the load capacity of the joints with the RB adhesive is lower compared to the load capacity of the joints formed with the EP adhesive. For both adhesives, the load carrying capacity of the TL-Al joints was found to be higher compared to the DC-Al joints. The EP adhesive is more flexible than the RB adhesive, which was reflected by the joint failure at higher displacement values compared to the RB adhesive.
Table 6 lists the basic characteristics of the DC-Al and TL-Al adhesive bonded joints as formed and also after CT.
Table 6.
Basic load-bearing characteristics of DC-Al and TL-Al adhesive bonded joints.
From Table 6, it is clear that the corrosion testing of the joints caused slight changes in the basic load carrying characteristics of the joints, within the limits not exceeding the variance of the set of measurements.
The appearance of the bonded joint failure areas is shown in Figure 17.
Figure 17.
Failure modes of DC-Al and TL-Al adhesive joints made by (a) RB- and (b) EP-based adhesives as joined and after climate test (CT).
From Figure 17, it is evident that cohesive failure is prevalent in both DC-Al and TL-Al joint types when rubber-based adhesive is used, even after exposure of the joints in the climatic chamber. This indicates that the adhesion to both types of substrate is stronger than the internal cohesion of the RB adhesive. For the epoxy adhesive, adhesive failure occurred, with the weak point of the joint being the adhesive-steel substrate interface. The adhesion between Al and EP adhesive exceeded that of EP adhesive to steel substrates, with weaker bonding between EP adhesive and DC compared to TL. Most of the adhesive volume remained on the Al substrate. Rubber-based adhesive exhibited very good adhesion to DC, TL and Al, while epoxy adhesive had better adhesion to Al substrate than to steels, which cannot be explained by roughness, given the very smooth surface of Al. It turned out that failure mode of the joints would rather depend on the adhesive used and the chemical bonds between the substrates and the adhesives, where the effect of surface roughness seems to be irrelevant. The appearance of the failure surfaces also shows that the EP adhesive has less resistance to peeling especially at the joint edges where the adhesive shear stresses are maximum, as is generally known. On the contrary, RB adhesive is not susceptible to peeling at the point of maximum shear stress.
3.4. Results of Evaluation of Hybrid Joints Formed by Bonding and Thermal Drilling
The metallography of the hybrid joints is shown in Figure 18.
Figure 18.
Metalographic cross-sections through hybrid joints.
In Figure 18, the well-formed inner (steel) bushings as well as the tightly fitting outer Al bushings are visible. Collars are also well formed. The bushings are wedged together to the extent that the expected load transfer can occur. Adhesives are present between the sheets, but they are not visible on metallographic sections due to their low reflectivity. The adhesive has caused a gap of 0.3–0.4 mm between the plates, but the adhesion of the adhesive to both substrates prevents the joint from opening.
The loading curves of the hybrid joints after formation and after 10 cycles in the climatic chamber (CT) are shown in Figure 19.
Figure 19.
Load–displacement curves of DC-Al and TL-Al hybrid joints for both adhesives as joined and after CT. (a) RB, as joined. (b) EP, as joined. (c) RB, after CT. (d) EP, after CT.
From Figure 19, it can be seen, again the same phenomenon, load capacity of the joints with RB adhesive is lower compared to the load capacity of the joints formed with EP adhesive. For both adhesives, the load carrying capacity of TL-Al joints was found to be higher compared to DC-Al joints, more manifested in joints with EP adhesive. EP adhesive is more flexible than RB adhesive, which was reflected by joint failure at higher displacement values compared to RB adhesive. The difference compared to adhesive bonded joints is visible on the downward part of the load–displacement curves (beyond Fmax), which do not point straight down, but contain a curvature caused by the failure of the bushing following the adhesive failure. The contribution of absorbed energy by the bushing failure is more visible when using RB adhesive.
Basic characteristics of hybrid joints of DC-Al and TL-Al hybrid joints with both adhesives as joined and after the CT are given in Table 7.
Table 7.
Basic load-bearing characteristics of DC-Al and TL-Al hybrid joints.
Table 7 shows the same trend as observed in Table 6: the corrosion tests of the hybrid joints caused only slight changes in the basic load carrying characteristics of the joints within the limits not exceeding the variance of the set of measurements.
The appearance of the hybrid joint failure areas is shown in Figure 20.
Figure 20.
Failure modes of DC-Al and TL-Al hybrid—adhesive binding and thermal drilling joints made by (a) RB- and (b) EP-based adhesives as joined and after climate test (CT).
The failure behavior of the hybrid joints was in compliance with the failure of the bonded joints. The RB adhesive failed predominantly cohesively with the subsequent failure of the FD bushing, which was the same for the joints exposed in the climate chamber. The EP adhesive failed through an adhesive to mixed adhesive–cohesive mechanism, exposing a larger area of the steel substrates; the adhesive peeling away from the Al was over a smaller area, always at the edge of the joint at the point of maximum shear strength. Again, the failure mode of the joints appears to be dependent on the substrate–adhesive chemical bond rather than the surface roughness and, hence, the mechanical anchorage of the adhesive.
4. Discussion
The influence of the morphology of the steel plates on the failure mode of the joints was evident for both the bonded and hybrid joints, and only for the high-strength EP adhesive. This was manifested by the adhesive breaking under stressed joints by complete separation from the DC substrate, also by separation of the adhesive from the TL substrate, but leaving micro-volumes of adhesive on the surface of the TL. The Al alloy had the best adhesion with both types of adhesives. The above findings suggest that the interaction between the steel and EP adhesive is dependent on the microgeometry of the steels, whereas the adhesion of the adhesives to the Al substrate is based on different mechanisms, probably on the different nature of the chemical bonds, since the roughness of the Al sheet was orders of magnitude lower compared to the steels. It would be advisable to modify the surface of the steels with some sort of adhesion promoter, especially when using the EP adhesive, in order to cohesively break the bond and therefore fully utilize the intrinsic, cohesive strength of the adhesive.
A comparison of the load capacity (Fmax) and dissipated energy (W) of the bonded joints, FD joints, and hybrid AB + FD joints for both material combinations and both adhesives as joined, as well as after climate test (CT) is shown in Figure 21 and Figure 22.
Figure 21.
Load-bearing capacity and dissipated energy of FD, AB, and hybrid joints, with RB adhesive.
Figure 22.
Load-bearing capacity and dissipated energy of FD, AB, and hybrid joints, with EP adhesive.
From Figure 21, it is clear that the expected synergistic effect occurred in the DC-Al joint—the load capacity of the bonded and hybrid joints is almost the same, about 4 kN, but the shear failure of the bushing caused an increase in the area under the load curve of the hybrid joint. The load capacity of the hybrid and bonded DC-Al joints is approximately the same, but the energy absorption is higher for the hybrid joints.
For the TL-Al joints, the situation is different, it seems that in this case, the formation of a bushing in the bonded joint is not relevant, since Fmax as well as the energy consumed is highest in the bonded joint. Both characteristics in the hybrid joint are lower.
It is also interesting to note that the corrosion load of the joints with the RB adhesive has a positive effect on the load capacity and the dissipated energy of the joint in most cases.
Figure 22 shows that the load carrying capacity of the joints with the EP adhesive is significantly higher (9–13 kN) compared to the joints with the RB adhesive (4–10 kN). Considering the higher load carrying capacity of the joints with the EP adhesive, we conclude that the plastic deformation of both the DC and TL steels occurred. The yield strength of the steels was exceeded when loading the joints with the EP adhesive, which is equal to 6.304 kN for DC steel with a 0.8 × 40 mm specimen cross-section and Re = 197 MPa, and 9.344 N for TL steel with the same cross-section and Re = 292 MPa. For an Al alloy with Re = 295 MPa and a specimen cross-section of 1 × 40 mm, plastic deformation would occur after exceeding a load value of 11.8 N, which did not occur.
For the DC-Al hybrid joints with the EP adhesive, the ultimate load capacity (Fmax) was very close to the value of 10 kN for both the bonded and hybrid joints and for their corrosion-exposed variants. The contribution of the mechanical bonding of the DC and Al materials through the bushing was positively reflected in the hybrid joints, where a significant increase in the absorbed energy of the joint was observed; however, after the corrosion test in the climatic chamber, both the load capacity and the absorbed energy of the joint returned to the level of the bonded joint, and thus the formation of the bushing did not show the expected benefit.
For the TL-Al joints with the EP adhesive, bushing formation, i.e., thermal drilling into the bonded joint, again, makes no sense. Both the load capacity and the absorbed energy of the joints are so high already in the bonded joint itself that plastic deformation of the TL occurs, which is the limit state of the usability of the joint, and a further increase in the absorbed energy of the joint is no longer meaningful.
If we compare our results with the work of El Zaroug [7], we can see the agreement in the following facts: when hybrid joints are loaded, first, the adhesive fails, and then, the mechanical member. Further, the results agree that in the hybrid joints, the mechanical member does not increase the load carrying capacity but contributes to the absorbed energy at failure, which, however, strongly depends on the material and cross-sectional area of the mechanical member. From this point of view, the use of a bolt is more efficient because it contributes to the absorbed energy with its entire circular cross-section, whereas the flowdrill bushing of the joint is only made up of a relatively small cross-sectional area. Therefore, further research using thermal drilling to form hybrid joints should be concentrated on achieving a bushing of the highest possible thickness.
5. Conclusions
The following conclusions can be summarized from the experimental work carried out:
- The thermal drilling technology can be used for the mechanical form-fitting of thin plates by forming a pair of nested concentric bushings capable of carrying a certain level of load.
- Hybrid joints formed by bonding and thermal drilling have a higher load-bearing capacity thanks to the adhesive; the bushing formed by thermal drilling helps to increase the amount of energy absorbed when the joint breaks, which is important from the point of view of structural safety.
- The formation of hybrid joints is only meaningful if the cohesion of the adhesive used does not exceed the yield strength of the weaker of the pair of materials being joined.
Future research will focus on the modification of substrate surfaces prior to bonding to improve the load carrying capacity of bonded joints.
Author Contributions
Conceptualization, A.G., J.B. and D.D.; methodology, A.G. and N.V.; validation, A.G. and J.B.; investigation, A.G., N.V., D.D. and M.T.; writing—original draft preparation, A.G., D.D. and N.V.; writing—review and editing, A.G.; visualization, Š.K.; supervision, J.B.; project administration, A.G. All authors have read and agreed to the published version of the manuscript.
Funding
This research was supported by project VEGA 1/0229/23: Research on the applicability of thermal drilling technology for the creation of multi-material joints in the automotive industry and KEGA 046TUKE-4/2022: Innovation of the educational process by implementing adaptive hypermedia systems in the teaching of subjects in the field of coating technology and welding of materials.
Data Availability Statement
Data are contained within the article.
Conflicts of Interest
The authors declare no conflicts of interest.
References
- Messler, R.W., Jr. Joining of Materials and Structures: From Pragmatic Process to Enabling Technology, 1st ed.; Elsevier Inc.: Exeter, UK, 2004; p. 815. [Google Scholar]
- Messler, R.W. Joining of Advanced Materials, 1st ed.; Elsevier Inc.: Boston, MA, USA, 1993; p. 539. [Google Scholar]
- EAA Aluminium Automotive Manual. 10. Hybrid Joining Techniques. Available online: https://european-aluminium.eu/blog/aluminium-automotive-manual/ (accessed on 30 August 2021).
- Alves, L.M.; Dias, E.J.; Martins, P.A.F. Joining sheet panels to thin-walled tubular profiles by tube end forming. J. Clean. Prod. 2011, 19, 712–719. [Google Scholar] [CrossRef]
- Novák, P.; Michalcová, A.; Marek, I.; Mudrová, M.; Saksl, K.; Bednarčík, J.; Zikmund, P.; Vojtěch, D. On the formation of intermetallics in Fe-Al system—An in situ XRD study. Intermetallics 2013, 32, 127–136. [Google Scholar] [CrossRef]
- Kelly, G. Load transfer in hybrid (bonded/bolted) composite single-lap joints. Compos. Struct. 2005, 69, 35–43. [Google Scholar] [CrossRef]
- El Zaroug, M.; Kadioglu, F.; Demiral, M.; Saad, D. Experimental and numerical investigation into strength of bolted, bonded and hybrid single lap joints: Effects of adherend material type and thickness. Int. J. Adhes. Adhes. 2018, 87, 130–141. [Google Scholar] [CrossRef]
- Hoang-Ngoc, C.T.; Paroissien, E. Simulation of single-lap bonded and hybrid (bolted/bonded) joints with flexible adhesive. Int. J. Adhes. Adhes. 2010, 30, 117–129. [Google Scholar] [CrossRef]
- Shalamov, P.V.; Kulygina, I.A.; Yaroslavova, E.N. ANSYS Software-based Study of Thermal Drilling Process. Proc. Eng. 2016, 150, 746–752. [Google Scholar] [CrossRef][Green Version]
- Krasauskas, P. Experimental and statistical investigation of thermo mechanical friction drilling process. Mechanika 2011, 17, 681–686. [Google Scholar] [CrossRef][Green Version]
- Kumar, R.; Rajesh, N.; Hynes, J.; Pruncu, C.I.; Angela, J.; Sujana, J. Multi-objective optimization of green technology thermal drilling process using grey-fuzzy logic method. J. Clean. Prod. 2019, 236, 117711. [Google Scholar] [CrossRef]
- Kumar, R.; Rajesh Jesudoss Hynes, N. Thermal drilling processing on sheet metals: A review. Int. J. Lightweight Mat. Manuf. 2019, 2, 193–205. [Google Scholar] [CrossRef]
- Graf, M.; Sikora, P.S.; Roider, S.C. Macroscopic modeling of thin-walled aluminium-steel connections by flow drill screws. Thin-Walled Struct. 2018, 130, 286–296. [Google Scholar] [CrossRef]
- Raju, B.P.; Swamy, M.K. Finite element simulation of a friction drilling process using deform-3D. Int. J. Eng. Res. App. 2012, 2, 716–721. [Google Scholar]
- Miller, S.F.; Tao, J.; Shih, A.J. Friction drilling of cast metals. Int. J. Mach. Tools Manuf. 2006, 46, 1526–1535. [Google Scholar] [CrossRef]
- Miller, S.F.; Li, R.; Wang, H.; Shih, A.J. Experimental and numerical analysis of the friction drilling process. J. Manuf. Sci. Eng. 2006, 123, 802–810. [Google Scholar] [CrossRef]
- Demir, Z. Experimental Investigation of A7075-T651 Aluminum Alloy and St37 Steel Material Punching by Frictional Drilling Method. Ph.D. Thesis, Firat University, Elazığ, Turkey, 2012. [Google Scholar]
- Özek, C.; Demir, Z. Investigation of the Optimum Rotation Speed and Progress Ratio in the Friction Drilling of St37 Steel. In Proceedings of the 3rd National Design Manufacturing and Analysis Congress, Balıkesir, Turkey, 29–30 November 2012. [Google Scholar]
- Shalamov, V.P.; Pivtsaeva, M.; Chvanova, A.; Shamgunov, A. Use of combined tools to reduce axial force during thermal drilling. Mater. Today Proc. 2021, 38, 1931–1935. [Google Scholar] [CrossRef]
- El-Bahloul, S.A.; El-Shourbagy, H.E.; El-Midany, T.T. Optimization of thermal friction drilling process based on Taguchi method and fuzzy logic technique. Int. J. Sci. Eng. Appl. 2015, 4, 55–59. [Google Scholar] [CrossRef]
- Kaya, M.T.; Beylergil, B.; Akyildiz, H.K. An experimental study on friction drilling of St12 steel Trans. Canad. Soc. Mech. Eng. 2014, 38, 319–329. [Google Scholar] [CrossRef]
- Ku, W.L.; Hung, C.L.; Lee, S.M.; Chow, H.M. Optimization in thermal friction drilling for SUS 304 stainless steel. Int. J. Adv. Manuf. Tech. 2011, 53, 935–944. [Google Scholar] [CrossRef]
- Nardi, D.; López de Lacalle, L.N.; Lamikiz, A. Friction Drilling of Galvanized Dual Phase Steels. Rev. Metal. 2012, 48, 13–23. [Google Scholar] [CrossRef][Green Version]
- Schmerler, R.; Rothe, F. Hybrid Joining Using the Flow Drill Technology. Germany. 2020. Available online: https://www.researchgate.net/publication/341616091_Hybridfugen_durch_Fliesslochformen_Hybrid_joining_using_the_flow_drill_technology#fullTextFileContent (accessed on 17 November 2019).
- Guzanová, A.; Janoško, E.; Draganovská, D.; Vrabeľ, M.; Tomáš, M.; Horňak, P.; Vojtko, M.; Veligotskyi, N. Investigation of Applicability Flowdrill Technology for Joining Thin-Walled Metal Sheets. Metals 2022, 12, 540. [Google Scholar] [CrossRef]
- Banea, M.D.; Rosioara, M.; Carbas, R.J.C.; da Silva, L.F.M. Multi-material adhesive joints for automotive industry. Compos. B Eng. 2018, 151, 71–77. [Google Scholar] [CrossRef]
- Brockmann, W.; Geiß, P.L.; Klingen, J.; Schröder, B. Adhesive Bonding, Materials, Applications and Technology; WILEY-VCH Verlag GmbH & Co., KGaA: Weinheim, Germany, 2009; p. 435. [Google Scholar]
- Adams, R.D. Adhesive Bonding. Science Technology and Applications; Woodhead Publishing Limited: Oxford, UK, 2010; p. 528. [Google Scholar]
- DiBella, G.; Galtieri, G.; Pollicino, E.; Borsellino, C. Mechanical characterization of adhesive joints with dissimilar substrates for marine applications. Int. J. Adhes. Adhes. 2013, 41, 33–40. [Google Scholar] [CrossRef]
- daSilva, L.F.M.; João, M.; Lopes, C.Q. Joint strength optimization by the mixed-adhesive technique. Int. J. Adhes. Adhes. 2009, 29, 509–514. [Google Scholar] [CrossRef]
- da Silva, L.F.M.; das Neves, P.J.C.; Adams, R.D.; Spelt, J.K. Analytical models of adhesively bonded joints—Part I: Literature survey. Int. J. Adhes. Adhes. 2009, 29, 319–330. [Google Scholar] [CrossRef]
- Campilho, R.D.S.G.; Banea, M.D.; Neto, J.A.B.P.; da Silva, L.F.M. Modelling adhesive joints with cohesive zone models: Effect of the cohesive law shape of the adhesive layer. Int. J. Adhes. Adhes. 2013, 44, 48–56. [Google Scholar] [CrossRef]
- Ebnesajjad, S.; Landrock, A.H. Adhesives Technology Handbook; Elsevier: Amsterdam, The Netherlands, 2015; p. 399. [Google Scholar]
- Campilho, R.D.S.G.; Pinto, A.M.G.; Banea, M.D.; da Silva, L.F.M. Optimization study of hybrid spot-welded/bonded single-lap joints. Int. J. Adhes. Adhes. 2012, 37, 86–95. [Google Scholar] [CrossRef]
- ISO 12996:2013; Mechanical Joining—Destructive Testing of Joints—Specimen Dimensions and Test Procedure for Tensile Shear Testing of Single Joints. European Committee for Standardization: Brussels, Belgium, 2013.
- ISO 6507-1:2023; Metallic Materials—Vickers Hardness Test—Part 1: Test Method. European Committee for Standardization: Brussels, Belgium, 2023.
- Schreijäg, S. Microstructure and Mechanical Behavior of Deep Drawing DC04 Steel at Different Length Scales; KIT Scientific Publishing: Karlsruhe, Germany, 2013; p. 188. Available online: https://www.ksp.kit.edu/site/books/m/10.5445/KSP/1000032165/ (accessed on 27 November 2023).
- Asati, B.; Shajan, N.; Akhil Kishore, V.T.; Arora, K.S.; Narayanan, R.G. A comparative investigation on self-piercing riveting and resistance spot welding of automotive grade dissimilar galvanized steel sheets. Int. J. Adv. Manuf. Technol. 2022, 123, 1079–1097. [Google Scholar] [CrossRef]
- Fujda, M.; Sláma, P. Thermal stability of the ultrafine grained EN AW 6082 aluminium alloy. Kov. Mater. 2013, 51, 117–122. [Google Scholar] [CrossRef]
Disclaimer/Publisher’s Note: The statements, opinions and data contained in all publications are solely those of the individual author(s) and contributor(s) and not of MDPI and/or the editor(s). MDPI and/or the editor(s) disclaim responsibility for any injury to people or property resulting from any ideas, methods, instructions or products referred to in the content. |
© 2024 by the authors. Licensee MDPI, Basel, Switzerland. This article is an open access article distributed under the terms and conditions of the Creative Commons Attribution (CC BY) license (https://creativecommons.org/licenses/by/4.0/).





















